- •IX. Каркаси виробничих будівель
- •9.1. Загальна характеристика каркасів виробничих будівель
- •9.2. Основні елементи каркасу та їх функції
- •9.3. Області застосування стальних та змішаних каркасів
- •9.4. Вимоги, які пред’являються до каркасів
- •9.4.1. Експлуатаційні вимоги
- •9.4.2. Вимоги надійності та довговічності
- •9.4.3. Економічні вимоги
- •9.5. Конструктивні схеми основних несучих елементів стальних каркасів
- •9.6. Уніфікація об’ємно-планувальних параметрів. Розміщення колон в плані. Температурні шви та їх призначення
- •9.7. Компонування однопролітних поперечних рам каркасу
- •А. Вертикальні розміри.
- •9.8. В’язі стальних каркасів
- •9.8.1. В’язі колон
- •9.8.2. В’язі покриття (шатра)
- •9.9. Фахверк
- •X. Особливості розрахунку поперечних рам
- •10.1. Фактична робота стальних каркасів
- •10.2. Розрахункова схема однопролітної поперечної рами
- •10.3. Визначення навантажень, які діють на раму
- •10.3.1. Постійні навантаження
- •10.3.2. Снігове навантаження
- •10.3.3. Навантаження від мостових кранів
- •10.3.4. Вітрове навантаження
- •10.4. Практичні прийоми для статичного розрахунку поперечних рам
- •10.5. Визначення розрахункових зусиль в елементах рами
- •Хі. Компонування та розрахунок елементів покриття
- •11.1. Конструкція покрівлі
- •11.2. Безпрогонні покриття
- •11.3. Покриття по прогонам
- •11.4. Конструкція та розрахунок прогонів суцільного перерізу
- •11.5. Решітчасті прогони
- •2) Чотирипанельний; 3) шестипанельний
- •11.6. Вибір схеми кроквяних та підкроквяних ферм
- •11.7. Особливості роботи і розрахунку кроквяної ферми в системі поперечної рами
- •11.7.1. Навантаження
- •А. Постійне навантаження.
- •11.7.2. Визначення зусиль в стержнях ферм з урахуванням опорних моментів та розпору рами
- •11.8. Конструювання та розрахунок опорних вузлів кроквяної ферми
- •11.8.1. Опорні вузли ферми при шарнірному опиранні
- •11.8.2. Опорні вузли ферми при жорсткому з’єднанні з колоною а. Верхній опорний вузол.
- •XII. Колони поперечних рам
- •12.1. Типи колон та їх перерізів
- •12.2. Розрахункові довжини колон
- •12.2.1. Розрахункова довжина колони в площині рами
- •12.2.2. Розрахункова довжина колони з площини рами
- •12.3. Розрахунок суцільних (суцільностінчастих) позацентрово-стиснутих колон
- •12.4.2. Розрахунок стержня колони
- •12.4.3. Робота і розрахунок елементів решітки
- •12.4.4. Перевірка стійкості колони в площині рами (в площині дії моменту) як єдиного стержня
- •12.5. Конструювання, особливості роботи та розрахунку основних вузлів позацентрово-стиснутих колон
- •12.5.1. Сполучення надкранової та підкранової
- •12.5.2. Розрахунок бази колон та фундаментних болтів
- •13.1. Загальна характеристика
- •13.2. Навантаження на підкранові конструкції
- •13.3. Конструктивні рішення суцільних підкранових балок
- •13.4. Особливості розрахунку суцільних підкранових балок
- •13.4.1. Розрахункові зусилля
- •13.4.2. Перевірка міцності підкранових балок
- •13.4.3. Перевірка прогинів (жорсткості)
- •13.4.4. Перевірка місцевої стійкості
- •13.4.5. Розрахунок поясних швів підкранових балок
- •Література до вивчення дисципліни
12.4.2. Розрахунок стержня колони
Наскрізна колона працює як ферма з паралельними поясами (це її розрахункова схема). Від N i M у вітках колони виникають тільки поздовжні зусилля, тобто кожна окрема вітка працює як центрально стиснутий елемент. Поперечну силу Q повністю сприймає з’єднувальна решітка.
Несуча здатність стержня колони може бути вичерпана внаслідок настання одного з наступних граничних станів:
втрати стійкості окремо кожною з віток в площині дії моменту;
втрати стійкості окремо кожною з віток з площини дії моменту;
втрати стійкості колони в цілому (при умові, що вона працює як єдиний наскрізний стержень) в площині дії моменту.
Отже, необхідно виконати всі перелічені перевірки стійкості колони.
Розглянемо окремо кожний з пунктів.
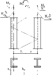
1. В колоні діє згинаючий момент М і поздовжня сила N, які визначаються при статичному розрахунку рами (рис.12.27).
Рис. 12.27. Внутрішні зусилля в стержні колони
Поздовжні зусилля у вітках колони несиметричного перерізу визначаються за такими правилами.
Сила N, яка діє в стержні, розподіляється між вітками обернено пропорційно відстаням від центру ваги всього складеного перерізу до власних осей віток. Згинаючий момент М розкладається на пару сил з плечем, рівним відстані між осями віток. Обидві складові в кожній вітці прикладаються по осям віток.
М і N визначаються окремо для кожної вітки при таких комбінаціях навантажень, які дають найбільші зусилля у вітках. Зовнішню вітку довантажує додатній момент, підкранову - від’ємний.
Зусилля в зовнішній вітці (момент “+”, рис.12.28):
Зусилля в підкрановій вітці (момент “-“, рис.12.29):
де М1 і N1 – найбільш несприятлива комбінація зусиль для підкранової вітки;
М2 і N2 – те ж для зовнішньої вітки;
h0 - відстань між центрами ваги віток колони;
у1 і у2 – відстані від центрів ваги віток до центу ваги всього перерізу.
Рис. 12.28. До визначення поздовжнього зусилля у зовнішній вітці
Рис. 12.29. До визначення поздовжнього зусилля у підкрановій вітці
Стійкість окремих віток в площині рами перевіряють як центрально-стиснутих елементів:
підкранова вітка
зовнішня вітка
.
В формулах:
А1, А2 – площі перерізу відповідно підкранової та зовнішньої віток;
1 – коефіцієнт поздовжнього згину підкранової вітки відносно власної осі 1-1 (рис.12.30);
2 – коефіцієнт поздовжнього згину зовнішньої вітки відносно власної осі 2-2.
Рис. 12.30. Позначення осей перерізу колони
1 залежить від 1 і Rу ; 2 залежить від 2 і Rу ;
1 і 2 – гнучкість окремих віток в площині рами;
lx – розрахункова довжина віток в площині рами (в площині дії моменту), рівна відстані між вузлами решітки (рис.12.31);
і1, і2 – радіуси інерції відповідно підкранової та зовнішньої віток відносно власних осей 1-1 і 2-2.
2. Стійкість окремих віток з площини рами (з площини дії моменту) перевіряють також як центрально-стиснутих елементів:
підкранової вітки
зовнішньої вітки
.
Рис. 12.31. До визначення розрахункової довжини віток в площині рами
В формулах:
у1 – коефіцієнт поздовжнього згину підкранової вітки відносно власної центральної осі у-у (яка збігається з центральною віссю у-у всього складеного перерізу, оскільки переріз відносно осі у-у є симетричним); у1 визначається за у1 ;
у2 – те ж зовнішньої вітки; у2 визначається за у2 ;
у1, у2 – гнучкість відповідно підкранової і зовнішньої віток у напрямку з площини рами
ly – розрахункова довжина віток з площини рами;
іу1, іу2 – радіуси інерції відповідно підкранової і зовнішньої віток відносно осі у-у (власної центральної осі).
Розрахункова довжина віток з площини рами наведена на поздовжньому фрагменті каркасу (рис.12.32).
Рис. 12.32. До визначення розрахункової довжини віток з площини рами
Закріплення колони з площини рами приймається шарнірним (в запас стійкості). Для зменшення розрахункової довжини використовуються розпірки, які прикріплюються до жорсткого диску (рис.12.33).
Рис. 12.33. Використання розпірок для зменшення розрахункової довжини віток з площини рами
Розглянуті дві перевірки виконують вже при остаточно скомпонованих перерізах віток, знаючи і розміри перерізів, і положення центру ваги всього складеного перерізу колони. Виникає питання: як на початку розрахунку призначити розміри і скомпонувати перерізи, які потім будуть перевірятися за наведеними вище формулами.
Практично переріз позацентрово-стиснутої наскрізної колони підбирається в такій послідовності.
Попередньо
приймають, що h0=h
(h
визначається при компонуванні рами h
= bн)
та
.
Далі визначають орієнтовні значення зусиль у вітках (див. формули вище, які спрощують):
;
.
Орієнтовні площі перерізів віток, як центрально-стиснутих елементів:
Значення попередньо приймають = 0,7…0,9.
За отриманими площами компонуються перерізи віток, враховуючи, що ширина кожної з віток для забезпечення стійкості колони з площини рами повинна бути:
.
Далі обчислюються фактичні, остаточно прийняті геометричні характеристики, фактичні значення зусиль та виконуються наведені вище перевірки стійкості.
Оскільки окремі вітки працюють на центральний стиск, то місцева стійкість полиць та стінок забезпечується так, як і в центрально-стиснутих колонах (див. п.7.4.2).
