- •4. Учитель и его назначение в обществе. Психология педагогической деятельности. Педагогические способности и индивидуальный стиль деятельности учителя.
- •Методика.
- •6 ) Энергия электростатического поля.
- •10 Постоянный ток в металлах.
- •7) Опыты Толмена и Стюарта.
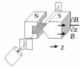
- •9) Закон Био-Савара-Лапласса.
- •10.(16). Магнитные свойства вещества. Природа диа- , пара- , ферромагнетизма. Переменный ток. Сопротивление, емкость, индуктивность цепи переменного тока.
- •12.(14) .Интерференция волн
- •13.(13). Дифракция света. Принцип Гюйгенса-Френеля. Дифракция Френеля и Фраунгофера. Дифракционная решетка. Дифракция рентгеновских лучей.
- •14.(12.) Поляризация света. Методы получения поляризованного света законы Брюстера и Малюса. Рассеяние света. Закон Релея. Цвет неба и зорь.
- •Проблемы перехода к двенадцатилетнему сроку обучения. Единый государственный экзамен.
- •19.(7). Волновые свойства частиц. Опыты Девисона и Джермера. Опыт Томсона и Тартаковского.
- •Этапы возникновения девиантного поведения. Возникновение девиации - длительный процесс, проходящий несколько стадий
- •4.3.3. Линейчатые спектры
- •2.(24). 1.Внутренняя энергия.
- •2.Работа.
- •3.Теплота.
- •Теплоемкость.
19.(7). Волновые свойства частиц. Опыты Девисона и Джермера. Опыт Томсона и Тартаковского.
В 1924 де Бройль высказал идею, которая в ту пору протеворечила общепринятым представлениям.
Идея де Бройля заключается в следующем: известно дуализм света в определенных явлениях (интер., дифр.)
проявляет волновые свойства, а при других (опыт Боте, и т.д) рассматривается как поток частиц (фотонов).
де Бройль предположил что дуализм присущь не только свету дуализм света
но и всем другим материальным объектам.
Иначе говоря поток любых частиц не только квантов но и напремер
поток электронов, протонов, нейтронов, поток атомов, молекул,
должен облодать волновыми свойствами. И облодают той же
формулой что и в случае потока световых квантов.
По деБройлю: если мы имеем поток частиц, каждая из которой обладает импульсом (к час=m час час) должен облодать волновыми свойствами, количественно выражается формулой типа (1).
Оценим величину Б для потока электронов ускоренных в электронной трубке (пушка) в результате действия на электроны эл. поля м/у катодом и анодом с напряжением U.
Пусть
U1=1B =12.24
A
U2=100B =1.224 A
U3=10000B =0.1224 A
Из расчетов видно что длина волны деБройля соответствующего пучка электронов при напряжениях 100-10000 относятся к ренгеновской области спектра.
Опыт Девисона и Джермера.
Зерк отражение в опыте Двисона и Джермера должно было наблюдатся при выполнение соотношения (5а) при целочисленном значении К . Значит зеркальное отражение и соответсвующие разные увелечения токов в гальвонометре должно было иметь место при некоторых избыточных значениях ускоряющего напряжения таких при которых √Uk пропорсионален целочисленному значению К именно такая законамерность имеет место в опыте
II вариант опыта Девисона и Джермера
При перемещении угла Θ
θ=50 U=54 –max
приведенный график соответствует ускоряющему напряжению 54В и показывает как изменяется ток в гальвонометре при изменении угла θ по радиусу вектора
Из графика видно что при угле 50 образуется сильный максимум тока, это значит что под этим углом происходит полное отражение электронов т.е интерферегсионно дифраксионный максимум.
Падающии на металл электроны по деБройлю это электронная волна и ноа испытывает зеркальное отражение при угле 50
Измерение методом ренгеновской кристоллографии дали значение d=2.15 A. Опыт оказывается прекрасным совпадением с известным результатом
Другая серия связона наблюдением при вращении кристалла вокруг вертикальной оси т.е с изменением угла β
Опыты Томсона и Тартаковского
Размеры микрокристалликов значительно больше толчины фольги. Эти микрокристаллики расположены в пространстве хаотически и если какойто из ристалликов расположен под углом Вульфа-Брегге пучке электронов п происходит зеркальное отражение пучка электронов от поверхности таких кристалликов отражается коническии пучок и в в люминицирующии поверхности возникают кольца. Измеряя радиус кольса и удаление от поверхности фольги можно определить угол α и выйти на постоянную кристаллической структуры. Такой метод исследования кристаллической структуры получила название электрографии.
Инновационные процессы оброзования. Авторские школы.
Бакалавр, нормальное – правовое образование системы, концепсии модернизации проблемы образования, баллонская декларация (09.2003) – мы войдем в единое оброзовательное пр-во Европы (до 2010 г).
Есть традиционные и нетрадиционные (инновационные) методы: то что давным-давно выработана классно-урочная система. Все это есть.
Но мы не стоим на месте. И классно-урочная система модернизируется. Появляются инновации(новое). При помощи новых способов, сотрудничества учителя и ученика, он давал тезисы, а ученики записывали – это конспект (Шаталов).
Караковскии (по общечеловеческим ценностям) – наука аксиология.
Хазанкин (информатик)
Я.А.Коменского и современная общеобразовательная школа.
В 1650г. К. горячо принялся за создание нового типа учеб. Заведения. Школа должна иметь 7 классов со своими комнатами, учителями и учебниками. В каждом классе планированно 1200 часов учебных занятий в год, предусматривалось время для игр, выходные дни и каникулы. Удалось открыть только три класса. Но модель новой школы была создана и опробована, ее без труда мы узнаем в нынешних типах учебных заведений. Исходя из природы человека, делит жизнь ребенка на 4 возрастных периода по 6 лет каждый период: 1 период - детство(от рождения до 6 лет - материнская школа), 2 период - отрочество (от 6 до 12 лет -школа родного языка), 3 период - юность (от 12 до 18 лет - школа латинского обучения в городах), 4 период (18-24) -для возмужавших молодых людей (в каждом государстве аккадемия. Каждая следующая ступень является продолжением предыдущей. Т.о. К-ий выдвинул демократ-ий принцип единой школы для каждой ступени (кроме академии). К. подробно разработал содержание обучения. Его учебники: 1. «Открытая дверь яз и всех наук» (знакомит ребенка с доступнными ему знаниями из разных областей)
2. «Мир чувственных вещей в картинках» - 150 кратких статей, каждая снабжена рисунком. Большое внимание уделяется нравственному воспитанию (развивает у детей скромность, послушание, благожелательость к урокам, аккуратность, вежливость, трудолюбие средствами нравственного воспитания считая
1.пример родителей, учителей,
2. Наставление , беседы с детьми,
3. Борьбу с распущенностью.
Протестовал против телесных наказаний.
Макаренко
Высокую оценку в педагогической системе А.С.Макаренко и его сподвижников дала сама жизнь. Педагоги не только нашей страны, но и всего мира и каждое новое поколение педагогов будут с огромным интересом изучать педагогическую систему А.С.Макаренко и находить для себя все новые и новые идеи, мысли из этого неиссякаемого источника педагогической мудрости.
На протяжении 50-90-х годов в ведущих странах прокатилась новая волна реформ, в результате чего изменились системы общего образования. Во многих странах увеличились сроки обязательного бесплатного образования, действует промежуточная ступень между начальной и полной средней школой.
После изучения начального и неполного среднего образования учащиеся распределяются по трем основным учебным потокам: полная общеобразовательная школа, которая ориентирует на теоретическую подготовку и дальнейшее обучение в университете; средняя школа, которая готовит к обучению в техническом вузе; профессиолизованные учебные заведения.
Для школьных систем характерны частные учебные заведения. Они, как правило, платные. Некоторые- дорогие и привилегированные (английские “публичные школы”, американские независимые школы, российская школа “премьер” и пр.)
В России система частных школ стала возрождаться в начале 90-х годов. В 1994-95 учебном году в Российской Федерации насчитывалось около 450 не государственных начальных и средних школ. В них обучалось около 40 тысяч школьников, что составило 0,1% всех учащихся.
Почти во всех ведущих странах школа- приоритетный объект финансирования. В начале 90-х годов затраты на образование составляли:
в США, Англии, Японии- 14%, в Германии, Франции- 10%.
В России, несмотря на то, что законом об образовании ( 1992 года) предусматривалось, что затраты на образование должны ежегодно составлять не менее 10% национального дохода. Они составляли 4,6% в 1992 году, 5,8% в 1993 году. Этих средств явно не достаточно для того, чтобы покрывать нужды школы.
20. (6.) Дискретность состояний микрообьектов, опыты Франка и Герца, опыты Штерна и Герлаха, спин электронов. Деятельность классного руководителя, учителя спец дисциплины по профилактике девиантного поведения несовершеннолетних.
Основная идея теории Бора состоит в том, что возможные энергетические состояния атома дискретны. Атом может иметь только некоторую определенную энергию, соответствующее например первому уровню, но не может иметь какую-то промежуточную энергию. Это положение противоречило классическим представлениям физики. в теории Бора это только постулируется и очень важно было экспериментально подтвердить эту основную идею квантовой теории о дискретности энергии. В 1913 г. ученые Франк и Герц осуществили серию опытов в которых дискретность энергетич. сост-й атомов была подтверждена. В опытах Ф. и Г. Использовалась газоразрядная трубка, наполненная парами ртути (7 мм. рт. ст.). Во внутрь трубки были введены 3 электрода (катод, сетка, анод). Измерялась вольтамперная характеристика. U1- можно было менять, U2=0,5 В.
Изобразим вольт-амперную хар-ку.
Результаты
опыта Ф. и Г.можно объяснить предположив,
что столкновения электронов, ускоренных
в поле сеточного напряжения с атомами
ртути могут происходить в виде двух
принципиально различных процессов: 1)
упругий удар,
при упругом ударе электрон отлетает от
атома ртути в обратном направлении как
от стенки практически сохраняя свою
энергию, в обратном направлении, он
тормозиться, тем же полем, снова набирая
скорость в направлении сетки и т.о.
диффузируя рано или поздно долетает до
сетки, имея энергию eU.
Пролетая через ячейки сетки е в состоянии
преодолеть слабое задерживающее поле
и уходит в цепь гальванометра создавая
ток. По мере увеличения U1
кол-во электронов прошедших ч/з сетку
и создаваемый ток возрастает. При
достижении, вблизи сетки энергии 4,9 эВ
оказывается возможным другой процесс
сталкивания – неупругий удар, при
котором е полностью отдает энергию
атому ртути и он оказывается не в
состоянии преодолеть задерживающее
напряжение. Ток резко падает. Иначе
говоря при энергии электрона в 4,9 эВ при
столкновении с атомом ртути, атом ртути
становится восприимчивым, он в состоянии
полностью поглотить энергию. По мере
увеличения сеточного напряжения электрон
после неупругого удара теряет энергию
но на оставшемся участке снова набирает
энергию и способен добраться до А и ток
возрастает. Так происходит до тех пор,
пока сеточное напряжение не становится
=9,8 эВ. Электрон дважды неупруго соударяется
с атомом ртути и полностью теряя энергии,
не может преодолеть задерживающее
напряжение. Ток резко падает. Процесс
повторяется через 4,9 эВ. Т.к. при поглощении
энергии электрона атомы ртути возбуждаются,
то через время равное 10-8с
атом ртути должен эту энергию излучать
в виде квантов света. Энергии 4,9 эВ
соответствует свет с длиной волны
(довольно
далекая УФ часть спектра).Когда ускор.
напр-е становится 9,8 В то должны быть 2
резких границы свечения. Т.е. наряду с
провалами тока на вольтамперной хар-ке
должны наблюдаться области свечения
на соответствующих местах разрядной
трубки. Т.о была подтверждена
экспериментально основная теория идеи
Бора о дискретности энергии состояния
любых атомов.
В
начале 20-х гг. были осуществлены очень
важные
опыты связанные прохождением пучков
атомов, например, серебра, щелочных
металлов, через сильно неоднородное
м.п. эти опыты были выполнены двумя
немецкими учеными Штерном и Герлахом.
Рассмотрим схему опыта. Имеется
электромагнит, который создает сильное
эл. магн. поле. Устройство помещается в
вакуум. Совершая орбитальное движение
в атоме электрон и соответственно атом
должны обладать моментом импульса и
соответственно магнитным моментом.
L-момент
импульса, Pm
– магнитный момент. Рассмотрим атом
;
;
-
модуль магнитного момента для электрона
совершающего движение по круговой
траектории радиуса r
и скорости
.
При орбитальном движении электронов в
атомах возникает магнитный момент
соответствующий этим орбит. движениям.
При пролете атомов в сильно неоднородном
магн. поле как следует из электродинамики
на эти магнитные моменты, т.е. на эти
атомы действует смещающая сила:
силу Fz
можно расписать:
-
колинеарен вектору
,
т.е.
В силу теплового хаоса вектор магн.
момента у различных пролетающих атомов
должен казалось бы быть ориентирован
по разному, в различных направлениях,
значит угол между векторами Pm
и
должны
принимать всевозможные различные
значения. Следовательно cos
этого угла должен принимать всевозможные
значения от -1 до +1. Fz
должен
принимать значения от max
до min.
По классическим представлениям должно
быть.
В последствии опыты выполнялись с
атомными пучками других атомов. во всех
случаях наблюдалось расщепление в
сильно неоднородном поле на некоторое
большое число составляющих. Этот
результат противоречил осн. представлениям
классической теории о молекулярном
хаосе. Результат опытов Штерна и Герлаха
можно было однозначно интерпретировать
следующим образом: кроме квантования
энергии и квантования момента импульса
в микромире существует пространственное
квантование момента импульса и
соответственно магнитного момента.
Оказывается вектор магнитного момента
и вектор момента импульса могут принимать
только избранные направления в
пространстве и таких избранных направлений
существует несколько и число этих
избранных направлений зависит от
величины магнитного момента и момента
импульса. Это явление квантовой теории
через 5 лет после опытов Штерна и Герлаха
было обосновано как результат решения
уравнения Шредингера. Это явление
получило название пространственного
квантования.
Деятельность классного руководителя, учителя спец дисциплины по профилактике девиантного поведения несовершеннолетних.
Нередко в организации учебно-воспитательного процесса педагогам, психологам приходиться сталкиваться с детьми, которые особенностями своего поведения резко выделяются среди своих сверстников. Их отличает повышенная чувствительность к различным внешним воздействиям, чрезмерная эмоциональность, неадекватная направленность эмоциональных переживаний и проявлений, недостаточность само регуляции поведения. Таких людей в обыденной жизни называют трудными, упрямыми, неуправляемыми и так далее.
В научной психолого-педагогической литературе к таким детям применяют следующие понятия: «дети с девиантным (отклоняющимся) поведением», «дети группы риска», «асоциальные дети», «проблемные дети» и так далее.
Девиантное поведение - поведение с отклонением от принятых в обществе правовых или нравственных норм и правил, обусловленное социальными, семейными, образовательными условиями и обстоятельствами развития и воспитания ребёнка.
Отклоняющееся поведение у подростков часто возникает как проявление острого кризиса переходного возраста. Мироощущение таких подростков построено на следующих типичных положениях: «Я невинная жертва, и то, что я делаю, побуждают меня делать другие», «Я имею право брать то, в чём мне отказывают, и наказывать тех, кто отказывает мне в том, чего я хочу», «Я лучше всех и понимаю всё», «Заработать что-либо не так хорошо, как получить это, не работая». Подобные убеждения могут служить надёжным индикатором острого подросткового кризиса и показанием для обращения к психологу. В их контексте вырабатываются определённые стратегии поведения,
Поддерживающие, защищающие и реализующие эти убеждения, преувеличение собственной значимости, манипулирование добровольной заботой, уход от ответственности, провокационное поведение и так далее.
Профилактика девиантного поведения несовершеннолетних бесспорно необходима и актуальна на данном этапе развития социальных отношений в России. Социальную напряжённость в стране порождает серьёзный рост различного рода нарушений несовершеннолетними социальных норм: ширятся масштабы преступлений, алкоголизма, проституции и других проявлений девиантного поведения.
