- •1. Задачи технической диагностики и методы их решения
- •1.1. Предмет технической диагностики, как научной дисциплины
- •1.2. Основные принципы диагностирования и составления диагностических алгоритмов
- •1.3. Классификация математических моделей
- •1.4. Общая характеристика технических средств диагностики
- •2. Система диагностирования авиационных гтд
- •2.1. Особенности гтд, как объекта диагностирования
- •2.2. Определение технического состояния гтд
- •2.3. Общая характеристика диагностических признаков
- •3. Методы технического диагностирования
- •3.1. Вибрационная диагностика
- •3.2. Диагностика состояния двигателя по шуму
- •3.3. Спектр шумов основных узлов гтд
- •3.4. Метод термогазодинамических параметров
- •3.5. Дискретно–фазовый метод измерения колебаний лопаток
- •3.6. Метод осциллографирования параметров
- •3.7. Оценка состояния опор ротора по температуре
- •3.8. Специальные средства контроля технического состояния гтд.
- •4.Техническая диагностика по изменению физико-механических параметров
- •4.1 Диагностика деталей, омываемых маслом
- •5. Диагностика гтд на основе информации, зарегистрированной в полете. Прогнозирование технического состояния гтд
- •5.1 Классификация бортовых систем регистрации полетных данных (бсрпд). Магнитные бсрпд
- •5.2. Особенности применения аналоговых бсрпд
- •5.3. Методы прогнозирования
- •Xдоп – допустимое значение параметра
- •Xопр – определяемое значение параметра через интервал времени после проведения предыдущего замера
- •1. Задачи технической диагностики и методы их решения
- •Предмет технической диагностики, как научной дисциплины……………………………………………………1
- •Система диагностирования авиационных гтд
- •Методы технического диагностирования по изменению параметров динамических процессов
- •Техническая диагностика по изменению физико-механических параметров
- •6. Анализы причин возникновения неисправностей в гтд
Федеральное агентство по образованию
Государственное образовательное учреждение
Высшего профессионального образования
«МАТИ» - Российский государственный
технологический университет
имени К.Э. Циолковского
_______________________________________________________
Кафедра «Двигатели летательных аппаратов и теплотехника»
В.Г.Попов
Н. Л. Ярославцев
ОСНОВЫ ТЕХНИЧЕСКОЙ ДИАГНОСТИКИ
(Учебное пособие)
Москва 2010
Владимир Георгиевич Попов
Николай Львович Ярославцев
ОСНОВЫ ТЕХНИЧЕСКОЙ ДИАГНОСТИКИ
Под редакцией Н.Л.Ярославцева
Компьютерная верстка: Дворниченко Д.А., Куликов О.А.
Лицензия ЛР 020447 от 17.04.97
_______________________________________________________
Подписано в печать Формат 60х90 1/16
Бумага офсетная. Печать офсетная.
Усл. Печ. Л.2,25. Усл. Изд. Л.2,25
Тираж экз. Заказ_________________________________________
Издательско – типографический центр «МАТИ» - российского государственного технологического университета имени К.Э. Циолковского 109240, Москва, Берниковская наб., 14
1. Задачи технической диагностики и методы их решения
1.1. Предмет технической диагностики, как научной дисциплины
Техническая диагностика - это направление в науке и технике, представляющее собой процесс определения технического состояния объекта с определенной степенью точности. Под техническим состоянием понимается совокупность подверженных изменению в процессе производства или эксплуатации свойств объекта, характеризуемая признаками, которые устанавливаются технической документацией на этот объект. Быстрое определение неисправностей в авиационных ГТД необходимо для обеспечения безопасности полетов и для уменьшения времени простоя самолета, что повышает его экономичность.
Основной целью технического диагностирования авиационного ГТД является создание эффективной организации процессов оценки его технического состояния. В основе этой организации лежат основные положения общей теории технической диагностики, методы построения и анализа математических моделей объекта диагностирования.
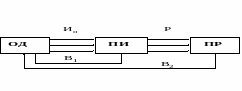
Процесс технического диагностирования включает в себя измерительные, контрольные и логические операции, выполняемые оператором и техническими средствами с целью определения действительного состояния объекта. При этом процесс диагностирования можно рассматривать, рис. 1, как сбор информации (Ио) о состоянии объекта диагностирования (ОД) и ее обработку в преобразователе (ПИ). Результаты оценки (Р) затем используются для принятия решения (ПР) о выполнении последующих операций или о дальнейшем использовании объекта. Не исключается возможность воздействий (В1, В2) с целью уточнения диагноза или управления им в процессе диагностирования, что определяет наличие обратных связей.
Выполнение определенных функций в процессе диагностирования обуславливается программой, построенной на взаимосвязанных математических и логических операциях, образующих отдельные алгоритмы.
Техническая диагностика решает следующие задачи:
создание контролепригодного изделия;
разработка систем и средств получения необходимой информации;
разработка методов обработки и анализа получаемой информации (алгоритмы и программы расчетов, наземные и бортовые ЭВМ);
обоснование и реализация наиболее рациональных способов регистрации информации;
разработка рекомендаций по использованию результатов контроля диагностики.
Рис.1
ОД – объект диагностики; ПИ – преобразователь информации; ПР – принятие решения; Ио – сбор информации; Р – результаты оценки; В1 и В 2 – воздействия
На рис.2 приведена структурная схема основных работ по диагностике. Уровень диагностирования технического состояния изделия оценивается рядом количественных показателей, в число которых входят:
точность – соответствие значений параметров, полученных при диагностировании, действительным величинам;
достоверность – минимальная вероятность ошибок диагностирования.;
быстродействие – оперативность при минимальных временных и трудовых затратах;
стоимость – уровень затрат материальных средств.
Исследование технического состояния изделия осуществляется по трем направлениям:
диагностирование – определение технического состояния, в котором находится объект в настоящее время;
прогнозирование – предсказание состояния, в котором окажется объект в некоторый последующий момент времени;
генезирование – определение состояния, в котором находился объект в некоторый предыдущий момент времени (расследование причин аварии).
Качество диагностирования в значительной степени зависит от правильности выбора диагностических признаков. Решение этой задачи во многом определяется возможностью выявления и экспериментального подтверждения этих признаков.
Рис.2
