- •3. Проектирование свайных фундаментов
- •3.1. Общие сведения
- •3.2. Назначение основных параметров фундамента
- •3.2.1. Выбор основных отметок и размеров фундамента
- •3.2.2. Определение несущей способности сваи
- •3.2.3. Предварительное определение необходимого числа свай и конструирование фундамента
- •3.2.4. Приведение нагрузок к подошве ростверка
- •3.3. Расчет усилий в сваях
- •3.3.1. Общие сведения о расчетной схеме
- •3.3.2. Порядок определения усилий в сваях
- •3.4. Расчеты по первой группе предельных состояний
- •3.4.1. Проверки несущей способности свай на вдавливание в грунт и выдергивание из грунта
- •3.4.2. Проверка прочности ствола сваи
- •3.4.3. Проверка устойчивости грунта, окружающего сваю
- •3.4.4. Проверка прочности опорного и подстилающего слоев основания
- •3.5. Расчеты по второй группе предельных состояний
- •3.5.1 Проверка по отклонению верха опоры
- •3.5.2. Расчет осадки основания свайного фундамента
3. Проектирование свайных фундаментов
3.1. Общие сведения
Свайный фундамент состоит из группы свай, объединенных сверху общей плитой, называемой ростверком. Ростверк изготавливается из монолитного конструктивно армированного бетона класса не ниже В25 и предназначен для передачи нагрузки от сооружения на сваи.
Размеры ростверка в плоскости обреза назначают несколько большими размеров надфундаментной части опоры (рис.3.1).
а) б)
Рис.3.1. Свайные фундаменты с высоким – а, и низким – б, ростверками
Так же, как и фундамент мелкого заложения, в случае необходимости, ростверк может иметь развитие размеров от обреза к подошве, оформленное в виде уступов под определенным углом развития (см. рис. 3.1).
Ростверк считается жестким, если угол
его развития
,
в противном случае - гибким. Под опоры
мостов ростверки проектируют, как
правило, жесткими. Такие ростверки не
требуется проверять на прочность.
Сваи могут располагаться вертикально и наклонно. Включение наклонных свай повышает жесткость фундамента на восприятие горизонтальных сил и моментов. Поэтому такие фундаменты часто применяют в мостостроении.
В зависимости от расположения свай в фундаменте свайные фундаменты могут быть симметричными и несимметричными относительно плоскости моста и плоскости опоры. Несимметричный свайный фундамент под мостовую опору может оказаться более экономичным. Однако в курсовой работе рекомендуется проектировать симметричный фундамент как в плоскости моста так и в плоскости опоры.
В курсовой работе свайные фундаменты и их основания студенты рассчитывают по двум группам предельных состояний:
первая группа по несущей способности свай и несущей способности основания
вторая группа по отклонению верха опоры и по осадке.
Проектирование свайного фундамента (раздел 3 пояснительной записки) ведется в следующем порядке.
3.2. Назначение основных параметров фундамента
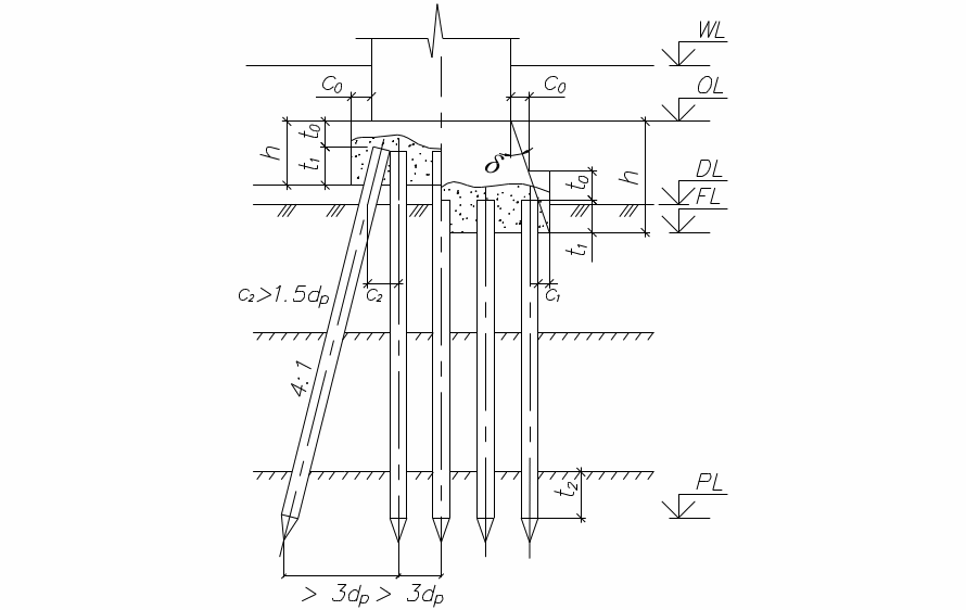
3.2.1. Выбор основных отметок и размеров фундамента
Свайный фундамент характеризуется
тремя основными отметками: обреза
фундамента
,
подошвы ростверка
,
и нижних концов свай
(см.
рис. 3.1). В курсовой работе отметка обреза
задана. Поэтому, при проектировании
свайного фундамента можно варьировать
лишь отметкой подошвы ростверка и нижних
концов свай.
При фиксированной отметке обреза
фундамента отметка подошвы ростверка
определяется его высотой
.
Минимальное значение этой высоты
складывается из величины необходимой
заделки свай в ростверк
и минимально допустимой толщины бетона
над головами свай
.
По действующим нормам [2] величина принимается не менее половины периметра призматической сваи. Минимально допустимую толщину бетона над головами свай в необходимых случаях определяют из расчета его на продавливание свай. В курсовой работе эту толщину разрешается принимать без расчета не менее 0,5 м.
В пучинистых грунтах глубина заложения подошвы низкого ростверка, как и подошвы массивного фундамента, назначается не менее расчетной глубины промерзания [4]. При проектировании фундамента русловых опор моста, когда грунты основания не промерзают, это требование отпадает.
Размеры плиты ростверка в плане, на
уровне
,
как и в случае фундаментов мелкого
заложения должны быть больше размеров
опоры, на ширину обреза
0,2 … 0,6 м в каждом
направлении (см. рис. 3.1).
Сваи выбирают с учетом:
- инженерногеологического строения основания;
- наличия в строительной организации, которая будет выполнять проект, необходимого оборудования и механизмов
- результатов технико-экономического сравнения вариантов фундамента с различными типами и размерами свай.
В курсовой работе рекомендуется
использовать сваи мостовые СМ,
железобетонные, сплошного квадратного
сечения, с ненапрягаемой арматурой,
характеристики которых указаны в
табл.П.6.1 (Приложение 6). При этом длину
свай по возможности следует назначать
так, что бы их нижние концы были заглублены
в достаточно прочный несущий слой
основания на величину
(см. рис. 3.1) не менее: в пески крупные и
средние, а также глинистые грунты с
<0,1
-
0,5 … 1 м, в прочие виды нескальных грунтов
- 1 м.
Длину свай округляют в большую сторону до ближайшей стандартной длины, т.е. до целых метров. При этом во всех случаях погруженная в грунт (с учетом размыва) длина сваи должна быть не менее 4 м.
