- •Конструктивные особенности и технологические возможности металлорежущих станков Исследование кинематических параметров приВОдов металлорежущих станков
- •Токарный станок cs6150 (b/c) / cs6250 (b/c).
- •Общий вид станка
- •Органы управления
- •Технологические возможности и назначение станка
- •Технические характеристики
- •Общий вид станка
- •Техническая характеристика станка
Федеральное государственное бюджетное образовательное учреждение высшего
профессионального образования
«Ижевский государственный технический университет
имени М.Т.Калашникова»
(ФГБОУ ВПО «ИжГТУ имени М.Т.Калашникова»)
Институт: «Современные технологии машиностроения, автомобилестроения и металлургии»
Кафедра: «Конструкторско-технологическая подготовка машиностроительного производства»
ЖУРНАЛ
лабораторных работ по дисциплине:
«Оборудование машиностроительных производств»
Конструктивные особенности и технологические возможности металлорежущих станков Исследование кинематических параметров приВОдов металлорежущих станков
Выполнил:
студент группы Б06-721-2зт
Владыкин О.Н,
Проверил:
к.т.н., доцент кафедры КТПМП
Мкртчян Артем Фурманович
г. Ижевск, 2017
Лабораторная РАБОТА № 1
«Конструктивные особенности и технологические возможности металлорежущего станка мод. 1к62»
Общий вид станка
Органы управления:
1,4 — рукоятки управления коробкой скоростей; 2 — рукоятка переключения звена увеличения шага; 3 — грибок управления реверсом для нарезания правых и левых резьб; 5 — маховичок ручного продольного перемещения суппорта; 6 — ползунок с пуговкой для включения и выключения реечной шестерни фартука; 7 — рукоятка ручного поперечного перемещения суппорта; 8 — кнопочная станция, 9 — рукоятка ручного перемещения верхней части суппорта; 10—кнопка включения быстрых
перемещений суппорта; 11 — рукоятка включения, выключения и реверсирования продольной и поперечной подач суппорта; 12, 14 — рукоятки включения, выключения и реверсирования вращения шпинделя, 13 — рукоятка включения маточной гайки фартука; 15, 16 — рукоятки управления коробкой подач.
Технологические возможности и назначение станка
Станок является универсальным. Он предназначен для выполнения разнообразных токарных работ, для нарезания метрической, дюймовой, модульной, питчевой, правой и левой, с нормальным и увеличенным шагом, одно- и многозаход- ной резьб, для нарезания торцовой резьбы и для копировальных работ (с помощью прилагаемого к станку гидрокопировального устройства). Станок применяется в условиях индивидуального и мелкосерийного производства.
Технические характеристики
Наибольший диаметр обрабатываемой детали в мм:
над станиной 400
над нижней частью суппорта 200
Наибольший диаметр обрабатываемого прутка, в мм 45
Расстояние между центрами, в мм 710, 1000
Наибольшая длина обтачивания, в мм 640, 930
Число скоростей вращения шпинделя 23
Пределы чисел оборотов шпинделя в минуту 12,5—2000
Пределы величин подач суппорта в мм/об:
продольных 0,070—4,16
поперечных 0,035—2,08
Шаги нарезаемых резьб:
метрической, в мм 1—192
дюймовой (число ниток на 1") 24—2
модульной, модуль в мм 0,5—48
питчевой, в питчах 96—I
Скорость быстрого продольного перемещения суппорта,
в м/мин 3,4
Мощность главного электродвигателя, в кВт 7,5 или 10
Виды обрабатываемых деталей (виды технологических операций)
Обработка конических, цилиндрических и сложных поверхностей, как на наружной части заготовки, так и внутри. Кроме этого, данное оборудование позволяет нарезать резьбу и вести обработку торцов широким спектром инструментов: резцами, сверлами, зенкерами, метчиками и плашками.
Импортные аналоги (преимущества и недостатки)
Токарный станок cs6150 (b/c) / cs6250 (b/c).
Отличительные особенности данного станка:
Высокоточные закалённые, отшлифованные и упрочненные направляющие станины;
Закаленный шпиндель из высокопрочной легированной стали, установленный на три пары точных подшипников;
Закалённые и шлифованные косозубые зубчатые колеса и шестерни;
Регулируемая муфта перегрузки ходового винта;
Установка шага всех нарезаемых метрической и дюймовой резьбы без смены шестерен гитары, рукояткой на панели управления;
Минимальная скорость вращения шпинделя - 9 Об/мин;
Поперечное смещение задней бабки на ±15мм для точения длинных конусов;
Подача СОЖ в зону резания;
Галогеновый светильник;
Тормоз шпинделя;
Цельнолитая тумба-подставка под станок;
Высокое качество.
«Исследование кинематических параметров металлорежущего
станка мод. 1К62»
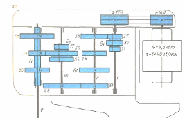
Структурная схема привода
График частот вращения (подач)
Формула настройки привода
Выводы по лабораторной работе № 1:
В данной лабораторной работе описана конструктивная особенность и технологические возможности металлорежущего станка мод. 1к62.
Лабораторная РАБОТА № 2
«Конструктивные особенности и технологические возможности вертикально- сверлильного станка мод. 2А135»
Общий вид станка
Органы управления:
1 — рукоятка перемещения стола; 2 — штурвал для подъема и опускания шпинделя и для включения механической подачи.
3. Технологические возможности и назначение станка
Станок предназначен для сверления, рассверливания, зенкерования и развертывания отверстий в различных деталях, а также для торцевания и нарезания резьб машинными метчиками в условиях индивидуального и серийного производства. На станке модели 2А135 обрабатываются детали сравнительно небольших размеров и веса.
Технические характеристики
Наибольший диаметр сверления, в мм 35
Расстояние от оси шпинделя до лицевой стороны станины, в мм 300
Наибольшее расстояние от торца шпинделя до стола, в мм 750
Наибольший ход шпинделя, в мм 225
Наибольшее установочное перемещение шпиндельной бабки, в мм 200
Размеры рабочей поверхности стола, в мм
длина 500
ширина 450
Наибольшее вертикальное перемещение стола, в мм 325
Число скоростей вращения шпинделя 9
Пределы чисел оборотов шпинделя в минуту 68-1100
Количество величин подач 11
Пределы величин подачи, в мм/об 0,115—1,6
Мощность главного электродвигателя, в кВт 4,5
Виды обрабатываемых деталей (виды технологических операций)
Это оборудование рассчитано на сверление отверстий с условным диаметром в 35 миллиметров, о чем говорят последние две цифры в названии. В качестве устройства для сверления, рассверливания, зенкерования и выполнение ряда других операций оно в основном задействуется при единичном или мелкосерийном производстве.
Импортные аналоги (преимущества и недостатки)
Украинский станок "Веркон" – КА-232
Станки модели ка-232 предназначены для выполнения следующих видов работ: сверления, рассверливания, зенкования, зенкерования, развертывания, растачивания, нарезания резьбы метчиками.
Недостаток: условный диаметр обработки 32 мм.
«Исследование кинематических параметров металлорежущего
станка мод. 1К62»
Структурная схема привода
График частот вращения (подач)
Формула настройки привода
Выводы по лабораторной работе № 2:
В данной лабораторной работе описана конструктивная особенность и технологические возможности вертикально- сверлильного станка мод. 2а135.
Лабораторная РАБОТА № 3
«Конструктивные особенности и технологические возможности универсально-фрезерного станка мод. 6Н81»
