- •Вопрос 1: Структура стали, влияние легирования и термической обработки на механические свойства стали.
- •Вопрос 2: Марки малоуглеродистых сталей, их физические характеристики и химический состав.
- •Вопрос 3: Марки низколегированных сталей, их физические характеристики и химический состав.
- •Вопрос 4: Выбор сталей для строительных мк, марки и классы сталей.
- •Вопрос 5: Вязкое разрушение стали и алюминиевого сплава при одноосной статической нагрузке. Рабочая диаграмма и её теоретическая интерпретация.
- •Вопрос 6: Хрупкое разрушение стали; условия, способствующие хрупкому разрушению.
- •Вопрос 7: Влияние концентрации напряжений, начальных напряжений и температуры на работу стали.
- •Вопрос 8: Ударная вязкость стали, порог хладноломкости.
- •Вопрос 9: Влияние факторов старения, наклепа и коррозии на свойства стали и алюминиевого сплава.
- •Вопрос 10: Явление усталости стали при вибрационных воздействиях
- •Вопрос 11: Мероприятия, приводящие к уменьшению риска хрупкого разрушения мк.
- •Вопрос 12: Основные положения метода расчёта мк по предельным состояниям.
- •Вопрос 13: Основы расчёта центрально-растянутых элементов мк.
- •Вопрос 14: Основы расчёта изгибаемых элементов мк; учёт ограниченной пластичности
- •Вопрос 15: Основы расчёта центрально-сжатых элементов мк
- •Вопрос 16: Коэффициенты приведения длины и продольного изгиба при центральном сжатии
- •Вопрос 17: Основы расчёта сжато-изгибаемых (внецентренно-сжатых) элементов мк.
- •Вопрос 18: Виды сварных швов и соединений.
- •Вопрос 19: Особенности работы и расчёта стыковых сварных швов.
- •Вопрос 20: Особенности работы и расчёта угловых сварных швов.
- •Вопрос 21: Конструктивные и технологические требования к сварным соединениям.
- •Вопрос 22: Виды болтовых соединений.
- •Вопрос 23: Особенности работы и расчёта болтовых соединений без контролируемого натяжения болтов.
- •Вопрос 24: Особенности работы и расчёта фрикционных соединений на высокопрочных болтах.
- •Вопрос 25: Понятие оптимальной высоты сварной составной балки постоянного и переменного сечения.
- •Вопрос 26: Понятие минимальной высоты сварной составной балки.
- •Вопрос 27: Конструкция и расчёт опорного ребра сварной составной балки.
- •Вопрос 28: Назначение и расчёт рёбер жёсткости балки составного сечения.
- •Вопрос 29: Расчёт стенки балки составного сечения по прочности и по устойчивости.
- •Вопрос 30: Расчёт местной устойчивости стенки составной балки с поперечными рёбрами жёсткости.
- •Вопрос 31: Центрально-сжатые колонны, типы сечений, их область применения.
- •Вопрос 32: Сплошные колонны составного двутаврового сечения. Методика их расчёта.
- •Вопрос 33: Сквозная колонна на планках; основы их расчёта относительно свободной оси.
- •Вопрос 34: Расчёт соединительных планок сквозной колонны .
- •Вопрос 35: Конструкция и расчёт оголовка сплошной колонны при свободном опирании балки.
- •Вопрос 36: Конструкция и расчёт базы с траверсой при шарнирном опирании центрально-сжатой колонны.
- •Вопрос 37 Конструкция и расчёт базы с траверсой при жёстком прикреплении колонны к фундаменту
- •Вопрос 38: Классификация ферм, очертания поясов и системы решёток.
- •Вопрос 39: Понятие оптимальной и минимальной высоты стропильной фермы.
- •Вопрос 40: Типовые стропильные фермы с параллельными поясами и трапецеидального очертания. Отправочная марка провозного (транспортабельного) габарита.
- •Вопрос 41: Типы сечений стержней лёгких форм и их узловых соединений.
- •Вопрос 43: Предельные гибкости стержней ферм.
- •Вопрос 42: Расчётные длины стержней ферм в плоскости и из плоскости изгиба.
- •Вопрос 44: Сбор нагрузок на ферму, определение усилий в её стержнях графо – аналитическим методом.
- •Вопрос 45: Определение усилий в стержнях фермы аналитическим методом.
- •Вопрос 46: Подбор сечений стержней фермы по прочности, по устойчивости и по предельной гибкости.
- •Вопрос 47: Общие требования по конструированию стержней фермы из парных уголков
- •Вопрос 48: Узлы ферм из парных уголков (промежуточный, укрупнительный) и основы их расчёта.
- •Вопрос 49: Номенклатура промзданий. Область применения стальных каркасов промышленных зданий
- •Вопрос 50: Эксплуатационные требования к стальным каркасам.
- •Вопрос 51: Экономические требования к стальным каркасам.
- •Вопрос 52: Состав каркасов и его конструктивные и расчетные схемы.
- •Вопрос 53: Компоновка каркаса.
- •Вопрос 54: Назначение и расстановка связей по колоннам.
- •Вопрос 55: Назначение и расстановка связей по покрытию.
- •Вопрос 56: Компановка конструкций покрытия (прогонное и безпрогонное решение).
- •Вопрос 57: Компоновка фахверка и фонарей
- •Вопрос 58: Выбор расчётной схемы поперечной рамы
- •Вопрос 59: Учёт пространственной работы каркаса.
- •Вопрос 60: Установление расчётных комбинационных усилий при расчете поперечной рамы промздания.
Вопрос 58: Выбор расчётной схемы поперечной рамы
Вопрос 59: Учёт пространственной работы каркаса.
Δпростр
=
*Δплоск
Δплоск - перемещение плоской рамы
– коэффициент пространственной работы
Вопрос 60: Установление расчётных комбинационных усилий при расчете поперечной рамы промздания.
+Мmax; Nсоотв
- Мmax; Nсоотв
2. Nmax; +Mсоотв
Nmax; - Mсоотв
Постоянная нагрузка учитывается во всех комбинациях с коэффициентом 1.
Если в комбинации участвует 1 временная нагрузка (снег, крановая, ветер), то тогда эта временная нагрузка учитывается в комбинации с коэффициентом 1.
Если в комбинации участвует 2 и более временных нагрузок, то они участвуют в комбинации в коэффициентом 0,9
Вертикальная крановая нагрузка и горизонтальная крановая нагрузка учитываются совместно и считаются как одна временная нагрузка
Усилия от временных нагрузок в комбинации учитываются тогда, когда они неблагоприятны.
ВОПРОС 61: Особенности проектирования и расчета стропильных ферм покрытия пром. зданий
ВОПРОС 62: Опорные узлы стропильной фермы (шарнир и заделка).
ВОПРОС 63: Конструкции колонн пром. зданий.
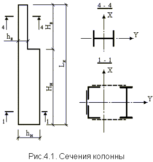
ВОПРОС 64: Расчётная длина участков ступенчатых колонн
Для ступенчатых колонн расчетные длины в плоскости рамы определяются раздельно для нижней и верхней частей колонны:
г
де
-
коэффициенты приведения длин соответственно
для верхней и нижней частей колонны
(рис.4.1). Если отношение продольных усилий
в нижней и верхней частях колонны
и
отношение длин т
о
эти коэффициенты определяются по [2.
табл.18], для случая "конец закреплен
только от поворота"
.
Расчетные длины
колонны из плоскости рамы принимаются
равными расстоянию между закреплениями
колонны из плоскости рамы от смещения
вдоль здания. Этими закреплениями
являются фунда-менты, подкрановые и
тормозные конструкции, шатер покрытия
(рис.4.2). В отдельных случаях могут
устанавливаться горизонтальные
распорки между колоннами посредине
или в третях высоты |
Р
асчетные
длины колонны для верхней и нижней ее
частей принимаются равными:
ВОПРОС 65: Основы расчёта сплошных сечений колонн
ВОПРОС 66: Основные расчётные длины сквозных колонн пром.зданий
ВОПРОС 67: Расчёт анкерных болтов колонн
Анкерный болт работает на растяжение. Рассчитывают на выработку из бетона:
- М + Na + Fay = 0
Fa
=
- усилие в анкерных болтах, Aв,тр
=
Fa
/ nRbaﻻc,
n – количество болтов, Rba
- расчетное сопротивление болта на
растяжение.
ВОПРОС 68: Расчёт и конструкция узлов колонн
ВОПРОС 69: Типы подкрановых балок. Особенности их работы.
Типы подкрановых балок:
Пролеты = 6, 12 (18,24) и кран малой грузоподъемности.
а - прокатные двутавры; б - несимметричный составной двутавр; в - симметричный составной двутавр с тормозной конструкцией; г - составное сечение с поясами из тавров; д - то же, с усиленным верхним поясом; е - двухстенчатое сечение; ж - сечение со сменной верхней частью; и - двутавровое клепаное сечение.
Особенности:
На конструкцию действуют подвижные сосредоточенные нагрузки
На конструкцию действует значительная сосредоточенная сила
Конструкция воспринимает крутящие моменты
М
кр
= F*e
+ T*hp
ВОПРОС 70: Особенности расчёта подкрановой балки при сплошной и сквозной тормозной площадке
ВОПРОС
71: Типы большепролетных конструкций
покрытия. Область применения
ВОПРОС 72: Балочные большепролетные конструкции
ВОПРОС 73: Рамные большепролетные конструкции.
←РИС: двухшарнирная арка
↓РИС: бесшарнирная арка
←РИС: трехшарнирная арка
hб = 1/10*L
hар = 1/30 1/40
. ЛЕКЦИОННЫЕ ВОПРОСЫ ПО МЕТАЛЛИЧЕСКИМ КОНСТРУКЦИЯМ
Бакалавры 4 курс, группы 3,4,5,6 (Василькин А.А.)
Структура стали, влияние легирования и термической обработки на механические свойства стали
Марки малоуглеродистых сталей, их физические характеристики и химический состав
Марки низколегированных сталей, их физические характеристики и химический состав
Выбор сталей для строительных МК, марки и классы сталей
Вязкое разрушение стали и алюминиевого сплава при одноосной статической нагрузке. Рабочая диаграмма и её теоретическая интерпретация
Хрупкое разрушение стали; условия, способствующие хрупкому разрушению
Влияние концентрации напряжений, начальных напряжений и температуры на работу стали
Ударная вязкость стали, порог хладноломкости.
Влияние факторов старения, наклепа и коррозии на свойства стали и алюминиевого сплава
Явление усталости стали при вибрационных воздействиях
Мероприятия, приводящие к уменьшению риска хрупкого разрушения МК
Основные положения метода расчёта МК по предельным состояниям.
Основы расчёта центрально-растянутых элементов МК
Основы расчёта изгибаемых элементов МК; учёт ограниченной пластичности
Основы расчёта центрально-сжатых элементов МК
Коэффициенты приведения длины и продольного изгиба при центральном сжатии
Основы расчёта сжато-изгибаемых (внецентренно-сжатых) элементов МК
Виды сварных швов и соединений
Особенности работы и расчёта стыковых сварных швов
Особенности работы и расчёта угловых сварных швов
Конструктивные и технологические требования к сварным соединениям
Виды болтовых соединений
Особенности работы и расчёта болтовых соединений без контролируемого натяжения болтов
Особенности работы и расчёта фрикционных соединений на высокопрочных болтах
Понятие оптимальной высоты сварной составной балки постоянного и переменного сечения
Понятие минимальной высоты сварной составной балки
Конструкция и расчёт опорного ребра сварной составной балки
Назначение и расчёт рёбер жёсткости балки составного сечения
Расчёт стенки балки составного сечения по прочности и по устойчивости
Расчёт местной устойчивости стенки составной балки с поперечными рёбрами жёсткости
Центрально-сжатые колонны, типы сечений, их область применения
Сплошные колонны составного двутаврового сечения. Методика их расчёта
Сквозная колонна на планках; основы их расчёта относительно свободной оси
Расчёт соединительных планок сквозной колонны
Конструкция и расчёт оголовка сплошной колонны при свободном опирании балки
Конструкция и расчёт базы с траверсой при шарнирном опирании центрально-сжатой колонны
Конструкция и расчёт базы с траверсой при жёстком прикреплении колонны к фундаменту
Классификация ферм, очертания поясов и системы решёток
Понятие оптимальной и минимальной высоты стропильной фермы
Типовые стропильные фермы с параллельными поясами и трапецеидального очертания. Отправочная марка провозного (транспортабельного) габарита
Типы сечений стержней лёгких форм и их узловых соединений
Расчётные длины стержней ферм в плоскости и из плоскости изгиба
Предельные гибкости стержней ферм
Сбор нагрузок на ферму, определение усилий в её стержнях графо-аналитическим методом
Определение усилий в стержнях фермы аналитическим методом
Подбор сечений стержней фермы по прочности, по устойчивости и по предельной гибкости
Общие требования по конструированию стержней фермы из парных уголков
Узлы ферм из парных уголков (промежуточный, укрупнительный) и основы их расчёта.
Номенклатура промзданий. Область применения стальных каркасов промышленных зданий
Эксплуатационные требования к стальным каркасам
Экономические требования к стальным каркасам
Состав каркасов и его конструктивные и расчетные схемы.
Компоновка каркаса
Назначение и расстановка связей по колоннам
Назначение и расстановка связей по покрытию
Компановка конструкций покрытия (прогонное и безпрогонное решение).
Компоновка фахверка и фонарей
Выбор расчётной схемы поперечной рамы
Учёт пространственной работы каркаса
Установление расчётных комбинационных усилий при расчете поперечной рамы промздания
Особенности проектирования и расчета стропильных ферм покрытия пром. зданий
Опорные узлы стропильной фермы (шарнир и заделка).
Конструкции колонн пром. зданий
Расчётная длина участков ступенчатых колонн.
Основы расчёта сплошных сечений колонн
Основные расчётные сквозных колонн пром.зданий
Расчёт анкерных болтов колонн.
Расчёт и конструкция узлов колонн
Типы подкрановых балок. Особенности их работы.
Особенности расчёта подкрановой балки при сплошной и сквозной тормозной площадке
Типы большепролетных конструкций покрытия. Область применения.
Балочные большепролетные конструкции
Рамные большепролетные конструкции
Арочные большепролетные конструкции
Сетчатые цилиндрические оболочки (своды).
Купольные конструкции.
Узлы арочных, рамных и висячих большепролётных конструкций.
Типы листовых конструкций, оболочки.
Безмоментное напряжённое состояние оболочки. Краевой эффект.
Резервуары. Номенклатура. Особенности расчета.
