- •Раздел 1. Численные методы в электротехнике Введение
- •Раздел 1. Численные методы в электротехнике
- •Лабораторная работа 1
- •Линейные оптимизационные задачи
- •Симплекс-метод. Excel
- •Лабораторная работа 2 Транспортная задача электроэнергетики с транзитом мощности. Excel
- •Лабораторная работа 3 Решение слау. MathCad.
- •Лабораторная работа 4 Интерполяция вольт-амперных характеристик нелинейных элементов электрических цепей
- •5.2. Расчет линейной электрической цепи постоянного тока методом узловых потенциалов
- •Лабораторная работа 6 Расчет нелинейной электрической цепи методом Ньютона-Рафсона Теоретическое введение
- •Лабораторная работа 7 Численное решение системы дифференциальных уравнений обобщенной электрической машины Теоретическое введение
- •Лабораторная работа 8 Расчет ресурса ячейки памяти микроконтроллера Теоретическое введение
- •Корпус fram и основные характеристики:
- •Раздел 2. Базы данных в электротехнике Введение
- •Лабораторная работа 1 Создание табличной базы данных Теоретическое введение
- •Контрольные вопросы
- •Лабораторная работа 3 Организация поиска и запросов в созданной базе данных Теоретическое введение
- •Ход выполнения работы
- •Контрольные вопросы
- •Список использованной литературы
5.2. Расчет линейной электрической цепи постоянного тока методом узловых потенциалов
При расчете линейной электрической цепи методом узловых потенциалов, необходимо решить следующее матричное уравнение:
Gуφу = Jу,
где Gу – матрица узловых проводимостей; φу = (φ1 φ2 … φn) – матрица узловых потенциалов; Jу – матрица узловых токов.
Матрица узловых проводимостей составляется следующим образом:
где g11, g22, gnn – суммарные проводимости 1-го, 2-го и n-го узлов; g21 = g12 – проводимость ветви между первым и вторым узлами, взятая со знаком «–»; gkn = gnk – проводимость ветви между узлом n и узлом k, взятая со знаком «–» (если между узлами нет прямой связи, проводимость берется равной 0).
Матрица узловых токов определяется следующим образом:
Jу = (Jу1 Jу2 … Jуk)
где
– суммарный ток первого узла; k
–
количество узлов в схеме; n
–
номер узла; i
–
номер входящей в узел ветви; m
–
количество ветвей, входящих в узел; Eni
–
ЭДС ветви, входящей в узел (берется со
знаком «–», если ЭДС направлена от узла,
и со знаком «+», если ЭДС направлена к
узлу); gni
–
проводимость соответствующей ветви,
входящей в узел.
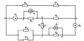
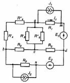
Рис 5.2
Для схемы на рис. 5.2 матрица узловых проводимостей будет иметь следующий вид:
g11 = 1/R1 + 1/R2 + 1/R5 = 1/10 + 1/4 + 1/20 = 0,4 (мСм);
g22 = 1/R1 + 1/R6 + 1/R7 = 1/10 + 1/6 + 1/10 = 0,367 (мСм);
g33 = 1/R6 + 1/R2 + 1/R4 = 1/6 + 1/4 + 1/1 = 1,417 (мСм);
g12 = g21 = -1/R1 = -1/10 = -0,1 (мСм);
g13 = g31 = - 1/R2 = -1/4 = -0,25 (мСм);
g23 = g32 = -1/R6 = -1/6 = -0,167 (мСм);
Матрица узловых токов для схемы на рис. 5.2 будет следующей:
Jу1 =I1-I2-I5= E1/R1 + E2/R2 = 10/10 + 6/4 = -0.5 (мА);
Jу2 =I6-I1-I3= -E1/R1 – E3/R7 = -10/10 – 20/10 = -3 (мА);
Jу3 = I2+I4-I6= E2/R2 = -6/4 = 1,5 (мА);
Jу = (Jу1 Jу2 Jу3)T = (-0,5 -3 1,5)
В результате получаем следующее матричное уравнение:
Решениями матричного уравнения являются значения потенциалов узлов схемы φ1, φ2, φ3. На основе известных потенциалов узлов можно рассчитать токи ветвей следующим образом:
Рассмотрим пример модели в Mathcad
!!! в Mathcad элементы матрицы нумеруются с нулевого элемента, то есть, если у вас матрица М содержит 5 элементов, то они будуи иметь следующие номера: М0, М1, М2, М3, М4
Метод контурных токов:
Для проверки вычислим баланс мощностей:
Метод узловых потенциалов:
Для проверки вычислим баланс мощностей:
Задание на лабораторную работу:
Составить в MathCad математическую модель расчета электрической цепи согласно варианту.
Выполнить расчет по построеной модели.
Варианты заданий:
-
№
схема
1
2
3
4
5
6
7
8
9
10
11
12
13
14
15
16
17
18
19
20
21
22
Номиналы элементов по вариантам
Номер варианта |
R1 |
R2 |
R3 |
R4 |
R5 |
R6 |
R7 |
R8 |
кОм |
кОм |
кОм |
кОм |
кОм |
кОм |
кОм |
кОм |
|
1 |
2 |
3 |
4 |
6 |
4 |
4 |
7 |
8 |
2 |
2 |
4 |
6 |
2 |
4 |
6 |
2 |
4 |
3 |
3 |
5 |
6 |
3 |
5 |
4 |
2 |
2 |
4 |
4 |
6 |
8 |
2 |
4 |
3 |
3 |
5 |
5 |
8 |
5 |
4 |
6 |
6 |
7 |
2 |
3 |
6 |
4 |
4 |
5 |
3 |
2 |
3 |
2 |
3 |
7 |
3 |
4 |
4 |
5 |
6 |
7 |
8 |
2 |
8 |
4 |
6 |
8 |
2 |
4 |
3 |
3 |
5 |
9 |
6 |
4 |
5 |
4 |
5 |
8 |
3 |
2 |
10 |
5 |
5 |
6 |
5 |
2 |
2 |
2 |
2 |
11 |
2 |
4 |
2 |
6 |
3 |
3 |
5 |
4 |
12 |
2 |
2 |
6 |
6 |
2 |
4 |
4 |
5 |
13 |
3 |
5 |
3 |
8 |
6 |
5 |
6 |
6 |
14 |
2 |
3 |
5 |
4 |
3 |
6 |
2 |
5 |
15 |
2 |
3 |
2 |
5 |
5 |
5 |
6 |
4 |
16 |
8 |
2 |
4 |
4 |
2 |
4 |
4 |
4 |
17 |
3 |
5 |
5 |
8 |
4 |
4 |
5 |
6 |
18 |
6 |
2 |
|
5 |
5 |
6 |
|
4 |
19 |
6 |
4 |
5 |
4 |
5 |
8 |
3 |
2 |
20 |
5 |
5 |
6 |
5 |
2 |
2 |
2 |
2 |
21 |
8 |
3 |
5 |
8 |
9 |
4 |
1 |
6 |
22 |
6 |
5 |
4 |
7 |
3 |
6 |
4 |
8 |
Номиналы резисторов, обозначенные на схеме штрихом или двумя штрихами брать из своей строки, но со следующим индексом, например, если у вас в схеме есть резисторы R1, R3, R4, R6, R’4, R”4, то берем R’4= R2 и R”4= R5.
-
№ варианта
E1, В
E2, В
E3, В
J1, А
J2, А
1
30
40
50
60
20
2
40
50
40
20
10
3
40
20
30
40
10
4
35
40
70
25
15
5
50
30
40
50
30
6
40
50
60
30
15
7
20
30
40
50
20
8
35
40
70
25
15
9
40
30
20
50
20
10
50
40
30
20
10
11
35
45
51
65
15
12
45
55
41
64
18
13
55
25
31
63
21
14
65
45
71
62
25
15
32
35
41
61
29
16
42
55
61
59
36
17
52
35
71
58
41
18
62
45
21
57
45
19
37
44
31
56
47
20
47
54
41
55
48
21
57
24
79
54
52
22
61
34
56
53
66
Контрольные вопросы
Описать алгоритм метода контурных токов
Описать алгоритм метода узловых потенциалов
Сравнить эти методы, в каком случае предпочтительнее использовать тот или другой метод
Как можно проверить правильность построения математической модели
Нарисовать блок-схему вычисления токов контура методом узловых потенциалов
Какие еще вы знаете методы нахождения токов контура, написать алгоритм вычисления
