- •Содержание
- •Исходные данные
- •1. Расчетная схема рамы тележки
- •2. Характеристики опасного сечения
- •3. Весовая нагрузка рамы
- •4. Напряжения в опасном сечении рамы тележки от весовой нагрузки
- •5. Допустимая скорость движения электровоза в кривой
- •6. Силы, действующие на раму тележки при движении в кривой
- •7. Напряжения в опасном сечении рамы при движении в кривой
- •8. Силы, действующие на раму тележки при работе двигателей в тяговом режиме
- •9. Напряжения в опасном сечении рамы от системы сил, действующих в тяговом режиме
- •10. Кососимметричная нагрузка рамы тележки
- •11. Напряжения в опасном сечении рамы тележки от вертикальной динамической нагрузки
- •12. Запас прочности в опасном сечении при наиболее неблагоприятных сочетаниях нагрузок
- •13. Напряжение от условной статической нагрузки
- •14. Приведенное амплитудное напряжение расчетного цикла
- •15. Оценка усталостной прочности рамы
- •Заключение.
- •Библиографический список
Содержание
Содержание 2
Исходные данные 3
1. Расчетная схема рамы тележки 4
3. Весовая нагрузка рамы 10
4. Напряжения в опасном сечении рамы тележки от весовой нагрузки 11
5. Допустимая скорость движения электровоза в кривой 13
6. Силы, действующие на раму тележки при движении в кривой 15
7. Напряжения в опасном сечении рамы при движении в кривой 17
8. Силы, действующие на раму тележки при работе двигателей в тяговом режиме 20
9. Напряжения в опасном сечении рамы от системы сил, действующих в тяговом режиме 22
10. Кососимметричная нагрузка рамы тележки 23
11. Напряжения в опасном сечении рамы тележки от вертикальной динамической нагрузки 25
13. Напряжение от условной статической нагрузки 27
14. Приведенное амплитудное напряжение расчетного цикла 28
15. Оценка усталостной прочности рамы 29
Библиографический список 32
Исходные данные
База тележки 2а=2,95 м.
Нагрузка на ось 2ПСТ=225 кН.
Тип тягового двигателя НБ4418К
Вес тягового
двигателя
.
Толщина листов боковины рамы:
Стенки b1=12 мм.
Полки b2=12 мм.
Накладки b3=20 мм.
Жесткость:
Листовой рессоры Жр=1700 кН/м.
Пружины Жпр=2050 кН/м.
Радиус кривой ρ=275 м.
Возвышение наружного рельса в кривой h=100 мм.
Таблица 1 - Вероятности
эксплуатации локомотива
с
различными среднеинтервальными
скоростями
i- номер интервала |
1 |
2 |
3 |
4 |
5 |
Интервал, км/ч |
0…20 |
20…40 |
40…60 |
60…80 |
80…100 |
Средняя скорость, км/ч |
10 |
30 |
50 |
70 |
90 |
Последняя цифра шифра 1 |
0,05 |
0,2 |
0,6 |
0,1 |
0,05 |
1. Расчетная схема рамы тележки
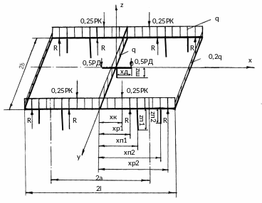
Из чертежа рамы тележки (Рис.1 и Приложение 1) по расчетным осям элементов определим размеры расчетной схемы:
- длину стержней 2l, 2b:
2l=2a+1.84=2.95+1.84=4.78 м (1.1)
(1.2)
- расстояние до подвески кузова:
(1.3)
- расстояние от оси шкворневой балки до оси подвески двигателя:
(1.4)
- расстояние до осей шарниров рессорных подвесок:
(1.5)
(1.6)
- расстояние до осей шарниров поводков буксы:
(1.7)
(1.8)
- расстояние от расчетной плоскости рамы до осей шарниров поводков букс:
(1.9)
(1.10)
- расстояние до центра сферического шарнира шкворня:
(1.11)
Рисунок 1-Расчётная схема тележки
2. Характеристики опасного сечения
Начертим эскиз расчетного сечения (рис.2) с указанием всех необходимых размеров.
Рисунок 2 - Расчетное сечение
Определим площади расчетных элементов по формуле, м2:
(2.1)
где a - размер элемента по горизонтали, м;
b - размер элемента по вертикали, м.
Аналогично найдем площади для других элементов.
Определим ординату
центра тяжести плоского элемента
относительно вспомогательной оси
,
м.
Определим статические
моменты сопротивления плоских элементов
относительно оси
,
м3.
Определим ординату центра тяжести всего сечения:
м. (2.2)
Определим абсциссу и ординату центра тяжести плоского элемента относительно нейтральных осей всего сечения:
м. (2.3)
Аналогично найдем абсциссу и ординату для других элементов.
Определим моменты инерции каждого элемента относительно собственных нейтральных осей:
(2.4)
Аналогично определим другие значения.
На основании полученных данных заполним таблицу 2 и 3.
Таблица 2 - Расчетные данные моментов инерции сечения относительно оси у.
Номер элемента i |
|
|
|
|
|
|
1 |
0,00456 |
0 |
0 |
0,0458 |
9,50·10-6 |
0,549·10-4 |
2 |
0,00456 |
0 |
0 |
0,0458 |
9,50·10-6 |
0,549·10-4 |
3 |
0,00280 |
0,195 |
5,46·10-4 |
0,149 |
6,21 10-5 |
2,33·10-8 |
4 |
0,00280 |
-0,195 |
-5,46·10-4 |
-0,241 |
1,63·10-4 |
2,33·10-8 |
5 |
0,00414 |
0,209 |
8,65·10-4 |
0,163 |
1,10·10-4 |
11,2·10-8 |
|
0,0189 |
- |
8,65·10-4 |
- |
3,54·10-4 |
1,01·10-4 |
Таблица 3 - Расчетные данные моментов инерции сечения относительно оси z.
Номер элемента i |
|
|
|
|
1 |
0,00456 |
0,111 |
5,62·10-5 |
5,47·10-8 |
2 |
0,00456 |
-0,111 |
5,62·10-5 |
5,47·10-8 |
3 |
0,00280 |
0 |
0 |
1,83·10-5 |
4 |
0,00280 |
0 |
0 |
1,83·10-5 |
5 |
0,00414 |
0 |
0 |
1,83·10-5 |
|
0,0189 |
- |
11,2·10-5 |
5,50·10-5 |
Определим моменты инерции всего сечения:
;
(2.5)
,
(2.6)
Аналогично определим другие значения.
Определим моменты сопротивления изгибу вокруг осей для волокон.
, (2.7)
, (2.8)
где z1 – расстояние от точки 1 или 6 до горизонтальной оси, мм;
y1 – расстояние от точки 1 или 6 до вертикальной оси, мм.
(2.9)
(2.10)
