Лабораторна робота 5
Мобільні електрифіковані кормороздавачі
Мета роботи: вивчити будову, процес роботи і правила технологічного налагодження і технічної експлуатації електрифікованих кормороздавачів; набути навичок у діагностуванні і вміння в експлуатації кормороздавачів; визначити шляхи удосконалення кормороздавачів
Обладнання: кормороздавач КС-1,5, ваги, слюсарний і вимірювальний інструмент, плакати, методичне забезпечення
Програма роботи
Засвоїти і проаналізувати техніко-економічні дані КС-1,5, КЭС-1,7, КСА-5.
Вивчити будову, принцип дії і область застосування електрифікованих кормороздавачів.
Визначити типи дозуючих, подаючих і змішувальних пристроїв вітчизняних кормороздавачів, конструктивні і технологічні відмінності.
Виконати оцінку кормороздавача КС-1,5 з точки зору удосконалення кінематичного режиму.
Виконати технічну експертизу, встановити можливість автоматизації процесу роботи КС-1,5.
Виконати заміри конструктивних елементів робочих органів і кінематичних режимів їх роботи. Виконати їх оцінку. Навести залежності для визначення їх значення аналітичним шляхом.
Встановити можливі відкази у роботі електрифікованих кормороздавачів і шляхи їх усунення.
Засвоїти правила технологічного налагодження і технічної експлуатації кормороздавачів. Встановити кормороздавач на норму видачі.
Визначити тенденції розвитку конструкції дозуючих пристроїв кормороздавачів КСА-5, КС-1,5, КЭС-1,7.
Складіть звіт.
Зміст звіту
Записати основні техніко-економічні дані КС-1,5, КЭС-1,7, КСП-0,8 та КСА-5. Виконати їх порівняльну оцінку.
Описати процес роботи КС-1,5, область використання. Виконати аналіз органів змішування і дозування.
Нарисувати технологічну і кінематичну схеми кормороздавача КС-1,5. Виконати розрахунок і оцінку кінематичного режиму роботи органів кормороздавачів.
Описати можливі відкази кормороздавача КС-1,5, вказати їх причини і шляхи усунення.
Описати методику технологічного налагодження кормороздавачів КС-1,5, КСП-0,8, КСА-5А та КЭС-1,7, правила їх технічної експлуатації.
Контрольні питання
Об’єктивно оцініть рівень вдосконалення кормороздавача (вказати параметри)?
Наведіть недоліки електрифікованого мобільного кормороздавача. Які його переваги?
Які основні складові одиниці кормороздавачів КС-1,5 ; КЭС-1,7 Ви знаєте? В чому їх відмінності?
Як здійснюють завантаження КС-1,5 компонентами корму?
Вкажіть порядок підготовки кормороздавача до роботи ?
Яким чином дозуються корми окремим тваринам?
Назвіть тип змішувача кормороздавача КС-1,5 ?
Який тип дозуючого пристрою КС-1,5 ?
Які пристрої кормороздавача забезпечують безпеку тварин і людей ?
Назвіть правила безпечної експлуатації кормороздавача.
Література
Белехов И.П. Практикум по машинам и оборудованию для животноводства. - М.: Агропромиздат,1986. – 446с.
Воробьев В.А. и др. Практикум по механизации и электрофикации животноводства. - М.: Агропромиздат, 1989.-236с.
Воспухов В.К. Машины и оборудование животноводческих комплексов и механизированных ферм.- М.: Высшая школа,1988. – 367с.
Краснопутский Ю.В., Рыжов С.В. Практикум по машинам и оборудованию для животноводческих комплексов. - М.:Агропромиздат,1987. – 406с.
Мельников С.В. Технологическое оборудование животноводческих ферм и комплексов. - Л.: Агропромиздат, 1985. – 640с.
Методична довідка
Мобільні електрифіковані кормороздавачі мають такі переваги: рівномірно розподіляють корм по фронту годівлі, не забруднюють оточуюче середовище, можливість автоматизації процесу кормороздавання, здійснюють приготування сумішок, займають обмежені виробничі площі, але мають обмежену маневреність і мобільність. Вони повинні обслуговуватись мобільними тракторними кормороздавачами або іншими транспортними засобами. Найбільшого поширення на тваринницьких фермах і комплексах набули такі мобільні електрифіковані кормороздавачі такі як КЄС-1,7 , КС-1,5 , КСА-5 та КСП-0,8.
Технічні характеристики вищезгаданих кормороздавачів наведені в таблиці1.
Налагодження кормороздавача на задану норму видачі здійснюють таким чином:
визначають подачу кормороздавача, кг/с:
Q = G/t
де G – кількість корму , який виданий кормороздавачем при стаціонарній роботі , кг ;
t – тривалість видачі, с.
визначають фактичну швидкість руху, м/с:
vф = l/t,
де l – контрольна відстань, м;
t – час, за який машина проїде відстань l, с.
визначають питому видачу корму , кг/м:
g = Q / vф,
- розраховують разову видачу корму gп і співставляють із необхідною разовою видачею згідно раціону gр , кг/гол;
gп = g lф ,
де lф - питомий фронт годівлі , м/гол;
- якщо gп ≠ gр , то виконують переналагодження кормороздавача до тих пір, поки не буде виконуватись умова gп = gр.
Регулюють кормороздавач виходячи із отриманих розрахункових даних і здійснюють контрольне роздавання корму у годівниці або на підлогу. Потім збирають корм на довжині 1м і, зваживши його , співставляють із розрахунковим значенням g.
Якщо отримане значення відповідає розрахунковому g, то кормороздавач налагоджений правильно, а якщо ні, то виконують переналагодження кормороздавача.
Кормороздавач КС-1,5 призначений для змішування і роздавання вологих сумішок всім віковим групам свиней на репродуктивних і невеликих відгодівельних свинарських фермах.
Кормороздавач являє собою бункер, який змонтований на ходовій частині, що переміщується на рейковому шляху. Бункер – зварна конструкція, середня частина – циліндричної форми, а верхня і нижня виконані за формою зрізаного конуса. Всередині бункера розміщений розрівнювач, шнекова і лопатева мішалки. Днище має вивантажувальні вікна до яких монтуються вивантажувальні шнеки, які призначені для видачі корму із бункера у годівниці. Вивантажувальні шнеки складаються із корпуса, шнека, приводу і дозувального пристрою. Привод складається із електродвигуна і клинопасової передачі. Дозуючий пристрій являє собою заслінку, яка переміщується за допомогою штурвала, обертаючи який можна змінювати площу поперечного перерізу вікон днища. Величина відкриття заслінки визначається стрілкою, яка знаходиться біля штурвала.
Таблиця 1. Технічна характеристика кормороздавачів з електроприводом
Показник |
КЭС-1,7 |
КС-1,5 |
КСА-5 |
КСП-0,8 |
Місткість бункера, м3 |
1,7 |
2 |
4,7 |
|
Продуктивність, т/год |
14…55 |
30…70 |
20…40 |
|
Швидкість переміщення м/с |
0,5 |
0,36 |
0,27…0,80 |
|
Встановлена потужність , кВт |
5,5 |
7,75 |
3,0 |
|
Висота завантаження, мм |
1900 |
1500 |
|
|
Висота вивантаження,мм |
460 |
450 |
|
|
Кількість вивантажувальних шнеків, шт |
2 |
2 |
|
|
Крок витків шнека , мм |
200 |
200 |
|
|
Діаметр шнека, мм |
200 |
200 |
|
|
Ширина колії, мм |
1020 |
750 |
|
|
Габаритні розміри, мм |
|
|
|
|
довжина |
3050 |
1600 |
4220 |
|
ширина |
1285 |
2450 |
1550 |
|
висота |
1490 |
1850 |
2020 |
|
Маса , кг |
880 |
1000 |
2550 |
|
|
|
Рис. 1. Конструктивно-технологічна схема кормороздавача КС-1,5: 1 – бункер; 2 – розрівнював; 3 – вертикальний шнек; 4 – лопатева мішалка; 5 – камера; 6 – засувка; 7 – вивантажувальний шнек; 8 – ходова частина |
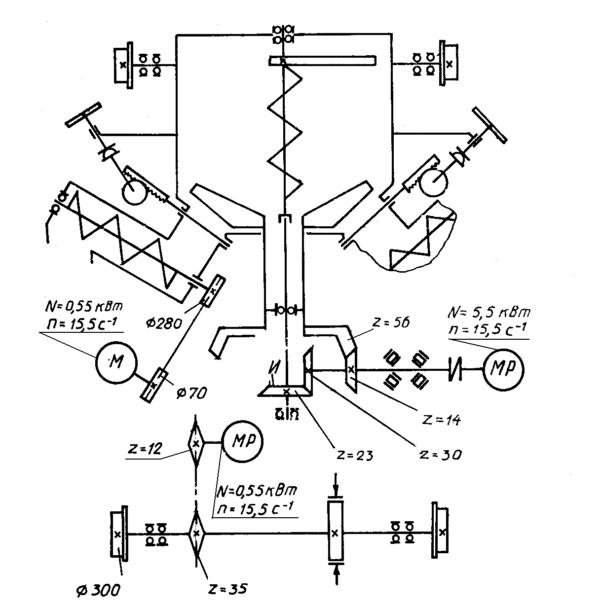
Рис. 2. Кінематичне схема кормороздавача КС-1,5 |
Привід візка здійснюється від мотор-редуктора через ланцюгову передачу, привод шнека та лопатевої мішалки від мотор-редуктора через розподільну коробку. Таким чином, всі робочі органи мають автономні електроприводи. Крім того, до складу електрообладнання входять пуско-захисна апаратура, пульт керування , захисний пристрій, кінцеві вимикачі , запобіжники.
Несправності , які можуть виникнути підчас експлуатації машини, а також причини і способи їх усунення наведені в таблиці 2.
Таблиця 2. Можливі несправності кормороздавача КС-1,5 , причини та способи їх усунення
Несправність |
Причина |
Спосіб усунення |
Не обертається роздавальний шнек |
Слабкий натяг пасу
Заклинив шнек |
Відрегулювати натяг пасу Очисти шнек від корму шляхом обертання шнека проти годинникової стрілки |
Підтікання рідкої фракції корму через сальникові ущільнення вихідного валу розподільної коробки
|
Послаблене сальникове ущільнення, спрацювалось сальникове ущільнення |
Підтягнути або замінити сальникове ущільнення |
При натисканні на педаль гальма кормороздавач продовжує рухатись |
Спрацювалась гальмівна накладка |
Замінити гальмівну накладку |
Вимикач включений але електродвигуни не включаються |
Перегоріла плавка вставка запобіжника
Спрацював захист |
Замінити плавку вставку
Усунути причину спрацювання і включити захисний пристрій |
Не включається один із електродвигунів |
Спрацювало теплове реле
Несправний магнітний пускач |
Натиснути кнопку повернення теплового реле, усунути причину його спрацювання Усунути несправність або замінити магнітний пускач |
Підтікання масла в редукторі |
Спрацьовані сальники |
Замінити сальники новими |
Робочий процес. В бункер кормороздавача – змішувача завантажується готовий до роздавання корм або компоненти кормової суміші. Перед завантаженням закривають вивантажувальні вікна і включають привод мішалки. Лопатева мішалка переміщує нижні шари корму і подає їх до вертикальної шнек – мішалки, яка захоплює нижні шари корму і перемішує їх із верхніми. Змішування триває 4…20 хв. Після закінчення процесу змішування включають привід ходового візка і вивантажувальних шнеків, відкривають заслінки і корм видається у годівниці окремо на кожен бік кормового проходу або на два боки одночасно. Норму видачі корму регулюють величиною відкриття заслінки.
Підготовка до роботи. В процесі експлуатації машини регулюють натяг пасів приводу вивантажувальних шнеків. Натяг вважається нормальним , якщо від зусилля 50Н , прикладеного в середині гілки, пас прогнеться на 5…10 мм. Регулюють ланцюг приводу ходової частини таким чином , щоб ведуча гілка від зусилля руки, прикладеного до середини гілки, прогиналась на 15…20 мм.
Кормороздавач електромобільний КЭС-1,7 призначений для транспортування і одночасної видачі в два ряди годівниць свинарника сухих комбікормів чи вологих сумішок.
Рис. 3. Технологічна схема електромобільного кормороздавача КЭС-1,7:
1 – бункер; 2 – тролейний кабель; 3 – каток транспортерний; 4 – направляюча рельса; 5 – вивантажувальний шнек; 6 - годівниця
Кормороздавач являє собою бункер, встановлений на чотири колеса, всередині якого розташовані два кормороздавальних шнеки із заслінками. Привод шнеків і ходової частини здійснюється від електродвигунів. При чому кожен шнек і ходова частина мають власні електроприводи. Пересувається кормороздавач по рейковому шляху над годівницями.
Робочий процес. Після завантаження корму в бункер вмикається механізм руху і кормороздавач починає рухатись, вмикається роздавальний шнек і починається роздавання корму. Коли кормороздавач видав корм по всьому фронту годівлі, вмикається кінцевий вимикач на зворотний рух кормороздавача, вимикаються шнеки. Норма видачі корму змінюється за рахунок зміни частоти обертання шнеків. Роздавач рухається по рейках над годівницями і обслуговується оператором. Технічна характеристика кормороздавача КЭС-1,7 наведена в таблиці 1.
Кормороздавач самохідний акумуляторний КСА-5 призначений для роздавання подрібнених грубих кормів, сінажу, зеленої маси і силосу на фермах великої рогатої худоби, які мають тверде покриття доріг і проїздів. Завдяки високій маневреності і малим габаритам цей кормороздавач може використовуватись на фермах із складним архітектурним плануванням, вузькими кормовими проходами, де маневреність причіпних кормороздавачів обмежена.
Кормороздавач – це електровізок, на якому встановлено металевий бункер. В бункері розміщенні поздовжній ланцюгово-планчатий транспортер, три бітери і вивантажувальний стрічковий транспортер.
Робочі органи КСА-5 приводяться в дію від електродвигуна, який живить акумуляторна батарея. Норму видавання корму змінюють подвійним ексцентриком, що встановлений на цапфі нижнього бітера. Поздовжній транспортер приводиться в дію храповим механізмом. Поперечний трансплортер реверсивний, завдяки чому корм можна роздавати у годівниці, які знаходяться як з лівого, так і правого боків за напрямком руху кормороздавача.
Рис. 4. Кормороздавач КСА-5:
1 – кормороздавальний пристрій; 2 – механізм керування; 3 – ходове колесо; 4 – блок живлення з приводом; 5 - рама
Знявши поперечний транспортер, корм можна видавати в суміщену годівницю, що дозволяє раціонально використовувати виробничі площі тваринницьких ферм. Процес роботи КСА-5 аналогічний кормороздавачам КТУ-10 і РММ-5.
Технічна характеристика кормороздавача КСА-5 наведена в таблиці 1.
У модернізованого кормороздавача КСА-5Б привод робочих органів здійснюється гідромоторами поздовжнього та поперечного транспортерів, що підвищує експлуатаційну надійність машини.
Кормороздавач КСП-0,8А призначений для нормованого роздавання кормів у свинарниках-маточниках.
Кормороздавач - електрифікований, на рейковому ходу.
Рис.5. Конструктивно-технологічна схема роздавача КСП-0.8А:
1 — бункер для сухих кормів; 2 — бункер для вологих кормів; 3 — лопатева мішалка; 4 — з'єднувальна муфта; 5 — ворушилка; 6 — шнек для вивантаження вологих кормів; 7 — шиберна засувка; 8 — патрубок.
Це двовісний візок, на якому змонтовані бункер 2 (рис. 5) для вологих кормосумішок і два бункери 1 для сухих кормів. Всередині першого встановлена мішалка 3, а в бункерах для сухих кормів — ворушилка 5. У нижній частині бункера для вологих кормів є вікна, під якими встановлені вивантажувальні шнеки 6. Вікна перекриваються засувками 7. Бункери для сухих кормів внизу мають вивантажувальні патрубки 8, якими роздаються корми поросятам. На окремій рамці встановлені дві фляги з рідкими кормами для поросят.
Візок і робочі органи приводяться в дію від автономних електродвигунів: візок — через редуктор і ланцюгову передачу, мішалка та ворушилки — через мотор-редуктор і ланцюгову передачу, а вивантажувальні шнеки — через редуктор.
Перед роздаванням кормів оператор включає мішалку, встановлює реле часу на відповідну норму видачі, переводить тумблер на одно- або двобічне роздавання і включає привод візка. При цьому роздавання кормів здійснюється в автоматичному режимі. Керувати кормороздавачем можна також і в ручному режимі.
МІНІСТЕРСТВО АГРАРНОЇ ПОЛІТИКИ УКРАЇНИ
ЖИТОМИРСЬКИЙ НАЦІОНАЛЬНИЙ АГРОЕКОЛОГІЧНИЙ УНІВЕРСИТЕТ
Факультет механізації сільського господарства
ІІІ курс факультет механізації сільського господарства |
кафедра механізації землеробства і тваринництва
|
