- •4. Типовые устройства систем регулирования
- •4.1. Регуляторы
- •Вопросы для самопроверки
- •4.2. Задатчики интенсивности
- •Вопросы для самопроверки
- •4.3. Согласующие элементы
- •Вопросы для самопроверки
- •5. Датчики
- •5.1. Датчики угла и рассогласования
- •Вопросы для самопроверки
- •5.2. Датчики угловой скорости
- •Вопросы для самопроверки
- •5.3. Датчики электрических величин
- •Вопросы для самопроверки
- •6. Контрольная работа
- •6.1. Условия контрольных задач
- •Задача 1
- •Задача 2
- •Задача 3
- •6.2. Методические указания к выполнению контрольной работы
- •Указания к задаче 1
- •Указания к задаче 2
- •Указания к задаче 3
- •6.3. Правила оформления контрольной работы
- •7. Лабораторные работы
- •7.1. Изучение схем и характеристик интегрирующего задатчика интенсивности
- •Описание схем исследуемых задатчиков и варианты заданий
- •Программа работы
- •Вопросы для самопроверки
- •7.2. Изучение структурных схем и переходных характеристик промышленных автоматических регуляторов
- •Основные теоретические положения и варианты заданий
- •Программа работы
- •Методические указания
- •При расчетах использовать абсолютные единицы физических величин. В абсолютных единицах также строятся все графики. Вопросы для самопроверки
- •8. Вопросы к экзамену
- •Оглавление
- •4. Типовые устройства систем регулирования ……………………… 84
- •4.1. Регуляторы ……………………………………………………………………… 84
- •Элементы систем автоматики
- •681013, Комсомольск-на-Амуре, пр. Ленина, 27
Программа работы
Изучить структурную схему и возможные принципиальные схемы интегрирующих задатчиков интенсивности.
Для заданного варианта рассчитать параметры элементов приведенной на рис. 7.2 структурной схемы задатчика интенсивности.
Рассчитать требуемые для моделирования задатчика параметры звеньев наборной схемы его структуры, приведенной на рис. 7.3.
На цифровой модели задатчика, определяемой наборной схемой, с использованием программ структурного моделирования динамических процессов SMOD или PSM получить графики изменений выходных напряжений усилителей при ступенчатых изменениях входного напряжения uвх. Изменения входного напряжения должны быть аналогичны изменениям входного сигнала на графике, приведенном на рис. 7.1.
5. Проанализировать, как влияют на выходное напряжение uвых изменения произведения R3*C1, изменения u1max и изменения коэффициента обратной связи по выходному напряжению.
Для различных значений амплитуд и частот синусоидального входного сигнала получить на модели графики выходных сигналов. Проанализировать амплитудные и фазовые искажения, вносимые задатчиком интенсивности в передаваемый входной сигнал, и их зависимость от частоты и амплитуды входного сигнала.
Действия, аналогичные выполненным по пунктам 4 и 6, проделать для интегрального звена с передаточной функцией
и пояснить различие между интегрирующим задатчиком интенсивности и интегральным звеном.
П
ри
моделировании шаг интегрирования брать
примерно на порядок меньше, чем самая
малая постоянная времени в наборной
схеме. Зону нечувствительности δ,
при отсутствии которой возможна
неустойчивая работа модели, подбирают
опытным путем. Она может быть примерно
равна двум-трем шагам интегрирования.
Вопросы для самопроверки
Как повлияет на работу задатчика интенсивности исчезновение входного напряжения uвх в процессе нарастания выходного напряжения?
Как отразится на работе задатчика уменьшение сопротивления обратной связи R5?
На основе каких основных узлов может быть реализован однократно интегрирующий задатчик интенсивности?
7.2. Изучение структурных схем и переходных характеристик промышленных автоматических регуляторов
Цель работы: изучить структурные схемы и методику расчета настроечных параметров промышленных регуляторов и выполнить на цифровых или аналоговых моделях исследование переходных характеристик регуляторов.
Основные теоретические положения и варианты заданий
В промышленных системах автоматики функции регулирования выполняются специальными устройствами – регуляторами. Полная функциональная схема такого регулятора приведена на рис. 7.4.
Н
а
рис. 7.4 приняты следующие обозначения:
ЗУ - задающее устройство; УУ -усилительное
устройство; СУ - суммирующщее устройство;
ФУ1, ФУ2 - формирующие устройства; РУ -
регулирующее устройство; ИП - измерительный
преобразователь; ИМ- исполнительный
механизм; Р-регулятор; ОР-объект
регулирования.
Рассматриваемые здесь регуляторы - это не просто корректирующие звенья систем автоматического регулирования, а функционально законченные универсальные устройства, пригодные для регулирования параметров различных объектов. Подобные регуляторы широко применяются в системах тепловой автоматики и в системах гидравлической и пневматической автоматики. Для воздействия на регулируемую величину регулятор должен иметь регулирующее устройство, перемещаемое специальным устройством, называемым исполнительным механизмом.
Например, при использовании такого регулятора для регулирования расхода воздуха в системе вентиляции в качестве регулирующего устройства может использоваться задвижка, установленная на воздухопроводе и изменяющая его сечение, а в качестве исполнительного механизма - двигатель с редуктором, перемещающий задвижку. Измерительным преобразователем может быть расходомер, а объектом регулирования в данном случае является участок воздушного тракта от нагнетающего вентилятора до места измерения расхода воздуха.
Подобные регуляторы по своей конструкции могут быть гидравлическими, пневматическими, электрическими или комбинированными.
В дальнейшем будут рассматриваться только электрические регуляторы.
Однако следует отметить, что в электромеханических системах, например в системах автоматического электропривода, подобные регуляторы не используются.
Принцип действия регулятора поясняется
рис. 7.4. Для осуществления автоматического
регулирования необходимо измерить
текущее значение регулируемой величины
X, преобразовать его в сигнал обратной
связи Хос и сравнить его с
заданным значением сигнала обратной
связи Хз. По отклонению
= Х - Хос выработать регулирующее
воздействие Хр на объект
регулирования, направленное на ликвидацию
отклонения величины Хос от
заданного значения Хз.
Текущее значение регулируемой величины измеряется и преобразуется в сигнал обратной связи устройством, называемым первичным измерительным преобразователем. Заданное значение регулируемой величины, которое определяется заданным значением сигнала обратной связи, устанавливается задающим устройством. Сравнение сигнала обратной связи с его заданным значением производится в суммирующем устройстве.
Для повышения точности измерений значений регулируемой величины выходной сигнал измерительного преобразователя обычно имеет небольшую мощность. В связи с этим в регуляторе предусмотрено усилительное устройство, усиливающее сигнал рассогласования .
При устранении отклонения регулятор должен воздействовать на объект регулирования по определенному закону, поэтому в регуляторе должно быть устройство, формирующее требуемый закон регулирования. Это устройство может быть как в прямом канале регулирования, так и в виде звена отрицательной обратной связи, охватывающей усилительное устройство.
Типовыми законами регулирования являются пропорциональный (П), пропорционально-интегральный (ПИ) и пропорционально-интегрально-дифференциальный (ПИД). Соответственно этому бывают П-, ПИ- и ПИД- регуляторы.
Для повышения степени унификации серийно выпускаемых регуляторов, а также из-за технологических требований к расположению отдельных устройств промышленной системы регулирования из состава автоматического регулятора, как законченной конструктивной единицы, могут исключаться задающее устройство, измерительный преобразователь, регулирующее устройство и во многих случаях еще и исполнительный механизм.
Структурная схема электрических автоматических регуляторов содержит устройство формирования закона регулирования в цепи отрицательной обратной связи. Обратная связь охватывает участок прямого канала регулирования с большим коэффициентом усиления (передачи). Передаточная функция такого соединения
,
где
-
передаточная функция участка прямого
канала регулирования;
-
передаточная функция участка обратной
связи.
Из последнего выражения следует, что при встречающихся на практике больших значениях коэффициента в прямом канале динамические свойства такого встречно-параллельного соединения определяются, в основном, динамическими свойствами обратной связи, то есть с достаточной точностью
.
Следует также отметить, что для промышленных автоматических регуляторов, подобных рассматриваемым регуляторам, характерны достаточно большие постоянные времени (обычно от единиц до сотен секунд).
Основные типы промышленных регуляторов следующие.
П
ропорциональные
регуляторы. На рис. 7.5 приведена
структурная схема такого П-регулятора,
в котором в качестве ИМ используется
электродвигатель с редуктором. Входная
величина ИМ - напряжение, а выходная -
угол поворота.
Передаточная функция ИМ
,
(7.2)
где
-
постоянная времени исполнительного
механизма.
В соответствии со структурной схемой регулятора его передаточная функция
,
где
- постоянная времени.
Передаточная функция регулятора может быть записана в виде
.
Таким образом, этот регулятор представляет собой последовательное соединение идеального П-регулятора с передаточной функцией
и некоторого балластного звена с передаточной функцией
,
где
-
постоянная времени апериодического
балластного звена;
-коэффициент
передачи регулятора.
Для увеличения точности регулятора, то
есть для приближения его к идеальному
П-регулятору, необходимо уменьшать
.
Для этого необходимо уменьшать
или увеличивать произведение
.
Значение
определяется конструкцией исполнительного
механизма, и изменить его в процессе
наладки регулятора обычно не представляется
возможным. Значение
также должно быть определенным, так как
от него зависит требуемый коэффициент
регулятора
.
Б
есконечное
увеличение точности приближения
регулятора к идеальному П-регулятору
с ростом
будет наблюдаться только в режиме
бесконечно малоизменяющегося сигнала
Хз на входе регулятора. В реальных
системах максимально допустимое выходное
напряжение с выхода усилительного
устройства ограничено допустимым
входным напряжением исполнительного
механизма (по соображениям допустимых
для него электрических и механических
нагрузок). Поэтому усилительное
устройство с большим
,
в основном, работает в релейном
режиме переключая свое выходное
напряжение между значениями
и
.
В связи с вышесказанным, в таких регуляторах часто применяются простые релейные усилители с характеристикой управления, приведенной на рис. 7.6. На рис. 7.6 приняты следующие обозначения: Umax - максимальное выходное напряжение усилителя; - ошибка регулирования (входное напряжение усилителя); ср - значение ошибки срабатывания; от - значение ошибки отключения; - зона нечувствительности.
Неоднозначность характеристик такого усилителя связана с присущим релейным элементам гистерезисом. При уменьшении зоны нечувствительности растет точность регулятора, однако увеличивается частота включений ИМ, что ведет к его повышенному износу. Ширина зоны нечувствительности должна быть максимально допустимой по соображениям точности регулирования и настраивается в системе, содержащей регулятор и объект регулирования.
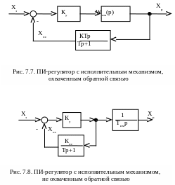
Пропорционально-интегральные регуляторы. Схема промышленного ПИ-регулятора может быть с охватом ИМ отрицательной обратной связью, как показано на рис. 7.7, или без охвата ИМ обратной связью, как показано на рис. 7.8.
Передаточная функция регулятора, приведенного на рис. 7.7, равна
.
(7.3)
Регулятор реализует ПИ-закон регулирования
с погрешностью, вносимой балластным звеном
,
г
де
-
коэффициент передачи регулятора;
-
время изодрома.
Для увеличения точности реализации
ПИ-закона регулирования необходимо
максимально возможно увеличивать
коэффициент
.
Если исполнительный механизм имеет передаточную функцию вида (7.2), то после несложных преобразований выражение (7.3) приводится к виду
где
- коэффициент балластного звена;
-
постоянная времени балластного звена.
Передаточная функция регулятора, приведенного на рис. 7.8, равна
. (7.4)
После несложных преобразований выражение (7.4) преобразуется к виду
,
где коэффициент
передачи регулятора
,
а постоянная времени балластного звена
.
Пропорционально-интегрально-дифференциальные регуляторы. Передаточная функция такого ПИД- регулятора:
, (7.5)
где
- постоянная времени изодрома;
- постоянная времени предварения.
Если весь регулятор охвачен отрицательной обратной связью и общий коэффициент передачи прямой цепи намного больше единицы, передаточная функция цепи обратной связи будет равна
.
После разложения знаменателя на множители имеем
.
Структурная схема такого регулятора приведена на рис. 7.9.
При достаточно большом коэффициенте передачи прямой цепи данный регулятор достаточно точно реализует ПИД-закон регулирования (7.5). При этом параметры настройки регулятора равны:
;
;
.
На рис. 7.10 приведена структурная схема ПИД-регулятора, использующая интегрирующие свойства механизма.
При достаточно большом коэффициенте передачи передаточная функция регулятора с такой схемой определяется выражением (7.5). Параметры настройки регу-лятора:
;
;
.
В таких регуляторах тоже часто применяются простые релейные усилители с характеристикой управления, приведенной на рис. 7.6.
В
лабораторной работе определяются
настроечные параметры регуляторов
расхода (например, для технологических
установок химического производства) и
исследуются их переходные характеристики.
В качестве исполнительного механизма применяется электродвигатель с редуктором, перемещающий задвижку, изменяющую сечение трубопровода и, соответственно, расход жидкости или газа через него. Двигатель допускает прямой пуск путем подачи на него напряжения, не превышающего значения Umax , скорость двигателя прямо пропорциональна поданному на него напряжению.
Входная координата регулятора напряжение, меняющееся в пределах от 0 до +10 В, выходная координата – положение задвижки, прямо пропорциональное углу поворота вала двигателя.
Варианты задания приведены в табл. 7.2. (Вариант задается преподавателем).
Таблица 7.2
Номер варианта |
В |
с |
П-регулятор |
ПИ-регулятор |
ПИД-регулятор |
|||
|
|
, с |
|
, с |
, с |
|||
1 |
110 |
0,5 |
10 |
10 |
5 |
10 |
7 |
2 |
2 |
220 |
0,7 |
15 |
12 |
10 |
15 |
10 |
3 |
3 |
110 |
1,0 |
20 |
15 |
15 |
20 |
25 |
6 |
4 |
220 |
0,8 |
15 |
20 |
18 |
18 |
30 |
5 |
5 |
110 |
0,9 |
17 |
13 |
30 |
15 |
45 |
10 |
