- •4. Типовые устройства систем регулирования
- •4.1. Регуляторы
- •Вопросы для самопроверки
- •4.2. Задатчики интенсивности
- •Вопросы для самопроверки
- •4.3. Согласующие элементы
- •Вопросы для самопроверки
- •5. Датчики
- •5.1. Датчики угла и рассогласования
- •Вопросы для самопроверки
- •5.2. Датчики угловой скорости
- •Вопросы для самопроверки
- •5.3. Датчики электрических величин
- •Вопросы для самопроверки
- •6. Контрольная работа
- •6.1. Условия контрольных задач
- •Задача 1
- •Задача 2
- •Задача 3
- •6.2. Методические указания к выполнению контрольной работы
- •Указания к задаче 1
- •Указания к задаче 2
- •Указания к задаче 3
- •6.3. Правила оформления контрольной работы
- •7. Лабораторные работы
- •7.1. Изучение схем и характеристик интегрирующего задатчика интенсивности
- •Описание схем исследуемых задатчиков и варианты заданий
- •Программа работы
- •Вопросы для самопроверки
- •7.2. Изучение структурных схем и переходных характеристик промышленных автоматических регуляторов
- •Основные теоретические положения и варианты заданий
- •Программа работы
- •Методические указания
- •При расчетах использовать абсолютные единицы физических величин. В абсолютных единицах также строятся все графики. Вопросы для самопроверки
- •8. Вопросы к экзамену
- •Оглавление
- •4. Типовые устройства систем регулирования ……………………… 84
- •4.1. Регуляторы ……………………………………………………………………… 84
- •Элементы систем автоматики
- •681013, Комсомольск-на-Амуре, пр. Ленина, 27
6.2. Методические указания к выполнению контрольной работы
В методических указаниях даны рекомендации по решению задач и ссылки на учебную литературу, которой целесообразно пользоваться в дополнение к предлагаемому пособию.
Указания к задаче 1
При любых расчётах питающая сеть предполагается бесконечной мощности, система питающих напряжений - симметричной и синусоидальной, фазы выпрямителя и трансформатора симметричными. Вентили считаются идеальными ключами с сопротивлениями, равными нулю в прямом направлении тока (от анода к катоду) и равными бесконечности в обратном направлении (от катода к аноду). Активные сопротивления обмоток трансформатора и реакторов предполагаются равными нулю.
Различные типы силовых схем выпрямителей приведены в / 1, 5, 7-10/, принципы построения реверсивных схем управляемых выпрямителей и способы управления их вентильными комплектами - в /1, 7, 9, 10/. Согласование углов отпирания вентильными комплектами следует принять линейным.
При расчёте токов и напряжений элементов схемы и типовой мощности трансформатора выпрямленный ток считать идеально сглаженным (условный расчетный режим, соответствующий индуктивности в цепи выпрямленного тока, стремящейся к бесконечности). Методика расчёта этих параметров приведена в /1, 5, 8/.
Принципы построения систем управления тиристорами выпрямителей изложены в /1, 5, 8, 9/.
Диаграммы токов и напряжений элементов схем управляемых выпрямителей рассмотрены в /5, 8, 9, 10/.
Принципы фазировки в схемах управляемых выпрямителей, то есть распределение импульсов управления по тиристорам выпрямителя и фазы опорных напряжений каналов системы импульсно-фазового управления тиристорами по отношению к сетевым напряжениям, изложены в /1, 9/.
При построении кривых мгновенных значений токов и напряжений по оси абсцисс откладываются значения текущего угла, а коммутация вентилей считается мгновенной, то есть угол коммутации = 0.
Внешние характеристики управляемых выпрямителей и их расчет рассмотрены в /1, 5, 8 - 10/. Для трёхфазной мостовой схемы внешние характеристики строить только в зоне двуханодной коммутации (угол коммутации в этой зоне может изменяться с ростом тока нагрузки от нуля до /3) .
Характеристики управления и регулировочные характеристики рассмотрены в /1, 7, 9/. При построении характеристик управления можно пользоваться графическими методами. Все характеристики выпрямителя строить для режима бесконечно большой индуктивности в цепи выпрямленного тока (расчетный режим с источником тока в цепи нагрузки).
Принципы раздельного управления вентильными комплектами рассмотрены в /1, 9/. Алгоритм работы логического переключающего устройства в уравнениях алгебры логики приведён в /1/. На основании этих уравнений необходимо разработать схему логического переключающего устройства (до уровня стандартных логических элементов и связей между ними).
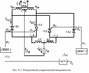
Ниже приведен пример выполнения основных пунктов задачи 1 для следующего варианта задания: силовая схема управляемого тиристорного выпрямителя однофазная мостовая, реверсивная, встречно-параллельная; управление вентильными комплектами совместное; согласование углов отпирания линейное; опорное напряжение системы управления пилообразное; амплитуда опорного напряжения Uоm = 14 В; действующее напряжение питающей сети E1 = 660 В; частота напряжения питающей сети f = 50 Гц; номинальное среднее значение выпрямленной ЭДС Еdн = 440 В; активное сопротивление нагрузки Rd = 3 Ом; приведенная к цепи выпрямленного тока индуктивность рассеяния фазы силового трансформатора Lф = 0,001 Гн; угол управления тиристорами одной из вентильных групп, для которого строятся диаграммы мгновенных значений токов и напряжений на элементах схемы выпрямителя, 1 = /6. Необходимо выполнить основные пункты задания, предусмотренные в задаче 1.
Силовая схема и основные функциональные узлы системы управления рассматриваемого выпрямителя приведены на рис. 6.1. Для условного направления тока нагрузки "Вперед" используется вентильный комплект на тиристорах VS1 и VS2, а для условного направления тока нагрузки "Назад" - комплект на тиристорах VS3 и VS4. Тиристоры VS1 и VS2 включаются с углом отпирания 1, тиристоры VS3 и VS4 включаются с углом отпирания 2. Системы импульсно-фазового управления СИФУ 1 и СИФУ 2 предназначены для формирования отпирающих тиристоры импульсов и имеют фазо- смещающие устройства вертикального типа. Значения углов отпирания 1, 2 соответственно определяются значениями напряжений управления Uу1 и Uу2 на входах СИФУ 1 и СИФУ 2. Напряжения управления снимаются с выхода блока согласования характеристик БСХ, который формирует их в функции напряжения управления преобразователем Uу таким образом, что при регулировании выпрямленного напряжения во всем диапазоне между углами отпирания поддерживается соотношение 1 + 2 = . В рассматриваемом примере угол 1 = /6, а угол 2 = - /6 = 5/6.
На рис. 6.1 обозначены: e1 - мгновенная ЭДС питающей сети; i1 - мгновенный ток первичной обмотки трансформатора; e2a, e2b - мгновенные ЭДС вторичных обмоток трансформатора относительно точки 0 ; i2a, i2b - мгновенные значения токов вторичных обмоток трансформатора и токов вентилей; ed - мгновенное значение выпрямленной ЭДС; id - мгновенное значение выпрямленного тока; Zd - активно-индуктивная нагрузка; УР - уравнительные реакторы.
С
учетом указанного в условии ограничения
минимального угла отпирания в любой из
вентильных групп значением min
= /18
находим требуемое максимальное среднее
значение выпрямленной ЭДС
В.
Среднее значение выпрямленной ЭДС при угле = /6
В.
Полагая, что вентили - идеальные ключи и активное сопротивление фаз, с учетом табл. 2.1 определим внутреннее сопротивление преобразователя
Ом.
Среднее значение тока нагрузки в направлении "Вперед" при угле отпирания 1 = /6 равно
А.
С учетом соотношений из табл. 2.1 имеем:
среднее значение тока вентиля
А;
действующее значение фазного тока вторичной обмотки трансформатора, равное действующему значению тока вентиля,
А;
действующее значение фазной ЭДС вторичных обмоток трансформатора
В;
максимальное напряжение на вентиле
В;
типовая мощность силового трансформатора
ВА.
Требуемое значение коэффициента трансформации силового трансформатора
.
С учетом табл. 2.1 действующее значение фазного тока первичной обмотки трансформатора
А.
Амплитудное значение фазной ЭДС вторичной обмотки трансформатора
В.
На рис. 6.2 показаны диаграммы токов и напряжений в схеме выпрямителя, построенные с учетом выполненных расчетов и при-нятых на рис. 6.1 обозначений. На рис. 6.2, а приведены мгновенные значения фазных ЭДС вторичных обмоток трансформатора; на рис. 6.2, б - выпрямленная ЭДС между точками 1 и 0 силовой схемы; на рис. 6.2, в - выпрямленная ЭДС между точками 2 и 0; на рис. 6.2, г - выпрямленная ЭДС на выходе выпрямителя (между точками 3 и 0); на рис. 6.2, д - ток нагрузки; на рис. 6.2, е - фазный ток одной из вторичных обмоток; на рис. 6.2, ж - фазный ток первичной обмотки; на рис. 6.2, з - опорное напряжение и напряжение управления; на рис. 6.2, и - напряжение импульса отпирания для тиристора VS1. Мгновенные значения выпрямленной ЭДС на выходе выпрямителя определяются как
.
Уравнение характеристик управления силовой частью (вентильной группой из тиристоров VS1, VS2, VS3), то есть зависимостей среднего значения выпрямленного напряжения от угла управления при фиксированных токах нагрузки,
.
(6.1)
Н
а
рис. 6.3 приведены построенные по (6.1)
характеристики управления силовой
части, где в качестве аргумента
используется угол 1,
а в качестве параметра - выпрямленный
ток Id.
Характеристика для Id
= 0
называется регулировочной характеристикой
выпрямителя.
Характеристика управления СИФУ 1 при пилообразном опорном напряжении с учетом выражения (2.57), где л = ; Uпm = 14 В; =1, имеет вид
.
(6.2)
Для выполнения указанного в условии ограничения максимального угла отпирания 1 значением 17/18 минимальное значение напряжения управления с учетом (6.2) равно
Так как управление вентильными комплектами совместное при линейном согласовании углов отпирания, то минимальное значение угла отпирания 1 так же будет не менее - 17/18 = /18 . Соответственно максимальное значение напряжения управления с учетом (6.2) не более
В.
Уравнение характеристики управления реверсивного выпрямителя при токе нагрузке Id = 0, с учетом выражения (2.58) и подстановок в него соответствующих расчетных величин, имеет вид
.
(6.3)
На рис. 6.4 приведены характеристики реверсивного выпрямителя, построенные по (6.3) и с учетом изменения напряжения управления в пределах
.
(6.4)
Внешние характеристики реверсивного выпрямителя, с учетом (2.61) и соответствующих подстановок расчетных величин в это выражение,
.
(6.5)
На рис. 6.5 приведены внешние характеристики построенные по (6.5) полагая, что выпрямленный ток изменяется от -150 А до +150 А, а напряжение управления меняется в пределах (6.4).
Приближенное значение коэффициента передачи выпрямителя можно определить следующим образом. Номинальное значение выпрямленной ЭДС Edн = 440 В. Этой ЭДС соответствует по условию задачи угол управления 1 = /18 и как следует из (6.2), напряжение управления Uун = 12,44 В.
Коэффициент усиления выпрямителя будет
.
П
ередаточная
функция выпрямителя по управляющему
воздействию в соответствии с (2.63)
.
(6.6)
Постоянная времени чистого запаздывания, как показано в /7/, равна
с,
где p = 2 - пульсность выпрямления однофазной нулевой схемы.
После подстановки в (6.6) найденных значений коэффициента усиления и постоянной времени имеем
.
Если вариант задачи предусматривает анализ процессов в реверсивных схемах выпрямителей с раздельным управлением вентильными комплектами, то необходимо помнить, что в процессе работы выпрямителя импульсы управления подаются только на один из вентильных комплектов и в работе участвует только этот комплект. Поэтому кривая мгновенных значений выпрямленной ЭДС на выходе выпрямителя полностью будет соответствовать кривой мгновенных значений выпрямленной ЭДС работающего комплекта.
