- •2.1. Електрична схема задачі та умова задачі 14
- •3.1. Електрична схема задачі та умова задачі 24
- •1. Завдання №1
- •1.1. Електрична схема задачі та умова задачі
- •1.2. Розробка алгоритму розв’язку задачі
- •1.3. Побудова математичної моделі задачі
- •2.2. Розробка алгоритму розв’язку задачі №2
- •2.5. Побудова векторної діаграми
- •3.2. Розробка алгоритму розв’язку задачі
- •3.3. Математична модель задачі
- •3.8. Моделювання задачі в Electronics Workbench
- •Висновок
- •Список використаної літератури
ЗМІСТ
Вступ 6
1. Завдання №1 7
1.1. Електрична схема задачі та умова задачі 7
1.2. Розробка алгоритму розв’язку задачі 7
1.3. Математична модель задачі 8
1.4. Реалізація математичної моделі задачі та алгоритму на ЕОМ 9
1.5. Зведена матриця 11
1.6. Моделювання задачі в Electronics Workbench 12
2. Завдання №2 14
2.1. Електрична схема задачі та умова задачі 14
2.2. Розробка алгоритму розв’язку задачі 14
2.3 Математична модель задачі 15
2.4. Реалізація математичної моделі задачі та алгоритму на ЕОМ 16
2.5. Векторна діаграма 20
2.6. Зведена матриця 22
2.7. Моделювання задачі в Electronics Workbench 23
3. Завдання №3 23
3.1. Електрична схема задачі та умова задачі 24
3.2. Розробка алгоритму розв’язку задачі 24
3.3 Математична модель задачі 25
3.4. Реалізація математичної моделі задачі та алгоритму на ЕОМ 25
3.5. Побудова графіків 28
3.6. Зведена матриця 30
3.7. Побудова векторної діаграми струму та напруг 31
3.8. Моделювання задачі в Electronics Workbench 32
Висновки 33
Використана література 34
Вступ
Mathcad — система комп'ютерної алгебри з класу систем автоматизованого проектування, орієнтована на підготовку інтерактивних документів з обчисленнями і візуальним супроводженням, відрізняється легкістю використання і застосування для колективної роботи.
Mathcad був задуманий і спочатку написаний Алленом Раздовим з Массачусетського технологічного інституту (MIT), співзасновником компанії MathsoftInc., яка з 2006 року є частиною корпорації PTC (Parametric Technology Corporation).
Mathcad має простий і інтуїтивний для використання інтерфейс користувача. Для введення формул і даних можна використовувати як клавіатуру, так і спеціальні панелі інструментів.
Деякі з математичних можливостей Mathcad (версії до 13.1 включно) засновані на підмножині системи комп'ютерної алгебри Maple (MKM, Maple Kernel Mathsoft). Версії 14 та 15 використовують символьне ядро MuPAD. Остання версія - Mathcad Prime 1.0 - символьні обчислення не підтримує.
Робота здійснюється в межах робочого аркуша, на якому рівняння і вирази відображаються графічно, на противагу текстовому запису в мовах програмування. При створенні документів-програм використовується принцип WYSIWYG (What You See Is What You Get — «що бачиш, те й отримуєш»).
Незважаючи на те, що ця програма здебільшого орієнтована на користувачів-непрограмістів, Mathcad також використовується в складніших проектах, щоб віалізувати результати математичного моделювання, шляхом використання найбільш поширених обчислень і традиційних мов програмування.
Mathcad доволі зручно використовувати для навчання, обчислень і інженерних розрахунків. Відкрита архітектура застосувань у поєднанні з підтримкою технологій .NET і XML дозволяють легко інтегрувати Mathcad практично в будь-які ІТ-структури і інженерні застосування. Є можливість створення електронних книг (e-Book).
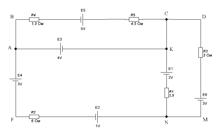
1. Завдання №1
1.1. Електрична схема задачі та умова задачі
Знайти струми у гілках розгалуженого електричного кола, визначити спади напруг на пасивних елементах електричного кола, якщо:
Е1 =2 В,
Е2 =1 В, Е3=4 В, Е4=3 В, Е5=5 В, Е6=3 В, R1=2,5 Ом, R2= 6
Ом, R3=3 Ом, R4= 1,3 Ом, R5=4,5 Ом, R6= 5 Ом, C1=3 мкф,С2=4
мкф, С3=1 мкф, L1=0,12 Гн , L2=0,06 Гн, L3=0,04 Гн U=127
B, f=50 Гц.
Рис.1.1 Електрична схема завдання 1 (редактор sPlan)
1.2. Розробка алгоритму розв’язку задачі
Для розв'язання задачі необхідно виконати наступні кроки:
Підраховуємо число вузлів n і число віток m розгалуженого кола.
Довільно визначаємо напрямки струмів у вітках кола.
Складаємо (
)
рівнянь за першим правилом Кірхгофа і
(
)
рівнянь за другим правилом Кірхгофа.
Підставляємо у систему рівнянь значення відомих величини і розв’язуємо її відносно невідомих.
При отримані від'ємних значень струмів змінюємо їх напрямок на протилежний.
