- •Выпрямитель. Источник питания.
- •Однополупериодный выпрямитель.
- •Двухполупериодный выпрямитель.
- •Сглаживающий фильтр.
- •Параметрический стабилизатор напряжения.
- •Компенсационный стабилизатор напряжения.
- •Операционные усилители.
- •Дифференцирование.
- •Идеальный диод на идеальном оу.
- •Дифференциальный усилитель .
- •Дифференциальный усилитель на основе двух оу.
- •Инструментальный усилитель.
- •Цепи смещения.
- •Фазочувствительный выпрямитель.
- •Фчв с последовательным ключом.
- •Фчв с параллельным ключом.
- •Последовательно – параллельный фвч.
- •Фчв с ключами, охваченными ос.
- •Логарифмические усилители.
- •Логарифмический усилитель со стабилизацией температуры кристалла.
- •Экспоненциальный усилитель.
- •Погрешности оу.
- •Стабилизаторы напряжения последовательного действия.
- •Расчет Rогр , Ra , Rб .
- •Основные характеристики стабилизаторов семейства 79хх.
- •Ключевые стабилизаторы напряжения.
- •1. Понижающий.
- •Повышающий.
- •3 . Инвертирующий.
- •Понижающий стабилизатор.
- •Повышающий стабилизатор.
- •Инвертирующий преобразователь.
- •Микросхема а78g40.
- •Понижающий стабилизатор на основе мс а78g40.
- •П овышающий стабилизатор на основе мс а78g40.
- •Инвертирующий стабилизатор на основе мс а78g40.
- •Разберем как работают схемы шим.
- •Генератор экспоненциального напряжения (прямоугольного напряжения).
- •Генератор треугольных напряжений на основе 2-х оу.
- •Генератор треугольных колебаний с симметричной формой.
- •Г енератор прямоугольных колебаний прецизионной формы. Генератор управляемый напряжением (гун) или преобразователь напряжение-частота.
- •Мостовая схема.
- •Генератор с мостовой схемой стабилизации амплитуды.
- •Термоскомпенсированная схема генератора.
- •Генератор прямоугольных колебаний с дифференциальным усилителем.
- •Аналоговые запоминающие устройства (увх).
- •Изменение амплитуды синусоидального сигнала с использованием увх.
- •Варианты ключевых стабилизаторов напряжения.
- •Ключевой стабилизатор мс3420.
- •Генератор синусоидальных колебаний.
- •Гск на основе фазосдвигающих цепей.
- •Генераторы с последовательно–параллельной r-c цепочкой.
- •Генераторы sin колебаний с т–образной фазосдвигающей цепочкой.
- •Способы обеспечения баланса амплитуд.
- •2)Модификация – генератор с модификационной схемы с r параллелью.
- •3)Генератор на основе Моста Вина в котором инвертирующий вход усилителя подается доля выходящего сигнала определяемая потенциометром r1.
- •4 )Модификация Моста Вина с инвертирующим усилителем . Использование цепи автоматической регулировки усиления (ару) для обеспечения баланса амплитуд .
- •3) Мост Вина , на диодах vd1, vd2, c1 реализован амплитудный детектор на положительную полуволну.
- •Формирователи управляющего напряжения.
- •Информационные измерительные преобразователи.
- •Фазосдвигающее устройство.
- •Электромагнитные датчики.
- •Вихретоковые датчики.
Выпрямитель. Источник питания.
Структурная схема:
СТ – силовой трансформатор, необходим для масштабирования напряжения и для гальванического разделения выходных цепей сети. Гальваническое разделение нужно для обеспечения техники безопасности.
В – выпрямитель. Выпрямитель – это устройство преобразующее двух полярное входное напряжение в однополярное выходное.
СФ – сглаживающий фильтр. Это устройство (как правило это конденсатор), которое преобразует пульсирующее напряжение в постоянное и уменьшает уровень пульсаций входного напряжения.
СТР – стабилизатор,
формирующий на выходе стабильное
напряжение в независимости от того как
изменяется входное. Основная причина
использования стабилизатора – допуск
на сеть
%.
Рассмотрим по подробнее выпрямители.
Выпрямители бывают трех видов:
однополупериодные;
двухполупериодные;
с умножением напряжения.
Однополупериодный выпрямитель.
U2(t) – переменное напряжение вторичной обмотки;
T – период;
U20 и I0 – средние значения напряжения и тока соответственно;
Iн(t) – пульсирующий однополярный ток после диода;
Особенностью однополупериодного выпрямителя является то обстоятельство, что по вторичной обмотке ток протекает только пол периода, остальные пол периода трансформатор на холостом ходу. Однополупериодный выпрямитель имеет значительный уровень пульсаций.
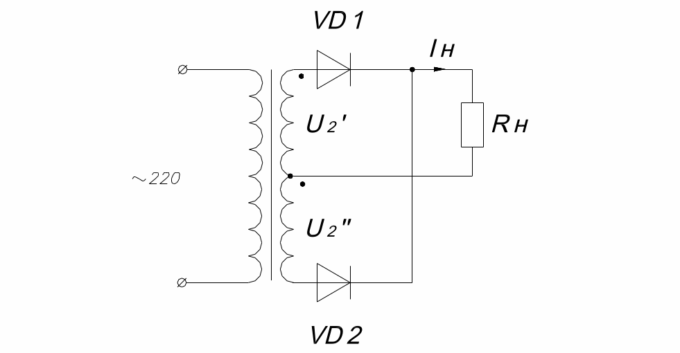
Двухполупериодный выпрямитель.
Двухполупериодный выпрямитель бывает двух видов:
схема со средней точкой;
мостовая схема.
Рассмотрим схему со средней точкой:
При выборе диодов нужно учитывать, что:
Основной недостаток: недоиспользование меди в трансформаторе, так как одна обмотка работает только пол периода.
Достоинство: меньше пульсации в схеме и среднее напряжение в два раза выше по сравнению с однополупериодными.
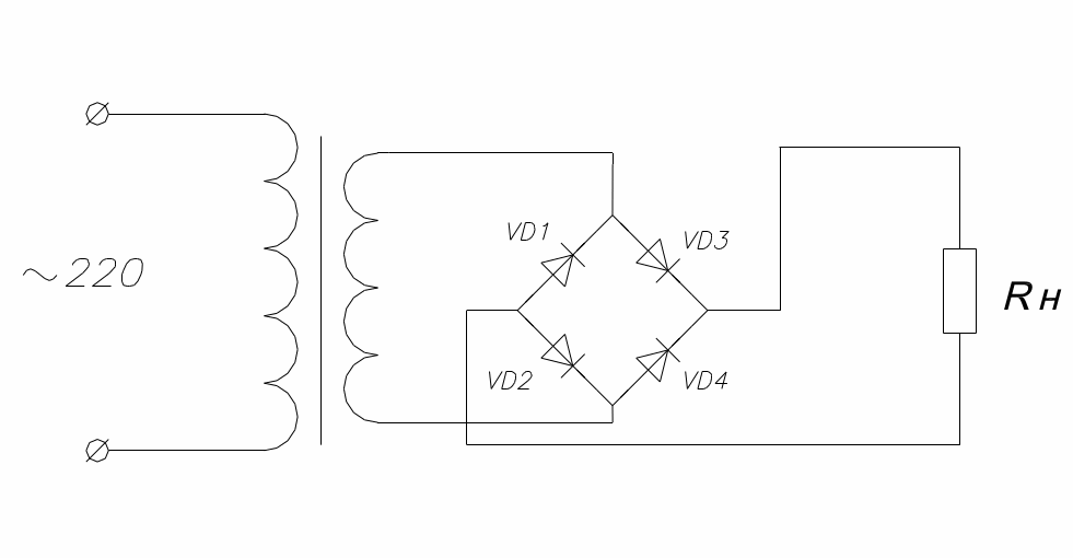
Рассмотрим мостовую схему:
- условное обозначение диодного моста.
Достоинство: полное использование меди.
Недостаток: теряем 1.4 В на двух диодах.
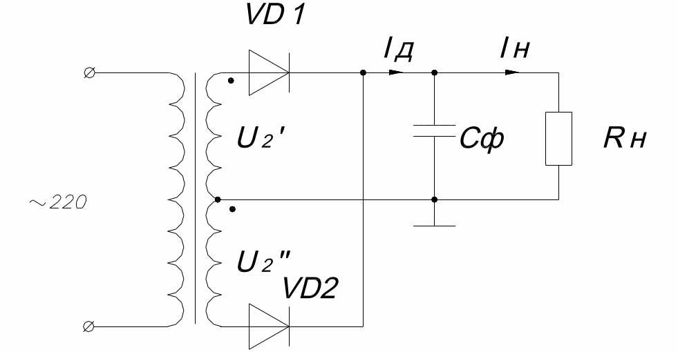
Сглаживающий фильтр.
Рассмотрим С-фильтр.
Рассмотрим диаграммы работы:
В моменты времени
t1
t2,
t2
t3
исходная схема будет иметь вид:
t1 t2 t2 t3
При включении в схему выпрямителя сглаживающего конденсатора, интервалы времени, в течение которых диоды открыты или закрыты нарушаются. Диод открыт только тогда, когда входное напряжение превышает напряжение на конденсаторе. В остальные интервалы времени диод заперт. В связи с тем, что конденсатор используется большого номинала, а нагрузка, как правило, потребляет постоянный ток, можно считать, что в течение полупериода конденсатор разряжается постоянным током.
Например, если:
=0,1
В
=0,1
А
с тогда
мкФ
Выпрямительные диоды спроектированы для работы с импульсными токами. Их средний ток связан с максимальным током через диод в 8 – 12 раз.
