- •Задание на выполнение курсового проекта
- •Исходные данные к проекту:
- •Содержание пояснительной записки:
- •Перечень графического материала:
- •Расчет установившегося синусоидального режима
- •Расчет переходного процесса в системе линий
- •Расчет переходного процесса без составления дифференциального уравнения
- •С помощью интеграла Дюамеля
- •Нахождение распределения напряжения и тока вдоль линий в момент времени, когда отраженная от нагрузки п2 волна пройдет расстояние s
- •Эпюры распределения напряжения и тока вдоль линий в момент времени tр
- •Расчет перенапряжения между узлами к1 и к2 при переходном процессе
- •Заключение
- •Список использованных источников:
Санкт-Петербургский государственный политехнический университет Институт энергетики и транспортных систем
Кафедра «Теоретическая электротехника и электромеханика»
К У Р С О В О Й П Р О Е К Т
Переходные процессы в линейных и нелинейных электромагнитных системах
по дисциплине «Теоретические основы электротехники»
Выполнил
студент гр. 23212/1 Александров К. С.
Руководитель
доцент, к.т.н. Королева Н. И.
«___» __________ 2016 г.
Санкт-Петербург
2016
Санкт-Петербургский государственный политехнический университет
Задание на выполнение курсового проекта
студенту группы 23212/1 Александрову К. С.
Тема проекта: «Проектирование системы линий, соединяющих источ-ник электромагнитной энергии И1 через линию 1 с подстанцией П1 и далее че-рез линии 2 и 3 с нагрузками П2 и П3. Линия 3 может быть выполнена с различными волновыми сопротивлениями
,
что должно быть использовано для
минимизации действующего значения
напряжения между узлами системы линий,
указанными в задании к курсовому
проекту».
Срок сдачи студентом законченного проекта 25 мая 2016 г.
Исходные данные к проекту:
3.1. Система линий (табл. 1); 3.2 Источник электромагнитной энергии И1 (табл. 2, рис. 1);
Схема подстанции П1 (табл. 2, рис. 2);
Схема нагрузки П2 (табл. 2, рис. 3);
Схема нагрузки П3 (табл. 2, рис. 4);
Диапазон изменения сопротивления нагрузки 3-й линии (табл.2, рис. 4).
Содержание пояснительной записки:
Введение;
Основная часть.
Расчет установившегося синусоидального режима. Линии 1, 2, 3 рассмат-ривать как линии без потерь. Использовать Т-образную схему замещения линии.
Обоснование выбора волнового сопротивления 3-й линии
по критерию минимизации действующего
значения напряжения между узлами
и
.
Определение максимальных значений
напряжения между узлами
Расчет переходного процесса в системе линий. В результате расчета должны быть определены распределения напряжения и тока вдоль каждой из трех линий как функции времени и координаты. При расчете учитывается толь-ко первое отражение от конца линий. Для расчета переходного процесса и
представления результатов распределения напряжений и токов вдоль линий учесть, что волны, отраженные от нагрузки П2 прошли расстояние 35 км.
Расчет перенапряжения, возникающего между заданными узлами и
при переходном процессе.
4.3. Заключение.
4.4.Список использованных источников.
4.5 Приложения.
Перечень графического материала:
Схема замещения системы линий, работающих в установившемся режиме синусоидального тока;
Схема системы линий при переходном процессе;
Таблица значений максимальных напряжений между узлами 1 – 1, 1' – 1',
2 – 2, 2' – 2,' 3 – 3, 3' – 3' в установившемся режиме; 5.4. Графики зависимостей от времени напряжений и токов падающих, преломленных и отраженных волн для точек 1 – 1, 1' – 1', 2 – 2, 2' – 2,' 3 –3, 3' – 3' подстанции П1 и в нагрузках П2 и П3;
5.5. . Графики зависимостей от времени напряжений и токов на входе и выходе подстанции П1 и в нагрузках П2 и П3;
Эпюры распределения напряжений и токов вдоль линий для моментов вре-мени, когда отраженные от конца 2-й линии волны расстояние пройдут 30 км;
Презентационные материалы к защите.
6. Консультанты проф., д.т.н. Кияткин Р.П.
7. Дата получения задания 11 апреля 2016 г.
Руководитель доц., к.т.н. Королева Н. И.
Задание принял к исполнению ________________ Александров К. С.
(подпись студента)
________________
Исходные данные
Схема соединения линий и их параметры
Параметры 1-й линии: z1 = 300 Ом; l1 = 100 км; v = 300000 км/с; xК12 = 50 км
|
Параметры 2-й линии: z2 = 300 Ом; l2 = 50 км; v = 300000 км/с; s = 40 км |
Параметры 3-й линии: z3 = var = 270 - 410 Ом; l3= 50 км; v= 300000 км/с s = 40 км
|
Схемы и параметры источника И1, подстанции П1,
нагрузки второй линии П2 и нагрузки третьей линии П3
|
|
|
|
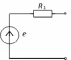
e=Emsin(ωt+ψe) f = 50 Гц ψe = π/2 Em=180 кВ R1=20 Ом |
R2=120 Ом R3=80 Ом С1=0.1 мкФ |
R4=600 Ом C2=0,1 мкФ |
R5=200 Ом |
Рис. 1. Схема и параметры источника И1 |
Рис. 2. Схема и параметры подстанции П1 |
Рис. 3. Схема и пара-метры нагрузки второй линии П2 |
Рис. 4. Схема и параметры нагрузки тре-тьей линии П3 |
