- •Тема 1: Технологическая схема процесса демеркаптанизация (процесс «Мерокс»)
- •VIII-очищенный продукт с установки.
- •Тема 2: Технологическая схема процесса щелочной очистки топливных дистиллятов
- •Тема 3: Технологическая схема процесса обессоливание нефти
- •Тема 4: Схема переработки по топливному варианту с невысоким уровнем отбора светлых
- •Тема 5: Схема переработки по топливному варианту с высоким уровнем отбора светлых
- •Тема 6: Схема переработки нефти по топливно-масляному варианту
- •Тема 7: Технологическая схема процесса первичной перегонки нефти
- •Тема 8: Технологическая схема установки двухкратного испарения с испарителем.
- •Тема 9: Технологическая схема установки двухступенчатой вакуумной перегонки мазута
- •Тема 10: Технологическая схема процесса атмосферной перегонки нефти
- •Тема 11: Технологическая схема установки вторичной перегонки бензинового дистиллята
- •Технологическая схема установки вторичной перегонки бензинового дистиллята:
Тема 1: Технологическая схема процесса демеркаптанизация (процесс «Мерокс»)
Назначение – очистка нефтепродуктов от меркаптанов. Для легких продуктов (сжиженный газ, бензин) применяется экстракция меркаптанов щелочным раствором катализатора, для более тяжелых продуктов, (керосин, дизельное топливо) используется метод окисления меркаптанов в дисульфиды. Иногда в одной установке комбинируются оба способа очистки.
Сырье промывается щелочью и подается в экстрактор К-2, где контактирует с щелочным раствором катализатора «Мерокс», представляющего собой органические соли кобальта. Продукт уходит с верха колонны К-2, в сепараторе С-1 отделяется от щелочи и направляется в окислительную колонну К-3. Очищенный продукт вновь отделяется от щелочи и после ингибитирования удаляется с установки.
Щ
елочной
раствор катализатора с низа экстрактора
К-2 подается в регенератор К-4, где в
результате контакта с воздухом извлеченные
катализаторным комплексом меркаптаны
окисляются в дисульфиды. Для удаления
избыточного воздуха предназначен
газожидкостный сепаратор С-3, а для
отделения дисульфидов от катализаторного
комплекса – сепаратор С-4. Регенерированный
катализаторный комплекс возвращается
в экстрактор К-2, а дисульфиды сбрасываются
в канализацию.
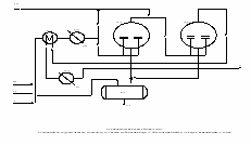
Схема установки демеркаптанизации (процесс Мерокс):
I-сырье; II-воздух; III-регенерированный раствор «Мерокс»; IV-избыточный воздух;
V-дисульфиды; VI-циркулирующий раствор «Мерокс»; VII-свежая щелочь;
VIII-очищенный продукт с установки.
Тема 2: Технологическая схема процесса щелочной очистки топливных дистиллятов
Схема блока щелочной очистки топливных дистиллятов с применением электрического поля:
I-топливо; II-10%-ный раствор едкого натра; III-вода;
IV-сернисто-щелочные стоки; V- очищенное топливо
Очищенное топливо насосом 1подается в смеситель К-1. Насосом 2 в тот же смеситель при температуре 35 – 45оС подается 15 – 20% (об.) 2 – 6%-ного раствора щелочи. Реакционная смесь поступает в электроразделитель Е-1. Сверху этого электроразделителя дизельное топливо направляется в водный смеситель К-2 и затем на отделение промывных вод в электроразделитель Е-2. Сверху электроразделителя выводится очищенное топливо V. Раствор щелочи снизу электроразделителя Е-1 направляется на повторное контактирование с топливом. Промывная вода снизу электроразделителя Е-2 дренируется.
Тема 3: Технологическая схема процесса обессоливание нефти
Назначение – удаление солей и воды из нефти перед подачей на переработку. Эффективное обессоливание позволяет значительно уменьшить коррозию технологического оборудования установок по переработке нефти, предотвратить дезактивацию катализатора, улучшить качество топлив, нефтяного кокса, битумов и других продуктов.
Технологический режим:
Температура, 0С
сырой нефти, поступающей на установку 10-30
нефти в горизонтальных электродегидраторах 120-140
Давление в горизонтальных электродегидраторах, кгс/см2 12-14
Технологическая схема.
Нефть забирается из сырьевого резервуара, смешивается с промывной водой, деэмульгатором и (если в нефти содержатся неорганические кислоты) со щелочью или содой. Затем сырье нагревается в теплообменнике Т-1 и паровом подогревателе Т-2. Из Т-2 нефть поступает в электродегидратор первой ступени Э-1. В этом аппарате удаляется основная масса воды и солей
(их содержание в нефти снижается в 8—10 раз). Из Э-1 нефть направляется в электродегндратор второй ступени Э-2 для повторной обработки. Перед Э-2 в нефть вновь подается вода. На некоторых установках свежая вода поступает только на вторую ступень обессоливания, а перед первой ступенью с нефтью смешиваются промывные воды второй ступени. Обессоленная нефть из Э-2 через теплообменник Т-1 и холодильник Х-/ уходит с установки, .а отделенная в электродегидраторах вода направляется в нефтеотделитель Е-1 для дополнительного отстоя. Уловленная в Е-1 нефть возвращается на прием сырьевого насоса; вода сбрасывается в канализацию и передается на очистку.
Температура и давление процесса обусловливаются свойствами обрабатываемой нефти и конструкцией основного аппарата — электродегидратора. Легкие нефти обессоливаются при 80—100°С, тяжелые—при 120—140 0С.
Т
ехнологическая
схема блока ЭЛОУ:
I-сырье; II -деэмульгатор; III-щелочь; IV-свежая и оборотная вода;
V-обессоленная нефть; VI-вода в канализацию; VII-пар.
