- •9. Примеры теплотехнических расчетов
- •9.1. Расчет тепловой схемы тэц
- •Расчеты элементов схем и аппаратов систем
- •Определение расчетной производительности
- •9.2.7. Определение поверхности нагрева конденсатора
- •9.2.8.Определение глубины коррозии труб тепловой сети
- •9.2.9. Определение полных и удельных расходов топлива
- •9.2.10. Определение расхода пара на турбину т-100 -130
- •9.2.12. Определение общего нормативного запаса топлива
- •9.2.13. Расчет тепловой схемы паровой котельной
- •Заключение
- •Библиографический список
9. Примеры теплотехнических расчетов
9.1. Расчет тепловой схемы тэц
Составить и рассчитать принципиальную тепловую схему по следующим исходным данным:
1. Тип турбины: ПТ-60/75-130/13. Мощность на клеммах генератора NЭ= 59 МВт.
2. Начальные параметры пара: Ро =12,7 МПа (130 ата),
tо = 565°С.
3. Давление отработавшего пара (в конденсаторе)
Рк =2,94 кПа (0,03 ата).
4. При построении процесса расширения пара в ЧВД турбины использовать заводские данные (характеристику турбины), внутренние относительные КПД по отсекам: ЧСД h//oi = 0,85; ЧНД h///oi = 0,7.
5. Мятие пара в регулирующих клапанах (поворотных диафрагмах) по цилиндрам: 4 %, 10 %, 15 %.
6. Схема отпуска теплоты от ТЭЦ- технологический пар из производственного отбора и горячая вода от сетевой подогревательной установки, состоящей из основных подогревателей и пиковых водогрейных котлов:
а) технологический пар Рп = 1,27 МПа (13 ата);
Dп = 27,78 кг/с = 100 т/ч (возврат конденсата 70 %, 85°С);
б) расчетный расход теплоты на отопление Qpот = 92 МВт
(79,1 Гкал/ч), температурный график сети в расчетном режиме
t nc/ toc = t1 /t2 = 150/70 oC;
в) нагрузка горячего водоснабжения Qгвс = 20 МВт, схема открытая.
7. Тип котлов - барабанный. Коэффициент продувки a/пр = =0,02.
8. Паровые собственные нужды котельного цеха
acнкот = 1,25 % от D нбр ( возврат конденсата отсутствует).
9. Паровые собственные нужды машинного зала
acнмз = 1,2 % от расхода пара на турбину. Принято, что конденсат возвращается в деаэратор при t сн = 100 оС.
10. Внутристанционные потери конденсата условно отнесены к невозврату конденсата с производства.
11. Расход пара из уплотнений турбины aу =0,005 от расхода на турбину D.
12. Температура питательной воды t пв = 232°С.
13. Схема приготовления добавочной воды - химводоочистка.
14. Район расположения ТЭЦ - г. Петрозаводск.
15. Топливо: печорский уголь «Ж» .
16. Потери давления в паропроводах от турбины до регенеративных и сетевых подогревателей -10 %.
17. Недогрев воды в регенеративных подогревателях 5°С, а в сетевых -9°С.
Характеристика турбины ПТ-60/75-130/13 [13].
Отборы пара на регенеративные подогреватели и деаэратор:
1-й отбор нерегулируемый (ПВД №1), Р = 4,41 МПа (45 ата),
t = 430°С;
2-й отбор нерегулируемый (ПВД № 2), Р = 2,54 МПа (26 ата),
t = 365°С;
3-й отбор регулируемый (ПВД № 3 и деаэратор соответственно), Р = 1,27 МПа (13 ата), t = 280°C; Р = 1,27/0,59 МПа (13/6 ата);
4-й отбор нерегулируемый (ПНД № 4), Р = 0,549 МПа (5,7 ата);
5-й отбор нерегулируемый (ПНД № 5),Р = 0,334 МПа (3,4 ата);
6-й отбор регулируемый (ПНД № 6),Р = 0,118 МПа (1,2 ата);
7-й отбор нерегулируемый (ПНД № 7),Р- 0,0059 МПа
(0,006 МПа) отключен.
Номинальные параметры пара в регулируемых отборах:
- производственный отбор Рп = 1,27 МПа (13 ата),
tп = 280°С, массовки расход пара Dп = 140 т/ч;
- теплофикационный отбор Рт = 0,118 МПа (1,2 ата),
tт = I04°C, массовый расход пара D т = 100 т/ч.
Параметры пара в конденсаторе: Рк= 2,94 кПа (0,03 ата),
tн= 23,8°С.
В рассматриваемом режиме работы турбины для увеличения коэффициента теплофикации принято давление пара в теплофикационном отборе (Рт), отличное от номинального и равное 0,206 МПа.
9.1.1. Построение процесса расширения пара
в турбине ПТ-60-130/13
По начальным и известным из характеристики турбины параметрам пара в нерегулируемых отборах ЧВД и в производственном отборе находим энтальпии пара:
- перед турбиной h o = 3510 кДж/кг;
- в первом нерегулируемом отборе (ПВД № 1)
h 1 = 3275 кДж/кг;
- во втором нерегулируемом отборе (ПВД № 2)
h 2 = 3156 кДж/кг;
С учетом падения давления в паровпускных органах турбины
4 % от pо (см. исходные данные) строим процесс расширения пара в ЧВД турбины;
- в производственном отборе (ПВД № 3 и деаэратор)
h3 = hп = ho – (ho - hпа)× hoi = 3510 – (3510 - 2878) ×0,82 =
= 2996 кДж/кг
Отложив в h-S- диаграмме потери давления в перепускных клапанах между ЧВД и ЧСД, равные 10% от Рп ,определим располагаемый теплоперепад в ЧСД турбины. В нашем случае этот перепад
H//o= h п- hот = 2996 - 2648 = 348 кДж/кг,
тогда использованное теплопадение в ЧСД
Н//i = H//o ×h//oi = 348 × 0,85 = 296 кДж/кг,
а энтальпия пара в теплофикационном отборе
h т = h п - Н//i = 2996 - 296 = 2700 кДж/кг .
Из построения действительного процесса расширения пара в ЧСД турбины определяются энтальпии пара в нерегулируемых отборах ЧСД:
h 4 - в 4-м нерегулируемом отборе (ПНД № 4) при Р = 0,549 МПа,
h 4 = 2856 кДж/кг;
h5 - в 5-м нерегулируемом отборе (ПНД № 5) при Р = 0,334 МПа,
h 5 = 2776 кДж/кг.
Отложив потери давления в поворотной диафрагме между ЧСД и ЧНД, которые равны 15 % от Рт , определяем располагаемый теплоперепад в ЧНД:
H///o= h т - h *ок = 2700 - 2122 = 578 кДж/кг.
Тогда использованное теплопадение в ЧНД
Н///i = H///o ×h///oi = 578 × 0,7 = 405 кДж/кг, а энтальпия отработавшего пара (поступающего в конденсатор)
h т = h т - Н///i = 2700 - 405 = 2295 кДж/кг .
Использованный теплоперепад в турбине
Hi = h o - h к = 3510 - 2295 = 1215 кДж/кг,
а располагаемый
Ho = h o - h oк = 3510 - 1976 = 1534 кДж/кг,
тогда внутренний относительный КПД турбины
h
oi
=
= 0,792.
При построении процесса расширения необходимо использовать h oi отсеков, указанных в исходных данных. Если в исходных данных указано значение h/ oi , то построение процесса в ЧВД турбины нужно производить не по характеристике турбины, а используя заданный КПД части высокого давления.
Процесс расширения пара в турбине показан на рис. 9.1.
Рис.9.1. Процесс расширения пара в турбине в h-S- диаграмме
9.1.2. Принципиальная тепловая схема (ПТС)
На основе заводской схемы регенеративного подогрева питательной воды турбины ПТ- 60/75-130/13, а также заданных схем отпуска теплоты внешним потребителям составляется принципиальная тепловая схема ТЭЦ (рис. 9.2).
На рис. 9.2 приведены следующие обозначения:
1- котлоагрегат; 2 - турбина; 3 - электрогенератор; 4,5,6 - подогреватели высокого давления (ПВД № 1, ПВД № 2, ПВД № 3); 7 - деаэратор повышенного давления; 8,9,10,11 - подогреватели низкого давления (ПНД № 4, ПНД № 5, ПНД № 6, ПНД № 7); 12 - эжекторный подогреватель; 13 - конденсатор турбины; 14,15 - расширители I и II ступеней непрерывной продувки; 16 - теплообменник-охладитель непрерывной продувки; 17-теплообменник-охладитель уплотнений (сальниковый); 18- охладительная установка; 19 - атмосферный деаэратор подпиточной воды; 20 и 21- водо-водяной и пароводяной теплообменники подпитки теплосети; 22- основной подогреватель сетевой воды; 23 - пиковый водогрейный котел; 24- конденсатный насос; 25 - питательный насос; 26 - сетевой насос; 27- подпиточный насос теплосети; 28, 29 - добавочные конденсатные насосы; 30 - конденсатоотводчик.
Пользуясь диаграммой процесса расширения пара в турбине, а также данными свойств воды и водяного пара, составляем сводную таблицу параметров рабочего тела в основных точках схемы (табл.9.1).
9.1.3. Расчет тепловой схемы Т Э Ц
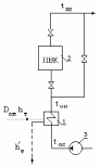
9.1.3.1. Расчет охладительной установки ОУ - 1,27 МПа
В этой ОУ снижается температура пара, поступающего на технологические нужды из производственного отбора турбины. Схема ОУ показана на рис.9.3. При определении энтальпии пара за ОУ принято считать, что пар сохраняет перегрев на выходе из ОУ 10...15 оС.
Расход воды на 1 кг первичного пара в ОУ
=
= 0,0911.
Расход первичного пара на ОУ
=
25,67 кг/c
= 92,4 т/ч.
Расход охлаждающей воды
Wоу = Z × D/n = 0,0911× 25,67 = 2,34 кг/с = 8,42 т/ч.
Возврат неиспарившейся воды из ОУ
(1 - j)× Wоу = 0,1 ×2,34 = 0,234 кг/с = 0,84 т/ч.
Рис. 9.3. Схема охладительной установки 1,27 МПа и изображение
процесса охлаждения в h - S - диаграмме
В расчетном режиме давление в теплофикационном отборе турбины составляет 0,206 МПа. Этим паром в сетевом подогревателе можно нагреть воду до 109 оС (таблица параметров рабочего тела).
Расчет сетевой подогревательной установки
(рис.9.4)
Рис. 9.4. Сетевая подогревательная установка:1 -основной сетевой подогреватель; 2 - пиковый водогрейный котел; 3 - сетевой насос
В расчетном режиме давление в теплофикационном отборе турбины составляет 0,206 МПа. Этим паром в сетевом подогревателе можно нагреть воду до 109 оC (см. табл. 9.1).
Тогда тепловая нагрузка основного подогревателя
=
44,85.
Остальная часть отопительной нагрузки в количестве Q ПВК покрывается пиковым водогрейным котлом:
Q ПВК = Q PОТ - Q ОП = 92 - 44,85 = 47,15 МВт .
Расход пара 0,206 МПа из теплофикационного отбора турбины на основной подогреватель
=
20,75 кг/с = 74,7 т/ч.
9.1.3.3. Расчет узла подпитки теплосети
Для заданной открытой схемы ГВС принимаем к установке узел подпитки теплосети с атмосферным деаэратором (рис.9.5).
Рис. 9.5. Узел подпитки теплосети: 1- деаэратор атмосферный;
2 (водо-водяной) и 3 (пароводяной) - теплообменники подпитки
теплосети
Количество подпиточной воды теплосети
=
73,43 кг/ с = 264,4 т/ч.
Из уравнений теплового и материального баланса деаэратора найдем расход пара на этот деаэратор:
=1,49кг/c=
=5,35 т/ч.
Расход воды, поступающей на узел подпитки,
D/гвс = Dгвс - Dnд = 73,43- 1,49 = 71,94 кг/с = 259 т/ч.
Из уравнений теплового баланса водо-водяного теплообменника находим температуру t 2:
D/гвс × (t2 -t1) × c p = Dгвс × (t д - t г)× с р ;
=
39
oC.
Определим расход пара на пароводяной теплообменник:
D nп × (h т - h /т) = D/гвс× (t з - t 2) × с р ;
=
7,81 кг/c
=
= 28,1 т/ч.
9.1.3.4. Ориентировочный расход пара на турбину
Расход находим по уравнению
.
Расход пара в производственный отбор в нашем случае
D/п = 25,67 кг/c = 92,4 т/ч (см. расчет ОУ), а расход пара в теплофикационный отбор
D т = D оп + Dnд + Dпn = 20,75 +1,49+ 7,81 = 30,05 кг/с =
= 108,2 т/ч.
Коэффициент К р по данным [3] равен 1,15, но с учетом значительного невозврата конденсата принимаем К р = 1,2.
Коэффициенты недовыработки мощности паром производственного и теплофикационного отборов
=
0,577;
=
0,333.
Ориентировочный расход пара на турбину
=
= 90,04 кг/с = 324 т/ч.
9.1.3.5. Ориентировочная паропроизводительность
котельной и расход питательной воды
Расход пара котельной нетто
D нтн= D + Dснмз = D (1 + aснмз)= 90,04 (1+ 0,0112) = 91,12 кг/с =
= 328 т/ч.
Паропроизводительность котельной брутто
=
92, 3 кг/с = 332 т/ч.
Расход питательной воды с учетом непрерывной продувки котлоагрегатов
D пв= Dбрк (1 + a/пр) = 92,3 (1+ 0,002) = 94,15 кг/с = 338,9 т/ч
или
=
=
1,045.
Расчет системы использования теплоты
непрерывной продувки котлов
Система использования теплоты непрерывной продувки котлов представлена на рис. 9.6.
Расход пара непрерывной продувки
D пр = a /пр × Dбрк = 0,02× 92,3 = 1,84 кг/с = 6,64 т/ч.
Из уравнения теплового баланса расширителя I ступени
(Р = 0,59 МПа) определится количество выходящего из расширителя пара в долях от расхода воды:
=
0,428 ,
где h/кв - энтальпия воды на линии насыщения при давлении в барабане котла 13,7 МПа (140 ата);
h //I , h/I - энтальпии сухого насыщенного пара и воды соответственно на линии насыщения при давлении в расширителе I ступени 0,59 МПа.
Расход пара из первого расширителя в деаэратор 0,59 МПа
DIP = ХI × Dпр = 0,428 × 1,84 = 0,788 кг/с = 2,84 т/ч.
Для расширителя второй ступени
=
0,078 ,
где h //II , h/II - энтальпии сухого насыщенного пара и воды соответственно на линии насыщения при давлении в расширителе II ступени (этот расширитель по пару соединен с ПНД № 6).
Расход пара из расширителя II ступени в ПНД № 6
DIIP = ХII (1 - ХI) × Dпр = 0,078 × (1 - 0,428)× 1,84 0,082 кг/с =
= 0,295 т/ч.
Количество продувочной воды, подаваемой в теплообменник непрерывной продувки, а затем после охлаждения до 50 оС сбрасываемой в техническую канализацию,
Dдр = (1 - ХI )×(1 - ХII)×Dпр= (1 - 0,428)×(1-0,078)×1,84 = 0,97кг/с= =3,49 т/ч.
9.1.3.7. Расчет теплообменника непрерывной продувки
и сальникового подогревателя
Предварительно определим расход добавочной воды, необходимой для восполнения потерь пара и конденсата в тепловой схеме ТЭС и у внешних теплоносителей (потери на утечку в тепловой схеме отнесены к невозврату конденсата с производства):
Dдв = Dпотерь = x Dп + (1 - ХI)× (1 - ХII)× Dпр + D пд + a cнкот × Dбрк =
= 0,3 × 27,78 + 0,97 + 1,49 + 0,0125 × 92,3 = 11,95 кг/с = 43 т/ч.
Из уравнения теплового баланса теплообменника непрерывной продувки (ТНП) определим температуру добавочной воды на выходе из подогревателя (рис.9.6), принимая, что в зимнее время сырая вода поступает при t 1дв = 5 оС , а t дв = 50 оС (по санитарным нормам).
Рис. 9.6. Система использования теплоты непрерывной продувки котлов: 1 - котел; 2- ПВД № 1; 3 - ПВД № 2; 4 - ПВД № 3; 5 - деаэратор; 6 - питательный насос; 7 - сальниковый подогреватель; 8 - теплообменник непрерывной продувки (ТНП); 9 - расширитель I ступени; 10 - расширитель II ступени
Уравнение теплового баланса ТНП
(1 - ХI )×(1 - ХII)×Dпр × ( h /II - t др × ср ) = Dдв ( t II дв - t I дв) × с р ;
+
=
=10,5
оС.
Уравнение теплового баланса сальникового подогревателя
a у D× (h у - h /у) h = Dдв (t дв - t II дв ) × с р .
Температура добавочной воды за подогревателем
+
=
=
=33оС.
Энтальпия добавочной воды, идущей в деаэратор 0,59 МПа,
hдв = 138,3 кДж/кг.
Энтальпия пара, поступающего из лабиринтовых уплотнений, принята по состоянию в камере производственного отбора турбины.
Давление в подогревателе около 0,1 МПа, поэтому энтальпия конденсата h /у = 419 кДж/кг. Расход пара из уплотнений турбины задан и равен 0,5 % от D, т.е. a у = 0,005.
9.1.3.8. Расчет регенеративной системы методом
последовательного приближения
Этот метод выполняется последовательно для ПВД, деаэратора и ПНД на основе решения уравнений теплового баланса, в которые подставляется ориентировочное значение расхода пара на турбину D.
Из уравнения теплового баланса ПВД № 1 (рис. 9.7) определим расход пара на подогреватель:
=
=
=
3,29 кг/с = 11,84 т/ч.
Из уравнения теплового баланса ПВД № 2
=
=
=5,89кг/с=21,2
т/ч.
Из уравнения теплового баланса ПВД № 3
=
=
=
=2,31 кг/с = 8,33 т/ч.
Рис. 9.7. Схема подогревателя высокого давления: 1 - котел; 2 - ПВД № 1; 3 - ПВД № 2; 4 - ПВД № 3; 5 - деаэратор повышенного давления; 6 - питательный насос
Расчет деаэратора
Из расчета деаэратора 0,59 МПа определим расход пара на деаэратор Dд и расход главного конденсата турбины D/к .
Схема деаэратора показана на рис. 9.8.
Уравнение материального баланса деаэратора
Dпв + wоу = D1 + D2 + D3 +Dдв + ХI Dпр + aу D + (1 - j) wоу +acнмз D +
+ x ×Dп + D/к - aэ D + Dд ;
1,045× 90,04 + 2,34 = 3,29 + 5,89 + 2,31 + 11,95 + 0,788 + 0,005 x х 90,04 + + 0,233 + 0,012× 90,04 + 0,7× 27,78 + D/к -0,002×90,04 + Dд .
Рис. 9.8. Деаэратор 0,59 МПа
После приведения подобных получим
51,18 = D/к + Dд . (9.1)
Тепловой баланс деаэратора
(D1
+
D2
+D3)
×
h
дв
+ Х
I
Dпр×
h//0,59
+ a
у D
h/у
+
+
(1 -j
)×
wоу
h/оу
+ acн
мз D
h/сн
+ x
Dп
×
hвк
+ D/к
×h
чк
- aэ
D
h//д
+ +Dд
×
hд
.
=
(3,29 + 5,89 + 2,31)×
788 + +11,95 ×
138,3 + 0,788 ×
2756 + 0,005 ×
90,04 ×
4,19 + 0,233 ×
810 + +0,012 ×
90,04 ×
419 + 19,44 ×
85 ×
4,19 + D/к
×
613,4 - 0,002 ×
90,04 х х2756 + D
д
×
2996 ;
45543 = D /к × 613,4 + D д × 2996 ;
окончательно получим
15,2 = 0,205 D /к + D д . (9.2)
Из совместного решения предыдущих уравнений
D д = 5,92 кг/с , D/к = 45,26 кг/с.
9.1.3.10. Расчет подогревателей низкого давления
Схема подогревателей низкого давления представлена на рис.9.9.
Рис. 9.9. Схема подогревателей низкого давления: 1 - деаэратор; 2 - ПНД № 4; 3 - ПНД № 5; 4 - ПНД № 6; 5 - ПНД № 7; 6,7 - дополнительные конденсаторные насосы; 8 - охладитель пара лабиринтовых уплотнений; 9 - конденсатный насос; 10 - конденсатор турбины
Подогреватель низкого давления № 7 встроен в конденсатор и в большинстве режимов выключен из работы. Слив конденсата греющего пара подогревателей выполнен каскадно до ПНД № 6. Из ПНД № 6 конденсат откачивается сливными насосами в линию основного конденсата между ПНД № 6 и ПНД № 5. Сюда же поступает конденсат из основного подогревателя и подогревателя узла подпитки теплосети.
Охладитель пара, отсасываемого из промежуточных уплотнений турбины, установлен не на потоке основного конденсата, как в основной схеме, а на потоке добавочной воды котлов.
Из уравнений теплового баланса ПНД № 4
=
=1,52кг/с=5,47
т/ч.
Уравнение теплового баланса ПНД № 5
[ D5 (h 5 - h/5) + D4 × (h/4 - h/5)] × h = D/к (h 5к - h см) .
Подставим в уравнение известные величины
[D5 (2776 - 562,5)+1,52× (638,6 -562,5)]× 0,98 = 45,26(540,5 - h см).
2169 D 5 + 113,36b= 24463 - 45,26 h см ;
D 5 = 11,226 - 0,02087 h см . (9.3)
Предварительно оценим энтальпию основного конденсата за точкой смешения, имея в виду, что h /т > h см >> h 6к .
Примем h см = 488 кДж/кг, тогда
D 5 = 11,226 - 0,02087 × 488 = 1,04 кг/с = 3,75 т/ч.
Уравнение теплового баланса ПНД № 6
[ D6 × (h 6 - h/6) + Х2 (1 - Х1 )× D пр hII // + (D4 + D5)×(h/5 - h/6)]×h =
= Dк (h 5к - h 7к) ,
где D к - массовый расход основного конденсата из конденсатора.;
[ D2 × (2700 - 494,3) + 0,082×2703+ (1,52 +1,04 ) х
х(562,5 - 494,3)]×h =Dк (472,6 - h 7к) . (9.4)
Уравнение теплового баланса эжекторных подогревателей
a э D (h //д - h /э1) × h = D к × (h 7к - h /к) . (9.5)
На основе предварительных расчетов давление в I ступени эжектора составляет 0,0096 МПа. Следовательно, энтальпия конденсата на выходе из этой ступени h /э1 = 188,5 кДж/кг.
Подставим в уравнение (9.5) значение ориентировочного расхода пара на турбину D = 90,04 кг/с, тогда
0,002 × 90,04 (2756 - 188, 5) × 0,98 = D к × ( h 7к - 99,7) , откуда
h 7к = 99,7 + 453, 1/ D к . (9.6)
После подстановки значения h 7к в (9.4) и преобразований получим
D6 = 0,172 D к - 0,389 . (9.7)
Из уравнения материального баланса точки смешения
D к = D/к - (D4 + D 5 + D 6 ) - Х2 (1 - Х 1) ×Dпр - (D оп + D пn) ;
D к = 45,26 - 1,52 - 1,04 - 0,172 ×Dк + 0,389 - 0,082 - 20,75 - -- 7,81, откуда D к = 12,31 кг/с = 44,3 т/ч.
Тогда из (9.7), подставляя величину D к , получим
D 2 = 0,172 × 12,31 - 0,389 = 1,73 кг/с = 8, 22 т/ч.
Проверим значение энтальпии главного конденсата за точкой смешения из уравнения теплового баланса
+
+
=
=
= 488 кДж/кг.
В том случае, если полученное значение h см будет отличаться от ранее принятого более чем на 1%, необходимо уточнить значение D 3 , используя конечную величину h см ,и выполнить последующие расчеты до необходимого совпадения величин h см .
Проверка материального баланса турбоустановки:
D = D1 + D2 + D3 + D д + D/п + D4 + D5 + D6 + Dт + Dу + Dпк ,
где Dпк = Dк - aэ D -расход пара в конденсатор турбины.
D = 3,29 + 5,89 + 2,31 + 5,92 + 25,67 + 1,52 + 1,04 + 1,73 + +30,05 + 0,45 + 12,31 - 0,18 = 90,0 кг/с = 324 т/ч.
Расхождение с ориентировочным расходом пара на турбину составляет 0,04 кг/с (0,44 %), т.е. имеем практически полное совпадение.
При расхождении более 1 % необходимо искать ошибку.
Мощность, развиваемая турбиной при этом расходе пара,
N/э = (å Dотб× h i отб + Dпк Hi )× h э × h м ;
N/э = D1 (h o - h1) + D2 (h o - h2) + (D3 + Dд +D/п) × (h o - h3) +
+aу D (h o - h3) + D4 (h o - h4 ) + D5 (h o - h5) + (D6 + Dт) × (h o - hт ) + +D пк (h o - hк )× hэм = (3,29 × 234 + 5,89 × 354 + 33,9 × 514 +
+0,45× 514 + 1,52 × 654 + 1,04 × 734 + 31,78 × 810 + 12,13 × 1215 ) х х 0,987 × 0,98 = 60690 кВт.
Небаланс полученной и заданной мощностей
D N э = N/э - Nэ = 60690 - 59000 = 1690 кВт,
что составляет 2,86 %.
Этот небаланс определяется неточным значением принятого коэффициента регенерации Кр при определении ориентировочного расхода на турбину.
Чтобы обеспечить заданную мощность Nэ = 59 МВт, необходимо уменьшить полученный расход пара на турбину на величину
=
1,73 кг/с =
= 6,23 т/ч.
Тогда уточненное значение расхода пара на турбину
D/ = D - DD = 90,0 - 1,73 = 88,27 кг/с = 317,8 т/ч
и коэффициента регенерации
=
=
= 1,176.
Уточненное значение Кр можно также определить из этого выражения, подставив в него величины D = 90 кг/с
и N/э = 60690 кВт.
Если отклонение полученной мощности N/э от заданной при ручном счете составляет более 3 %, необходимо произвести пересчет тепловой схемы, используя в качестве ориентировочного полученный расход D/.
9.1.4.Расчет регенеративной системы (аналитический метод).
Метод составления и решения балансовых уравнений
Этот расчет производится последовательно для ПВД, деаэратора 0,59 МПа и ПНД на основе решения уравнений тепловых балансов, в которых искомые расходы выражаются аналитически через D.
9.1.4.1.Расчет подогревателей высокого давления
Уравнение теплового баланса ПВД № 1
Dр (h 1 - h/1) h = Dпв (h пв - h1 пв).
Ранее было получено
.
Из уравнений теплового баланса ПВД с учетом значения Dпр следует
=
=
=
0,0365.
Из уравнений теплового баланса ПВД № 2
=
=
0,0654.
Из уравнений теплового баланса ПВД № 3
=
=
0,0257.
9.1.4.2. Расчет деаэратора 0,59 МПа
При расчете деаэратора (рис.9.10) учтено, что рабочий пар на основной эжектор поступает из уравнительной паровой линии деаэратора в количестве a эD.
Уравнение материального баланса
Dпв + wоу = (a1 +a2 +a3 )×D + Dдв + Х1 Dпр + aу D + (1 - j) wоу +
+ acнмз D + x ×Dп + D/к - aэ D + aд D .
Подставим в это выражение известные величины
1,045×D + 2,34 = ( 0,0365 + 0,654 + 0,0257)×D +11,95 +0,788 + +0,005D + 0,233 =0,012 D + 0,7×27,78 + D/к + aд D;
1,045×D + 2,34 = 0,1426D + 32,407 + D/к + aд D;
0,9024D = 30,067 + D/к + aд D. (9.8)
Рис.9.10. Схема деаэратора Р= 0,59 МПа
Уравнение теплового баланса
=
(a1
+a2
+a3
)
D×
h/3
+ Dдв×
h
дв
+
+Х1 Dпр × h//0,59 + + aу D× h/у + (1 - j) wоу× h/оу + acнмз D× h/сн + +x ×Dп× hвк + D/к × h 4к - aэ D× h //д + aд D× hд ;
=
0,1275 D×
788 + 11,95×
138,3 +
+0,788 × 2756 + 0,005 D× 419 + 0,233 × 810 + 0,012 D× 419 +
+ 12,44 ×85 × 4,19 + D/к × 613,4 - 0,002 D× 2756 + aд D× 2996 ;
711,8 D + 1,594 ×103 = 100,55 D + 1,65 ×103 + 2,17 ×103 +
+2,10 D + 0,189×103 + 5,05 D + 6,905×103 + 613,4 D/к - 5,51 D +
+ aд D× 2996.
После приведения подобных членов получим
2996 aд D + 613,4 D/к + 9,34 ×103 - 609,63 D = 0,
окончательно имеем
aд D + 0,205 D/к + 3,12 - 0,2035 D = 0 . (9.9)
Подставив из (9.8) значение D/к в уравнение (9.9), после преобразования получим
0,795 aд D = 3,044 + 0,0185 D,
откуда D = 3,824 + 0,0232 D. (9.10)
После подстановки (9.10) в (9.8) определится расход главного конденсата, поступающего в деаэратор из ПНД № 4:
D/к = 0,879 D - 33,89. (9.11)
9.1.4.3. Расчет подогревателя низкого давления
Уравнение теплового баланса ПНД № 4
a4× D (h 4 -h/4) × h = D/к × ( h 4к -h 3к ).
Подставим значения энтальпии пара и конденсата, а также величину D /к из (9.11), тогда
a4× D (2856 - 638,6) × 0,98 - (0,879D - 33,89)× (613,4 - 540,5) ;
2173 a 4D = 64,08 D - 2471;
a 4D = 0,0295 D - 1,137 . (9.12)
Уравнение теплового баланса ПНД № 5
[a5 D× (h 5 -h/5) + a4 D× (h/ 4 -h/5 ]× h = D/к × ( h 5к -h см ).
Подставим значения энтальпии пара и конденсата, а также величины a4 D из (9.12) и D /к из (9.11):
[a3D× (2776 - 562,5) + (0,0296 D - 1,137)×(638,6 - 868,6) 0,98] =
= (0,879 Д - 33,89) (540,5 - h см) .
Из предварительных расчетов оценим значения энтальпии основного конденсата за точкой смешения, имея в виду, что
h/т > h см >> h 2к .
Примем h cм = 488 кДж/кг , тогда
2169 a3D + 2,2 D - 84,8 = 46,15 D – 1779;
a3D = 0,0226 D - 0,781. (9.13)
Уравнение теплового баланса ПНД № 2
[a6 D× (h 6 -h/6) + Х2 (1-Х1) D пр h//II + (a4 + a5) D (h/ 5 -h/6 ]× h =
= Dк × ( h 6к -h 7к ).
Подставим известные величины и значение h 1к из (9.6)ж
[a6 D (2700 - 404,3) + 0,082×2703 + (0,0295D - 1,137 + +0,02026 D - 0,78I × (562,5 - 494,3) -494,3)]= Dк (472,6 - 99,7- - 453,1) Dк ;
2168 a6 D+ 217 + 3,326D - 128 = 373 D к - 453,1;
a6 D = 0,172 Dк - 0,25 - 0,00154 D. (9.14)
Из уравнения материального баланса точки смешения
D к = D/к - (a 4 + a 5 + a 6 ) D - Х 2 (1 - Х1) D пр - (D оп - D nп) .
Подставим известные значения величин:
D к = 0,879D -33,89 - (0,0295 D - 1,137) -(0,02026D -0,781) -
- (0,172 D к - 0,25 - 0,00154D) - 0,082 - 20,75 - 7,81;
D к = 0,831 D - 0,172 Dк - 60,364 и окончательно
Dк = 0,709 D - 51,505 . (9.15)
Тогда из (9.14)
a6D=0,172×(0,709D-51,505)-0,25-0,00154D=0,1205D-9,11. (9.16)
Расход пара на турбину определим из уравнения мощности
Коэффициенты недовыработки мощности
=
0,8074 ;
=
0,7085 ;
=
0,5770 ;
=
0,4620 ;
=
0,3960 ; у
6 =
у
т
= 0,3333.
=
0,0365 D×
0,8074 + 0,0654 D
×
0,7086 +
+ 0,0257 D × 0,0577 + 3,824 × 0,577 + 0,0232 D× 0,577 + 25,67 х 0,577 + 0,005 D × 0,0577 + 0,0295 D × 0,462 - 1,137 × 0,462 + 0,02026 × 0,396 - 0,781 × 0,396 + 0,1205 D × 0,3333 - 9,11 × 0,3333+ + 30,05 × 0,3333 = 50,2 + 0,0295 D + 0,0463 D + 0,01480 D +
+ 2,206 + 0,0134 D + 14,81 + 0,0029 D + 0,0136 D - 0,525 +
+0,0080 D - 0,309 + 0,0402 D - 3,036 + 10,016 = 0,169 D + 73,36;
и окончательно 0,831 D = 73,36. Тогда D = 88,28 кг/с = 317,8 т/ч.
Уточним значение коэффициента регенерации :
=
= 1,176.
Определим расходы пара на элементы системы, ранее выраженные в долях от расхода пара на турбину:
D 1 = a1 D = 0,0365 × 88,28 = 3,222 кг/с;
D 2 = 0,0654 × 88,28 = 5, 774 кг/с;
D 3 = 0,0257 × 88,28 = 2,27 кг/с;
D д = 0,0232 × 88,28 + 3,824 = 5, 87 кг/с;
D у = 0,005 × 88,28 = 0,44 кг/с;
D 4 = 0,0295 × 88,28 - 1,137 = 1,47 кг/с;
D 5 = 0,02026 × 88,28 - 0,781 = 1,01 кг/с;
D 6 = 0,1205 × 88,28 - 9,11 = 1,53 кг/с;
D к = 0,769 × 88,28 - 51,505 = 11,09 кг/с.
Расход пара в конденсатор
Dпк = Dк - a эD = 11,09 - 0,002 × 88,28 = 10,91 кг/с.
При выполнении расчета схемы аналитическим методом необходимо проверить правильность принятого значения энтальпии главного конденсата за точкой смешения h см между ПНД № 6 и 5 по уравнению теплового баланса. В нашем случае эта проверка не производилась, так как она была выполнена при расчете схемы методом последовательного приближения .
Материальный баланс турбоустановки
D = D 1 + D 2 + D 3 + D д + D /п + D у + D 4 + D 5 + D 6 + D т + Dп к = =3,222 + 5,774 + 2,27 + 5,87 + 25,67 + 0,44 + 1,47 + 1,01 + 1,53 +
+ 30,05 + 10,91 = 88,22 кг/с = 317,6 т/ч.
Сопоставление расходов пара на турбину, полученных при расчетах регенеративной схемы аналитическим методом и методом последовательного приближения, показывает их практически полное совпадение.
9.1.5. Выбор котлоагрегатов
Производительность котельной нетто по острому пару
D нтк = D + D мз = D (1 + aснмз) =
= 88,27 (1 + 0,012) = 88,33 кг/с = 321, 6 т/ч ;
где величина D взята из расчета схемы методом последовательного приближения.
Производительность котельной брутто
=
89, 45 кг/с = 322 т/ч.
Принимаем к установке два котла (1 резервный ) БКЗ – 320-140,
D = 320 т/ч , Ро = 13,7 МПа , t o = 560 oC.
Для покрытия пиковой отопительной нагрузки принимаем к установке котел типа КВ-ГМ-50, с номинальной производительностью 210 ГДж/ч (50 Гкал/ч), имеющий h брк = 0,91.
9.1.6. Показатели тепловой экономичности ТЭЦ
при ее работе в максимально зимнем режиме
Расход теплоты на производственные потребители
Q п = D п (h п - x ×h вк) = 27,78 (2820 - 0,7 × 85 × 4,19) × 10 -3 =
= 71,42 МВт (61,4 Гкал/ч).
Суммарный расход теплоты, отпускаемый внешним потребителям,
Q отп = Q п + Q рот + Q гвс = 71,42 + 92 + 20 = 183,4 МВт = =157,7 Гкал/ч.
Расход теплоты, отпускаемой пиковым водогрейным котлом (из теплового расчета схемы), Q пвк = 47,18 МВт (40,57 Гкал/ч).
Расход натурального топлива:
- на энергетические котлоагрегаты
=
=
37,03 т/ч;
- на пиковый водогрейный котел, работающий на мазуте,
=
4,66 т/ч,
где D пв , D пр - расходы питательной и продувочной воды соответственно, подсчитанные по уточненному расходу пара на турбину D = 88,27 кг/с;
Q рн = 24850 кДж/кг и Q рн = 40056 кДж/кг соответственно для печорского угля «ПЖ» и высокосернистого мазута марки 100.
Суммарный расход условного топлива на ТЭЦ
=
37,74 т/ч .
Расход условного топлива на выработку тепловой энергии
=
=
= 26,79 т/ч,
где h нткэ и h нтк - КПД нетто энергетических и водогрейных котлов соответственно, значения которых определены приближенно.
Расход условного топлива на выработку электроэнергии
В э = В тэц - В т = 37,74 - 26,79 = 10,95 т/ч.
КПД ТЭЦ брутто по выработке электроэнергии
=
0,661.
КПД ТЭЦ брутто по выработке тепловой энергии
=
0,840.
9.1.7. Удельные расходы топлива
Удельные расходы топлива:
на выработку электроэнергии:
а) натурального топлива
=
0,219 кг/кВт ×ч
.
б) условного топлива
=
0,186 кг/кВт ×ч;
на выработку тепловой энергии:
а) натурального топлива
=
47,91 кг/ГДж (200,6 кг/Гкал);
б) условного топлива
=
40,59 кг/ГДж (170 кг/Гкал).
