 
        
        - •1. Возможные причины отключения мотор-генератора на вагоне лм-68м Контрольные признаки отключения мотор-генератора. Действия водителя при неисправности мотор-генератора?
- •2. Неисправности по картам наблюдения
- •3. Назначение и конструкция шиберных песочниц. Технические требования к песочницам?
- •4. Экипировка трамвайных поездов?
- •5. Оказание первой помощи при поражении электрическим током?
- •Задачи по пдд.
- •1. Характеристика работы силовой схемы лм-68м и работа аппаратов схемы управления на позиции «х-1»?
- •2. Неисправности по картам наблюдения
- •3. С какими техническими неисправностями тормозной системы запрещается эксплуатация трамвайных поездов на линии?
- •4. Управление поездом при проезде места повреждения контактной сети одиночным и парным поездами?
- •5. Какие средства тушения пожара в электроустановках могут использоваться?
- •6. Задачи по пдд
- •1. Назначение аппаратов рпс, рвк и рпз в электрической схеме вагона лвс-86к. Возможные причины срабатывания рпз, действия водителя.
- •2. Порядок включения и проверки аккумуляторных батарей на вагоне лвс-86к.
- •3. С какими техническими неисправностями тележки запрещается эксплуатация трамвайных поездов на линии
- •4. Управление поездом при движении на однопутном участке?
- •5. Основные правила техники безопасности при сцепке вагонов на линии?
- •6. Задачи по пдд.
- •1. Характеристика работы силовой схемы вагонов лм-68м и работа аппаратов схемы управления на позиции «х-3»?
- •2. Неисправности по картам наблюдения.
- •3. С какими техническими неисправностями карданной передачи запрещается эксплуатация трамвайных поездов на линии?
- •4. Кому водитель может передавать управление поездом?
- •5. Правила освобождения пострадавшего от действия электрического тока?
- •6. Задачи по пдд.
- •При каких условиях применяется режим аварийного пуска поезда на вагоне лвс-86к? Работа электрической схемы вагона лвс-86к в режиме аварийного пуска поезда.
- •2. Особенности работы схемы аварийного тормоза на вагоне лвс-86к?
- •3. С какими техническими неисправностями редуктора запрещается эксплуатация трамвайных поездов на линии?
- •4. Управление поездом при движении по стрелкам и крестовинам?
- •5. Какие требования предъявляются к диэлектрическим перчаткам?
- •6. Задачи по пдд.
- •1. Характеристика работы силовой схемы лм-68м и работа аппаратов схемы управления в режиме аварийного торможения?
- •2. Неисправности по картам наблюдения
- •3. С какими техническими неисправностями пневматического оборудования запрещается эксплуатация поездов на линии?
- •4. Управление поездом при буксовом состоянии пути?
- •4. Особенности вождения на участках пути, покрытых водой или мокрым снегом.
- •5. Что должен знать и выполнять электроперсонал 3 квалификационной группы?
- •Задачи по пдд.
- •1. Назначение токоприемника. Технические требования к токоприемнику.
- •2. Назначение отключателя моторов. Действует ли на вагоне лм-68м аварийный тормоз при переключении «ом» на одну из пар двигателей?
- •3. С какими техническими неисправностями колесной пары запрещается эксплуатация трамвайных поездов на линии?
- •4. Когда водитель должен соблюдать скорость движения не более 3км/ч?
- •5. Правила трогания со смотровой канавы.
- •5. Правила техники безопасности при нахождении территории парка.
- •6. Задачи по пдд.
- •1. Характеристика работы силовой схемы лм-68м и аппаратов управления на позиции «т-3».
- •2. Неисправности по картам наблюдения.
- •3. С какими техническими неисправностями кузова запрещается эксплуатация трамвайных поездов на линии'?
- •4. Дистанция безопасности движения в зависимости от скорости движения и состояния путей.
- •5. Когда и кому должен сообщить пострадавший о производственной травме?
- •Задачи по пдд.
- •1. Действия водителя при переходе на режим аварийного пуска поезда на вагоне лвс-86к.
- •Проверка исправностей цепей рельсового тормоза при приемке вагона типа лвс-86к в парке. Контрольные признаки исправной работы башмаков рельсового тормоза.
- •3. С какими техническими неисправностями токоприемника запрещается эксплуатация трамвайных поездов на линии?
- •4. Обязанности водителя по прибытию на конечную станцию.
- •5. Правила техники безопасности при замене предохранителя.
- •6. Задачи по пдд.
- •1. Назначение грк. Проверка грк на вагоне типа лм-68м при приемке в парке Возможные неисправности и действия водителя по их устранению?
- •2. Назначение рн-1 на вагоне типа лм-68м. Контрольные признаки отключения рн-1. Возможные причины и действия водителя по их устранению?
- •3. В каких случаях неисправный поезд может быть направлен в парк своим ходом?
- •4. Правила проезда спецчастей контактной сети?
- •5. Правила техники безопасности при работе на крыше вагона на линии и в депо?
- •Задачи по пдд.
- •1. Бортовые источники электропитания на вагоне типа лм-68м. Контрольные параметры исправной работы.
- •2 Назначение рн-1 на вагоне типа лм-68м. Контрольные признаки отключения рн-1. Возможные причины и действия водителя по их устранению.
- •3. В каких случаях неисправный поезд может быть направлен в парк своим ходом?
- •4. Правила проезда спецчастей контактной сети.
- •5. Правила техники безопасности при работе на крыше вагона на линии и в депо.
- •Задачи по пдд
- •1. Характеристика работы электрической схемы вагона типа лвс-86к на позиции «х-3»?
- •2. Перегорание, какого предохранителя приводит к отключению рпз? Контрольные признаки отключения рпз. Действия водителя по устранению неисправности в цепи рпз?
- •3. С какими техническими неисправностями сцепных приборов запрещается эксплуатация трамвайных поездов на линии?
- •4. В каких случаях неисправный поезд может быть направлен на ремонт в парк своим ходом, но в сопровождении бригады технической помощи?
- •5. Порядок производства маневровых работ в парке и на линии?
- •Задачи по пдд.
- •1. Аппараты защиты силовой схемы вагона типа лвс-86к. Контрольные признаки ее срабатывания.
- •2. Назначение регулятора давления ак-11б Возможные неисправности регулятора давления и действия водителя по их устранению?
- •3. В каких случаях неисправный поезд может быть направлен в парк только при помощи буксира?
- •4. Порядок вождения поезда на буксире. Проезд автоматических стрелок и стрелок централизованных постов.
- •5. Порядок проезда негабаритных мест в депо и территории парка.
- •6. Задачи по пдд.
- •1. Характеристика работы силовой схемы вагона типа лвс-86к и аппаратов схемы управления на позиции «т-2»?
- •2. Возможные причины срабатывания системы контроля «Обрыв карданного вала» действие водителя?
- •3. С какими техническими неисправностями карданной передачи запрещается эксплуатация трамвайных поездов на линии?
- •4. Какие технические неисправности по механическому оборудованию обязан устранить водитель?
- •5. Порядок производства маневровых работ в парке и на линии?
- •6. Задачи по пдд.
- •1. Назначение генератора на вагоне лм-68м. Возможные причины неисправности и действия водителя по их устранению.
- •2. Неисправности по картам наблюдения.
- •3. С какими техническими неисправностями тормозной системы запрещается эксплуатация трамвайных поездов на линии?
- •4. Обязанности водителя при постановке поезда в парк.
- •5. Правила освобождения пострадавшего от действия электрического тока.
- •6. Задачи по пдд.
- •1. Характеристика электросхемы вагона типа лвс-86к на позиции «т-4».
- •3. С какими техническими неисправностями колесной пары запрещается эксплуатация трамвайных поездов на линии?
- •4. Действия водителя при обнаружении обрыва шунтов колес или тока утечки.
- •5. Какие средства индивидуальной защиты должен иметь водитель. Порядок пользования ими и срок их испытания.
- •6. Задачи по пдд.
- •1. Назначение и работа рв-3. Что произойдет в вагоне лм-68м, если залипнет рв-3?
- •2. Назначение и неисправность привода ручного тормоза.
- •3. С какими техническими неисправностями пневматического оборудования запрещается эксплуатация поездов на линии.
- •4. Управление поездом при буксовом состоянии пути.
- •5. Правило техники безопасности при сцепки вагонов на линии.
- •6. Задачи по пдд.
- •1. Бортовые источники электропитания на вагоне типа лвс-86к.
- •2. Неисправности по картам наблюдения.
- •3. С какими техническими неисправностями электрического оборудования запрещается эксплуатация поездов на линии?
- •4. Правила проезда мимо стоящих поездов и поездов, движущихся во встречном направлении.
- •5. Правила техники безопасности при выполнении работ на крыше вагона.
- •6. Задачи по пдд.
- •1. Назначение и работа рх. Как проверить работу этого реле?
- •2. Назначение карданного вала. Основные неисправности.
- •3. С какими техническими неисправностями тормозной системы запрещается эксплуатация трамвайных поездов на линии?
- •4. Управление поездом при хорошем и буксовом состоянии пути.
- •5. Техника безопасности при протирке лобового стекла и при удалении разбитых стекол.
- •6. Задачи по пдд.
- •1. Работа схемы сигнализации дверей на вагоне лвс-86к.
- •2. Возможные причины отключения мотор-генератора на вагоне лвс-86к. Контрольные признаки отключения мотор-генератора Действия водителя при неисправности мотор-генератора.
- •3. В каких случаях неисправный поезд может быть направлен на ремонт в парк своим ходом, но в сопровождении бригады технической помощи?
- •4. Правила проезда автоматических стрелок.
- •5. Правила трогания со смотровой канавы.
- •6. Задачи по пдд.
- •1. Назначение грк. Проверка грк на вагоне типа лм-68м при приемке в парке. Возможные неисправности и действия водителя по их устранению.
- •2. Аппараты защиты высоковольтных вспомогательных цепей на вагоне лм-68м?
- •3 Технические требования к токоприемнику.
- •4 Обязанности водителя на «нулевом» рейсе.
- •3. С какими техническими неисправностями тележки запрещается эксплуатация трамвайных поездов на линии?
- •4. Смена водителей и приемка поезда на линии.
- •5. Правила техники безопасности при работе на линии.
- •6. Задачи по пдд.
5. Порядок проезда негабаритных мест в депо и территории парка.
Проезд через мойку: закрыть двери, окна, пригнуть зеркало, скорость не более 3 км/ч. Проезд ворот: двери закрыты, не двигаться, если в проёме ворот есть люди, если створки ворот открыты вручную, необходимо их зафиксировать. Подать звуковой сигнал, скорость не более 5 км/ч. На территории парка, а особенно при въезде в депо, водитель должен вести поезд очень осторожно и подавать звонки, имея ввиду, что на путях и в траншеях могут быть рабочие.
6. Задачи по пдд.
Билет №17
1. Характеристика работы силовой схемы вагона типа лвс-86к и аппаратов схемы управления на позиции «т-2»?
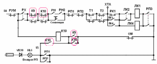
На позиции «Т2» контактором Ш1 производится выведение части регулировочного сопротивления Р32-Р34 из цепи шунтовых обмоток ТЭД, что приводит к увеличению тока возбуждения
| № Провода | 
 Аппараты схемы управления | 
 Работа в схеме | 
| 
			 Поз. «Т2» 
 
 • 7  
 | 
  + дополнительно 
             
			 | 
  Выводится часть регулировочного сопротивления Р32-Р34 из цепи шунтовых обмоток возбуждения. 
 
 Усиление тормозного эффекта Замедление - 0,6 м/сек2 
 | 
2. Возможные причины срабатывания системы контроля «Обрыв карданного вала» действие водителя?
 
Защиту осуществляют реле К9 и К10.
К9 – реле обрыва карданного вала
К10 – реле сигнализации обрыва карданного вала
Катушка К9 помещена в электрической цепи между цепями якорей ТЭД групп двигателей и срабатывает при условии:
1). Включен выключатель ВУ «Обрыв карданного вала» (SA7) на панели высоковольтного
шкафа.
2) При возникновении разности потенциалов между двумя группами двигателей,
которые работают в тяговом режиме, так как, в цепь введены нормально замкнутые
контакты Т1.
Контактная группа реле – 2/1
	2-е пары контактов 
К9   
 ЛК4 и ЛК1
ЛК4 и ЛК1
          1-а пара контактов  
 К9   
 К10
 К9   
 К10
Катушка реле К10 помещена в цепь 5-го провода и получает питание
при следующих условиях:
1). Контроллер водителя включен на ходовую позицию
2). Переключатель моторов стоит в положении (1-3-2-4)
3). Сработало реле К9.
Контактная группа реле – 2/2
2-е пары контактов К10  ЛК4 и ЛК1
1-а пара К10  ЛК10 (самоблокировка)
          1-а пара  
К10   
 «Возврат РП» (
«Возврат РП» ( 
 HL6)
HL6)
 
 Если в тяговом режиме ток в группах ТЭД одинаковый, то по катушке К9 ток не идет.
 Если в одной из групп двигателей ток становиться больше, чем в другой (при обрыве карданного вала или при пробуксовке колёсных пар), то К9 получает питание и его контакты размыкаются в 5 – м проводе цепи управления. При этом катушки линейных контакторов теряют питание и ТЭД отключаются. Вагон идет выбегом. Одновременно другие контакты К9 (тоже в 5 – м проводе) замыкаются и включают катушку реле К10. Один из контактов реле К10 размыкается в цепи линейных контакторов, и дают второй разрыв цепи.
Другие контакты К10 замыкаются в 15 – м проводе цепи управления и включают сигнальную лампу «Возврат РП» ( HL6) на пульте управления.
Если вагон пошел выбегом, и на пульте загорелась сигнальная лампа «Возврат РП», то необходимо поставить главную рукоятку контроллера водителя в нулевое положение, при этом
5-ый провод теряет питание.
 Если при этом лампа «ВОЗВРАТ РП» гаснет, то на вагоне сработала защита от обрыва
карданного вала.
 Если лампа не погасла, то сработало РП и надо нажать на кнопку  «Возврат РП» (SB3)
на пульте управления.
ВНИМАНИЕ! Защита в режиме обрыва карданного вала работает только в тяговом режиме.
При отключении группы ТЭД обязательно отключить ВУ «Обрыв карданного вала».

 
			 
