- •3.1.2 Ведомость подсчета объемов работ (для общего котлована)
- •3.1.3 Технология производства работ
- •3.1.4 Выбор землеройных и автотранспортных машин.
- •3.1.5 Калькуляция трудовых затрат
- •3.1.6 Расчёт численно квалификационного состава бригады
- •3.1.7 Проверка правильности расчёта состава бригады
- •3.1.8 Особенности производства работ в зимнее время
3. ОРГАНИЗАЦИОННО ТЕХНОЛОГИЧЕСКАЯ ЧАСТЬ
3.1 Технологическая карта
3.1.1 Область применения. Назначение технологической карты.
Данная технологическая карта предусматривает разработку грунта II группы в котловане экскаваторами ЭО-3222 «обратная лопата» с ковшом ёмкостью 0,5 м3. Земляные работы ведутся в летний период на здании жилой дом на 12 квартир размерами 35,4 х 10,8 м, высотой этажа -2,8м. Сопутствующие работы выполняются параллельно комплектом машин и механизмов.
Одним из элементов проекта производства работ (ППР) является технологическая карта. Назначение технологической карты - уменьшение трудоёмкости СМР, улучшение качества и снижение стоимости СМР. Разработка технологической карты ведётся с целью определения способов и методов выполнения отдельных видов работ на конкретном объекте, установление их последовательности и продолжительности, а также с целью определения необходимого количества исполнителей, потребных материалов и технологических ресурсов. При разработке технологической карты необходимо учитывать также рациональное использование МТР, предусматривать мероприятия, повышающие производительность труда на основе уровня НОТ, внедрение механизации и комплексной механизации работ, новой технологии производства СМР, новых материалов и т.д.
3.1.2 Ведомость подсчета объемов работ (для общего котлована)
Таблица 3.1
Наименование работ |
Ед. изм. |
Кол-во |
Эскиз и формула подсчета |
1 |
2 |
3 |
4 |
|
1000 м2 |
0,383 |
|
1 |
2 |
3 |
4 |
|
|
|
S=А+В=(а+40)*(в+40)=(35.4+40)*(10.8+ +40)=3830.32 м2 |
2. Планировка участка бульдозером |
1000 м2 |
|
См.п. 1 |
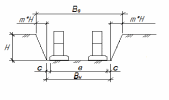
3. Разработка грунта экскаватором «обратная лопата» емкостью ковша 0,5 м3 в котлованах в отвал Грунт - суглинок. Глубина -1,8м.
|
1000 м3 |
0,997 |
Ав и Вв- размеры котлована по верху Ан и Вн- размеры котлована по низу с=0,7-для составных фундаментов т =0,5 (крутизна заложения откоса) Н =1,8 м (глубина заложения фундаментов) Ан= а+2c=38,8+1,4=40,2 м Вн= в+2c=11.4+1.4=12.8 м Ав= Ан +2mH=40.2+2*0.5*1.8=42м Вв= Вн+2mH=12.8+1*1.8=14.6м Vкотл=Н/6 Ан*Вн+Ав*Вв+(Ав+Ан)* *(Вв+Вн) =1,8/6 38,8*12,8 + 42* *14,6+(38,8+42)*(12,8+14,6)=0,3 1109,6+2213,9=997,06м3 V фун.= 133,22 м3 V отв.= V котл.- V фун.=997,06-133,22= =863,84 м3 |
4. Разработка грунта экскаватором «обратная лопата» в котлованах с погрузкой в автотранспорт. Грунт суглинок Глубина 1,8 м. |
1000 м3 |
0,133 |
V погр. котл..= V фун. =133,22 м3 |
1 |
2 |
3 |
4 |
5. Всего в котлованах |
1000 м3 |
0,997 |
V общ.= V отв. + V погр.=863,84+133,22 =997,06м3 |
6. Срезка недобора грунта в выемках бульдозером |
100 м3 |
0,70 |
Vср=Vобщ*0,07=997,06*0,07=69,79 м3 |
7. Доработка грунта вручную в котлованах |
м3 |
29,91 |
Vруч. дор.= V общ*0,03 =997,06*0,03=29,91 м3 |
8. Засыпка вручную с уплотнением пневматическими трамбовками |
м3 |
93 |
Vобр зас..= (V общ.- V фун.)/Ко.р.=(997,06-29,91)/1,04=929,95 м3 Vобр зас.руч.= 0,1* Vобр зас= 0,1*929,95= =93 м3 Vруч. упл.= 93 м3 |
10. Обратная засыпка грунта механизированным способом |
100 м3 |
8,37 |
Vмех. зас..= Vобр зас*0,9 = 929,95*0,9 = =836,96м3
|
11. Уплотнение грунта механизированным способом |
100 м3 |
8,37 |
Vмех. упл..= Vмех. зас =836,96м3
|
12. Устройство песчаной подготовки под фундаменты |
м3/ м2 |
17,17 1 |
Sпод.ф1 =125,18*1,0=125,18м2 Sпод.ф2 = 38,75*1,2=46,5 м2 Sподг =125,18+46,5=171,68 м2 Vподг = Sпод.*hподг = 171,68*0,1 =17,17м3 |

71,68