- •Содержание
- •Введение
- •Порядок выполнения работы
- •Содержание отчета
- •Контрольные вопросы
- •Лабораторная работа № 2 Исследование биполярного транзистора
- •Порядок выполнения работы
- •Содержанке отчета
- •Теоретическая часть
- •Порядок выполнения работы
- •Содержание отчета
- •Контрольные вопросы
- •Лабораторная работа № 5 Исследование усилителей с обратными связями
- •Теоретическая часть
- •Порядок выполнения работы
- •Теоретическая часть
- •Порядок выполнения работы
- •Содержание отчета
- •Порядок выполнения работы
- •Содержание отчета
- •Контрольные вопросы
- •Лабораторная работа № 10
- •Теоретическая часть
- •Порядок выполнения работы
- •Содержание отчета
- •Контрольные вопросы
- •Список рекомендованной литературы
Содержание отчета
1. Привести электрическую модель транзисторного ключа в режиме насыщения. Рассчитать параметры модели RК НАС, hИ НАС , eО НАС.
2. Привести электрическую модель транзисторного ключа в режиме отсечки и расчет значения IК0.
3. Привести электрическую модель ключа в активной области и расчеты параметров модели.
4. Привести принципиальную схему транзисторного ключа.
Контрольные вопросы
1. Какими импульсами открывается и закрывается транзисторный ключ, собранный на прямом и обратном транзисторе?
2. Какими параметрами отличаются модели в режиме ключа, собранного на кремниевых и германиевых транзисторах?
3. Какой из параметров меньше: h11 или h11 НАС?
4. Как из транзисторного ключа сделать схему ограничителя «сверху», «снизу» и двухстороннего?
Литература [10; 11].
Лабораторная работа № 10
Исследование логических элементов ТТЛ-типа
Цель работы - изучить принцип работы транзистор-транзисторных логических элементов (ТТЛ), экспериментально получить их переходные и выходные характеристики и определить основные параметры. Исследование выполнить на базе элемента И-НЕ (К155ЛАЗ).
Установка состоит из лабораторного макета (см. рис. 10.1), цифрового вольтметра и миллиамперметра.
Рис. 10.1. Лабораторный макет для исследования ЛЭ
Теоретическая часть
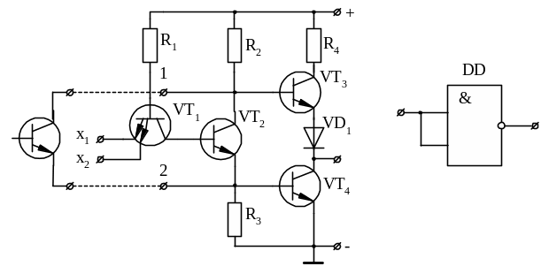
Основу современных цифровых устройств составляют интегральные логические элементы ЛЭ, одним из которых является элемент “2И-НЕ ”. ЛЭ “2И-НЕ ” представляет собой ключ, имеющий 2 входа, 1 выход и реализующий функцию отрицания логического произведения входных сигналов. Принципиальная схема ТТЛ ЛЭ и его условное графическое обозначение УГО приведены на рис. 10.2. Это универсальный элемент, с помощью которого, в сочетании с логической парой “ИЛИ-НЕ”, возможно построение любой логической системы.
Работа ЛЭ по постоянному току описывается статической передаточной характеристикой (рис.10.3). Работа ЛЭ по переменному току описывается схемой замещения (рис. 10.4). На рис. 10.3 приведены рабочие точки ЛЭ: А1 в состоянии отсечки – логическая “1”, А0 – в состоянии насыщения – логический “0”.
– запас
помехоустойчивости ЛЭ при передаче “0”
и “1”, т.е. допустимая аддитивная
амплитуда помехи, не вызывающая ложного
срабатывания ЛЭ;
– пороговые
напряжения переключения ЛЭ при переходе
из “1” в “0” и из “0” в “1” соответственно.
а) б)
Рис. 10.2. – Принципиальная схема (а) и УГО на принципиальных
схемах (б) ТТЛ ЛЭ “2И-НЕ” (в режиме инвертора)
Рис. 10.3. – Статическая передаточная характеристика
Рис. 10.4. – Схема замещения ТТЛ ЛЭ
Типовые значения параметров схемы замещения ТТЛ ЛЭ «И-НЕ»:
Порядок выполнения работы
1. Экспериментально определить таблицу истинности логического элемента.
2. Выполнить измерения для построения переходной характеристики логического элемента UВЫХ = φ(UВХ ), изменяя входное напряжение от 0 до +4 В.
3. Выполнить измерения для построения нагрузочной характеристики логического элемента, используя последовательно включенные резисторы постоянный – 6 кОм и переменный 470 кОм.
4. Измерить уровни логических «0» и «1» и оценить нестабильность уровня «1» в зависимости от ситуаций на входах логического элемента.
5. Измерить входной ток логического элемента при «0» уровне на входе.
