III. Крутильный маятник.
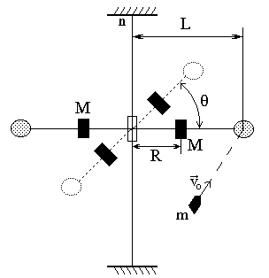
Пуля массы m попадает в мишень, укрепленную на стержне, который вместе с проволокой П образует крутильный маятник. Считая удар пули о мишень неупругим, для определения скорости V0 пули воспользуемся законом сохранения момента импульса в виде
mVoL = Jw (1)
где L - расстояние от линии полета до оси вращения маятника
(прицельное расстояние), J - момент инерции маятника, w - его угловая скорость непосредственно после удара.
Для определения w применяется закон сохранения энергии:
K Qmax2/2 = Jw2/2 (2)
Здесь K - модуль кручения проволоки П, а Qmax- максимальный угол поворота маятника.
Из (1) и (2) получаем
(3)
_____
рис.2
Для экспериментального определения скорости пули удобно преобразовать соотношение (3) так, чтобы в него входили непосредственно измеряемые на опыте величины. Период колебаний слабо затухающего крутильного маятника имеет вид:
(4)
В результате ,исключая неизвестную величину К, получим
(5)
Момент инерции маятника согласно теореме Гюйгенса-Штейнера:
J = Jo + 2MR2 (6)
где 2М - масса двух имеющихся на маятнике подвижных грузов, R -
расстояние от центра масс каждого из этих грузов до оси вращения.
С учетом (6) формула (5) приобретает вид:
![]()
(7)
Выясним теперь, как определить в рабочей формуле неизвестную величину Jo. Для этого запишем период колебаний маятника в виде
(8)
Таким образом, Т зависит от расстояния R центра подвижных
грузов М от оси вращения.
Установив грузы М на некотором расстоянии R1 от оси вращения, можно определить период колебаний Т1 маятника. Сместим грузы М в другое положение R2 и снова измерим период колебаний Т2 маятника. Так как (см.(8))

то, исключая из этих равенств К, находим
(9)
Для уменьшения погрешности, с которой определяется величина Jo расстояния R1 и R2 следует взять заметно отличающимися друг от друга. Лучше всего взять R1 возможно ближе к оси вращения, а R2- на максимальном расстоянии от нее. Подставляя (9) в (7), получим окончательную формулу
(10)
Таким образом, скорость пули может быть определена из формулы (10) по известным значениям массы m пули, масс M грузов и измеряемым на опыте значениям периода колебаний T, прицельного расстояния L, расстояния R и угла отклонения Qmax маятника.
IV. Измерения.
1. Определить массу пули m, проводя взвешивание 3-5 раз.
Найти Dm и mср.
2. Установить грузы М на расстояние R1 ~ Rmin. Найти отклонение маятника Q = Qmax, период колебаний T1, измерить прицельное расстояние L. Опыт повторить не менее 5 раз, рассчитать средние
значения и погрешности измеряемых величин.
3. Установить грузы М на расстоянии R2 ~ Rmax. Определить период колебаний T2, повторяя опыт не менее 5 раз. Рассчитать среднее значение и погрешность измеряемой величины.
таблица 1
|
N опыт |
|
|
|
L |
|
1 2 … 5 |
|
|
|
|
-
. На основании экспериментальных результатов вычислить по формуле (10) скорость полета пули Vo и оценить погрешность измерений:
![]()
5. При выводе выражения (3) предполагалось, что выполняются следующие условия:
1) колебания маятника являются незатухающими, т.е. потеря энергии системы на трение малы по сравнению с запасом колебательной энергии маятника;
2) время t соударения пули с маятником мало по сравнению с периодом колебаний t << T (баллистический режим).
Поэтому необходимо выяснить обеспечивается ли выполнение этих условий в данной лабораторной установке.
1.Отклонив маятник из положения равновесия, легко убедится, что амплитуда его колебаний довольно быстро уменьшается. Следовательно, модель незатухающих колебаний не является точной и применение полученной в рамках этой модели формулы (7) может привести к систематической погрешности в определении скорости пули. Эту погрешность можно оценить. Для этого сравниваются графики зависимости амплитуды незатухающих и затухающих колебаний маятника от времени. В результате получено следующее соотношение для оценки систематической погрешности
![]()
где Q1 и Q2 - соответственно углы первого и второго максимального
отклонения маятника после попадания в него пули. Если Q1 и Q2
совпадают в
пределах точности, с которой измеряется
угол отклонения Q маятника, то
сист
можно пренебречь и модель незатухающих
колебаний справедлива.
2. Оценим приближенно t.
Пусть tn - момент, когда относительная скорость пули уменьшается по сравнению с начальной в n раз. При достаточно больших значениях n (n > 10), можно считать, что tn мало отличается от t. Тогда можно получить оценку:
![]()
Полагая n = 10 и измерив приближенно So (глубина проникновения пули при попадании в маятник), можно получить оценку для t ( выполнение неравенства t << T ).
