- •Раздел 5. Электрическая аппаратура Работа 5. Разъединители, отделители, короткозамыкатели, выключатели нагрузки
- •Контрольные вопросы и задания
- •Работа 7. Автоматические воздушные выключатели
- •Работа 8. Масляный выключатель типа вмп-10
- •Работа 9. Многообъемные масляные выключатели
- •Работа 10. Вакуумные, элегазовые, автогазовые и электромагнитные выключатели
- •Работа 11. Приводы высоковольтных выключателей
- •Контрольные вопросы и задания
- •Работа 13. Средства защиты электроустановок от перенапряжений
- •Контрольные вопросы и задания
- •Работа 14. Комплектное электрооборудование сельских электрических сетей
- •Контрольные вопросы и задания
- •Работа 15. Устройства защитного отключения
- •Контрольные вопросы
- •Работа 16. Высоковольтные изоляторы
- •Контрольные вопросы и задания
Раздел 5. Электрическая аппаратура Работа 5. Разъединители, отделители, короткозамыкатели, выключатели нагрузки
Цель работы: изучить назначение и особенности конструкции разъединителей, отделителей, короткозамыкателей.
Содержание работы
Изучить конструкцию разъединителей серий: РВК, РЛНД, РПГ.
Изучить конструкцию отделителей ОД-110 и короткозамыкателя КЗ-110.
Изучить схему совместной работы короткозамыкателя и отделителя.
Изучить конструкцию выключателя нагрузки типа ВНА.
Общие сведения
Разъединители [2, 6] являются простейшими коммутационными аппаратами, используемыми на электрических станциях и подстанциях, и предназначены для включения и отключения электрических цепей высокого напряжения при отсутствии токов нагрузки и создания в них видимого разрыва. Контактная система разъединителей не имеет дугогасительных устройств, поэтому при ошибочном отключении нагрузки возникает устойчивая дуга, которая приводит к повреждению оборудования и несчастным случаям с обслуживающим персоналом. В этой связи необходимым требованием при работе с разъединителями является следующее: прежде чем оперировать разъединителем, электрическая цепь должна быть разомкнута с помощью выключателя!
Разъединителями можно включать и отключать такие небольшие токи, при которых на их контактах не возникает электрическая дуга. Так, «Правила устройства электроустановок» допускают включение и отключение разъединителями: трансформаторов напряжения, зарядных токов сборных шин и электрооборудования; зарядного тока кабельных линий напряжением до 10 кВ длиною до 10 км; уравнительного тока линий при условии, что разность напряжений на разъединителе после отключения составит не более 2 % номинальной величины; тока однофазного замыкания на землю: 5 А – для линий напряжением 20…35 кВ и 30 А – для линий напряжением 10 кВ и ниже.
К разъединителям предъявляются следующие одинаковые требования:
разъединитель должен создавать видимый разрыв цепи;
должен быть электродинамически и термически устойчивым;
должен допускать четкое включение и отключение при экстремальных условиях работы (обледенение, снег, дождь, ветер);
должен иметь наиболее простую конструкцию, удобную для монтажа и эксплуатации.
Классифицируются разъединители по следующим признакам:
по числу полюсов: одно- и трехполюсные;
по конструкции: рубящего, поворотного, катящегося, пантографического и подвесного типа;
по способу установки: с вертикальным и горизонтальным расположением ножей;
по роду установки: для внутренних и наружных установок.
Рис. 5.1. Однополюсный разъединитель РВК на 10 кВ: 1 – рама; 2 – ось воздействия привода; 3 – ось подвижного ножа; 4 – пружина регулирования контактов; 5 и 6 – нож подвижный; 7 – подвижный изолятор тяги ножа; 8 – неподвижный контакт; 9 – демпферная щель неподвижного контакта; 10 – опорный изолятор
Рис. 5.2. Трехполюсный разъединитель: а – вертикально-рубящего типа на 10 кВ; б – его привод: 1 – рычаг; 2 – ось; 3 и 7 – опорный изолятор; 4 – подвижный изолятор; 5 – нож; 6 – неподвижный контакт; 8 – рама; 9 – блок контактов; 10 – запор рычага привода в отключенном положении; 11 – планка; 12 – рычаг
Для внутренних установок отечественные заводы изготовляют вертикальные разъединители рубящего типа с вращением ножей в плоскости изоляторов. На рис. 5.1 приведен однополюсный разъединитель для внутренней установки на 10 кВ. Контактный нож, вращающийся на оси 5 и 6, выполнен из двух полос, охватывающих неподвижные контактные стойки. Необходимое давление в контактах создают пружины 4, подвижный изолятор тяги ножа 5 ограничивает открытие ножа при отключении.
На рис. 5.2 показан трехполюсный разъединитель для внутренней установки на напряжение 10 кВ. Как всякий отключающий аппарат, разъединитель имеет размыкающие контакты в виде неподвижного контакта 6 и подвижного, ножа 5. Токоведущие части трех фаз укреплены с помощью, опорных изоляторов 3 и 7 на раме 8. Нож поворачивается на оси 2, где имеет место скользящее контактное соединение. При включении и отключении разъединителя ножи трех фаз поворачиваются качающимися фарфоровыми тягами 4, шарнирно соединенными с полосами ножей и с рычагами на валу 2 разъединителя. Приводной рычаг 1 на валу 2 служит для соединения разъединителя с его приводом.
В отключенном положении разъединитель должен обеспечивать видимый разрыв цепи. При этом расстояние между разомкнутыми контактами должно быть на 10…15 % больше высоты изоляторов, поддерживающих контактную систему. Этим обеспечивается повышенная электрическая прочность разрыва и предотвращается опасность перекрытия между разомкнутыми контактами разъединителя, отделяющими ремонтируемый участок цепи от работающей части установки, в которой могут возникнуть перенапряжении.
Во включенном положении разъединитель должен надежно пропускать как токи рабочего режима, так и токи коротких замыканий. Переходное сопротивление контактов должно быть мало и стабильно. Для этого контактные соединения снабжаются пружинами, обеспечивающими необходимое давление в контактах.
Разъединители наружной установки (рис. 5.3) имеют соответствующие изоляторы с хорошо развитой ребристой поверхностью. Контактные системы таких разъединителей на напряжение 35 кВ и выше – ледокольные приспособления, позволяющие оперировать разъединителями при наличии гололеда на контактах. Отечественные заводы изготовляют разъединители для наружной установки рубящего типа с одной, двумя и тремя колонками опорных изоляторов и поворотного типа с двумя колонками изоляторов.
Рис. 5.3. Разъединитель горизонтально-поворотного типа на 35 кВ для наружной установки: 1 – рама; 2 – подвижный контакт заземляющего ножа; 3 – нож заземления; 4 и 11 – изоляторы; 5 – вывод; 6 – гибкая связь; 7 – контакт заземляющего ножа; 8 и 10 – подвижный нож разъединителя; 9 – контакт ножа разъединителя; 12 – привод разъединителя
На рис. 5.3 в качестве примера показана фаза двухколонкового горизонтального поворотного разъединителя на 35 кВ типа РЛНД (разъединитель с линейными контактами для наружной установки, двухколонковый). В этом разъединителе оба контакта подвижны. Они состоят из двух плоских ножей 8 и 10, укрепленных на стержневых вращающихся опорных изоляторах 4 и 11, Фланцы изоляторов соединены тягой. На размыкающемся конце ножа закреплены контактные ламели. На рис. 5.3 разъединитель показан во включенном положении. При отключении приводной рычаг поворачивает фланец изолятора против часовой стрелки. При этом изолятор через тягу получает вращение по часовой стрелке. Ножи поворачиваются примерно на угол 90.
Последние годы в распределительных устройствах станций и подстанций устанавливают преимущественно трехполюсные разъединители полупантографные типа РПГ, которые имеют следующие преимущества, по сравнению с выпускаемыми разъединителями горизонтально-поворотного типа: 1) уменьшен габарит разъединителей по ширине на уровне частей, находящихся под напряжением, что позволяет уменьшить расстояния между полюсами и площади, занимаемые ими на подстанциях, на 20 %; 2) разъемные контакты контактного ножа и заземлителей ламельного типа. Ламели выполнены из бронзового сплава и за счет своей упругости создают контактное нажатие, не требующее регулировки в эксплуатации в течение всего срока службы; 3) неподвижный контакт поворотного типа, создающий малое распирающее усилие, действующее на изоляторы, при включении; 4) в шарнире складывающегося контактного ножа расположены скользящие контакты, контактные поверхности которых покрыты серебром; 5) гибкие связи заземлителей выполнены из плетеного медного провода, покрытого оловом; 6) заземлители при включении входят в контакты снизу вверх и надежно зафиксированы от сил отброса при токах короткого замыкания; 7) полная защита ламельных разъемных контактов контактного ножа и заземлителей от обледенения; 8) все стальные части разъединителей имеют стойкие антикоррозионные покрытия горячим и термодиффузионным цинком; 9) контактная система изготовлена из меди и алюминиевых сплавов с покрытием контактных поверхностей оловом и серебром.
Управление трехполюсными разъединителями обычно осуществляют специальными приводами, которые при помощи стальных тяг соединяют с приводным рычагом 10 на валу разъединителя, Возможно управление и при помощи оперативной штанги.
Подвижные контакты разъединителей (ножи) на номинальные токи 2000 А и более выполняют из нескольких пар полос прямоугольного или коробчатого сечения (последние в разъединителях на 3000 А и более), чем достигаются лучшее использование меди и меньшие габариты и вес разъединителя.
Короткозамыкатели. Назначение короткозамыкателей состоит в том, чтобы при внутренних повреждениях силовых трансформаторов быстро создавать мощные искусственные КЗ на питающих линиях, отключаемых затем головными выключателями питающей линии (рис. 5.4).
|
|
а |
б |
Рис. 5.4. Установка КЗ-110: а – короткозамыкатель; б – его привод: 1 – экранирующее кольцо; 2 – неподвижный контакт; 3 – колонка; 4 – сварная рама; 5 – изолятор; 6 – шина, соединяющая нож короткозамыкателя с землей; 7 – трансформатор тока; 8 – привод; 9 и 24 – тяги; 10 – изолирующая вставка; 11, 13, 17, 23 и 25 – рычаги; 12 нож; 14, 19 и 26 – планки; 15 – вал; 16 – удерживающая стойка; 18 – защелка; 20– отключающий электромагнит; 21 – блокирующее реле; 22 – втулка |
|
После снятия напряжения с питающей линии поврежденный трансформатор отсоединяют отделителем, а линию включают в работу действием АПВ выключателя питающей линии.
Надежная работа установок обеспечивается четкой последовательностью действий устройств релейной защиты, автоматики, коммутационных аппаратов, а также устройств блокировки между отделителями и короткозамыкателями по цепям управления.
В сетях напряжением 110…220 кВ короткозамыкатели выполняются однополюсными, а в сетях напряжением 35 кВ – двухполюсными. Конструкция короткозамыкателя типа КЗ-110 состоит из стержневого изолятора (в сетях напряжением 220 кВ – из двух стержневых изоляторов, поставленных один на другой) с расположенным на нем неподвижным контактом. Подвижной нож изоляционной тягой соединяется с пружинным приводом типа ПРК-1У1, встроенным в шкаф. Привод служит для завода включающих пружин короткозамыкателя, удержания ножа в отключенном положении и для ручного отключения включившегося ножа. По конструкции привод ПРК-1У1 подобен приводу ПРО-1У1, за исключением релейной части. В привод ПРК-1У1 встроены электромагнит включения и три реле максимального тока типа РТМ.
В отключенном положении короткозамыкателя пружины привода заведены и он готов к действию. Для включения короткозамыкателя защита поврежденного трансформатора подает оперативный ток на электромагнит включения, боек которого через систему рычагов воздействует на защелку, и нож включается. Время от момента подачи команды на электромагнит включения до полного замыкания контактов короткозамыкателя не превышает 0,35 с.
Отделители. По конструкции токоведущих частей отделители (рис. 5.5) не отличаются от разъединителей. Их контактная система не приспособлена для операций под рабочим током нагрузки. Основное назначение отделителей – быстрое автоматическое отключение поврежденного участка электрической сети в бестоковую паузу. Допускаются также операции отключения и включения участков линии или элементов схемы, находящихся без напряжения, или для включения и отключения емкостных токов ненагруженных линий и токов холостого хода трансформаторов. Отделители изготовляют на напряжение 35, 110 и 220 кВ. Отделитель представляет собой двухколонковый аппарат с разворотом ножей в горизонтальной плоскости. Изоляционные колонки 3 установлены на подшипниках, встроенных в цоколь 9. К верхней части изоляционных колонок прикреплены главные контактные ножи 6, на одном из которых установлены контактные ламели 7. Контактные выводы 4 соединены с главными контактными ножами 6 с помощью гибких связей 5 из ленточной меди. При включении отделителя конец ножа входит в ламельный контакт, закрепленный на конце другого (противоположно установленного) ножа. Отключение отделителя происходит за счет энергии, накапливаемой в двух пружинах сжатия, установленных на межколонковой тяге и закрепленных сверху защитным кожухом 8. Со стороны, противоположной отключающим пружинам, на межколонковой тяге установлен резиновый буфер, действующий в момент остановки подвижных частей отделителя. Усилие от привода 1 на включение отделителя передается через систему рычагов 2. Отделитель включают вручную съемной рукояткой при ее повороте на 35…40 оборотов против хода часовой стрелки (у короткозамыкателей – наоборот), а отключают дистанционно или автоматически. Введены новые приводы, которые подготавливаются моторными редукторами, а не вручную.
Рис. 5.5. Отделитель ОД-110/600: 1 – привод; 2 – система рычагов; 3 – изоляционные колонки; 4 – контактные выводы; 5 – гибкие связи; 6 – контактные ножи; 7 – контактные ламели; 8 – защитный кожух; 9 – цоколь
Короткозамыкатель и отделитель, устанавливаемые на подстанциях, работают в строго определенной последовательности, а именно: при повреждении силового трансформатора под действием релейной защиты включается короткозамыкатель и создает двухфазное короткое замыкание на землю в питающей линии электропередачи. Тогда происходит отключение выключателя, установленного в начале линии электропередачи, который разрывает ток короткого замыкания. После разрыва тока к.з. приходит в действие отделитель и отключает силовой трансформатор от линии. Чтобы обеспечить нужную последовательность работы, между короткозамыкателем и отделителем осуществляется блокировка.
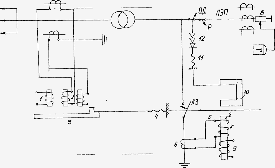
Принципиальная схема такой блокировки изображена на рис. 5.6. Блокировка работает следующим образом.
При повреждении силового трансформатора приходят в действие реле максимального тока 2, которое опускает защелку 3, удерживающую короткозамыкатель КЗ в отключенном положении, и короткозамыкатель под действием пружины 4 включается. При замыкании его контактов происходит короткое замыкание линии на землю, вследствие чего по линии и короткозамыкателю будет протекать ток короткого замыкания. Во вторичной обмотке трансформатора тока 6 и присоединенного к нему электромагнита (блокирующего реле) 7 отделителя будет протекать трансформированный ток короткого замыкания, удерживающий сердечник 8 в нижнем положении. Установка трансформатора тока 6 и блокирующего реле 7 отделителя обеспечивает отключение последнего только после разрыва выключателем В на питающем конце линии. После отключения этого выключателя ток, протекающий в линии и короткозамыкателе становится равным нулю. Тогда сердечник 8 поднимается и сбивает защелку 10. Пружина 11 через изоляционную тягу 12 отключает отделитель. Блокирующая пластина 5, соединенная с механизмом короткозамыкателя, исключает возможность отключения отделителя до тех пор, пока не включится короткозамыкатель. Электромагниты отключения 1 и 9 служат для дистанционного включения короткозамыкателя и апробации работы отделителя.
Рис. 5.6. Схема совместной работы короткозамыкателя и отделителя: 1 – электромагнит отключения; 2 –реле максимального тока; 3, 10 – защелка; КЗ – короткозамыкатель; 4, 11 – пружина; 5, 6, 7, 8, 9 –блокирующее реле отделителя; 12 – изоляционная тяга; 7 – контактные ламели; 8 – защитный кожух; 9 – цоколь
Выключатели нагрузки – это аппараты, служащие только для включения и отключения номинальных токов установки. Отключение токов короткого замыкания и перегрузок производит высоковольтный предохранитель, включенный с выключателем нагрузки последовательно. Выключатель нагрузки имеет дугогасительное устройство, рассчитанное на коммутацию номинальных токов и токов холостого хода трансформаторов и линий электропередачи. Так как выключатель нагрузки не отключает токи короткого замыкания, его дугогасительное устройство, а следовательно, и габаритные размеры ниже, чем у высоковольтных выключателей. Стоимость таких аппаратов также значительно ниже. Однако выключатель нагрузки должен иметь высокую включающую способность и динамическую стойкость при сквозных токах короткого замыкания.
Выключатели типа ВНА-10/630-20У2 (рис. 5.7) состоят из рамы 1, на которой установлены шесть опорных изоляторов 2 типа ИОР-10-7,50-IIУХЛ ГОСТ 19797–85 или ИО8-8-6УХЛ2 ТУ 3494-004-39903592-2002. На трех изоляторах, расположенных в нижней части рамы, крепятся шарнирно главные подвижные контакты 3 совместно с подвижными дугогасительными контактами 4, в верхней части – главные неподвижные контакты 5, дугогасительные неподвижные контакты 6 и дугогосительная камера 7. На неподвижных дугогасительных контактах приварены наконечники 8. Внутри дугогасительной камеры 7, изготовленной из полиамида, установлены вкладыши 9 из полиметилметакрила и неподвижные подпружиненные дугогасительные контакты 6. Камера 7 и вкладыши 9 имеют дугообразную форму, что дает возможность входа в них дугого-сительному контакту 4. Выключатель имеет пружину 10, обеспечивающую его включение и отключение. Вал выключателя соединяется с валом привода тягой (тяга должна быть изоляционной). В выключателях типов ВНА-10/630-20зУ2, ВНА-10/630-20з(св)У2 и ВНА-10/630-20-2зУ2, ВНАЛ(п)-10/630-20зУ2 и ВНАП(л)-10/630-20зУ2 дополнительно присоединяются заземляющие ножи 11, которые представляют собой узел, состоящий из вала подпружиненных пластин с приваренными медными контактами. Заземляющие ножи закрепляются на полураме 12, которая с помощью болтового соединения присоединяется к раме выключателя. Заземляющие ножи управляются приводом, вал которого соединяется с валом заземляющих ножей с помощью тяги (тяга должна быть изоляционной), не входящей в комплект поставки и серьгой 14. Выключатели типов ВНА-10/630-20зпУ2 и ВНА-10/630-20з-зпУ2, ВНАЛ(п)-10/630-20зпУ2 и ВНАП(л)-10/630-20зпУ2 предусматривают установку предохранителей ПКТ103-6(10)-П-ПУЗ или ПКТ102-6(10)-П-ПУЗ. Заземляющие ножи при этом установлены за предохранителями. Выключатели типов ВНА-10/630-20-2зУ2 и ВНА-10/630-20з-зпУ2 имеют заземляющие ножи с двух сторон. Выключатели типов ВНА-10/630-20-зпЗУ2 предусматривают установку предохранителей ПКТ103-6(10)-П-ПУЗ и механизм отключения выключателя при перегорании одного из трех предохранителей. Отключение может быть автоматическое, дистанционное (подача сигнала на электромагнит) и ручное (поворот диска против часовой стрелки). На исполнительном механизме ВНА установлен клеммник 17, к которому необходимо подключить электрическую схему, необходимую для управления выключателем.
Рис. 5.7. Выключатель нагрузки автогазовый ВНАП-10/630-20зп3У2
Указания к выполнению работы
1. При изучении конструкции разъединителей, отделителей и короткозамыкателей обратите внимание на общее в их конструкции, найдите отличительные элементы, характеризующие данный тип аппарата, а также обратите внимание на особенности конструкции аппаратов, предназначенных для наружной установки.
2. При изучении конструкции выключателя нагрузки найдите, чем он отличается от конструкции разъединителя, обратите внимание на элементы, которые характеризуют этот аппарат как выключатель, а также на процесс дугогашения.
3. При изучении схемы совместной работы короткозамыкателя и отделителя обратить внимание на последовательность работы элементов схемы.
