- •Ознайомлення з конструкцією та вивчення принципу роботи портативної радіостанції індивідуального користування
- •Лабораторна робота № 3
- •Теоретичні відомості, математичні моделі та основні параметри частотно-модульованих сигналів
- •Опис конструкції та основних технічних характеристик радіостанції
- •Функціональна структура радіостанції та опис принципової електричної схеми
- •Правила ведення радіообміну і експлуатація радіостанції
- •Порядок виконання роботи
- •Теоретичні відомості про частотну модуляцію.
- •Визначення основних параметрів:
- •Список літератури
МІНІСТЕРСТВО ОСВІТИ І НАУКИ УКРАЇНИ
НАЦІОНАЛЬНИЙ УНІВЕРСИТЕТ “ЛЬВІВСЬКА ПОЛІТЕХНІКА”
ІНСТИТУТ ТЕЛЕКОМУНІКАЦІЙ, РАДІОЕЛЕКТРОНІКИ
ТА ЕЛЕКТРОННОЇ ТЕХНІКИ
Ознайомлення з конструкцією та вивчення принципу роботи портативної радіостанції індивідуального користування
МЕТОДИЧНІ ВКАЗІВКИ
до лабораторної роботи №3
для студентів денної форми навчання
спеціальності 6.0910 – “Електронні апарати”
Затверджено
на засіданні ЕЗІКТ
Протокол № від р.
Львів – 2003
Ознайомлення з конструкцією та вивчення принципу роботи портативної радіостанції індивідуального користування: Методичні вказівки до лабораторної роботи №3 з дисципліни “Термінальні засоби телекомунікацій” для студентів денної форми навчання спеціальності 6.0910 – “Електронні апарати”/ Укл.: Васьків Г.М., Павлиш В.А., Данчишин І.В. – Львів: Видавництво Національного університету “Львівська політехніка”, 2003. – 16 с.
Укладачі:
Васьків Григорій Михайлович, канд. техн. наук, доцент
Павлиш Володимир Андрійович, канд. техн. наук, професор
Данчишин Ігор Васильович, канд. техн. наук, ст. викладач
Відповідальний за випуск:
Юрчик Геннадій Васильович, канд. техн. наук, доцент
Рецензент:
Недоступ Леонід Авраамович, д.т.н., професор
Лабораторна робота № 3
Мета роботи: визначення параметрів частотно-модульованого сигналу.
Зміст роботи
Теоретичні відомості, математичні моделі та основні параметри частотно-модульованих сигналів
Опис конструкції та основних технічних характеристик радіостанції
Функціональна структура радіостанції та опис принципової електричної схеми
Правила ведення радіообміну і експлуатація радіостанції
Визначення основних параметрів:
девіації частоти;
індекса частотної модуляції;
глибини модуляції;
ширини спектру радіосигналу;
відхилення частоти передавача;
потужності несучої передавача;
чутливості радіоприймача.
Теоретичні відомості, математичні моделі та основні параметри частотно-модульованих сигналів
Спектральні характеристики сигналів, які утворюються в первинних перетворювачах повідомлень (мікрофоні, телевізійній камері, первинних перетворювачах вимірювальних систем тощо) є матеріальними носіями інформації їх спектральні складові зосереджені в низькочастотному діапазоні, включно з нульовою частотою.
Внаслідок малої ефективності випромінювання низькочастотних коливань та значного поглинання їх енергії в навколишньому середовищі при поширенні на значній віддалі, безпосередньо передавати їх за допомогою радіоканалу немає можливості.
Розв¢язання цієї проблеми забезпечується зміщенням низькочастотного спектра повідомлень у діапазон більш високих частот, для яких умови випромінювання та поширення є сприятливі. Для того вибирають регулярне (детерміноване) високочастотне коливання, яке використовують як переносник низькочастотного спектра повідомлень. Таке коливання прийнято називати несучим або носійним.
.
Зміна
хоча б одного з параметрів
надає несучому коливанню властивість
переносити в собі інформацію про
повідомлення.
Процес зміни одного або декількох параметрів несучого коливання за законом зміни низькочастотного повідомлення називають модуляцією. Для гармонічного несучого коливання можливі три види модуляції. Амплітудна (АМ), частотна (ЧМ) та фазова (ФМ). У деяких випадках можливі комбінації перелічених видів модуляцій.
Радіостанції аналогових сигналів з ЧМ мають ряд суттєвих переваг порівняно з АМ: краща завадостійкість, вища якість відтворення повідомлень, краще використання потужності передавача. Завдяки цьому ЧМ пристрої знаходять широке застосування у високоякісному ЧКХ-ЧМ радіомовленні, звуковому супроводі ТБ, радіозв¢язку, радіотелеметрії тощо.
При
частотній модуляції змінюють в часі
пропорційно до вхідного сигналу
частоту несучого коливання. Якщо сигнал,
що передається, є гармонічним
,
то зміну частоти можна записати у вигляді:
, (1)
де
- коефіцієнт пропорційності;
- називається девіацією частоти
(максимальне відхилення частоти
модульованого сигналу від частоти
несучого коливання) на рис.1 показано
зміну частоти модульованого коливання
при частотній і фазовій модуляції.
При Зміні фази несучого коливання пропорційно до сигналу отримаємо фазову модуляцію
, (2)
де
- коефіцієнт пропорційності;
- індекс фазової модуляції.
Між частотною і фазовою модуляціями існує тісний зв¢язок. Розглянемо несуче коливання у вигляді
,
де
- початкова фаза коливання;
- повна фаза коливання.
Між
повною фазою коливання
та частотою
існує зв¢язок
(3)
Підставимо
у рівняння (3) вираз (1) для
при частотній модуляції. Отримаємо
, (4)
де
- називається індексом частотної
модуляції.
Тоді частотно-модульоване коливання можна записати у вигляді
. (5)
Фазомодульоване коливання з врахуванням виразу (2) для отримаємо у вигляді
(6)
Із порівняння (5) і (6) випливає, що за зовнішнім видом сигнали важко відрізнити: який вид модуляції застосований. Тому часто обидва види модуляції називають кутовою модуляцією. Неможливо їх розрізнити і на основі спостереження осцилограм. Лише у випадку, коли модулюючий сигнал змінюється стрибкоподібно, то в осцилограмі можна спостерігати стрибки миттєвих значень сигналу (рис.1).
Рис.1
Несуче коливання, яке піддається кутовій модуляції (5) або (6) можна представити у виді суми гармонічних коливань:
,
де
- індекс кутової модуляції, що приймає
значення
при ЧМ і
при ФМ. Амплітуди гармонік в даному
виразі визначаються деякими коефіцієнтами
,
що називаються функціями Бесселя,
значення яких при різних аргументах
подані в спеціальних довідникових
таблицях. Чим більший індекс
,
тим буде ширший спетр модульованого
коливання.
Таким чином, спектр модульованого несучого коливання при модуляції складається з нескінченної кількості дискретних складових, що утворюють нижню і верхню бокові смуги спектру, які симетричні відносно несучої частоти і мають однакові амплітуди (рис.2).
Рис.2
У
випадку, якщо первинний сигнал
має форму, що відрізняється від
синусоїдальної і займає смугу частот
від
до
,
спектр модульованого коливання при
кутовій модуляції буде мати ще складніший
вигляд.
Для
отримання частотної модуляції необхідно,
щоб частота несучого коливання змінювалася
під дією вихідного сигналу
за законом, що описується формулою (1).
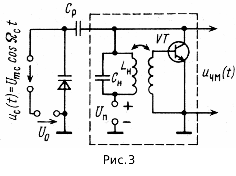
На рис.3 пунктиром обведена схема
автогенератора, який виробляє
високочастотну синусоїдальну напругу
з частотою
,
що дорівнює резонансній частоті
коливального контура
.
Змінюючи ємність або індуктивність
можна змінювати частоту генерованих
коливань
Конструктивно
простіше змінювати ємність коливального
контуру, за допомогою варікапа
включеного паралельно до
.
Ємність варікапа залежить від прикладеної
до нього напруги
(рис.4).
Якщо
до нелінійного реактивного елемента
прикласти напругу
,
а нелінійна залежність
апроксимована поліномом другої степені
то
(7)
Рис.4
Вибравши
напругу зміщення
і амплітуду
так, щоб працювати на ділянці характеристики
із слабо вираженою нелінійністю, то
останнім доданком в (7) можна знехтувати.
Тоді отримаємо, що ємність нелінійного
реактивного елемента зміниться в часі
за знаком
,
що є пропорційним модулюючому сигналу
.
Частота
генерованих в схемі коливань визначається
індуктивністю
і ємністю
де
- еквівалентна постійна ємність контура;
.
Враховуючі,
що
маємо
.
Для
роботи на лінійній ділянці характеристики
необхідно вибирати малі величини
,
тому можна записати
.
Остаточно вираз для частоти генерованих коливань отримаємо у вигляді, що співпадає з (1)
,
де
- девіація частоти, яка є пропорційною
амплітуді модулюючого коливання.
Таким чином на виході схеми будемо мати частотно-модульований сигнал.
Отже при частотній модуляції амплітуда ВЧ коливань залишається незмінною, а частота змінюється за законом модульного НЧ коливання (сигналу).
Девіація
частоти – відхилення частоти
від її вихідного значення (несучої
частоти
),
яке пропорційне амплітуді модулюючого
коливання (НЧ сигналу).
Індекс
частотної модуляції (
)
– відношення максимального значення
девіації частоти (
),
що відповідає найглибшій модуляції, до
верхньої частоти модуляції
:
.
Глибина
модуляції ЧМ сигналу – відношення
девіації частоти (
)
до максимального значення девіації
частоти (
)
для даної мережі мовлення
.
Важливим
параметром є також ширина спектра
радіосигналу при частотній модуляції
.
В Україні прийнята система ЧМ мовлення
з максимальною девіацією частоти
=50
кГц і
=15
кГц, при цьому індекс модуляції
3.3,
а ширина спектра радіосигналу 180 кГц.
