- •4.Статор — нерухома частина електродвигуна. В електродвигуні статором служить електромагніт.
- •7.Кнопки керування
- •9.Важливою частиною електроустановок є електрична проводка (еп). Вона складається з проводів та кабелів з відносяться до них кріпленнями, підтримують і захисними конструкціями.
- •2.Установочние дроти. Їх види, маркування. Матеріали, при
- •2.Установочние дроти. Їх види, маркування. Матеріали, при
- •10.Техніка безпеки
Зміст
1.Вступ
2.Схеми керування всинхронним коротко замкнутим двигуном.
3.Специфікація.
4.Принсип дії і будова асинхронного електро двигуна.
5.Магнітні пускачі.
6.Теплове релле.
7.Кнопки керування.
8.Автоматичний вимикач серії А3100
9.Кабель і його будова.
10.Техніка безпеки.
11.Рецензія.
1.ЕЛЕКТРОМОНТЕР ПО РЕМОНТІ Й ОБСЛУГОВУВАННЮ ЕЛЕКТРОУСТАТКУВАННЯ Працює на підприємствах різних галузей народного господарства. Розбирає, ремонтує, збирає, встановлює і центрує електроустаткування, електричні машини і електроапарати різних типів і систем. Здійснює налагодження, ремонт і регулювання схем технологічного устаткування, електричних схем автоматичних ліній, електричних і електронних приладів. Обслуговує ультразвукові, електронні, електроімпульсні установки, пристрої релейного захисту, автоматичного включення резерву, схеми на транзисторних і логічних елементах. Перевіряє класи точності вимірювальних трансформаторів. Виконує роботи по ремонтові, монтажеві і демонтажеві кабельних ліній.
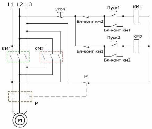
2.Реверсивна схема підключення електродвигуна - фазування Реверсування електро двигуна схема досить часто використовується для підключення трифазного електродвигуна там, де необхідне оперативне управління напрямом обертання валу двигуна – наприклад, в гаражних воротях, насосах, різних навантажувачах, кран-балках і так далі Реверсування двигуна реалізується зміною фазування його живлячої напруги. Наприклад, якщо порядок підключення фаз до клем трифазного електродвигуна. Умовно узяти як L1, L2,l3, той напрям обертання валу буде визначеним, протилежним, чим при підключенні, скажімо, з фазуванням L3, L2, L1. Особливістю реверсивної схеми підключення є використання в ній двох магнітних пускачів. Причому, їх головні силові контакти сполучені між собою таким чином, що при спрацьовуванні котушки одного з пускачів, фазування живлячої напруги двигуна відрізнятиметься від фазування при спрацьовуванні котушки іншого.
У схемі використовується два магнітні пускачі. При спрацьовуванні першого пускача Km1, його силові контакти притягуються (обведені зеленим пунктиром) і на обмотки електродвигуна поступає напруга з фазуванням L1, L2, L3. При спрацьовуванні другого пускача – КМ2, напруга на двигун піде через його силові контакти КМ2 (обведені червоним пунктиром) вже матиме фазування L3, L2, L1.
Як бачите, тут магнітні пускачі підключені за стандартною схемою. То хіба, що, в ланцюг кожної котушки послідовно включений нормально закритий блок-контакт іншого пускача. Цей захід запобіжить замиканню в разі помилкового одночасного натиснення обох кнопок «Пуск».
...Електричні двигуни перетворять електричну енергію в механічну. Вони широко використовуються в промисловості (верстати і механізми), на транспорті (електровози, трамваї, тролейбуси, метро), у будівництві (піднімальні крани), у сільському господарстві (молотарки й ін.). у побуті (пилососи, пральні і швейні машини, магнітофони, дитячі іграшки й ін.).Електородвигун складається з двох основних частин: статора і ротора.
4.Статор — нерухома частина електродвигуна. В електродвигуні статором служить електромагніт.
Ротор — обертова частина двигуна. Він складається з якоря з обмоткою з ізольованого проводу і колектора, що забезпечує проходження по обмотці електричного струму від джерела. Коли по обмотці якоря йде електричний струм, ротор під дією електромагніта обертається. Виводи обмотки якоря з'єднані з колектором. Сердечник якоря зібраний зі сталевих пластин.
Для охолодження обмоток служить вентилятор, що встановлюється на валові ротора.
Електродвигуни мають великі переваги в порівнянні з іншими видами двигунів (паровими, внутрішнього згоряння): вони екологічно чисті — при роботі не виділяють шкідливих газів, диму або пари; економічні — для них не потрібний запас палива і води їх легко установити в будь-якому доступному місці (на стіні, під підлогою трамвая, тролейбуса, у корпусі магнітофона і т.д.).
Для потреб народного господарства промисловість випускає велику кількість різноманітних електродвигунів: від мініатюрних, наприклад для іграшок і моделей, до двигунів величезних розмірів — для кораблів, електровозів. Електродвигуни розрізняються не тільки розмірами, але і призначенням, конструкцією, частотою обертання ротора.
На електротехнічних підприємствах виготовленням електродвигунів займаються робітники різних професій. Намотування котушок статора і ротора, з'єднання окремих їхніх частин здійснюють електромонтери-обмотники. Збирають електродвигуни слюсарі-збирачі. Вони повинні володіти навичками виконання не тільки електромонтажних, але і слюсарних робіт.
5.Магнітний Пускач- Пускач електромагнітний (магнітний пускач) - це низьковольтний електромагнітний (електромеханічний) комбінований пристрій розподілу та управління, призначений для пуску і розгону електродвигуна до номінальної швидкості, забезпечення його безперервної роботи, відключення живлення і захисту електродвигуна та підключених ланцюгів від робочих перевантажень. Пускач являє собою контактор, комплектуватися додатковим устаткуванням: тепловим реле, додаткової контактної групою або автоматом для пуску електродвигуна, плавкими запобіжниками. Теоретичні дані. Схема підключення асинхронних двигунів через магнітний пускач. Схема складається: з QF - автоматичного вимикача; KM1 - магнітного пускача; P - теплового реле; M - асинхронного двигуна; ПР - запобіжника; кнопки керування (С-стоп, Пуск). Розглянемо роботу схеми в динаміці. Включаємо живлення QF - автоматичним вимикачем, натискаємо кнопку «Пуск» своїм нормально розімкнутим контактом реле подає напругу на котушку КМ1 - магнітного пускача. КМ1 - магнітний пускач, спрацьовує і своїми нормально розімкненими, силовими контактами подає напругу на двигун. Для того щоб не утримувати кнопку «Пуск» і двигун працював, потрібно її зашунтувати, нормально розімкненим блок контактом КМ1 - магнітного пускача. При спрацьовуванні пускача блок контакт замикається і можна відпустити кнопку «Пуск». Струм побіжить через блок контакт на КМ1 - котушку. Відключаємо двигун, натискаємо кнопу «С - стоп», нормально замкнутий контакт розмикається і припиняється подача напруга до КМ1 - котушці, сердечник пускача під дією пружин повертається у вихідне положення, відповідно контакти повертаються в нормальний стан, відключаючи двигун. При спрацьовуванні теплового реле - «Р», розмикається нормально замкнутий контакт «Р», відключення відбувається аналогічно. Нереверсивна схема магнітного пускача з котушкою 220 В
Призначення елементів контактора (магнітного пускача)
Короткозамкнені витки служать для зменшення шуму вібрацій якоря у включеному положенні.
При проходженні оперативного струму по котушки притягується до сердечника і, повертаючись навколо осі замикає головні контакти нерухомий.
Головні контакти здійснюють замикання і розмикання силового ланцюга, забезпечуються дугогасильних пристроями. Розраховані на тривале проведення номінального струму і на виробництво великої кількості перемикань.
Блок-контакти виробляють перемикання в ланцюгах управління, блокування і сигналізації. Бувають замикаючими та розмикаючими.
Можливі несправності в контакторах і магнітних пускачах:
обгорання контактів - візуально почистити або замінити
обрив в обмотці котушок - заміряти мегомметром.
Вивчив способи регулювання окремих контакторна елементів і елементів магнітних пускачів:
перевірка одночасності торкання контактів;
наявність повітряного зазору в магнітній системі;
зусилля тиску контактів.
6.Теплові реле - це електричні апарати, призначені для захисту електродвигунів від струмового перевантаження. Найбільш поширені типи теплових реле - ТРП, ТРН, РТЛ і РТТ. Принцип дії теплових реле Довговічність енергетичного устаткування в значній мірі залежить від перевантажень, яким воно піддається під час роботи. Для будь-якого об'єкту можна знайти залежність тривалості протікання струму від його величини, при яких забезпечується надійна і тривала експлуатація.
При номінальному струмі допустима тривалість його протікання дорівнює нескінченності. Протікання струму, більшого, ніж номінальний, приводить до додаткового підвищення температури і додаткового старіння ізоляції. Тому чим більше перевантаження, тим кратковременнєє вона допустима. Крива 1 на малюнку встановлюється виходячи з необхідної тривалості життя устаткування. Чим коротше його життя, тим більші перевантаження допустимі.
Біметалічна пластина теплового реле складається з двох пластин, одна з яких має більший температурний коефіцієнт розширення, інша — менший. У місці прилягання один до одного пластини жорстко скріпляють або за рахунок прокату в гарячому стані, або за рахунок зварки. Якщо закріпити непорушно таку пластину і нагрівати, то станеться вигин пластини у бік матеріалу з меншим. Саме це явище використовується в теплових реле.
Нагрів біметалічного елементу теплового реле може вироблятися за рахунок тепла, що виділяється в пластині струмом навантаження. Дуже часто нагрів біметала виробляється від спеціального нагрівача, по якому протікає струм навантаження. Кращі характеристики виходять при комбінованому нагріві, коли пластина нагрівається і за рахунок тепла, що виділяється струмом, що проходить через біметал, і за рахунок тепла, що виділяється спеціальним нагрівачем, також обтічним струмом навантаження. Прогинаючись, біметалічна пластина своїм вільним кінцем впливає на контактну систему теплового реле.
Пристрій теплового реле: а - чутливий елемент, би - стрибаючий контакт, 1 - контакти, 2 - пружина, 3 - біметалічна пластина, 4 - кнопка, 5 - місток
Струмові для Часу характеристики теплового реле Основною характеристикою теплового реле є залежність часу спрацьовування від струму навантаження (времятоковая характеристика). У загальному випадку до початку перевантаження через реле протікає струм Iо, який нагріває пластину до температури qо. При перевірці времятокових характеристик теплових реле слід враховувати, з якого стану (холодного або перегрітого) походить спрацьовування реле.
При перевірці теплових реле треба мати на увазі, що нагрівальні елементи теплових реле термічно нестійкі при струмах короткого замикання.
Вибір теплових реле Номінальний струм теплового реле вибирають виходячи з номінального навантаження електродвигуна. Вибраний струм теплового реле складає (1,2 - 1,3) номінального значення струму електродвигуна (струму навантаження), т. е.тепловоє реле спрацьовує при 20- 30% перевантаженню в течії 20 хвилин.
Постійна часу нагріву електродвигуна залежить від тривалості струмового перевантаження. При короткочасному перевантаженні в нагріві бере участь лише обмотка електродвигуна і постійна нагріву 5 - 10 хвилин. При тривалому перевантаженні в нагріві бере участь вся маса електродвигуна і постійна нагріву 40-60 хвилин. Тому вживання теплових реле доцільне лише тоді, коли тривалість включення більше 30 хвилин.
Вплив температури довкілля на роботу теплового реле Вплив температури довкілля на роботу теплового релеНагрев біметалічної пластинки теплового реле залежить від температури довкілля, тому із зростанням температури довкілля струм спрацьовування реле зменшується.
При температурі, що сильно відрізняється від номінальної, необхідно або проводити додаткове (плавну) регулювання теплового реле, або підбирати нагрівальний елемент з врахуванням реальної температури довкілля. Для того, щоб температура довкілля менше впливала на струм спрацьовування теплового реле, необхідно, щоб температура спрацьовування вибиралася можливо більше.
Для правильної роботи теплового захисту реле бажано розташовувати в тому ж приміщенні, що і об'єкт, що захищається. Не можна розташовувати реле поблизу концентрованих джерел тепла — нагрівальних печей, систем опалювання і так далі В даний час випускаються реле з температурною компенсацією (серії ТРН).
Конструкція теплових реле Прогин біметалічної пластини відбувається повільно. Якщо з пластиною безпосередньо зв'язати рухливий контакт, то мала швидкість його руху, не зможе забезпечити гасіння дуги, що виникає при відключенні ланцюга. Тому пластина діє на контакт через прискорюючий пристрій. Найбільш досконалим є «стрибаючий» контакт.
У знеструмленому стані пружина 1 створює момент відносно крапки 0, що замикає контакти 2. Біметалічна пластина 3 при нагріві згинається управо, положення пружини змінюється. Вона створює момент, що розмикає контакти 2 за час, що забезпечує надійне гасіння дуги. Сучасні контактори і пускачі комплектуються з тепловими реле ТРП (одне-фазне) і ТРН (двофазне).
Пристрій теплового реле типа ТРП Біметалічна пластина теплового реле ТРП має комбіновану систему нагріву. Пластина нагрівається як за рахунок нагрівача, так і за рахунок проходження струму через саму пластину. При прогині кінець біметалічної пластини впливає на стрибаючий контактний місток.
Теплове реле ТРП дозволяє мати плавне регулювання струму спрацьовування в межах (±25% номінального струму уставки). Це регулювання здійснюється ручкою, що міняє первинну деформацію пластини. Таке регулювання дозволяє різко понизити число потрібних варіантів нагрівача.
Повернення реле ТРП у вихідне положення після спрацьовування виробляється кнопкою. Можливе виконання і з самоповерненням після охолодження біметала.
Висока температура спрацьовування (вище 200°С) зменшує залежність роботи реле від температури довкілля. Уставка теплового реле ТРП міняється на 5% при зміні температури довкілля на КУС. Високі ударо- і вібростійкість теплового реле ТРП дозволяють використовувати його в найважчих умовах.
