- •3.2 Календарный план строительства
- •Выбор методов производства работ и средств механизации
- •Ведомость подсчёта объёмов работ
- •Подсчет трудоемкости работ и затрат машинного времени
- •Расчет карточки-определителя
- •Расчет технико-экономических показателей
- •3.3 Строительный генеральный план
- •Привязка и размещение монтажных механизмов.
- •2. Основные характеристики крана приведены в таблице.
- •Определение зон влияния крана.
- •Расчет складских площадок
- •Расчёт временных зданий и сооружений
- •Расчёт потребности в воде
- •Расчёт обеспечения стройплощадки электроэнергией
3.2 Календарный план строительства
Выбор методов производства работ и средств механизации
Земляные работы.
Для разработки грунта используется механизированный способ. Учитывая группу грунта и размерные характеристики строительной площадки, принят бульдозер ………………….. и одноковшовый экскаватор циклического действия с обратной лопатой ……………….. Погрузка грунта ведется в автосамосвал КАМАЗ-6520.
Земляные работы проводятся захватным методом.
Монтажные работы.
Для монтажа конструкций по последовательности принят раздельный метод. В качестве основного средства механизации используется автомобильный кран КС-65720. Монтаж конструкций происходит в сжатые сроки за счёт применения оптимального количества наиболее совершенных механизмов.
Каменные работы.
Кладка стен ведется ярусно-захватным методом. Кирпич подается на специальных поддонах, раствор – в ваннах с помощью автомобильного крана
КС-65720.
Кровельные работы.
Для подачи гибкой черепицы используются специальные контейнеры, которые поднимаются с помощью КС-65720.
Отделочные работы.
Отделочные работы выполняются конвейерным методом.
В состав отделочных работ входят штукатурные, малярные, оклейка обоями и устройство полов (покрытие: керамическая плитка «Керамин», линолеум и полы из ламината «SHINGLAS»).
Для подачи материала используется грузовой подъемник ТП-3А.
Штукатурные, молярные работы и оклейка стен обоями ведутся поточно-расчлененным методом.
При оштукатуривании стен используется штукатурная станция СО-114А.
Сперва все поверхности оштукатуриваются, после чего шпатлюются и затем окрашиваются либо оклеиваются обоями.
В качестве средства механизации используется краскопульт СО-22.
Для устройства дощатого пола применяется строгальная машина СО-40.
Благоустройство территории ведется с помощью бульдозера ………..
Ведомость подсчёта объёмов работ
Таблица - Ведомость подсчёта объёмов работ
Вид работ |
Схемы и формулы подсчёта |
Ед. изм. |
Кол-во |
||
1 |
2 |
3 |
4 |
||
I.Подземная часть |
|
|
|
||
I.Земляные работы |
|||||
1 .Предварительная планировка поверхности грунта |
Fпл=Апл×Bпл= (18+20)×(12+20)= =38×32=1216м2
|
1000м2 |
1,216 |
||
2 Срезка растительного слоя |
Fср.= =Fпл.×hcp=1216×0,2=243,2м3 |
1000м3 |
0,243 |
||
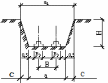
3. Разработка котлована экскаватором
|
а=А+2Вэл/2+2×0,5=18+2×0,8/2+2×0,5=19,8 (м); Н=2,4(м); m=0,54; с =Н×m=2,4×0,54=1,3(м); a1=a+2c=19,8+2×1,3= 22,4(м); b=В+2Вэл/2+2×0,5=12+2×0,8\2+2×0,5= 13,8(м) b1=13,8+2×1,3=16,4 (м); Vкот = Н/6×[(2×а+а1) b + (2×а1+а)×b1]=2,4/6×[(2× ×19,8+22,4)×13,8+(2×22,4+19,8)×16,4]= 766,02(м3) |
1000 м3 |
0,766 |
||
4.В том числе в самосвал: |
Vсам.=2/3× Vкот.=2/3×766,02=510,7 м³ |
1000 м3 |
0,510 |
||
5.В том числе в отвал: |
V отв. =1/3×Vкот.=1/3×766,02=255,34 м³ |
1000 м3 |
0,255 |
||
6. Доработка грунта вручную |
Vгр.вр=Vкот×0,07=766,02×0,07=53,6 м3 |
100 м3 |
0,53,6 |
||
7. Уплотнение грунта |
Fупл=Апл×Bпл×h=19,8×13,8×0,2=54,65м3 |
100 м3 |
0,547 |
||
8. Обратная засыпка грунта в пазухи |
V отв. =1/3×Vкот.=1/3×766,02=255,34 м³ |
1000 м3 |
0,255 |
||
II. Основания фундаментов |
|||||
9. Монтаж фундамента ленточного |
По спецификации ЖБК ФЛ1 10.24.3 9шт. 1380кг. 0,55м3 ФЛ2 8.24.3 24шт. 1150кг. 0,46м3 ФЛ3 8.12.3 1шт. 580кг. 0,23м3 |
100шт. |
0,34 |
||
Продолжение таблицы
1 |
2 |
3 |
4 |
10. Устройство МУ в фундаменте ленточном |
Sу.м.1 =УМ1(0,2×0,8) × 2=0,32 м2 Sу.м.2 =УМ2(0,47×0,8) × 4=1,504 м2 Sу.м.3= УМ3(0,47×1) =0,47 м2 Sу.м.4= УМ4(0,2×1)=0,2 м2 Vу.м=ΣSу.м×hф=(0,32+1,504+0,47+0,2)×0,3=0,75(м3) |
100м3 |
0,007 |
III.Конструкции подземной части |
|||
11. Монтаж блоков стен подвала |
По спецификации ЖБК ФБС1 24.6.6 72шт. 1960кг. 0,78м3 ФБС2 12.4.6 27шт. 1300кг. 0,52м3 ФБС6 12.4.3 198шт. 310кг. 0,12м3 ФБС4 12.4.6 3шт. 640кг. 0,256м3 |
100шт. |
3 |
12. Устройство МУ в блоках стен подвала |
Sу.м.1 =УМ1(0,2×0,8) × 2=0,32 м2 Sу.м.2 =УМ2(0,47×0,8) × 4=1,504 м2 Sу.м.3= УМ3(0,47×1) =0,47 м2 Sу.м.4= УМ4(0,2×1)=0,2 м2 Vу.м=ΣSу.м×hф=(0,32+1,504+0,47+0,2)×2,1=5,24(м3) |
100м3 |
0,05 |
13.Устройство горизонтальной гидроизоляции |
Fг.г.и.=Sфбс.1+Sфбс.2=28,48+21,024=49,5(м2)
|
100м2 |
0,495 |
14. Устройство вертикаль-ной гидроизоляции |
Fв.г.и.=Рнар.ст.×h=65,08×2,1=136,7 м2 |
100м2 |
1,38 |
17. Монтаж плит перекрытия, низ. на отметке-0,300 |
По спецификации ЖБК ПТМ 60.15.22-10,0 800 23шт. 2800кг. 1,12м3 |
100шт. |
0,23 |
18. Устройство монолитных участков, низ на отметке -0,300 из бетона класса С8/10 |
Vу.м=L×b×h=6×0,01×0,22=0,013м3 |
100м3 |
0,00013 |
II.Надземная часть |
IV.Кладка стен |
|
|
19. Кладка наружных стен 600мм из ячеистого бетона (1 этаж) |
Fcт = Pст×hэт - Fпр Pст.=19,2×2+12,94×2=64,28 (м) Fпр=ОК1(1810×1510)×9+ОК2(1360×1510) +ОК3 (760× ×1510)×2+ОК4(610×1510)+Д1(2070×1310)×3=38,0029 ( м2) Fcт = Pст×hэт - Fпр=64,28×3-38,0029=154,84(м2) V=Fст×0,6=154,84×0,6=92,9 м3 |
м3 |
90,9 |
23. Кладка внутренних стен из кирпича толщиной 380мм(1этаж) |
Fcт = Pст×hэт - Fпр Pст.=18+5,68=23,68 (м) Fпр=ДБ2(2070×1310)×2+ДВ1(910×2070)+2,9=10,21( м2) Fcт = Pст×hэт - Fпр=23,68×3-10,21=60,83(м2) V=Fст×0,38=60,83×0,38=23,12 м3 |
м3 |
23,12 |
Кладка перегородок из блоков ячеистого бетона толщиной 100 мм |
Pпер=47,158(м) Fпер = Pпер×hэт - Fпр Fпр=ДБ1(2070×910)×10=18,837 ( м2) Fпер = Pпер×hэт - Fпр=47,158×2,7-18,837=108,49(м2) |
м2 |
108,49 |
24. Кладка кирпичных перегородок толщиной 120 мм из кирпича керамического |
Fпер = Pпер×hэт - Fпр Pпер.=10,8 (м) Fпр= ДБ1(2070×910)+ДБ(2070×710)×3=6,29( м2) Fпер = Pпер×hэт - Fпр=10,8×2,7-6,29=22,83(м2) |
м2 |
22,83 |
Продолжение таблицы
1 |
2 |
3 |
4 |
27. Кладка перегородок из силикатных блоков толщиной 200 мм |
Fпер = Pспер×hэт - Fпр Pпер.=11,712 (м) Fпр=ДБ(1310×2070) ×3=8,16 (м2) Fпер = Pст×hэт - Fпр=11,712×2,7-8,16==23,49(м2) |
м3 |
23,49 |
Монтаж перемычек |
По спецификации ПБ22,5.30-15-3,5Я1 n=18 m=168,2 ПБ200.30-14-3,5Я1 n=8 m=149,3 ПБ130.30-18-3,5Я1 n=6 m=97 ПБ150.10-3,5Я1 n=10 m=39,5 ПБ200.20-13-3,5Я1 n=3 m=102,3 1ПБ16-1 n=1 m=30 1ПБ13-1 n=3 m=25 2ПБ19-3 n=2 m=81 2ПБ16-2 n=2 m=65 3ПБ18-8 n=4 m=119 3ПБ16-37 n=1 m=102
|
100шт |
0,6 |
Монтаж лестничных площадок |
По спецификации ЖБК ЛПФ25.13-5 1шт. 1080кг. 0,432 м3 |
100шт. |
0,01 |
16. Монтаж лестничных маршей |
По спецификации ЖБК 1ЛМ27.12.14-4 1шт. 1520кг. 0,61м3 |
100шт. |
0,01 |
Монтаж плит перекрытия, низ на отметке +2,700 |
По спецификации ЖБК ПТМ 60.15.22-10,0 800 23шт. 2800кг 1,12 м3 |
100шт |
0,23 |
18. Устройство монолитных участков, низ на отметке +2,700 из бетона класса С8/10 |
Vу.м=L×b×h=6×0,01×0,22=0,013м3 |
100м3 |
0,00013 |
24. Кладка наружных стен из ячеистого блока толщиной 600мм(2этаж) |
Fcт = Pст×hэт - Fпр Pст.=19,2×2+12,94×2=64,28 (м) Fпр=ОК1(1810×1510)×10+ОК2(1360×1510)+ОК3 (760× ×1510)×2+ОК5(1510×1510)+Д1(2070×1310) =30,1 ( м2) Fcт = Pст×hэт - Fпр=64,28×3-30,1=162,74(м2) V=Fст×0,6=162,74×0,6=97,64 м3 |
м3 |
97,64 |
25. Кладка внутренних стен из кирпича толщиной 380мм(2этаж) |
Fcт = Pст×hэт - Fпр Pст.=18+5,68=23,68 (м) Fпр=ДБ2(2070×1310)+ДВ1(910×2070) ×5=12,12( м2) Fcт = Pст×hэт - Fпр=23,68×3-12,12=58,92(м2) V=Fст×0,38=58,92×0,38=22,39 м3 |
м3 |
22,39 |
Кладка перегородок из блоков ячеистого бетона толщиной 100 мм |
Pпер=40,7(м) Fпер = Pпер×hэт - Fпр Fпр=ДБ1(2070×910)×8=15,1 ( м2) Fпер = Pпер×hэт - Fпр=40,7×2,7-15,1=94,8(м2) |
м2 |
94,8 |
24. Кладка кирпичных перегородок толщиной 120 мм из кирпича керамического |
Fпер = Pпер×hэт - Fпр Pпер.=11,17 (м) Fпр= ДБ1(2070×910)+ДБ(2070×710)×3=6,29( м2) Fпер = Pпер×hэт - Fпр=11,12×2,7-6,29=23,86(м2) |
м2 |
23,86 |
40. Монтаж перемычек
|
По спецификации ЖБК ПБ22,5.30-15-3,5Я1 n=24 m=168,2 ПБ200.30-14-3,5Я1 n=4 m=149,3 ПБ130.30-18-3,5Я1 n=4 m=97 ПБ150.10-3,5Я1 n=3 m=39,5 ПБ200.20-13-3,5Я1 n=1 m=102,3 1ПБ16-1 n=1 m=30 1ПБ13-1 n=4 m=25 2ПБ19-3 n=1 m=81 2ПБ16-2 n=10 m=65 3ПБ18-8 n=2 m=119 3ПБ16-37 n=5 m=102
|
100шт. |
0,59 |
16. Монтаж лестничных маршей |
По спецификации ЖБК 1ЛМ27.12.14.4 1шт. 1520кг. 0,61м3 |
100шт. |
0,01 |
44. Монтаж плит покрытия на отметке +5,700 |
По спецификации ЖБК ПТМ 60.15.22-10,0 800 23шт. 2800кг 1,12 м3 |
100шт. |
0,23 |
18. Устройство монолитных участков, низ на отметке +5,700 из бетона класса С8/10 |
Vу.м=L×b×h=6×0,01×0,22=0,013м3 |
100м3 |
0,00013 |
Кладка парапетной части стены |
Pпар =60 м Sкр.ст.=Pпар х 0,74=60х0.74=44,4м2 V=S х t=44,4 х 0,25=11,1 м3
|
м3 |
11,1 |
46. Монтаж козырьков входа |
По спецификации ЖБК КВ18.22-Б 2шт. 1050кг. 0,42м3 |
100 шт. |
0,02 |
VI. Устройство кровли |
|||
. Устройство разуклонки из керамзитабетона толщиной 150мм |
Fраз.=А×В Fраз.=18×12=216 м2 V=Fраз×b V=216×0,15=32,4 м3 |
м3 |
32,4 |
48. Устройство Ц.П.С, из раствора маркой М100, толщиной 20мм |
Fстяж. =216 м2
|
100м2 |
2,16 |
49. Устройство обмазоч-ной пароизоляции |
Fпар.=216м2
|
100м2 |
2,16 |
50. Устройство тепло-изоляции из минерало-ватных плит 200мм |
Fтепл. =216 м2
|
100м2 |
2,16 |
51. Устройство Ц.П.С, из раствора маркой М100 толщиной 35мм сяжки |
Fстяж.=216= м2
|
100м2 |
2,16 |
Огрунтовка поверхности составом «Cerezit», толщиной 0,55мм |
Fогр.=Fстяж |
100м2 |
2,16 |
Устройство рулонного ковра |
F=216×2=432м2
|
100м2 |
4,32 |
VII. Заполнение проёмов |
|||
55. Установка оконных блоков ПВХ |
ОК1=(1810×1510)× 20=54,7 м2 ОК2=(1360×1510)×2=4,11 м2 ОК3=(760×1510)× 4=4,59 м2 ОК4=(610×1510)=0,92 м2 ОК5=(1510×1510)=2,28 м2 Fок.=54,7+4,11+4,59+0,92+2,28 =66,6м2 |
100м2
|
0,67 |
Герметизация стыков между оконным блоком и стеной |
ОК1=((1510×2)+1810)×20=96,6м ОК2=((1510×2)+1360)×2=8,76м ОК3=((1510×2)+760)×4=15,12м ОК4=((1510×2)+610)×2=7,26м ОК5=((1510×2)+1510)×2=9,06м Lст.общ=96,6+8,76+15,12+7,26+9,26=136,8 |
100м |
1,37 |
56. Установка дверных блоков |
Д1=(2070×1310)×3=8,14 м2 Д2=(2070×1310)×7=18,98 м2 Д3=(2070×910)×20=37,67 м2 Д4=(2070×710)×7=10,29 м2 Fдв.=8,14+18,98+37+67+10,29 =75,1 м2 |
100м2 |
0,751 |
Герметизация стыков между дверным блоком и стеной |
Д1=((2070×2)+1310)×3=16,35м2 Д2=((2070×2)+1310)×7=38,15м2 Д3=((2070×2)+910)×20=101м2 Д4=((2070×2)+710)×7=33,95 м2 Lст.общ=16,35+38,15+101+33,95=189,45м |
100м |
1,9 |
57. Установка отливов |
Lотл.=(1,81+0,14)×20+(1,36+0,14)×2+(0,76+0,14)×4+(0,61+0,14)+(1,51+0,14)=48м |
100м |
0,48 |
58. Установка подоконных досок |
Lпод.д.= Lотл=48м |
100м |
0,48 |
VIII. Устройство полов |
|||
|
Пол техподполья |
|
|
59. Уплотнение грунта щебнем |
Fуп. =А×В.=182,34 |
100м2 |
1,82 |
60. Устройство бетонной подготовки |
Fбет.под. =А×В.=182,34 м2 Vбет.под=Fбет.под×0,1=182,34×0,1=18,23м3 |
100м3 |
0,182 |
62. Устройство Ц.П.С |
Fст. =А×В.=182,34м2 |
100м2 |
1,82 |
Полы в помещении (из экспликации полов) |
|||
63. Полы из керамической плитки |
а) устройство цементно-песчаной стяжки: Fцпс.= 205,42м2 б)устройство покрытий пола плиткой «Керамин»: Fкер= 205,42м2 в) устройство керамического плинтуса: Lпл.= 219,652м |
100м2 |
2,054 |
64. Полы из ламината |
а) устройство цементно-песчаной стяжки: Fцпс.= 83м2 б) устройство прокладки из вспененного полиэтилена: Fпр.= 83м2 в)устройство покрытий пола ламината «Tarkett VINTAGE» Fлам= 83м2 г) устройство пластикового плинтуса: Lпл.=81,47м |
100м2 |
0,83 |
Полы из линолеума |
а) устройство цементно-песчаной стяжки: Fцпс.= 60,13м2 б)устройства покрытия пола из линолеума Fпокр= 60,13м2 д) устройство пластикового плинтуса: Lпл.= 71,604м |
100м2 |
0,613 |
IX. Внутренняя отделка |
|||
66. Окраска потолка акриловыми составами |
Из ведомости внутренней отделки F=357,3м2 |
100м2 |
3,573 |
68. Улучшенная штукатурка стен |
Из ведомости внутренней отделки F=964,75м2 |
100м2 |
9,65 |
70. Облицовка стен керамической плиткой |
Из ведомости внутренней отделки F=100,7м2 |
100м2 |
1,007 |
71. Окраска стен акрило-выми составами |
Из ведомости внутренней отделки F=493,85м2 |
100м2 |
4,94 |
72. Оклейка стен обоями |
Из ведомости внутренней отделки F=370,2м2 |
100м2 |
3,7 |
XX.Наружная отделка |
|||
Улучшенная штукатурка наружных стен растворам сложного состава |
Fшт= Fст=317,58 |
100м2 |
3,18 |
Улучшенная окраска фасада силикатными составами |
Fокр= Fшт=317.58 |
100м2 |
3,18 |
Оштукатуривание цоколя известково-цементным раствором |
Fштцок=Рст× hцок Fштцок=216×0,3=64,8 |
100м2 |
0,65 |
Окраска цоколя силикатными составами |
Fокр =Fштцок=64,8 |
100м2 |
0,65 |
XXI.Прочие работы |
|||
76. Устройство основания под отмостку |
Fосн=Pcт×0,9=216×0,9=194,4м2 |
100м2 |
1,94 |
77. Укладка асфальто-бетонного покрытия отмостки |
Vотм= 194,4×0,15=29,16м3 |
м3 |
29,16 |
