Задания расчетно-графической работы № 3 Задача 1
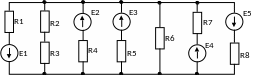
Произвести расчет токов в ветвях цепи и определить их направления методом узловых потенциалов. Произвести проверку расчета выполнением баланса мощностей. Параметры элементов цепи приведены в Таблице 1.
Таблица 1
№ Вар |
1 |
2 |
3 |
4 |
5 |
6 |
7 |
8 |
9 |
10 |
R1, кОм |
0,15 |
0,53 |
0,35 |
0,5 |
0,2 |
0,41 |
0,52 |
0,45 |
0,14 |
0,55 |
R2, кОм |
0,23 |
0,42 |
0,25 |
0,36 |
0,47 |
0,6 |
0,64 |
0,56 |
0,24 |
0,74 |
R3, кОм |
0,55 |
0,4 |
0,1 |
0,35 |
0,33 |
0,43 |
0,14 |
0,78 |
0,27 |
0,35 |
R4, кОм |
0,42 |
0,33 |
0,15 |
0,74 |
0,45 |
0,36 |
0,3 |
0,65 |
0,64 |
0,57 |
R5, кОм |
0,17 |
0,46 |
0,25 |
0,36 |
0,47 |
0,47 |
0,52 |
0,43 |
0,86 |
0,79 |
R6, кОм |
0,22 |
0,85 |
0,65 |
0,2 |
0,58 |
0,35 |
0,59 |
0,15 |
0,97 |
0,69 |
R7, кОм |
0,3 |
0,53 |
0,52 |
0,35 |
0,42 |
0,85 |
0,36 |
0,16 |
0,4 |
0,94 |
R8, кОм |
0,74 |
0,5 |
0,85 |
0,47 |
0,41 |
0,35 |
0,56 |
0,8 |
0,33 |
0,64 |
Е1, В |
12 |
35 |
5 |
10 |
8 |
30 |
35 |
28 |
20 |
35 |
Е2, В |
10 |
30 |
14 |
12 |
24 |
25 |
27 |
83 |
24 |
57 |
Е3, В |
15 |
25 |
35 |
23 |
64 |
10 |
57 |
46 |
25 |
10 |
Е4, В |
25 |
10 |
75 |
45 |
35 |
15 |
83 |
25 |
25 |
15 |
Е5, В |
30 |
10 |
75 |
25 |
13 |
15 |
45 |
10 |
40 |
5 |
Задача 2
Произвести расчет токов в ветвях цепи и определить их направления методом двух узлов. Осуществить проверку расчета с помощью I-го закона Кирхгофа для любого узла. Параметры элементов цепи приведены в Таблице 2.
Таблица 2
№ Вар |
1 |
2 |
3 |
4 |
5 |
6 |
7 |
8 |
9 |
10 |
R1, Ом |
3 |
4 |
7 |
5 |
6 |
7 |
6 |
7 |
8 |
9 |
R2, Ом |
4 |
7 |
5 |
3 |
3 |
4 |
3 |
5 |
6 |
8 |
R3, Ом |
5 |
5 |
3 |
5 |
4 |
3 |
5 |
3 |
6 |
7 |
R4, Ом |
8 |
9 |
8 |
4 |
2 |
7 |
4 |
4 |
5 |
3 |
R5, Ом |
5 |
6 |
9 |
9 |
7 |
9 |
1 |
5 |
3 |
4 |
R6, Ом |
9 |
2 |
4 |
7 |
5 |
8 |
3 |
6 |
3 |
5 |
R7, Ом |
2 |
5 |
2 |
5 |
9 |
3 |
6 |
7 |
4 |
6 |
R8, Ом |
4 |
6 |
7 |
6 |
7 |
6 |
8 |
8 |
5 |
3 |
Е1, мВ |
51 |
37 |
25 |
22 |
38 |
45 |
36 |
23 |
53 |
26 |
Е2, мВ |
84 |
46 |
74 |
74 |
54 |
33 |
52 |
36 |
43 |
14 |
Е3, мВ |
32 |
52 |
33 |
46 |
66 |
20 |
41 |
12 |
25 |
30 |
Е4, мВ |
64 |
95 |
20 |
36 |
24 |
55 |
85 |
50 |
64 |
46 |
Е5, мВ |
86 |
55 |
59 |
28 |
44 |
72 |
14 |
44 |
40 |
69 |
