- •Абсолютно максимальные параметры:
- •Электрические характеристики:
- •Номинальные рабочие характеристики.
- •Рекомендации по применению.
- •Информация о приложениях
- •Определение двойной полярности выходного напряжения
- •Выключение и синхронизация
- •Температурные требования
- •Выбор индуктивности
- •Выходной конденсатор
- •Входные конденсаторы
- •Керамический конденсатор
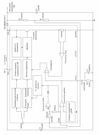
- •Структурные динамические модели повышающего ппн
МИНИСТЕРСТВО ОБРАЗОВАНИЯ И НАУКИ
РОССИЙСКОЙ ФЕДЕРАЦИИ
Федеральное Государственное Бюджетное Образовательное Учреждение Высшего Профессионального Образования «Чувашский государственный университет имени И. Н. Ульянова»
Курсовая работа по дисциплине «Источники вторичного электропитания»
«Повышающий преобразователь напряжения на базе микросхемы LT1371»
Выполнил:
ст. гр. РТЭ-31-11
Шибаев А.В.
Проверил:
Белов Г.А.
Чебоксары 2014
LT1371
Высокоэффективный преобразователь напряжения
с фиксированной частотой 500 кГц на ток 3 А
Характеристики:
Быстрое переключение с высоким КПД
Использование малых индуктивностей: 4,7мкГн
Все компоненты поверхностного монтажа
Малое потребление напряжение питания: 2,7В
Ток покоя: 4мА
Ток переключения ограниченной мощностью: 3А
Регулирование положительного или отрицательного выхода
Ток питания для отключения: 12мА
Простая внешняя синхронизация
Применение:
Повышающий преобразователь
Питание для портативного компьютера
Многоходовой обратноходовой преобразователь
Инвертор питания
Описание:
LT1371 представляет собой микросхему для управления высокочастотным импульсным регулятором в режиме токового управления. Она может работать во всех стандартных режимах переключения, включая режимы усиления, ослабления, обратного хода, прямого хода, инвертирования и «Cok.». Компаратор с высоким КПД на 3А сформирован внутри микросхемы наряду со всеми генераторами, цепями управления и защиты. LT1371, как правило, потребляет только 4мА постоянного тока и имеет более высокий КПД, чем предыдущие серии. Благодаря высокой частоте переключения, требуется дроссели с небольшой индуктивностью. Новые методы проектирования повышают гибкость и обеспечивают простоту применения. Переключение легко синхронизируется внешним источником логического уровня. Низкий логический уровень снижет ток питания до 12мкА вывода отключения. Уникальная схема усилителя ошибки может управляться положительным или отрицательным выходным напряжением, поддерживая простые методы компенсации частоты. Нелинейная крутизна транскондуктивного усилителя ошибки уменьшает выходной выброс при запуске или при защите от перезагрузки. Генератор делителя частоты защищает внешние компоненты в условиях перезагрузки.
КПД(%)
Выходной
ток(А)
Рис. 1. Зависимость КПД от выходного тока
Абсолютно максимальные параметры:
Напряжение питания……………………………………………………….... 30В
Напряжение включения
LT1371……………………………………………….……...…… 35В
LT1371HV…………………………………………..…………..... 42В
Напряжение
S/S,
(
),
SYNC
выводов…………………………………... 30В
Напряжение вывода обратной связи (переходной процесс, 10мс)……... ±10В
Ток вывода обратной связи…………………………………………….. 10мА
Напряжение вывода отрицательной обратной связи (переходной процесс, 10мс)………………………………………………………………………….. ±10В
Рабочий
диапазон температуры окружающей
среды…………. от10
до
70
Переходной диапазон температуры
Коммерческий……………………………….......... от 0 до 125
Производственный……………………………… от -40 до 125
Короткое замыкание…………………………….… от 0 до 125
Диапазон температуры при хранении………….….…....от -65 до 125 Допустимая температура (пайка, 10с)….………………............................ 300
Электрические характеристики:
=5В,
=0,6В,
,
,
,
,
и NFB
выводы открыты, если нет указанных
значений
Обозначение параме тра |
Параметры |
Режимы измерения |
Мин |
Тип |
Макс |
Размерность |
|
Опорное напряжение |
Измерения из вывода ОС
|
1,23
1,21 |
1,25
1,25 |
1,26
1,29 |
В
В |
|
Выходной ток обратной связи(ОС) |
|
|
250
|
550 900 |
нА |
|
Отклонение опорного напряжения |
|
|
0,01 |
0,03 |
%/В |
|
Опорное напряжение отрицательной ОС |
Измерения из вывода отрицательной ОС При открытом выводе ОС |
-2,54
-2,57 |
-2,49
-2,49 |
-2,44
-2,41 |
В
В |
|
Выходной ток отрицательной ОС |
|
3,23 4,9 |
3,33 5,05 |
3,43 5,20 |
В В |
|
Отклонение опорного напряжения отрицательной ОС |
|
|
0,01 |
0,05 |
%/В |
|
Крутизна усилителя ошибки(УО) |
|
1100 700 |
1500
|
1900 2300 |
|
|
Вытекающий ток в УО |
|
120 |
200 |
350 |
мкА |
|
Втекающий ток в УО |
|
|
1400 |
2400 |
мкА |
|
Напряжение на зажимах УО |
Верхний
зажим, Нижний
зажим,
|
1,7
0,25
|
1,95
0,4
|
2,3
0,52
|
В
В
|
|
Коэффициент усиления УО |
|
|
500 |
|
|
|
Частота переключения |
|
450
430
400 |
500
500
|
550
580
580 |
кГц
кГц
кГц |
|
Максимальный рабочий цикл |
|
85 |
95 |
|
% |
|
Предельное время блокирования переключающегося тока |
|
|
130 |
260 |
нс |
|
Выходное сопротивление включенном состоянии |
|
|
0,25 |
0,45 |
Ом |
|
Предельный переключающий ток |
Рабочий цикл = 50% Рабочий цикл = 80%1 |
3,0 2,6 |
3,8 3,4 |
5,4 5,0 |
А А |
|
Минимальное входное напряжение |
|
|
2,4 |
2,7 |
В |
|
Ток, потребляемы от источника питания |
|
|
4 |
5,5 |
мА |
|
Порог отключения |
|
0,6 |
1,3 |
2 |
В |
|
Задержка отключения |
|
5 |
12 |
25 |
Мкс |
|
Диапазон частоты синхронизации |
|
600 |
|
800 |
кГц |
а)
б)
Рис. 3. Упрощенная модель повышающего преобразователя и временные диаграммы.
