- •Методические указания к выполнению лабораторных работ по дисциплине «технология и оборудование сварки давлением»
- •(Шифр опп пп.03.02)
- •6. Контрольные вопросы:
- •7. Список литературы:
- •1 Цели работы:
- •2 Дидактическое и методическое обеспечение:
- •3 Последовательность выполнения работы:
- •4 Правила по технике безопасности и пожарной безопасности:
- •5 Основные теоретические положения:
- •4. Правила по технике безопасности и пожарной безопасности:
- •5. Основные теоретические положения:
- •4 Правила по технике безопасности и пожарной безопасности:
- •5 Основные теоретические положения:
- •6 Контрольные вопросы:
- •4 Правила по технике безопасности и пожарной безопасности:
- •5 Основные теоретические положения:
- •4 Правила по технике безопасности и пожарной безопасности:
- •5 Основные теоретические положения:
- •6 Контрольные вопросы:
- •7 Список литературы:
Харцызский металлургический техникум
Государственного высшего учебного заведения
«Донецкий национальный технический университет»
Утверждаю
Заместитель директора по УР
_____________ Г.В. Фаустова
«______» ___________ 2015г.
Методические указания к выполнению лабораторных работ по дисциплине «технология и оборудование сварки давлением»
ПП03.02
ДЛЯ СТУДЕЕНТОВ ДНЕВНОГО ОТДЕЛЕНИЯ
направление подготовки 6.050504 «Сварка»________________
(шифр и название направления подготовки)
специальность 5.05050401 «Сварочное производство»
(шифр и название специальности)
Образовательно – младший специалист_______________
квалификационный уровень (называние образовательно-квалификационного уровня)
(Шифр опп пп.03.02)
г. Харцызск
2015
Методические указания к выполнению лабораторных работ по дисциплине «Технология и оборудование сварки давлением» для студентов дневного отделения направления подготовки 6.050504 «Сварка», специальности 5.05050401 «Сварочное производство». 2015 г. – 40 стр.
Разработчик: Иванченко Валентина Ивановна – преподаватель, специалист высшей категории Харцызского металлургического техникума Государственного высшего учебного заведения Донецкий национальный технический университет»
_____________
(подпись)
Методические указания к выполнению лабораторных работ
рассмотрены и утверждены на заседании цикловой комиссии
специальных сварочных дисциплин
Протокол № _______ от «_____» _____________ 2015г
Председатель цикловой комиссии _________ А.В. Вилькос____
(подпись) (фамилия, инициалы)
Содержание
Лабораторная работа № 1
ТЕМА: Проведение опыта холостого хода и короткого замыкания контактной машины.
Лабораторная работа № 2
ТЕМА: Выполнение точечной сварки низкоуглеродистой стали на машине общего применения, МТ – 604. Определение влияния параметров режима на качество сварки.
Лабораторная работа № 3
ТЕМА: Выполнение шовной сварки низкоуглеродистой стали на машине общего применения, МШ – 1001. Определение влияния параметров режима на качество сварки.
Лабораторная работа № 4
ТЕМА: Выполнение стыковой сварки сопротивлением и оплавлением углеродистой стали на машине МС – 502. Определение влияния параметров режима сварки на ее качество.
Лабораторная работа № 5
ТЕМА: Изучение конструкции точечной машины МТ – 604, выбор ее параметров и снятие характеристик.
Лабораторная работа № 6
ТЕМА: Изучение конструкции шовной машины МШ – 1001, выбор ее параметров и снятие характеристик.
Лабораторная работа № 7
Тема: Изучение конструкции стыковой машины МС – 502, выбор ее параметров и снятие характеристик.
Лабораторная работа № 1
ТЕМА: Проведение опыта холостого хода и короткого замыкания контактной машины
1. Цели работы:
1.1 Провести опыт холостого хода и короткого замыкания контактной машины
1.2 Приобрести первоначальные навыки работы с контактной машиной
1.3 Пробудить чувства ответственности;
1.4 Развивать интерес к самостоятельной деятельности на занятии.
Время выполнения: 2 часа
2. Дидактическое и методическое обеспечение:
2.1 Методические указания по выполнению работы;
2.2 Паспорт точечной машины МТ – 604;
2.3 Плакат – «Схемы контуров контактной машины»;
2.4 Оборудование – точечная машина МТ – 604;
2.5 Справочная литература.
3. Последовательность выполнения работы:
3.1 Изучить правила по технике безопасности и пожарной безопасности при выполнении работы;
3.2 Изучить и кратко законспектировать теоретические положения по данной работе;
3.3 Провести опыт холостого хода;
3.4 Провести опыт короткого замыкания;
3.5 Построить нагрузочную характеристику машины;
3.6 Ответить на контрольные вопросы;
3.7 Составить отчет.
4. Правила по технике безопасности и пожарной безопасности:
4.1 Не включать машину без разрешения преподавателя;
4.2 Не прикасаться к токоведущим частям оборудования;
4.3 Не выполнять иных действий, не предусмотренных данной лабораторной работой.
5. Основные теоретические положення:
Опыты холостого хода и короткого замыкания характеризуют работу силового трансформатора машины в предельных режимах нагрузки: при отсутствии нагрузки (I2=0) и при номинальном токе вторичной обмотки (I2=I2n).
Для испытания трансформатора служит опыт холостого хода и опыт короткого замыкания.
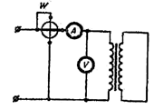
При опыте холостого хода трансформатора (рис. 1) его вторичная обмотка разомкнута и тока в этой обмотке нет (I2=0).
Если первичную обмотку трансформатора включить в сеть источника электрической энергии переменного тока, то в этой обмотке будет протекать ток холостого хода I0, который представляет собой малую величину по сравнению с номинальным током трансформатора. В трансформаторах больших мощностей ток холостого хода может достигать значений порядка 5 – 10% номинального тока. В трансформаторах малых мощностей этот ток достигает значения 25 – 30% номинального тока. Ток холостого хода I0 создает магнитный поток в магнитопроводе трансформатора. Для возбуждения магнитного потока трансформатор потребляет реактивную мощность из сети. Активная мощность, потребляемая трансформатором при холостом ходе, расходуется на покрытие потерь мощности в магнитопроводе, обусловленных гистерезисом и вихревыми токами.
Так как реактивная мощность при холостом ходе трансформатора значительно больше активной мощности, то коэффициент мощности cos φ его весьма мал и обычно равен 0,2-0,3.
Рисунок 1 – Схема опыта холостого хода
По данным опыта холостого хода трансформатора определяется сила тока холостого хода I0, потери в стали сердечника Рст и коэффициент трансформации К.
Силу тока холостого хода I0 измеряет амперметр, включенный в цепь первичной обмотки трансформатора.
При испытании трехфазного трансформатора определяется фазный ток холостого хода.
О потерях в стали сердечника Pст судят по показаниям ваттметра, включенного в цепь первичной обмотки трансформатора.
Коэффициент трансформации трансформатора равен отношению показаний вольтметров, включенных в цепь первичной и вторичной обмоток.
При коротком замыкании вторичной обмотки сопротивление трансформатора очень мало и ток короткого замыкания во много раз больше номинального. Такой большой ток вызывает сильный нагрев обмоток трансформатора и приводит к выходу его из строя.
При опыте короткого замыкания (рис. 2) вторичная обмотка трансформатора замкнута накоротко, т. е. напряжение на зажимах вторичной обмотки равно нулю. Первичная обмотка включается в сеть с таким пониженным напряжением, при котором токи в обмотках равны номинальным. Такое пониженное напряжение называется напряжением короткого замыкания и обычно равно 5,5% от номинального значения.
По данным опыта короткого замыкания определяется напряжение короткого замыкания uк, %, его активная uа,% и реактивная ux % составляющие, потери на нагревание обмоток трансформатора Pобм при номинальной нагрузке и активное, реактивное и полное сопротивления трансформатора при коротком замыкании rk, xk и zk.
Рисунок 2 – Схема опыта короткого замыкания
Потери в обмотках указываются ваттметром. Активное, реактивное и полное сопротивления короткого замыкания трансформатора определяются выражением 1.
Zk = Uk / I
rk = Pk / I2 (1)
xk
=
Zk2
– rk2
где Uk, I и Pk – напряжение, сила тока, мощность, указываемые измерительными приборами, включенными в цепь первичной обмотки трансформатора.
При испытании трехфазного трансформатора следует в приведенных выше выражениях подставить фазные значения напряжения, тока и мощности.
Напряжение короткого замыкания и его активная и реактивная составляющие равны:
(2)
где Uн и Iн — номинальные напряжения и сила тока вторичной (первичной) обмотки трансформатора.
Таблица 1.1
Результаты опыта холостого хода
№ ступени |
Опытные данные |
Расчетные данные |
|||||||
|
U1, B |
I0, A |
P0, кВт |
U20, В |
KT=U1/U20 |
I2K=U20/Z2MK А |
I1K=I2K/KT А |
SM=U1*I1K кВА |
|
1 |
|
|
|
|
|
|
|
|
|
2 |
|
|
|
|
|
|
|
|
|
Таблица 1.2
Результаты опыта короткого замыкания
№ ступени |
Опытные данные |
Расчетные данные |
||||||||||
|
U1к, B |
I1к, A |
P1к, кВт |
сosψк |
Приведенные к первичной цепи |
Приведенные к вторичной цепи |
sinψк |
|||||
Z1мк |
R 1мк |
X1м |
Z2мк |
R2мк |
X2м |
|||||||
1 |
|
|
|
|
|
|
|
|
|
|
|
|
2 |
|
|
|
|
|
|
|
|
|
|
|
|
сosψк = P1к / I1к* U1к;
Z1мк = U1к / I1к;
R 1мк = Z1мк - сosψк
Х1м = Z1мk2 – R1мк2;
Z2мк = Z1мк / Кт2;
R2мк = R 1мк / Кт2;
X2м = X1м / Кт2;
sinψк = X1м / Z1мк = X2м / Z1мк
Таблица 1.3
Данные для построения внешней характеристики машины
№ ступени |
U20, В |
I2, A |
U2= α*U20, В |
I2= β* I2к, A |
1 |
|
|
|
|
|
|
|||
|
|
|||
2 |
|
|
|
|
|
|
|||
|
|
Iкэ
Rээ
