Экзамен Техническая защита информации
Автор: А.В.Фрязинов
Задание #1
Вопрос:
Сопоставьте термины и определения
Укажите соответствие для всех 3 вариантов ответа:
1) объект ТС ОПИ __ системы и средства, непосредственно обрабатывающие конфиденциальную информацию и информацию, относящуюся к категории государственной тайны
2) технические средства (устройства) обработки и передачи информации (ТС ОПИ) __ технические средства, предназначенные для обработки конфиденциальной информации, включая помещения, в которых они размещаются
3) вспомогательные технические средства и системы (ВТСС)
__ технические средства и системы, не входящие в состав ТС ОПИ, но территориально находящиеся в помещениях обработки секретной и конфиденциальной информации
Задание #2
Вопрос:
Техническая защита информации - это...
Выберите один из 3 вариантов ответа:
1) защита информации, заключающаяся в обеспечении некриптографическими методами безопасности информации (данных), подлежащей (подлежащих)защите в соответствии с действующим законодательством, с применением технических, программных и программно-технических средств
2) защита информации путем применения организационных мероприятий и совокупности средств, создающих препятствия для проникновения или доступа неуполномоченных физических лиц к объекту защиты
3) защита информации, направленная на предотвращение неконтролируемого распространения защищаемой информации в результате ее разглашения и несанкционированного доступа к ней
Задание #3
Вопрос:
Защита информации от утечки - это...
Выберите один из 3 вариантов ответа:
1) защита информации, направленная на предотвращение неконтролируемого распространения защищаемой информации в результате ее разглашения и несанкционированного доступа к ней, а также на исключение (затруднение) получения защищаемой информации [иностранными] разведками и другими заинтересованными субъектами
2) защита информации, направленная на предотвращение несанкционированного доведения защищаемой информации до заинтересованных субъектов (потребителей), не имеющих права доступа к этой информации
3) защита информации, направленная на предотвращение получения защищаемой информации заинтересованными субъектами с нарушением установленных нормативными и правовыми документами (актами) или обладателями информации прав или правил разграничения доступа к защищаемой информации
Задание #4
Вопрос:
Сопоставьте термины и определения
Укажите соответствие для всех 3 вариантов ответа:
1) объект информатизации, предназначенный для обработки защищаемой информации с требуемым уровнем ее защищенности __ защищаемый объект информатизации
2) физическое лицо или материальный объект, в том числе физическое поле, в котором информация находит свое отражение в виде символов, образов, сигналов, технических решений и процессов, количественных характеристик физических величин __ носитель защищаемой информации
3) информация, являющаяся предметом собственности и подлежащая защите в соответствии с требованиями правовых документов или требованиями, устанавливаемыми собственником информации
__ защищаемая информация
Задание #5
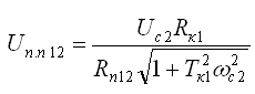
Вопрос:
Сопоставьте термины и определения
Укажите соответствие для всех 3 вариантов ответа:
1) ток и напряжение в токопроводящих элементах, вызванные электромагнитным излучением, емкостными и индуктивными связями __ наводка
2) электромагнитное излучение, наблюдаемое при работе технических средств обработки информации __ побочное электромагнитное излучение
3) электромагнитное излучение, являющееся результатом паразитной генерации в электрических цепях технических средств обработки информации __ паразитное электромагнитное излучение
Задание #6
Вопрос:
Техническое средство (устройство) приема, передачи и обработки информации, преднамеренно устанавливаемое на объекте информатизации или в контролируемой зоне в целях перехвата информации или несанкционированного воздействия на информацию и (или) ресурсы автоматизированной информационной системы - это...
Выберите один из 3 вариантов ответа:
1) закладочное средство (устройство)
2) программная закладка
3) вредоносная программа
Задание #7
Вопрос:
Технический канал утечки информации (ТКУИ) - это...
Выберите один из 3 вариантов ответа:
1) совокупность объекта разведки, технического средства разведки (TCP) и физической среды, в которой распространяется информационный сигнал
2) субъект (физическое лицо, материальный объект или физическое явление), являющийся непосредственной причиной возникновения угрозы безопасности информации
3) информация или носитель информации, или информационный процесс, которые необходимо защищать в соответствии с целью защиты информации
Задание #8
Вопрос:
Укажите технические каналы утечки информации, обрабатываемой ТСПИ
Укажите место на изображении:
Задание #9
Вопрос:
Укажите технические каналы утечки информации, при передаче ее по каналам связи
Укажите место на изображении:
Задание #10
Вопрос:
Укажите технические каналы утечки речевой информации
Укажите место на изображении:
Задание #11
Вопрос:
Укажите технические каналы утечки утечки видовой информации
Укажите место на изображении:
Задание #12
Вопрос:
Электромагнитный канал утечки информации, обрабатываемой ТСПИ обусловлен...
Выберите один из 3 вариантов ответа:
1) побочными информативными электромагнитными излучениями основных технических средств обработки информации
2) наводками электромагнитных излучений ТСПИ на соединительные линии ВТСС и посторонние проводники, выходящие за пределы контролируемой зоны
3) переизлучением электромагнитного поля при воздействии облучающего электромагнитного поля на элементы ТСПИ
Задание #13
Вопрос:
Электрический канал утечки информации, обрабатываемой ТСПИ обусловлен...
Выберите один из 3 вариантов ответа:
1) наводками электромагнитных излучений ТСПИ на соединительные линии ВТСС и посторонние проводники, выходящие за пределы контролируемой зоны
2) побочными информативными электромагнитными излучениями основных технических средств обработки информации
3) переизлучением электромагнитного поля при воздействии облучающего электромагнитного поля на элементы ТСПИ
Задание #14
Вопрос:
Параметрический канал утечки информации, обрабатываемой ТСПИ обусловлен...
Выберите один из 3 вариантов ответа:
1) переизлучением электромагнитного поля при воздействии облучающего электромагнитного поля на элементы ТСПИ
2) побочными информативными электромагнитными излучениями основных технических средств обработки информации
3) наводками электромагнитных излучений ТСПИ на соединительные линии ВТСС и посторонние проводники, выходящие за пределы контролируемой зоны
Задание #15
Вопрос:
Что НЕ ОТНОСИТСЯ к электромагнитным каналам утечки информации, обрабатываемой ТС ОПИ?
Выберите один из 4 вариантов ответа:
1) наводки электромагнитных излучений ТС ОПИ на соединительные линии ВТСС и посторонние проводники
2) излучения элементов ТС ОПИ
3) излучения на частотах работы высокочастотных генераторов ТС ОПИ
4) излучения на частотах самовозбуждения усилителей низкой частоты ТС ОПИ
Задание #16
Вопрос:
Что НЕ ОТНОСИТСЯ к электрическим каналам утечки информации, обрабатываемой ТС ОПИ?
Выберите один из 4 вариантов ответа:
1) переизлучение электромагнитного поля при воздействии облучающего электромагнитного поля на элементы ТС ОПИ
2) наводки электромагнитных излучений ТС ОПИ на соединительные линии ВТСС и посторонние проводники
3) просачивание информационных сигналов в цепи электропитания ТС ОПИ
4) просачивание информационных сигналов в цепи заземления ТС ОПИ
Задание #17
Вопрос:
Сопоставьте термины и определения
Укажите соответствие для всех 2 вариантов ответа:
1) распределенная случайная антенна
__ длинные линии: кабели, провода, металлические трубы и другие токопроводящие устройства
2) сосредоточенная случайная антенна __ техническое средство небольшого объема, например телефонный аппарат, громкоговоритель радиотрансляционной сети, реле и т.д.
Задание #18
Вопрос:
Сопоставьте термины и определения
Укажите соответствие для всех 4 вариантов ответа:
1) зона, в которой возможен перехват побочных электромагнитных излучений с помощью разведывательного приемника с последующей расшифровкой содержащейся в них информации__ опасная зона 2
2) зона с возможностью перехвата разведывательным оборудованием побочных электромагнитных излучений, содержащих конфиденциальную информацию __
опасная зона
3) зона с пропускной системой__ контролируемая зона
4) пространство вокруг ТС ОПИ, в котором на случайных антеннах наводится информационный сигнал выше допустимого уровня__ опасная зона 1
Задание #19
Вопрос:
Сопоставьте параметры линий связи
Укажите соответствие для всех 4 вариантов ответа:
1) вторичные параметры линии связи__ погонная индуктивность и погонная емкость
__ погонное сопротивление потерь и погонная проводимость линии
2) первичные параметры линии связи__ волновое сопротивление
__ коэффициент укорочения волны в линии
Задание #20
Вопрос:
На рисунке представлены:
Изображение:
Выберите один из 3 вариантов ответа:
1) двухпроводные симметричные линий связи
2) несимметричные однопроводные линий связи
3) волоконно-оптические линии связи
Задание #21
Вопрос:
На рисунке представлены:
Изображение:
Выберите один из 3 вариантов ответа:
1) несимметричные однопроводные линий связи
2) двухпроводные симметричные линий связи
3) волоконно-оптические линии связи
Задание #22
Вопрос:
При увеличении растояния между двумя линиями связи (А) их взаимная индуктивность:
Изображение:
Выберите один из 4 вариантов ответа:
1) уменьшается по квадратичной зависимости
2) уменьшается линейно
3) увеличивается линейно
4) увеличивается по квадратичной зависимости
Задание #23
Вопрос:
При увеличении длинны линий связи их взаимная индуктивность:
Изображение:
Выберите один из 4 вариантов ответа:
1) увеличивается линейно
2) уменьшается линейно
3) уменьшается по квадратичной зависимости
4) увеличивается по квадратичной зависимости
Задание #24
Вопрос:
При увеличение угла альфа от 0 до 90 градусов для линий связи, лежащих в параллельных (а) плоскостях их взаимная индуктивность:
Изображение:
Выберите один из 3 вариантов ответа:
1) уменьшается
2) увеличивается
3) не изменяется
Задание #25
Вопрос:
При увеличение угла альфа от 0 до 90 градусов для линий связи, лежащих во взаимно перпендикулярных плоскостях (б) их взаимная индуктивность:
Изображение:
Выберите один из 3 вариантов ответа:
1) увеличивается
2) уменьшается
3) не изменяется
Задание #26
Вопрос:
При увеличении растояния между проводниками (b1 или b2) в линиях связи их взаимная индуктивность:
Изображение:
Выберите один из 3 вариантов ответа:
1) увеличивается
2) уменьшается
3) не изменяется
Задание #27
Вопрос:
От чего НЕ ЗАВИСИТ взаимная индуктивность двух одиночных проводов
Изображение:
Выберите один из 4 вариантов ответа:
1) от проводимости проводов
2) от длины проводов (l)
3) от растояния между проводами (A)
4) от магнитной постоянной среды, в которой расположены проводники линии
Задание #28
Вопрос:
При увеличении длины проводов (l) взаимная индуктивность двух одиночных проводов
Изображение:
Выберите один из 3 вариантов ответа:
1) увеличивается
2) уменьшается
3) не изменяется
Задание #29
Вопрос:
При увеличении растояния между проводами (А) взаимная индуктивность двух одиночных проводов
Изображение:
Выберите один из 3 вариантов ответа:
1) уменьшается
2) увеличивается
3) не изменяется
Задание #30
Вопрос:
На рисунке представлена формула для расчета помехи:
Изображение:
Выберите один из 3 вариантов ответа:
1) при внешней емкостной параллельной паразитной связи между двумя каналами
2) при внешней резистивной параллельной паразитной связи между двумя каналами
3) при последовательной паразитной связи через паразитную взаимную индуктивность
Задание #31
Вопрос:
На рисунке представлена формула для расчета помехи:
Изображение:
Выберите один из 3 вариантов ответа:
1) внешней параллельной емкостной паразитной связи
2) паразитной связи из-за взаимной индуктивности между проводами
3) паразитной связи через посторонний провод
Задание #32
Вопрос:
На рисунке представлена формула для расчета помехи:
Изображение:
Выберите один из 3 вариантов ответа:
1) паразитной связи из-за взаимной индуктивности между проводами
2) внешней параллельной емкостной паразитной связи
3) паразитной связи через посторонний провод
Задание #33
Вопрос:
Увеличение частоты гармонического сигнала во втором канале (ωс2) при внешней емкостной параллельной паразитной связи между двумя каналами:
Изображение:
Выберите один из 3 вариантов ответа:
1) приводит к возрастанию помехи в первом канале
2) приводит к снижению помехи в первом канале
3) не влияет на величину помехи
Задание #34
Вопрос:
Увеличение емкостной связи между каналами (Cп12) при внешней емкостной параллельной паразитной связи между двумя каналами:
Изображение:
Выберите один из 3 вариантов ответа:
1) приводит к возрастанию помехи в первом канале
2) приводит к снижению помехи в первом канале
3) не влияет на величину помехи
Задание #35
Вопрос:
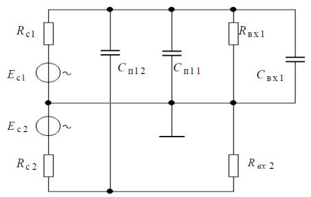
Увеличение частоты гармонического сигнала во втором канале канале (ωс2) при последовательной паразитной связи через паразитную взаимную индуктивность:
Изображение:
Выберите один из 3 вариантов ответа:
1) приводит к возрастанию помехи в первом канале
2) приводит к снижению помехи в первом канале
3) не влияет на величину помехи
Задание #36
Вопрос:
Увеличение взаимной индукции между каналами (Mп12) при последовательной паразитной связи через паразитную взаимную индуктивность:
Изображение:
Выберите один из 3 вариантов ответа:
1) приводит к возрастанию помехи в первом канале
2) приводит к снижению помехи в первом канале
3) не влияет на величину помехи
Задание #37
Вопрос:
На рисунке представлена схема:
Изображение:
Выберите один из 2 вариантов ответа:
1) емкостной связи через посторонний провод
2) индуктивной связи через посторонний провод
Задание #38
Вопрос:
На рисунке представлена схема:
Изображение:
Выберите один из 2 вариантов ответа:
1) индуктивной связи через посторонний провод
2) емкостной связи через посторонний провод
Задание #39
Вопрос:
Для ПК потенциально-информативными ПЭМИ являются излучения, формируемые следующими цепями:
Выберите несколько из 3 вариантов ответа:
1) цепью передачи сигналов от контроллера клавиатуры к порту ввода-вывода на материнской плате
2) цепями передачи видеосигнала от видеоадаптера до электродов электронно-лучевой трубки монитора
3) цепью передачи сигналов от порта PS/2 к мыши
Задание #40
Вопрос:
К принципиально-информативным излучениям ПК можно отнести излучения, формируемые следующими цепями:
Выберите несколько из 3 вариантов ответа:
1) цепью передачи сигналов от контроллера клавиатуры к порту ввода-вывода на материнской плате
2) цепями передачи видеосигнала от видеоадаптера до электродов электронно-лучевой трубки монитора
3) цепями формирования шины данных внутри микропроцессора
Задание #41
Вопрос:
Для ПК неинформативными ПЭМИ являются излучения, формируемые следующими цепями:
Выберите несколько из 3 вариантов ответа:
1) цепями формирования и передачи сигналов синхронизации
2) цепями формирования шины управления и шины адреса системной шины
3) цепью передачи сигналов от контроллера клавиатуры к порту ввода-вывода на материнской плате
Задание #42
Вопрос:
Для ПК неинформативными ПЭМИ являются излучения, формируемые следующими цепями:
Выберите несколько из 3 вариантов ответа:
1) цепями передачи сигналов аппаратных прерываний
2) внутренними цепями блока питания компьютера
3) цепями передачи видеосигнала от видеоадаптера до электродов электронно-лучевой трубки монитора
Задание #43
Вопрос:
На рисунке представлена формула расчета помехи:
Изображение:
Выберите один из 2 вариантов ответа:
1) в канале связи при емкостной паразитной связи для схемы питания без нулевого провода
2) в канале связи при емкостной паразитной связи для схемы питания с нулевым проводом
Задание #44
Вопрос:
На рисунке приведена:
Изображение:
Выберите один из 3 вариантов ответа:
1) схема подключения двухфазных ИВЭП к трехфазной промышленной сети без нулевого провода
2) схема подключения двухфазных ИВЭП к трехфазной промышленной сети с нулевым проводом
3) схема емкостной внешней паразитной связи с первичной цепью ИВЭП
Задание #45
Вопрос:
На рисунке приведена:
Изображение:
Выберите один из 3 вариантов ответа:
1) схема подключения двухфазных ИВЭП к трехфазной промышленной сети с нулевым проводом
2) схема подключения двухфазных ИВЭП к трехфазной промышленной сети без нулевого провода
3) схема емкостной внешней паразитной связи с первичной цепью ИВЭП
Задание #46
Вопрос:
На рисунке приведена:
Изображение:
Выберите один из 3 вариантов ответа:
1) схема емкостной внешней паразитной связи с первичной цепью ИВЭП
2) схема подключения двухфазных ИВЭП к трехфазной промышленной сети без нулевого провода
3) схема подключения двухфазных ИВЭП к трехфазной промышленной сети с нулевым проводом
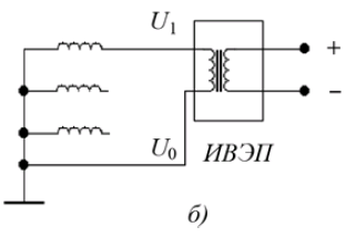
Задание #47
Вопрос:
Для уменьшения наводки, протекающие через источники вторичного электропитанияния (ИВЭП), необходимо:
Выберите один из 3 вариантов ответа:
1) подводку переменных напряжений выполнять симметричной двухпроводной линией с минимально возможным расстоянием между проводами
2) подводку переменных напряжений выполнять несимметричной двухпроводной линией с минимально возможным расстоянием между проводами
3) подводку переменных напряжений выполнять симметричной двухпроводной линией с максимально возможным расстоянием между проводами
Задание #48
Вопрос:
Просачивание информационных сигналов в цепи заземления происходит из-за:
Выберите один из 3 вариантов ответа:
1) гальванической связи с землей различных проводников, выходящие за пределы контролируемой зоны
2) наводок электромагнитных излучений ТСПИ на соединительные линии ВТСС и посторонние проводники, выходящие за пределы контролируемой зоны
3) недостаточного сглаживания пульсаций в ИВЭП и паразитных связей элементов с первичными цепями ИВЭП
Задание #49
Вопрос:
В зависимости от физической природы возникновения информационных сигналов, среды распространения акустических колебаний и способов их перехвата, технические каналы утечки акустической (речевой) информации можно разделить на:
Выберите несколько из 4 вариантов ответа:
1) воздушные
2) вибрационные
3) оптико-электронные
4) электромагнитные
Задание #50
Вопрос:
В зависимости от физической природы возникновения информационных сигналов, среды распространения акустических колебаний и способов их перехвата, технические каналы утечки акустической (речевой) информации можно разделить на:
Выберите несколько из 4 вариантов ответа:
1) электроакустические
2) вибрационные
3) параметрические
4) электрические
Задание #51
Вопрос:
Средства перехвата акустических сигналов по воздушным каналам:
Выберите несколько из 4 вариантов ответа:
1) микрофоны, комплексированными с портативными устройствами звукозаписи
2) микрофоны, комплексированными с устройствами передачи информации по радиоканалу
3) микрофоны, комплексированными с устройствами передачи информации по телефонной линии
4) стетоскопы с передачей информации по радиоканалу
Задание #52
Вопрос:
Средства перехвата акустических сигналов по вибрационным техническим каналам:
Выберите несколько из 4 вариантов ответа:
1) стетоскопы с передачей информации по радиоканалу
2) стетоскопы, подключенными к устройствам передачи информации по оптическому каналу в ИK-диапазоне длин волн
3) стетоскопами, объединенными с устройствами передачи информации по трубам водоснабжения, отопления, металлоконструкциям
4) через ВТСС, обладающих «микрофонным эффектом», путем подключения к их соединительным линиям
Задание #53
Вопрос:
Пути перехвата акустических сигналов по электроакустическим каналам утечки информации:
Выберите несколько из 4 вариантов ответа:
1) через ВТСС, обладающих «микрофонным эффектом», путем подключения к их соединительным линиям
2) через ВТСС путем «высокочастотного навязывания»
3) несанкционированным контактным введением высокочастотного сигнала в линии, имеющие гальванические связи с нелинейными или параметрическими элементами ВТСС, на которых происходит модуляция ВЧ сигнала информационным
4) путем приема и детектирования электромагнитных излучений (ЭМИ) на частотах ВЧ генераторов ТСПИ и ВТСС, модулированных информационным сигналом
Задание #54
Вопрос:
Пути перехвата акустических сигналов по параметрическому техническому каналу утечки
информации:
Выберите несколько из 3 вариантов ответа:
1) путем приема и детектирования электромагнитных излучений (ЭМИ) на частотах ВЧ генераторов ТСПИ и ВТСС, модулированных информационным сигналом
2) путем «высокочастотного облучения» специальных полуактивных закладных устройств
3) через ВТСС, обладающих «микрофонным эффектом», путем подключения к их соединительным линиям
Задание #55
Вопрос:
Чувствительность микрофона определяется:
Выберите один из 3 вариантов ответа:
1) отношением напряжения на выходе микрофона к звуковому давлению на его входе при номинальной нагрузке
2) отношение квадрата осевой чувствительности микрофона в свободном поле к среднеквадратичной чувствительности по всем радиальным направлениям
3) как уровень эквивалентного звукового давления, при воздействии которого на микрофон получилось бы выходное напряжение равное выходному напряжению микрофона, развиваемое им в отсутствии звуковых колебаний
Задание #56
Вопрос:
Коэффициент направленности микрофона определяется:
Выберите один из 3 вариантов ответа:
1) отношение квадрата осевой чувствительности микрофона в свободном поле к среднеквадратичной чувствительности по всем радиальным направлениям
2) отношением напряжения на выходе микрофона к звуковому давлению на его входе при номинальной нагрузке
3) как уровень эквивалентного звукового давления, при воздействии которого на микрофон получилось бы выходное напряжение равное выходному напряжению микрофона, развиваемое им в отсутствии звуковых колебаний
Задание #57
Вопрос:
Уровень собственного шума микрофона определяется:
Выберите один из 3 вариантов ответа:
1) как уровень эквивалентного звукового давления, при воздействии которого на микрофон получилось бы выходное напряжение равное выходному напряжению микрофона, развиваемое им в отсутствии звуковых колебаний
2) отношением напряжения на выходе микрофона к звуковому давлению на его входе при номинальной нагрузке
3) отношение квадрата осевой чувствительности микрофона в свободном поле к среднеквадратичной чувствительности по всем радиальным направлениям
Задание #58
Вопрос:
Стационарным уровнем чувствительности микрофона называется:
Выберите один из 3 вариантов ответа:
1) выраженное в децибелах отношение напряжения при номинальной нагрузке при звуковом давлении 1 Па к напряжению, соответствующему мощности P0 = 1мВт.
2) зависимость чувствительности микрофона от угла между рабочей осью микрофона и направлением на источник звука
3) зависимость уровня чувствительности от частоты
Задание #59
Вопрос:
Частотной характеристикой чувствительности микрофона называется:
Выберите один из 3 вариантов ответа:
1) зависимость уровня чувствительности от частоты
2) зависимость чувствительности микрофона от угла между рабочей осью микрофона и направлением на источник звука
3) выраженное в децибелах отношение напряжения при номинальной нагрузке при звуковом давлении 1 Па к напряжению, соответствующему мощности P0 = 1мВт.
Задание #60
Вопрос:
Характеристикой направленности микрофона называется:
Выберите один из 3 вариантов ответа:
1) зависимость чувствительности микрофона от угла между рабочей осью микрофона и направлением на источник звука
2) зависимость уровня чувствительности от частоты
3) выраженное в децибелах отношение напряжения при номинальной нагрузке при звуковом давлении 1 Па к напряжению, соответствующему мощности P0 = 1мВт.
Задание #61
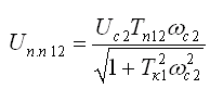
Вопрос:
По формуле
определяется:
Выберите один из 3 вариантов ответа:
1) чувствительность микрофона
2) коэффициент направленности микрофона
3) уровень собственного шума микрофона
Задание #62
Вопрос:
По формуле
определяется:
Выберите один из 3 вариантов ответа:
1) коэффициент направленности микрофона
2) чувствительность микрофона
3) уровень собственного шума микрофона
Задание #63
Вопрос:
По формуле
определяется:
Выберите один из 3 вариантов ответа:
1) уровень собственного шума микрофона
2) чувствительность микрофона
3) коэффициент направленности микрофона
Задание #64
Вопрос:
Микрофоны по принципу электромеханического преобразования делятся на:
Выберите несколько из 3 вариантов ответа:
1) электродинамические
2) электростатические
3) узконаправленные
Задание #65
Вопрос:
Микрофоны по принципу электромеханического преобразования делятся на:
Выберите несколько из 3 вариантов ответа:
1) электромагнитные
2) релейные
3) широконаправленные
Задание #66
Вопрос:
Электродинамические микрофоны по конструкции механической системы делятся на:
Выберите несколько из 3 вариантов ответа:
1) катушечные (динамические)
2) ленточные
3) конденсаторные
Задание #67
Вопрос:
Электростатические микрофоны делятся на:
Выберите несколько из 3 вариантов ответа:
1) конденсаторные
2) пьезомикрофоны
3) угольные
Задание #68
Вопрос:
Электромагнитные микрофоны делятся на:
Выберите несколько из 3 вариантов ответа:
1) односторонние
2) дифференциальные
3) катушечные
Задание #69
Вопрос:
Релейные микрофоны делятся на:
Выберите несколько из 3 вариантов ответа:
1) угольные
2) транзисторные
3) катушечные
Задание #70
Вопрос:
По акустическим характеристикам микрофоны делятся на:
Выберите несколько из 3 вариантов ответа:
1) приемники давления
2) приемники градиента давления
3) широконаправленные
Задание #71
Вопрос:
Сопоставьте тип и конструкцию микрофонов
Укажите соответствие для всех 2 вариантов ответа:
1) подвижная механическая система (диафрагма) подвержена воздействию звуковых волн только с одной стороны
2) подвижная механическая система открыта для звуковых волн с обеих сторон
__ Приемник градиента давления
__ Приемник давления
Задание #72
Вопрос:
Конструкция динамического микрофона представляет собой:
Выберите один из 3 вариантов ответа:
1) катушку, находящуюся в магнитном поле кольцевого магнита и жестко связанную с диафрагмой
2) конденсатор, у которого один из элементов массивный, а другой - тонкая натяжная мембрана
3) пластинку из кварца или пьезокерамиков связанную с диафрагмой
Задание #73
Вопрос:
Конструкция конденсаторного микрофона представляет собой:
Выберите один из 3 вариантов ответа:
1) конденсатор, у которого один из элементов массивный, а другой - тонкая натяжная мембрана
2) катушку, находящуюся в магнитном поле кольцевого магнита и жестко связанную с диафрагмой
3) пластинку из кварца или пьезокерамиков связанную с диафрагмой
Задание #74
Вопрос:
Конструкция пьезомикрофона представляет собой:
Выберите один из 3 вариантов ответа:
1) пластинку из кварца или пьезокерамиков связанную с диафрагмой
2) катушку, находящуюся в магнитном поле кольцевого магнита и жестко связанную с диафрагмой
3) конденсатор, у которого один из элементов массивный, а другой - тонкая натяжная мембрана
Задание #75
Вопрос:
На рисунке представлена конструкция:
Изображение:
Выберите один из 3 вариантов ответа:
1) параболического микрофона
2) плоской акустической фазированной решетки
3) трубчатого микрофона
Задание #76
Вопрос:
На рисунке представлена конструкция:
Изображение:
Выберите один из 3 вариантов ответа:
1) плоской акустической фазированной решетки
2) параболического микрофона
3) трубчатого микрофона
Задание #77
Вопрос:
На рисунке представлена конструкция:
Изображение:
Выберите один из 3 вариантов ответа:
1) трубчатого микрофона
2) параболического микрофона
3) плоской акустической фазированной решетки
Задание #78
Вопрос:
На рисунке представлена конструкция:
Изображение:
Выберите один из 3 вариантов ответа:
1) градиентного микрофона
2) плоской акустической фазированной решетки
3) трубчатого микрофона
Задание #79
Вопрос:
Параболический микрофон является примером:
Выберите один из 3 вариантов ответа:
1) высокочувствительного, но слабонаправленного микрофона
2) высокочувствительного, но узконаправленного микрофона
3) слабочувствительного, но узконаправленного микрофона
Задание #80
Вопрос:
Принцип работы параболического микрофона
Выберите один из 3 вариантов ответа:
1) звуковые волны с осевого направления отражаются от параболического зеркала и суммируются в фазе в фокальной точке
2) в случае прихода звуковой волны с осевого направления все сигналы, распространяющиеся по звукаводам, будут иметь одинаковые фазы, и сложение звуковых волн в акустическом сумматоре будет иметь максимальное значение
3) при приеме звуковой волны с осевого направления будет происходить сложение в фазе сигналов, проникающих в звуковод через все щелевые отверстия, в силу равенства скоростей осевого распространения звука вне трубки и внутри нее
