- •28 Факторы, влияющие на надежность
- •2. Определение основных параметров гидроприводов поступательного движения
- •2.1. Подбор гидроаппаратуры
- •2.2. Определение действительных перепадов давлений
- •Расчет основных параметров гидропривода
- •2.1. Определение давлений в полостях нагнетания и слива и определение диаметра поршня силового гидроцилиндра
- •2.2. Определение диаметра поршня силового цилиндра
- •2.3. Выбор гидроцилиндра
- •2.4. Определение расхода рабочей жидкости и выбор насоса
- •2.5. Расчет диаметра трубопровода и скорости движения жидкости
- •2.6. Подбор гидроаппаратуры
- •2.7. Описание выбранной гидроаппаратуры
- •2.8. Определение действительных перепадов давлений
Дроссельное регулирование гидропривода — способ регулирования скорости движения штока гидроцилиндра или частоты вращения вала гидромотора (или угловой скорости вала поворотного гидродвигателя) за счёт изменения эффективного сечения потока через гидродроссель.
Возможно два принципиально разных варианта дроссельного регулирования:
изменением эффективного сечения потока через гидродроссель, включённый параллельно гидродвигателю,
изменением эффективного сечения потока через гидродроссель, включённый последовательно гидродвигателю,
а также возможно сочетание в себе обоих указанных вариантов.
Гидросистема с параллельно включённым дросселем: Р — гидрораспределитель; Н — насос; Ц — гидроцилиндр; Б — гидробак; КП — предохранительный клапан; ДР — гидродроссель
Гидросистема с последовательно включённым дросселем: включение дросселя в сливную гидролинию предпочтительно, так как в случае знакопеременной нагрузки на штоке гидроцилиндра позволяет избежать кавитации
В сравнении с объёмным регулированием гидропривода, при дроссельном регулировании хуже регулировочные характеристики (зависимость скорости движения выходного звена гидродвигателя от нагрузки), ниже КПД гидропривода и выше энергетические потери.
Однако гидросистемы с дроссельным регулированием намного дешевле гидросистем с объёмным регулированием. Поэтому дроссельное регулирование применяется в гидроприводах малой мощности, а также в гидроприводах, имеющих малое время работы и длительное время простоя.
Кроме того, гидросистемы с дроссельным регулированием менее инерционны, что позволяет применять их в гидроприводе станков, в которых часто требуется изменение скорости движения вала гидромотора или штока гидроцилиндра по достаточно сложному закону. Последнее реализуется за счёт кинематической связи запорно-регулирующего элемента гидродросселя с вращающимся кулачком требуемой формы.
Ещё одним преимуществом гидросистем с дроссельным регулированием является то, что они позволяют изменять подачу жидкости в гидродвигатель, а значит и скорость выходного звена гидродвигателя на очень небольшую величину. В гидросистемах с объёмным регулированием осуществлять указанное изменение на малую величину затруднительно из-за утечек рабочей жидкости в регулируемых гидромашинах.
22
Объёмное регулирование гидропривода — способ регулирования скорости движения штока гидроцилиндра или частоты вращения вала гидромотора (или угловой скорости вала поворотного гидродвигателя) за счёт изменения рабочего объёма гидравлических машин.
Возможны два принципиально разных варианта объёмного регулирования:
за счёт изменения рабочего объёма насоса,
за счёт изменения рабочего объёма гидродвигателя,
а также возможно сочетание в себе обоих указанных вариантов.
В качестве регулируемых объёмных гидромашин как правило используются аксиально-плунжерные и радиально-плунжерные гидромашины. Реже применяются пластинчатые гидромашины.
В сравнении с дроссельным регулированием гидропривода, при объёмном регулировании лучше регулировочные характеристики (зависимость скорости движения выходного звена гидродвигателя от нагрузки), выше КПД гидропривода и меньше энергетические потери.
Поскольку регулируемые объёмные гидромашины достаточно дороги, то объёмное регулирование применяется в гидроприводах большой мощности, а также в гидроприводах, имеющих длительное время работы и малое время простоя.
Объемное регулирование |
В гидроприводах с объемным регулированием бесступенчатое изменение скорости движения поршня осуществляется за счет изменения подачи насоса или с помощью регулируемых гидромоторов, в качестве которых используют роторно-поршневые и пластинчатые гидромашины. При постоянной нагрузке на штоке мощность насоса и скорость поршня пропорциональны подаче насоса. При малых скоростях движения поршня, т.е. в том случае, когда насос отрегулирован на малую подачу, величина утечек масла соизмерима с расходом жидкости через гидроцилиндр. Это приводит к существенным колебаниям скорости при изменении нагрузки и ограничивает возможность объемного регулирования при малых скоростях движения поршня. Однако, гидрорпиводы с объемным регулированием имеют преимущество, заключающееся в том, что насос переменной подачи дает возможность осуществлять непрерывное изменение скорости рабочего органа без потерь энергии, связанных с перепуском рабочей жидкости, находящейся под давлением, на слив. Рассмотрение процесса регулирования проводят с помощью безразмерного параметра регулирования гидромашины е, равного отношению текущего значения рабочего объема q к его максимальному значению q, т.е.
Регулирование изменением рабочего объема насоса заключается в плавном изменении скорости движения выходного звена гидродвигателя путем изменения безразмерного параметра регулирования насоса ен. При закрытом предохранительном клапане скорость выходного звена гидродвигателя определяется размерами машин, их объемными КПД и изменяется пропорционально параметру регулирования ен, т.е. для гидропривода поступательного движения
для гидропривода вращательного движения
где
Нагрузочные характеристики гидропривода, т.е. зависимости скорости выходного звена от нагрузки (Vп=f(F) для поступательного движения поршня гидроцилиндра, или nг=f(Mг) для вращательного движения вала гидромотора) имеют вид, представленный на рис. 4.5. При некотором предельном значении нагрузки (максимальном давлении в системе) срабатывает предохранительный клапан или автомат изменения рабочего объема насоса и скорость выходного звена круто уменьшается до нуля (ветвь ВС), т.к. происходит торможение гидродвигателя под нагрузкой. Снижение скорости выходного звена, обусловленное нагрузкой, называют просадкой. При использовании гидромотора полная просадка гидропривода (при закрытом предохранительном клапане) равна отношению частот вращения при предельной и нулевой нагрузках и составляет
На эту величину при высоких давлениях ощутимо влияет сжимаемость жидкости.
Реверс гидродвигателя, т.е. изменение направления движения выходного звена гидропривода при регулируемом насосе, можно осуществлять двумя способами: с помощью гидрораспределителей или изменением направления подачи, что возможно лишь в гидроприводах с замкнутой циркуляцией жидкости. Во втором случае при переходе через нулевой рабочий объем приходится проходить зону нечувствительности, на границах которой гидромотор останавливается, так как вся подача идет на компенсацию утечек жидкости. Внутри этой зоны насос не способен компенсировать утечки. Поэтому вместе с частотой вращения гидромотора давление в гидроприводе постепенно уменьшается до нуля. Зависимость частоты вращения гидромотора nг от параметра ен при р=0 (линия а) и при р=const (кривые b), а также зона нечувствительности с представлены на рис.4.6. Для гидроприводов вращательного движения встречаются способы регулирования гидропривода изменением рабочего объема гидромотора, а также совместное изменение рабочих объемов насоса и гидромотора с целью расширения диапазона регулирования. Выбор способа регулирования определяется многими факторами, а именно, мощностью, давлением, характером изменения полезной нагрузки и др. Объемное регулирование применяется в тех случаях, когда требуется большое усилие на штоке и при пуске под нагрузкой. |
23
В объемных ИМ коэффициент полезного действия значительно превышает КПД поршневых ИМ и составляет 95—98%. К достоинствам объемных гидроприводов следует также отнести возможность бесступенчатого регулирования в широком диапазоне (1—1000) выходной скорости при простоте управления. Так как принцип действия объемного гидропривода основан на использовании энергии давления, то при высоких давлениях (более 20 МПа) существенно возрастают требования к уплотнениям. При высоких давлениях в объемных гидроприводах увеличиваются шумы, поэтому необходимо предусмотреть специальные меры для их уменьшения.[ ...]
В объемном гидроприводе наиболее широкое распространение получили аксиально-поршневые насосы и гидродвигатели и реже используются радиально-поршневые насосы.[ ...]
Для гидропривода объемного управления скорость во всем диапазоне принятых нагрузок можно считать постоянной и в !,5 раза меньшей, чем у гидропривода дроссельного управления, при равной полезной мощности.[ ...]
Однако объемно-дроссельный гидропривод не обладает свойствами обратимости и не может работать в режиме рекуперации энергии.[ ...]
Развитие гидропривода объемного управления по перечисленным направлениям обеспечит дальнейшее повышение КПД привода и приблизит его значение к 90%, ужесточит нагрузочную характеристику до 95% и снизит нелинейность скоростной характеристики до 3%.[ ...]
Аналогом объемного гидропривода (рис. 2.41, г) является электромеханическая система «генератор—двигатель».[ ...]
Кроме того, гидропривод объемного управления, обладая обратимостью и самонастройкой давления по нагрузке, при некоторых условиях может осуществлять режим рекуперации энергии. Так, при нагрузке, сопутствующей направлению движения исполнительного органа, давление в полостях нагнетания уменьшается, а в полостях слива увеличивается. Момент нагрузки на электродвигатель от гидронасоса изменяет знак, превращаясь из тормозящего в разгоняющий. Разгоняющий момент нагрузки, складываясь с действующим электромагнитным моментом, увеличивает скорость электродвигателя постоянного тока и переводит его в генераторный режим работы.[ ...]
Современные гидроприводы объемного управления разрабатываются по замкнутой схеме как следящие гидроприводы. При этом в качестве обратных связей, как и в следящих гидроприводах дроссельного управления, используются электрические обратные связи и соответствующие элементы
24
По схеме циркуляции рабочей жидкости: гидропривод с замкнутой схемой циркуляции (рис.1.2, а), в котором рабочая жидкость от гидродвигателя возвращается во всасывающую гидролинию насоса. Гидропривод с замкнутой циркуляцией рабочей жидкости компактен, имеет небольшую массу и допускает большую частоту вращения ротора насоса без опасности возникновения кавитации, поскольку в такой системе во всасывающей линии давление всегда превышает атмосферное. К недостаткам следует отнести плохие условия для охлаждения рабочей жидкости, а также необходимость спускать из гидросистемы рабочую жидкость при замене или ремонте гидроаппаратуры; гидропривод с разомкнутой системой циркуляции (рис.1.2, б, в, г), в котором рабочая жидкость постоянно сообщается с гидробаком или атмосферой. Достоинства такой схемы - хорошие условия для охлаждения и очистки рабочей жидкости. Однако такие гидроприводы громоздки и имеют большую массу, а частота вращения ротора насоса ограничивается допускаемыми (из условий бескавитационной работы насоса) скоростями движения рабочей жидкости во всасывающем трубопроводе.
25
Тепловой расчет гидросистемы
Тепловой расчет гидросистемы выполняется для выяснения условий работы гидропривода, уточнения объема масляного бака, а также выяснения необходимости применения теплообменников.
Минимальная температура рабочей жидкости равна температуре воздуха окружающей среды. Максимальная температура определяется в результате теплового расчета.
Повышение температуры рабочей жидкости, прежде всего, связано с внутренним трением. Все потери мощности в гидросистеме в конечном счете превращаются в тепло, которое аккумулируется в жидкости.
Количество
тепла, получаемое гидросистемой в
единицу времени
,
Дж/с, соответствует потерянной в
гидроприводе мощности и может быть
определено по формуле
(2.36)
где
–
мощность, подводимая к насосу, Вт;
–
общий к.п.д. гидропривода;
–
коэффициент продолжительности работы
гидропривода под нагрузкой (для
ориентировочного расчета можно принять
=
0,7).
Максимальная
температура рабочей жидкости, которая
достигается через
один час после начала работы и не зависит
от времени
,
°С, определяется по следующей формуле
(2.37)
где
–
максимальная температура окружающего
воздуха, °С; K
– коэффициент теплоотдачи поверхностей
гидроагрегатов (K
= 0,04 кДж/(м2·°С));
F
– суммарная площадь теплоизлучающих
поверхностей гидропривода, м2.
Суммарную площадь теплоизлучающих поверхностей гидропривода F, м2, можно найти по следующей эмпирической формуле
(2.38)
Зная минимальную температуру той климатической зоны, для которой проектируется машина, и определив максимальную температуру tж, можно установить диапазон температуры рабочей жидкости в гидросистеме.
Если в результате теплового расчета окажется, что максимальная установившееся температура превышает 70 °С, то необходимо увеличить объем масляного бака или предусмотреть в гидросистеме теплообменное устройство.
26
Теплообменные аппараты предназначены для проведения процессов теплообмена при необходимости нагревания или охлаждения технологической среды с целью ее обработки или утилизации теплоты.
Теплообменная аппаратура составляет весьма значительную часть технологического оборудования в химической и смежных отраслях промышленности. Удельный вес на предприятиях химической промышленности теплообменного оборудования составляет в среднем 15–18 %, в нефтехимической и нефтеперерабатывающей промышленностях 50 %. Значительный объем теплообменного оборудования на химических предприятиях объясняется тем, что почти все основные процессы химической технологии (выпаривание, ректификация, сушка и др.) связаны с необходимостью подвода или отвода теплоты.
Теплообменные аппараты можно классифицировать по следующим признакам:
по конструкции — аппараты, изготовленные из труб (кожухо-трубчатые, «труба в трубе», оросительные, погружные змеевико-вые, воздушного охлаждения); аппараты, поверхностность теплообмена которых изготовлена из листового материала (пластинчатые, спиральные, сотовые); аппараты с поверхностью теплообмена, изготовленной из неметаллических материалов (графита, пластмасс, стекла и др.);
по назначению — холодильники, подогреватели, испарители, конденсаторы;
по направлению движения теплоносителей — прямоточные, противоточные, перекрестного тока и др.
В общем выпуске теплообменных аппаратов для химической и смежных отраслей промышленности в России около 80 % занимают кожухотрубчатые теплообменники. Эти теплообменники достаточно просты в изготовлении и надежны в эксплуатации и в то же время достаточно универсальны, т. е. могут быть использованы для осуществления теплообмена между газами, парами, жидкостями в любом сочетании теплоносителей и в широком диапазоне их давлений и температур.
Теплообменники типа «труба в трубе» и змеевиковые стальные в общем объеме теплообменной аппаратуры составляют около 8 %, а оросительные из чугуна — около 2 %.
Доля спиральных и пластинчатых теплообменников и аппаратов воздушного охлаждения пока невелика, но на вновь строящихся технологических линиях аппараты этого типа занимают все большее место.
Условия проведения процессов теплообмена в промышленных аппаратах чрезвычайно разнообразны. Эти аппараты применяют для рабочих сред с различным агрегатным состоянием и структурой (газ, пар, капельная жидкость, эмульсия и др.) в широком диапазоне температур, давлений и физико-химических свойств. Из-за разнообразия предъявляемых к теплообменным аппаратам требований, связанных с условиями их эксплуатации, применяют аппараты самых различных конструкций и типов, причем для аппарата каждого типа разработан широкий размерный ряд поверхности теплообмена (от нескольких до нескольких тысяч квадратных метров в одном аппарате). В размерном ряду теплообменники различаются по допускаемым давлениям и температурам рабочей среды, а также по материалам, из которых изготовлен аппарат.
Широкая номенклатура теплообменников по типам, размерам, параметрам и материалам позволяет выбрать для конкретных условий теплообмена аппарат, оптимальный по размерам и материалам. Выбор конструкции аппарата для определенных условий теплообменного процесса зависит в основном от эрудиции и интуиции конструктора. Однако существуют рекомендации общего характера, которыми можно руководствоваться при выборе конструкции теплообменника и схемы движения в нем теплоносителей:
при высоком давлении теплоносителей предпочтительнее трубчатые теплообменники; в этом случае в трубное пространство желательно направить теплоноситель с более высоким давлением, поскольку из-за малого диаметра трубы могут выдержать большее давление, чем корпус;
коррозионный теплоноситель в трубчатых теплообменниках целесообразно направлять по трубам, так как в этом случае при коррозионном изнашивании не требуется замена корпуса теплообменника;
при использовании коррозионных теплоносителей предпочтительнее теплообменные аппараты из полимерных материалов, например фторопласта и его сополимеров, обладающих уникальной коррозионной стойкостью;
если один из теплоносителей загрязнен или дает отложения, то целесообразно направлять его с той стороны теплообмена, которая более доступна для очистки (в змеевиковых теплообменниках — это наружная поверхность труб, в кожухотрубчатых — внутренняя);
для улучшения теплообмена не всегда требуется увеличение скорости теплоносителя (так, например, при конденсации паров для улучшения теплообмена необходимо обеспечить хороший отвод конденсата с теплообменной поверхности, для чего следует подобрать аппарат соответствующей конструкции).
27
Способ предназначен для определения неисправностей в системе гидропривода машин. Согласно способу гидропривод машины условно делят на основные подсистемы, обеспечивающие работоспособность всех исполнительных гидродвигателей машины, методом и средствами технической диагностики с использованием данных о состоянии машины осуществляют поиск причины неисправностей или отказа в соответствующей подсистеме, проводят контроль привода смежных подсистем, перекрывающих друг друга элементной базой гидрооборудования, при этом деление гидропривода машины на подсистемы производят в соответствии с количеством рабочих циклов гидродвигателей при их индивидуальной и совместной работе, предварительно для каждой подсистемы, соответствующей одному рабочему циклу, выполняют принципиальную гидравлическую схему машины, включающую полный состав элементов гидрооборудования машины и связей между ними и на этой схеме выделяют направление потоков рабочей жидкости и распределение давления по всем возможным гидравлическим цепям и соединениям основного, отвечающего за соответствующий рабочий цикл гидрооборудования этой подсистемы, а также по-иному, чем вышеназванные выделенные цепи, для этой же подсистемы выделяют направление потока и распределение давления в цепи гидроуправления направляющей гидроаппаратурой, насосами и гидромоторами, после этого поиск причин возможных неисправностей и отказов рабочих циклов неисправных подсистем осуществляют с помощью выполненных таким образом принципиальных гидравлических схем, для чего сначала непосредственно на машине проверяют работоспособность рабочих циклов, выделяют неисправную подсистему, затем, сопоставляя принципиальные гидравлические схемы неисправной и работоспособных подсистем, по выделенным цепям устанавливают общую для них и перекрывающую друг друга элементную базу и исключают ее из проверки на неисправность, а поиск неисправностей и причин отказа осуществляют в тех элементах неисправной подсистемы, которые выходят за пределы общей элементной базы. Технический результат - повышение надежности. 1 з.п. ф-лы, 7 ил.
Признак неисправности |
Неисправность |
Способ устранения |
Насос не нагнетает РЖ в гидросистему или нагнетает в недостаточном количестве |
1. Неисправен привод (муфта, вал, ротор) |
Заменить или отрегулировать неисправный узел. Проверить соосность ведущего вала насоса. Переключить на правильное направление вращения вала насоса Заменить насос |
|
2. Неправильное направление вращения вала насоса |
|
|
3. Повышенный износ насоса и низкий объемный к.п.д. |
|
|
4. Насос засасывает и нагнетает в гидросистему воздух: нарушение герметичности всасывающего трубопровода; недостаточный уровень РЖ в баке; чрезмерное вспенивание РЖ в баке |
Проверить и обеспечить герметичность всасывающего трубопровода, заменить уплотнения. Долить РЖ в бак до требуемого уровня. Опустить сливную трубу ниже минимального уровня РЖ в баке, разделить перегородкой сливную и всасывающие полости бака, установить в баке отражатель |
|
5. Кавитация во всасывающей полости насоса (неполное заполнение рабочего объема насоса): закрыто всасывающее отверстие, неисправность всасывающего клапана, засорение всасывающей трубы или фильтра Заужен или погнут всасывающий трубопровод Высота всасывающего отверстия насоса относительно уровня масла в баке превышает допустимую Частота вращения насоса и вязкость масла превышают допустимую Отказал подпиточный насос или отсутствует давление в баке |
Проверить всасывающее отверстие, всасывающий клапан, очистить всасывающую трубу и всасывающий фильтр. Установить всасывающий трубопровод требуемого диаметра, исключить местные сопротивления во всасывающем трубопроводе. Уменьшить высоту всасывания, установить подпиточный насос или создать в баке избыточное давление. Уменьшить частоту вращения до рекомендуемых значений, установить подпиточный насос или создать избыточное давление в баке. Отремонтировать или заменить насос подпитки |
Работа гидросистемы сопровождается повышенным уровнем шума воздуха |
6. Наличие воздуха в гидросистеме |
Выпустить воздух из трубопроводов гидросистемы в высшей его точке |
|
7. Насос засасывает и нагнетает в гидросистему воздух |
Проверить герметичность гидросистемы |
|
8. Кавитация во всасывающей полости насоса |
См. пп. 4 и 5 |
|
9. Плохое закрепление трубопроводов и рукавов высокого давления |
Закрепить трубопроводы скобами, между трубопроводами и скобами установить резиновые прокладки |
|
10. Вибрация запорных элементов предохранительных, напорных и других клапанов |
Отрегулировать или заменить клапаны |
|
11. Турбулентный поток РЖ на отдельных участках гидросистемы или в гидроаппаратах |
Увеличить диаметр и радиус изгибов трубопроводов, заменить угловые соединения и штуцера на фитинги с большим внутренним диаметром и большим радиусом, чтобы уменьшить местные сопротивления |
|
12. Плохое крепление корпуса насоса, гидромотора, гидроаппаратов, управляющих давлением и расходом РЖ |
Проверить надежность крепления, при необходимости подтянуть крепежные винты и законтрить |
|
13. Механические повреждения или чрезмерный износ деталей привода насосов и гидромоторов (подшипники, зубья шестерен, валы, соединительные муфты) |
После разборки и контроля заменить поврежденные или изношенные механические детали системы привода |
Чрезмерный нагрев гидравлического масла в гидросистеме |
14. Увеличение потерь мощности в гидроприводе: износ деталей в насосах, гидромоторах и уплотнений в гидроцилиндрах; износ золотников и клапанов, увеличивающий внутренние перетечки в этих узлах; увеличение местных сопротивлений вследствие деформации трубопроводов и РВД, уменьшения внутреннего диаметра. Увеличение гидравлического сопротивления вследствие повышенной вязкости масла и загрязнения фильтрующих элементов; продолжительная работа гидропривода при перепуске масла от насоса в бак через предохранительные, разгрузочные или подпиточные клапаны, неправильно настроенные регулируемые дроссели или блоки клапанов; возможно увеличение потерь гидравлической мощности в случае применения масла с пониженной вязкостью |
Исправить или заменить деформированные участки трубопроводов и РВД. Убедиться в отсутствии повреждений внутреннего резинового слоя в РВД. Определить вязкость и соответствие масла в гидросистеме требованиям инструкции по эксплуатации для конкретной машины. Заменить загрязненные фильтрующие элементы. Проверить давление настройки всех клапанов давления и расхода в соответствии с гидравлической схемой машины. С помощью секундомера проверить продолжительность выполняемых машиной технологических операций, сравнив их с приведенными в руководстве по эксплуатации. Заменить применяемое масло неизвестного сорта и качества на гидравлическое, соответствующее требованиям по эксплуатации насосов и гидромоторов или руководству по эксплуатации машины |
|
15. Недостаточный объем РЖ в баке гидросистемы |
Долить в бак РЖ до верхнего уровня и повторить проверку после нескольких холостых движений рабочих органов или исполнительных механизмов |
|
16. Повышенная температура (перегрев) масла в гидросистеме из-за недостаточного охлаждения |
Установить воздушно-масляный теплообменник на сливной гидролинии, обеспечивающий стабилизацию теплового режима, повышение производительности машины и уменьшение потребления топлива ДВС |
Неравномерное движение гидроцилиндров |
17. Воздух в гидросистеме, в том числе в гидроцилиндрах |
Выпустить воздух из гидросистемы через отверстия, закрытые винтовыми пробками, при одновременном перемещении поршней гидроцилиндров в крайние положения |
|
18. Неравномерная подача насоса: кавитация во всасывающей полости; износ насоса и уменьшение его подачи при повышении давления от внешней нагрузки |
См. п. 5 |
|
19. Предохранительный клапан отрегулирован на давление, близкое к рабочему |
Отрегулировать предохранительный клапан на давление, на 10…15 кгс/кв.см большее рабочего давления в гидросистеме. Заменить уплотнения и направляющие штока |
Самопроизвольное движение (опускание) рабочих органов |
20. Износ или повреждение уплотнений гидроцилиндров |
Установить ремонтный размер золотника, компенсирующий зазор в корпусе распределителя. Разобрать гидроаппараты, проверить их состояние, очистить, промыть и продуть сжатым воздухом. При необходимости заменить новыми |
|
21. Чрезмерный зазор между золотником и корпусом распределителя. |
|
|
22. Неработоспособны обратные управляемые клапаны (гидрозамки) и клапаны разности давлений (тормозные клапаны) |
|
Не обеспечивается регулирование скорости рабочих органов |
23. Неработоспособен дроссель с регулятором: повреждена пружина регулятора, защемление золотника регулятора, отсутствует слив масла из дренажного отверстия |
Разобрать дроссель, прочистить дренажное отверстие, притереть золотник, промыть и после сборки продуть сжатым воздухом. Если неисправность не будет устранена, установить новый дроссель с регулятором. Проверить работоспособность клапана разгрузки насоса |
Повышенное давление в гидросистеме |
24. Нарушена настройка давления открытия предохранительного клапана. |
Отрегулировать давление открытия предохранительного клапана в соответствии с руководством по эксплуатации машины. Заменить используемое масло неизвестного сорта и качества на гидравлическое масло в соответствии с инструкцией по эксплуатации машины, пропустить через фильтр тонкостью очистки 10…12 мкм; промыть все трубопроводы и РВД, заменить зауженные участки труб; заменить загрязненные фильтрующие элементы |
|
25. Повышенное гидравлическое сопротивление в гидросистеме из-за деформации (сужения) трубопроводов и РВД, загрязнения фильтрующих элементов, трубопроводов и гидраппаратов а также повышенной вязкости масла |
|
|
26. Повышение внешней нагрузки из-за неисправности узлов механической передачи |
Проверить состояние редукторов и других узлов механической передачи |
Быстрое загрязнение гидравлического масла в гидросистеме |
27. Поврежден или загрязнен воздушный фильтр-сапун. Неисправность грязесъемников и уплотнений штоков гидроцилиндров |
Заменить воздушный фильтр, устанавливаемый на пробке заливной горловины, или установить новую пробку с воздушным фильтром тонкостью фильтрации 10 мкм на расход воздуха от 0,15 до 0,75 куб.м/мин типа TM178-478. Установить грязесъемники, уплотнения и опорно-направляющие кольца уплотнительной системы Guardex. Разобрать фильтр, промыть корпус фильтра, заменить фильтрующий элемент, отрегулировать давление открытия переливного клапана. Трубопроводы, гидроагрегаты и гидроапараты тщательно очистить от окалины, формовочной земли, песка и других загрязнений, промыть и продуть сжатым воздухом |
|
28. Открыт перепускной клапан фильтра |
|
|
29. Разрушение фильтрующих элементов |
|
|
30.Трубопроводы и гидроборудование, изготовленные из литых деталей, не были очищены от загрязнений перед сборкой |
|
Гидравлическое масло выливается из воздушного фильтра-сапуна, установленного на баке |
31. Чрезмерный объем масла в гидросистеме |
Слить излишек гидравлического масла из бака гидросистемы |
|
32.Чрезмерное вспенивание масла в баке |
См. п. 4 |
Направляющие и регулирующие гидроаппараты |
|
|
Не переключается распределитель (с электрическим, гидравлическим или ручным управлением) |
33. Не включаются золотники с электромагнитным управлением |
Проверить электрическую цепь и работоспособность электромагнита |
|
|
Проверить давление в канале управления, при необходимости отрегулировать предохранительный или редукционный клапаны |
|
34. Недостаточное давление в канале управления |
|
|
35. Защемление золотника из-за загрязнений или установки уплотнений несоответствующего размера |
Разобрать, промыть распределитель, проверить размеры уплотнений и, при необходимости, заменить их |
|
36/35. Засорение щели между золотником и корпусом из-за повышенного загрязнения масла, его высокого давления и большой выдержки времени между включениями |
Разобрать, промыть золотник, залить гидравлическое масло необходимой вязкости через фильтр тонкостью очистки не более 10…12 мкм, проверить уровень давления в напорной гидролинии |
|
37. Золотник не возвращается из включенной позиции в центральную |
Заменить возвратную пружину |
|
38. Неработоспособен фиксатор |
Заменить пружину фиксатора |
В рабочих отводах одного из золотников отсутствует давление нагнетания |
39. Засорились отверстия в первичном предохранительном клапане, разрушено уплотнение или повреждены рабочие детали |
Включить следующий золотник и проверить давление нагнетания. Если давление не повышается, предварительно вывинтить регулировочный винт, снять предохранительный клапан, разобрать, прочистить или заменить поврежденные детали, промыть, собрать и установить в напорную камеру распределителя. Заменить клапан, если неисправность не устраняется, то причину следует искать в насосе |
|
40. Насос не создает давления |
Подключить распределитель к другому насосу, поменять трубопроводы, соединяющие с насосом. Если появится давление, то причина в насосе, если нет, то неисправен распределитель |
При включении золотника давление повышается до наибольшего значения и не изменяется |
42. Неисправность вторичных предохранительных клапанов или гидродвигателя |
Снять вторичный клапан, разобрать, проверить нет ли механических повреждений, промыть и установить на место. Проверить давление открытия и при необходимости отрегулировать. Заменить поврежденные уплотнения. При необходимости установить новый клапан |
Рабочий орган или исполнительный механизм опускается при нейтральном положении золотника |
43. Неисправен гидродвигатель (гидроцилиндр) |
Разобрать и проверить состояние гидродвигателя, при необходимости заменить уплотнения или поврежденные детали |
|
44. Золотник полностью не возвращается в нейтральную позицию |
Проверить величину перемещения золотника из нейтральной позиции в рабочую. Разобрать и проверить золотник и корпус распределителя |
При переключении золотника со встроенными обратными клапанами рабочий орган вначале опускается, а затем при перемещении золотника более чем на 60% хода движется в нужном направлении |
45. Засорился обратный клапан или повреждена пружина |
Разобрать золотник, прочистить детали обратных клапанов, промыть и установить золотник в корпус распределителя |
Повышенное усилие при перемещении золотника распределителя |
46. Дополнительные потери на трение в системе рычагов и тяг |
Отключить рычажный механизм управления и проверить усилие перемещения. Проверить, полностью ли возвращается золотник из рабочих позиций в центральную под действием возвратной пружины |
|
47. Отказ возвратной пружины |
|
|
48. Повышенная или чрезмерно пониженная температура вызвала защемление золотника |
|
Ускоренное повышение температуры масла в гидросистеме вызывает заклинивание золотников |
49. Чрезмерный износ рабочих деталей насосов и гидродвигателей |
Установить теплообменник с терморегулятором. Проверить настройку давления первичных и вторичных клапанов, скорости перемещения штоков гидроцилиндров и величину наружных утечек в дренажной гидролинии |
Большая утечка масла через крышку или фланец золотника распределителя |
50/49. Чрезмерный износ или повреждение уплотнений |
Заменить уплотнения |
Нестабильно работает предохранительный клапан |
51. Повреждена пружина клапана |
Заменить пружину |
|
52. Повреждено седло клапана |
Заменить седло. Прочистить отверстие |
|
53. Загрязнено дроссельное отверстие клапана непрямого действия |
Разобрать клапан, промыть детали, собрать, продуть сжатым воздухом, установить в гидросистему и отрегулировать. При необходимости заменить клапан |
Гидроцилиндры |
|
|
Утечки масла по штоку гидроцилиндра |
55. Погнут шток гидроцилиндра. Повреждения на внутренней поверхности гидроцилиндра. Уплотнения поршня и штока повреждены, перекошены или несоответствующего размера. Износ уплотнений штока |
Отрихтовать или заменить. Отхонинговать или заменить гидроцилиндр. Заменить уплотнения. Применить комплектную уплотнительную систему Guardex в составе грязесъемника, уплотнения и направляющих колец |
Насосы аксиально-поршневые |
|
|
Скорости холостого хода и перемещения рабочего оборудования очень малы |
56. Мала подача регулируемого насоса при отсутствии внешней нагрузки из-за больших внутренних перетечек масла или чрезмерного ограничения регулировочного винта максимальной подачи поршня регулятора |
Поочередно проверить герметичность гидроагрегатов (распределителей, клапанов, гидроцилиндров и др.). Вывинтить регулировочный винт максимальной подачи, включить рабочие органы без внешней нагрузки, затем под нагрузкой и установить необходимую скорость вращением регулировочного винта |
Рабочие операции при большой нагрузке выполняются очень медленно |
57. Мала подача регулируемого насоса из-за неправильной установки регулировочного винта; снижена частота вращения приводного двигателя; наличие воздуха в гидросистеме; ДВС перегружен из-за механических потерь мощности на трение в редукторах или неправильной настройки регулятора мощности и подачи топлива |
Отрегулировать положение поршневого блока цилиндров насоса вращением винта регулятора (уменьшить минимальную подачу). Установить частоту вращения, регулятора мощности и подачу топлива ДВС в соответствии с технической характеристикой. Выпустить воздух из корпуса насоса |
Наружная утечка масла из корпуса насоса через манжетное уплотнение приводного вала |
58. Разрушено манжетное уплотнение приводного вала |
Заменить манжетное уплотнение |
Рукава высокого давления |
|
|
Повреждение рукавов высокого давления |
59. Скручивание РВД, радиус изгиба меньше рекомендуемого, защемление РВД во время эксплуатации |
Исправить установку РВД |
|
60. Повышенное давление в гидросистеме, пики давления |
Проверить настройку предохранительного клапана, уменьшить динамические нагрузки |
|
61. Примененное масло не совместимо с материалом РВД |
Заменить масло на рекомендуемое |
|
62. Дефекты в заделке РВД |
Заменить РВД |
28 Факторы, влияющие на надежность
Факторы, влияющие на надежность, можно подразделить на две большие группы: субъективные и объективные. Субъективные факторы определяются деятельностью обслуживающего персонала. Объективные факторы определяются временем и условиями эксплуатации и включают: время эксплуатации, климатические, механические и биологические условия работы объекта. Время эксплуатации является одним из основных факторов, который необходимо учитывать на всех этапах эксплуатации технического устройства, сооружения. В начальный период эксплуатации выявляются технологические и конструкционные недостатки, что приводит к возрастанию интенсивности отказов. Длительность этого периода для различного оборудования может колебаться от неск. десятков до сотен часов. Для уменьшения числа отказов в начальный период эксплуатации проводят предварительную тренировку объектов в течение определенного времени, чтобы до ввода в эксплуатацию они прошли приработку и ненадежные узлы были своевременно заменены. После достаточно длительной эксплуатации (несколько тысяч часов работы) на состоянии объектов начинает сказываться старение (износ), причиной которого являются физико-химические процессы, происходящие в элементах оборудования в течение всего времени эксплуатации. Оборудование начинает чаще отказывать. Например, у переменных резисторов и щеток электрических машин со временем изменяется сопротивление проводящего слоя; электропроводка приходит в негодность из-за высыхания и растрескивания изоляции проводов. Механические и электромеханические элементы и узлы больше подвержены износу, чем старению (редукторы, сельсины, реле, подшипники и т. п.). Скорость износа и старения определяется режимами работы и интенсивностью воздействия других факторов (температуры, влажности). С целью замедления процесса старения широко применяют герметизацию элементов или целых узлов. Износ механических элементов замедляется своевременным проведением профилактических мероприятий. В несущих элементах и конструкциях накапливаются усталостные повреждения, что может привести к появлению трещин. К климатическим факторам относятся температура окружающей среды, влажность и атмосферные осадки, атмосферное давление, солнечная радиация. Устройства ж.-д. транспорта эксплуатируются при различных температурных условиях. Температурное влияние тем больше, чем больше скорость и частота изменения температуры. В наихудших (в этом смысле) условиях находится оборудование, расположенное вне помещений. При низких температурах пластмассы теряют прочность, резиновые изделия становятся хрупкими и растрескиваются, металлы делаются ломкими, нарушается пайка, регулировка зазоров и т. п. Повышенная температура способствует ускорению распада органических изоляционных материалов, перегреву и выходу из строя полупроводниковых элементов. Влажность также является одним из наиболее сильно действующих факторов; ее влияние сказывается на ускоренном разрушении лакокрасочных защитных покрытий, нарушении герметизации и заливок, электрической прочности изоляции и элементов электроники, окислении контактов. Атмосферные осадки способствуют возрастанию влажности со всеми вытекающими последствиями. Атмосферное давление воздействует на оборудование как непосредственно, так и косвенным путем. С изменением давления изменяются значения допустимых пробивных электрических напряжений, искажается форма сигналов. С понижением давления ухудшается отвод тепла от элементов, что может привести к их перегреву. Инфракрасная составляющая солнечного излучения ухудшает условия охлаждения аппаратуры и способствует ее местному или общему перегреву. Воздействие ультрафиолетовых лучей приводит к активизации процессов старения. Механические факторы обусловлены ударами и вибрациями в процессе эксплуатации, которые могут привести к нарушению целостности паек, контактов, разрушению элементов электроники, крепежных и несущих деталей и т. п. При движении поездов по рельсовым путям возникают вибрации с частотами от долей до неск. тысяч Гц. Колебания с низкими частотами вызывают утомляемость локомотивных бригад и пассажиров. Причем колебания с частотой 0,5-1,5 Гц способствуют «укачиванию» (как при морской болезни), с частотой 4-6 Гц — воздействуют на внутренние органы и вызывают утомляемость, с частотой 18- 22 Гц — оказывают разрушительное действие на кости скелета. В связи с этим введено требование, чтобы собственная частота первой формы изгибных вертикальных колебаний кузова вагона, локомотива и др. была не ниже 10 Гц. Вибрации с частотами в диапазоне 30-500 Гц могут вызвать резонансные явления в конструкциях аппаратов и кассет с электронными приборами и т. п. Эти обстоятельства обусловливают необходимость постоянно следить за средствами амортизации и креплением аппаратуры, за состоянием пути, а также гибких и демпфирующих элементов подвижного состава. Биологические факторы воздействуют на объекты посредством живых организмов: грибковых образований (плесени), насекомых, грызунов и т. п. Грибковые образования возникают во влажной атмосфере на деталях из органических материалов и питаются продуктами их разложения. Для исключения их возникновения необходимо регулярно выполнять осмотры, постоянно поддерживать условия эксплуатации, установленные эксплуатационной документацией. Знание и учет факторов, влияющих на надежную работу устройств ж.-д. транспорта, позволяют обеспечивать достаточно высокую их надежность при проектировании и поддерживать ее на необходимом уровне в эксплуатации. Полученная в процессе эксплуатации информация позволяет быстрее совершенствовать технические средства, улучшать показатели их качества, лучше организовать систему технического обслуживания, обоснованно обеспечивать оборудование запасными частями и предупреждать возможные отказы. Влияние субъективных факторов на надежность изучено в меньшей степени, хотя оно может быть в ряде случаев более значительным, чем воздействие остальных групп факторов. Среди факторов, определяющих степень влияния обслуживающего персонала на надежность ж.-д. транспорта, следует отметить квалификацию работников, соблюдение ими правил эксплуатации, степень организованности системы технического обслуживания. Квалификация персонала определяется степенью его профессиональной подготовленности, знанием назначения и устройства оборудования, условий и правил эксплуатации, умением поддерживать его в работоспособном состоянии, устранять возникающие отказы и предупреждать появление новых. Хорошо подготовленный персонал обеспечивает эксплуатацию оборудования с меньшими затратами сил и средств. Недостаточная квалификация может быть в некоторой степени компенсирована автоматизацией операций по определению состояния устройств, уменьшением числа регулировок. Строгое соблюдение правил эксплуатации способствует содержанию объектов в работоспособном состоянии.
На стадии проектирования для повышения надёжности прежде всего необходимо оптимизировать принципиальную гидравлическую схему в соответствии с требованиями технического задания, минимизировать количество гидрокомпонентов, входящих в состав изделия. Далее производится подбор необходимых гидроаппаратов с учётом величин нагрузок на исполнительные механизмы, максимальных скоростей и ускорений, требуемой точности отработки и линейности характеристик. Размеры гидроаппаратов выбираются исходя из максимальных нагрузок, величины давления питания и расхода рабочей жидкости. При этом необходимо учитывать и весовые нагрузки элементов конструкции, инерционную и упругую составляющие, сопротивление подводящих и отводящих каналов. Обязательно должна быть предусмотрена защита от перегрузки гидропривода, в том числе отдельных гидролиний и гидроаппаратов, с помощью предохранительных, переливных или других клапанов. Основными критериями при выборе компонентов гидропривода являются вес, цена, срок службы и надёжность. Эти критерии противоречивы. Выигрывая в одном, можем проиграть в другом. Лучшей гарантией надёжности является простота конструкции. Минимум гидроаппаратов, минимум уплотнений, предохраняющих от наружных утечек, минимальная длина гидролиний повышают надёжность гидропривода.
При проектировании гидропривода целесообразно разработать его математическую модель, с помощью которой можно проанализировать и динамические свойства системы с учётом инерционных нагрузок, сжимаемости рабочей жидкости и нежёсткости механической передачи между гидравлическим исполнительным механизмом и нагрузкой. Следует определить условия, в которых могут возникнуть нежелательные резонансные явления.
Какие, по вашему мнению, наиболее приемлемые способы повышения надежности в процессе изготовления и испытания опытных образцов?
Надёжность изделия в определённых условиях работы, определяется числом, которое выражает процент числа нормально работающих изделий к общему числу изделий, подвергнутых испытаниям. Известно, что тщательный контроль за изготовлением деталей и сборочными операциями правильно сконструированных изделий, позволяет устранить большинство возникающих при эксплуатации отказов, вызываемых неправильной сборкой или плохим качеством изготовления деталей. Поэтому качество контроля является существенным фактором в части обеспечения одного из основных свойств изделия, важного при анализе надёжности – постоянного значения величины безотказной работы изделия.
Для оценки показателей надёжности необходимо проводить испытания нескольких образцов изделия. Как правило, в первые часы испытаний могут наблюдаться частые отказы вследствие дефектов производства и контроля. После устранения выявленных дефектов наступает период, когда отказы наступают только в результате действия случайных причин. Этот период продолжается до тех пор, пока не начинаются отказы, вызванные износом отдельных элементов, входящих в состав изделия. Правильная оценка надёжности по результатам испытаний малого количества образцов зависит от того, насколько типичны возникшие в процессе испытаний отказы.
Какие факторы оказывают решающее значение на надежность в процессе серийного и массового производства гидрооборудования?
В процессе серийного и массового производства на показатели надёжности существенное влияние оказывает стабильность технологических процессов, оснащённость производства современным оборудованием, специальными приспособлениями и стендами. Важнейшее значение имеет качество применяемых материалов и комплектующих, тщательный контроль изготавливаемых деталей на предмет соответствия требованиям рабочих чертежей и технических условий, наличие испытательных стендов для проверки отдельных узлов и изделия в целом, оснащённых необходимыми приборами контроля выходных параметров.
Какие рабочие жидкости и методы их кондиционирования наиболее приемлемы с точки зрения повышения надежности гидроприводов?
Рабочие жидкости гидросистемы должны обладать физическими и химическими свойствами, соответствующими условиям работы. В состав гидропривода обязательно должны включаться фильтры для удаления механических частиц с требуемой тонкостью фильтрации, как во время работы, так и при заправке гидросистемы свежей рабочей жидкостью. Исключительно важно во время работы поддерживать оптимальный температурный режим, который обеспечивается встроенными в гидросистему кондиционерами. Желательно, чтобы оптимальный температурный интервал рабочей жидкости поддерживался автоматически по сигналам датчиков температуры.
Как оптимально построить процесс техобслуживания и ремонта при эксплуатации, обеспечивающий максимальную надежность?
Построить оптимальный процесс технического обслуживания и ремонта при эксплуатации можно, располагая статистическими данными, полученными в процессе стендовых и эксплуатационных испытаний с учётом условий работы гидропривода. Для обеспечения своевременного и грамотного диагностирования возникающих неисправностей гидропривод должен быть оснащён достаточным количеством, так называемых измерительных штуцеров, к которым можно оперативно присоединять измерительную аппаратуру – манометры, датчики давления.
Какова наиболее приемлемая методика локализации неисправностей?
В сложных гидравлических системах следует предусматривать возможность автоматического или ручного отключения отдельных линий, содержащих компоненты с более низкой надёжностью.
Насколько эффективно применение современных средств технической диагностики?
Современные средства технической диагностики, включающие расходомеры, тензометрические датчики давления, сигналы которых записываются в память компьютера, позволяют эффективно анализировать даже быстро протекающие рабочие процессы и выявлять причины отказов и неисправностей, а в некоторых случаях предвидеть возможное наступление отказа. Анализ результатов инструментальных измерений параметров гидропривода позволяет принимать обоснованные конструкторские решения при модернизации изделия.
Как обеспечивается надежность при работе в различных климатических условиях?
Надёжность при работе в различных климатических условиях обеспечивается устройствами для кондиционирования температурного состояния рабочей жидкости. Тепловой режим работы гидропривода является важным фактором, влияющим на надёжность. Повышение температуры сверх оптимального значения снижает вязкость рабочей жидкости, уменьшает её смазочные свойства, увеличивает вероятность механического износа трущихся поверхностей. Неиспользованная энергия, которая преобразуется в тепло, должна быть удалена из системы охлаждающим устройством. Зная продолжительность рабочего цикла, тип источника питания и способ управления гидравлической мощностью, можно определить температуру внутри системы, выбрать марку рабочей жидкости и размеры маслоохладителя, который мог бы поддерживать температуру рабочей жидкости в заданных пределах при всех условиях работы.
При отрицательных температурах вязкость рабочей жидкости повышается, что может вызвать во всасывающей магистрали кавитацию, являющуюся одним из основных нежелательных факторов, способствующих уменьшению ресурса гидронасоса, снижению надёжности гидропривода. Если гидропривод должен работать в условиях отрицательных температур окружающего воздуха, то необходимо предусмотреть средства, облегчающие возможность запуска, то есть предусмотреть возможность предварительного подогрева рабочей жидкости.
29
Способ может быть использован в объемном
гидроприводе. Способ предусматривает
установку при подготовке к пуску
гидропривода под нагрузкой минимального
гидравлического сопротивления
пропорционального гидроагрегата с
последующим его увеличением по программе
от контроллера после завершения холостого
хода до достижения заданной скорости
и частоты питающего напряжения
электродвигателя насоса, при которой
подача нерегулируемого насоса обеспечивает
скорость больше заданной при полностью
закрытом пропорциональном гидроагрегате
с последующей автоматической коррекцией
от контроллера в зависимости от внешних
нагрузок, затем производят пуск
гидропривода на холостом ходу и
последующий перевод с холостого хода
на рабочий режим. Технический результат
- повышение показателей надежности,
снижение объема работ по техническому
обслуживанию и ремонту, улучшение
экологических показателей за счет
сокращения интенсивности отказов
подвижных и неподвижных уплотнений. 1
ил.
Изобретение относится к технологии управления объемным гидроприводом, в частности к пуску гидропривода с частотно-дроссельной системой управления под значительной нагрузкой массовых сил и переменных сил трений.
Известен способ комбинированного частотно-дроссельного управления скоростью объемного гидропривода путем изменения оборотов насоса за счет изменения частоты питающего напряжения приводного электродвигателя и слива части рабочей жидкости за насосом через пропорциональный гидроагрегат, установленный параллельно гидроцилиндру, за счет изменения его гидравлического сопротивления, при котором пуск гидропривода осуществляется на холостом ходу с помощью открытия пилота предохранительного клапана с электроуправлением.
Закрытие пилота предохранительного клапана переводит гидропривод с режима холостого хода на рабочий режим. (Свешников В.К. Энергосбережение в современных гидроприводах // РИТМ, 2011, № 6 (29), С.34-38).
Недостаток данного способа регулирования скорости гидропривода заключается в возникновении при значительных нагрузках больших скачков давления рабочей жидкости за насосом и скачков скоростей. Так, в объемных гидроприводах ворот и затворов шлюзов судоходных гидротехнических сооружений с нагрузкой в несколько меганьютонов, в том числе из-за сил трения и гидродинамических волновых и ветровых пульсационных воздействий, давление возрастает в полтора-два раза, скачок скоростей - 1,2÷1,4 номинальной скорости. Это приводит к ударным и пульсационным нагружениям конструкции и снижению показателей надежности за счет увеличения интенсивности отказов подвижных и неподвижных уплотнений гидросистемы, датчиков системы контроля параметров и других элементов, чувствительных к ударным и пульсационным нагрузкам.
В основу изобретения поставлена задача - повысить надежность гидропривода за счет снижения забросов давления рабочей жидкости за насосом и уменьшения скачков скорости при переходе гидропривода с частотно-дроссельной системой управления с холостого хода на рабочий режим.
Задача решается за счет того, что в способе регулирования скорости объемного гидропривода с комбинированной частотно-дроссельной системой управления при пуске под нагрузкой, включающем регулирование гидравлического сопротивления пропорционального гидроагрегата с электроуправлением и частоты питающего напряжения электродвигателя нерегулируемого объемного насоса, согласно изобретению, гидравлическое сопротивление пропорционального гидроагрегата устанавливают минимальным при подготовке к пуску с последующим его увеличением, а частоту питающего напряжения электродвигателя насоса устанавливают такой, при которой подача насоса обеспечивает заданную скорость движения штока гидроцилиндра при закрытом пропорциональном гидроагрегате, затем производят пуск насоса гидропривода при открытом предохранительном клапане, перевод предохранительного клапана в закрытое рабочее состояние, закрытие пропорционального гидроагрегата по заранее заданной программе и коррекцию частоты питающего напряжения в зависимости от внешних нагрузок.
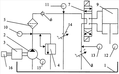
Способ реализуется с помощью гидравлической схемы объемного гидропривода с частотно-дроссельным управлением, представленной на чертеже, где:
1 - бак с рабочей жидкостью, 2 - нерегулируемый насос, 3 - электродвигатель, 4 - пилотный предохранительный клапан, 5 - фильтр, 6 - обратный клапан, 7 - гидрораспределитель, 8 - подпорный клапан, 9 - гидроцилиндр, 10, 11, 12, 13, 15 - датчики, 14 - пропорциональный гидроагрегат, 16 - частотный преобразователь.
Способ осуществляется следующим образом.
Устанавливают минимальное гидравлическое сопротивление пропорционального гидроагрегата 14 при подготовке к пуску. Устанавливают частоту питающего напряжения электродвигателя 3 нерегулируемого насоса, при которой подача нерегулируемого насоса 2 обеспечивает заданную скорость движения штока гидроцилиндра 9 при закрытом пропорциональном гидроагрегате 14, затем производят пуск нерегулируемого насоса 2 гидропривода при открытом предохранительном клапане 4, перевод предохранительного клапана в закрытое рабочее состояние, закрытие пропорционального гидроагрегата 14 по заранее заданной программе и коррекцию частоты питающего напряжения в зависимости от внешних нагрузок.
Установка постоянной частоты питающего напряжения приводного двигателя насоса обеспечивает заданную скорость гидропривода при закрытых пропорциональном гидроагрегате и предохранительном клапане, включение электродвигателя и выход нерегулируемого насоса на рабочие обороты на холостом ходу при открытых пропорциональном гидроагрегате и предохранительном клапане, перевод предохранительного клапана в закрытое рабочее состояние, закрытие по программе от контроллера пропорционального гидроагрегата.
После выхода нерегулируемого насоса на рабочий режим по оборотам и перевода предохранительного клапана на рабочий режим слив рабочей жидкости через предохранительный клапан прекращается, а слив через пропорциональный гидроагрегат уменьшается по программе. Начинается плавная подача рабочей жидкости в полость гидроцилиндра, обеспечивающая низкий заброс давлений в полости и заданную скорость начала движения, уменьшаются ударные и пульсационные нагружения конструкции.
Предлагаемый способ регулирования скорости объемного гидропривода с комбинированной частотно-дроссельной системой управления при пуске под нагрузкой позволяет повысить показатели надежности гидропривода, что позволит сократить объем работ по техническому обслуживанию и ремонту и улучшить экологические показатели за счет сокращения интенсивности отказов подвижных и неподвижных уплотнений.
Во время эксплуатации гидравлических систем к самостоятельному обслуживанию материальной части допускается личный состав, прошедший специальную подготовку. В период эксплуатации техническое обслуживание можно разделить на ряд основных операций: 1) очищать фильтры после 50-, 100- и 500-часовой работы. Если в фильтрах обнаружена металлическая стружка, необходимо чаще их проверять. При повторном появлении металлической стружки необходимо выявить источник ее образования и устранить неисправности; 2) следить за утечками масла через уплотнения и соединения труб гидравлической системы. В случае появления утечек через уплотнения или соединения их необходимо заменить (в соединении следует сменить прокладки). При этом надо помнить, что замена уплотнений и прокладок, а также подтягивание соединений под давлением запрещается; 3) периодически проверять уровень жидкости в баке. В случае снижения его пополнить бак до рабочего уровня; 4) раз в 3 мес. необходимо контролировать качество рабочей жидкости. Самый простой метод контроля — с помощью картотеки стекол: на стеклянные пластинки помещают осадок после фильтров, а с обратной стороны — бирку с числом и месяцем взятия пробы. Пластинки хранят в специальном ящике. Набор пластинок позволяет визуально следить за состоянием рабочей жидкости. Стекла можно заменить лабораторными мензурками; 5) При смене жидкости чистят гидробак и промывают трубопроводы. Для последних используют специальную установку (насосную станцию), заполненную рабочей жидкостью. Во время промывания гидромеханизмы и гидроаппаратура должны быть отсоединены, а подводящие трубы соединены между собой перемычками из шлангов или медных труб. В качестве рабочих жидкостей наиболее часто применяют масла АМГ-10, ЛУ и турбинные кислотно-земельной очистки, которые эксплуатируются до двух лет без замены. Используют и минеральные масла с антикислотными, антикоррозионными присадками, такими как АУП, ГМ-50И, АГМ, АМГ-10Ф и МГЕ-10. Продолжительность эксплуатации этих масел без смены может быть 7— 10 лет, однако реальный срок службы масла зависит от условия эксплуатации гидросистемы, т. е. давления, температуры, контакта с водой, с цветными металлами и т. д.; 6) раз в год проверять и настраивать предохранительные и редукционные клапаны, а также проверять срабатывание защиты; 7) в случае длительного бездействия гидросистемы необходимо раз в месяц пускать гидромеханизмы и проверять все оборудование и гидроаппаратуру в работе. Во время работы техническое обслуживание производить в строгом соответствии с инструкциями по эксплуатации гидрооборудования, необходимо внимательно следить за контрольно-измерительными
приборами и появлением посторонних шумов.
Общее состояние гидросистемы проверяют под нагрузкой, т. е. машина должна быть укомплектована навесным или прицепным рабочим оборудованием.
Герметичность гидросистемы можно проверить в производственных условиях без применения специальной аппаратуры в следующем порядке. Включив насос системы подъема-опускания навесного или прицепного оборудования, пускают двигатель машины и устанавливают максимальную частоту вращения его вала на холостом ходу. После этого рукоятку гидрораспределителя системы, управляющего работой одного из основных гидроцилиндров, переводят в положение “подъем” и удерживают ее в этом положении в течение 1 мин. Затем проверяют все соединения трубопроводов и места возможных утечек в насосах, гидрораспределителе и гидроцилиндре.
После устранения обнаруженных утечек рабочей жидкости и других неисправностей проверяют систему на герметичность вторично. При вы
полнении этой работы, переключая попеременно рукоятку гидрораспределителя в положения “подъем” и “опускание” и наблюдая за характером наполнения шлангов гидроцилиндра рабочей жидкостью, проверяют состояние запорных устройств (по напряжению шлангов). Так, если рабочий орган или другой элемент машины не поднимается (не перемещается) и шланги (рис. 7.16) не напрягаются под действием проходящей по ним рабочей жидкости, это указывает на то, что шарик залег. Если же при этом шланги напрягаются, а рабочий или другой орган не поднимается или не перемещается, это указывает на то, что залег шарик. Если рабочий орган не опускается или не перемещается, и шланги не напрягаются, залег шарик, а если шланги напрягаются, а рабочий или другой орган все же не поднимается или не перемещается, залег шарик. Обнаруженные неисправности устраняют.
Работу гидросистемы под нагрузкой проверяют на продолжительность подъема-опускания или других перемещений рабочих или других органов. В зависимости от типа базовой машины и массы рабочего оборудования (отвал бульдозера, ковш скрепера, отвал грейдера и т. п.) техническими условиями устанавливается продолжительность подъема- опускания (перемещения) рабочего органа. Для наиболее распространенных базовых машин, какими являются гусеничные тракторы ДТ-75М, Т-130М, Т-150 и др., укомплектованные навесным и прицепным оборудованием, допустимая продолжительность подъема рабочего органа не должна превышать 5 с, опускания — 3 с.
Рис. 7.16. Схема проверки неисправностей запорных устройств гидросистемы на герметичность
Рис. 7.17. Схема определения подачи насосов и проверки внут- ренних утечек в агрегатах гидросистемы: 1 – насос; 2 — прибор КИ-1097В; 3 — приспособление КИ-6272; 4 — технологический шланг; 5 — гидрораспределитель; 6 и 7 — трубопроводы; 8, 10 — шланги гидроцилиндра; 9 — масштабная линейка; 11 — шток гидроцилиндра; 12 — поршень; 13 — бак гидросистемы; 14 слиянии шланг; 15 — нагнетательный трубопровод
Если рабочее оборудование не поднимается или не перемещается или поднимается или перемещается медленно, необходимо проверить состояние гидросистемы и ее элементов. При неисправном насосе корпус его и прилегающие к нему участки трубопроводов на расстояние до 20 см от насоса нагреваются. При неисправности гидрораспределителя рабочая жидкость устремляется не в гидроцилиндр, а на слив, вследствие чего нагреваются все трубопроводы, особенно трубопроводы большого диаметра. При неисправности гидроцилиндров (нарушение уплотнений) нагреваются все металлические трубопроводы как большого, так и малого диаметров.
Подачу насосов, клапанов и золотниковых пар гидрораспределителей гидросистемы определяют прибором (расходомером) КИ-1097Б, используя при этом приспособление КИ-6272, предназначенное для отключения нагнетательного трубопровода от гидрораспределителя (рис. 7.17).
Приспособление КИ-6272 устанавливают на место поворотного угольника, соединяющего нагнетательный трубопровод насоса с гидрораспределителем. Свободный штуцер приспособления при этом заглушают, сливной шланг от прибора КИ-1097Б опускают в горловину бака гидросистемы, закрепив его, или соединяют с переходным штуцером, ввернутым вместо пробки заливной горловины бака для рабочей жидкости.
После этого переводят рукоятку прибора КИ-1097Б в положение “открыто” и ввертывают запорную иглу приспособления КИ-6272 до отказа. Затем включают насос, пускают двигатель и устанавливают номинальную частоту вращения вала отбора мощности. Вращая рукоятку прибора, поднимают давление в нагнетательной магистрали до 10 МПа. По шкале этого прибора определяют подачу насоса.
Для проверки герметичности золотников клапанно-золотникового гидрораспределителя типа Р (рис. 7.18) отсоединяют отводящую масло трубку и насухо вытирают штуцер. При этом система должна быть под давлением, а рычаг управления тем или другим золотником должен находиться в положении, как показано на приведенном рисунке. Исправный и хорошо отрегулированный золотник не должен пропускать рабочей жидкости.
При контроле и регулировке гидрораспределителя проверяют положение нажимных винтов, поскольку от нарушения заданного им положения может происходить либо неполное закрывание золотника, либо неполное его открывание. Когда рычаг находится в среднем положении, т. е. когда к нему прижаты оба ролика рукоятки управления, нажимной регулировочный винт должен касаться стаканчика, а последний при этом выступать из корпуса золотника на 16 мм и упираться в ограничитель. При переводе рукоятки в крайнее положение нажимной винт должен утопить стаканчик в корпус золотника настолько, чтобы головка стаканчика выступала из золотника не более чем на 4,5 мм. Этим обеспечивается величина хода распределителя золотника (11,5 мм), необходимая для полного открывания и запирания золотника. Если после регулировки золотники все же пропускают рабочую жидкость, требуется их ремонт или замена.
Рис. 7.18. О ема регулировки гидрозолотников
Регулировка давления в гидросистеме осуществляется изменением затяжки перепускного клапана.
Состояние перепускного и предохранительного клапанов гидрораспределителя проверяют в такой последовательности. Вывертывают запорную иглу прибора КИ-6272, открыв тем доступ рабочей жидкости в гидрораспределитель. Затем переводят рукоятку золотника одного из гидроцилиндров в положение “подъем”. Далее, повертывая рукоятку прибора, устанавливают давление в нагнетательной магистрали 10 МПа. По отметке на шкале прибора определяют расход рабочей жидкости, проходящей через этот прибор. При исправном состоянии клапанов расход рабочей жидкости не должен отличаться от фактической подачи насоса более чем на 5 л/мин.
Давление срабатывания предохранительного клапана измеряют при максимальной частоте вращения вала двигателя. При этом рукоятку одного из золотников переводят в положение “подъем” и, удерживая ее в таком положении, плавно перекрывают слив рабочей жидкости из прибора КИ-1097Б. После этого фиксируют показания манометра.
Номинальное давление срабатывания предохранительного клапана гидросистемы для таких базовых машин, как тракторы ДТ-75М, Т-130, Т-150 и др., неодинаковое. Так, для гидросистемы трактора Т-130 оно будет: при рабочем давлении 10 МПа, а при регулировке (номинальное и максимальное) — соответственно 12—13 МПа.
Если давление срабатывания предохранительного клапана выходит за пределы допустимых значений, клапан регулируют. Для этого снимают защитный колпачок, ослабляют контргайку регулировочного винта и, ввертывая или вывертывая регулировочный винт, тем самым повышают или понижают давление, устанавливая его в требуемых пределах.
Давление срабатывания автоматов золотников измеряют при средней частоте вращения вала двигателя. Рукоятку прибора КИ-1097Б устанавливают в положение “открыто”, а рукоятку проверяемого золотника в положение “подъем” и, плавно повертывая рукоятку прибора, поднимают давление до момента срабатывания автомата. После этого фиксируют давление в системе. Если давление срабатывания автоматов золотников выходит за пределы допустимого, это указывает на необходимость регулировки пружин.
.Внутренниеутечки в золотниковых парах гидрораспределителя проверяют при значительных транспортных усадках навесного рабочего оборудования. Для этого, подняв и опустив (4-6 раз) навесное рабочее оборудование, отсоединяют (см. рис. 7.17) от трубопроводов шланг, подающий рабочую жидкость в штоковую полость гидроцилиндра при среднем положении поршня в цилиндре, после чего соединяют трубопровод посредством шланга и переходного штуцера со свободным штуцером приспособления КИ-6272 и ввертывают его иглу. Затем закрывают трубопровод заглушкой и устанавливают рукоятку проверяемого золотника в нейтральное положение. После этого пускают двигатель и устанавливают среднюю частоту вращения вала. Обеспечив посредством прибора КИ-1097Б давление 10 МПа, измеряют линейкой величину перемещения штока за 5 мин. Усадка за указанное время не должна превышать 80 мм.
Герметичность гидроцилиндров проверяют, не изменяя ранее установленного подсоединения (см. проверку величины внутренних утечек в золотниковых парах). Устанавливают рукоятку гидрораспределителя в “плавающее” положение и опускают навесное рабочее оборудование с таким расчетом, чтобы поршень гидроцилиндра при проверке находился в крайнем положении. Затем отсоединяют от трубопровода шланг, подающий рабочую жидкость в поршневую полость цилиндра, и опускают этот шланг в какой-либо мерный бачок. После этого закрывают трубопровод заглушкой, устанавливают давление 10 МПа, поворотом рукоятки прибора КИ-1097Б и с помощью секундомера измеряют утечку рабочей жидкости из шланга в мерный бачок за 2—3 мин. Утечка рабочей жидкости более 100 см3 за 2 мин не допускается.
Если показатели работы гидросистемы и ее элементов не будут соответствовать приведенным выше значениям и требованиям, неисправные узлы и сборочные единицы снимаются и передаются в ремонт.
30
Диагностика и ремонт гидравлических систем |
Сегодня в эксплуатации находится большое количество оборудования и техники, укомплектованных гидравлическими системами различных производителей (Vickers, RexRoth, Linde, Пневмостроймашина (ПСМ), Стройгидравлика (г. Одесса)). По большей части это оборудование выработало свой ресурс, устарело физически и морально. Опираясь на многолетний опыт диагностики и ремонта различных гидравлических систем, можно выделить несколько основных проблем, возникающих при эксплуатации гидравлических приводов. Чаще всего, большинство неполадок связано с низкой квалификацией обслуживающего персонала - это, пожалуй, основная сложность многих эксплуатирующих гидравлические системы организаций. Недостаточная подготовка обслуживающего гидравлику персонала проявляется:
Чтобы обеспечить исправность оборудования и техники на базе гидропривода, мы рекомендуем систематически следить за его техническим состоянием и обслуживать в соответствии с инструкциями по эксплуатации и ремонту. Кроме того, следует строго соблюдать сроки профилактических осмотров и планово-предупредительных ремонтов. Современное оборудование и техника на базе гидропривода требует постоянного внимания квалифицированного диагноста. Он должен обладать знаниями не только в области гидравлики и механики, но и электроавтоматики, поскольку диагностированию подвергается вся гидравлическая система, состоящая из приводных двигателей (ДВС или электродвигатель), трансмиссии (редуктора), распределительной и регулирующей аппаратуры, управляемых, как правило, контроллерами или логическими релейными схемами. Решающее значение в обслуживании гидравлических систем имеет оснащение компании диагностическим оборудованием, которое расширяет возможности диагноста и позволяет сделать правильное заключение о состоянии того или иного элемента и системы в целом. Минимальный комплект оснащения включает манометры (желательно с гидрозаполнением), имеющие различные диапазоны измерения, соединительные рукава и набор измерительных штуцеров (контрольных точек) с различными резьбами. Для более полного анализа гидравлической системы используются приборы, называемые гидротестерами. Они дают возможность одновременно проводить измерения расхода, давления, температуры рабочей жидкости, Все это позволяет сделать заключение о техническом состоянии элементов системы без их демонтажа и стендовых испытаний. Большинство фирм, специализирующихся на ремонте гидравлических узлов и агрегатов, осуществляют ремонт путем замены изношенных деталей на новые, от производителя, и лишь немногие располагают собственными производственными мощностями, позволяющими восстанавливать изношенные детали. Организации, выполняющие ремонт гидравлических элементов и аппаратуры, должны быть оснащены высокоточными измерительными приборами (нутромеры, микрометры и т.д.), поскольку размеры, которые необходимо измерять, имеют точность до сотых, а то и тысячных долей миллиметра, в зависимости от узла. Наличие ремонтной документации, специальных приспособлений, качественного инструмента, ассортимента различных клеев и герметиков, в том числе, позволяет осуществить качественный ремонт. Таким образом, из-за сложностей, связанных с ремонтом, сегодня оптимально обращаться в специализированную ремонтную организацию.
|
Простейшие методы диагностики гидросистем машин
Источник: Основные средства
Большинство отказов происходит из-за неисправности компонентов гидравлических систем. Выход из строя гидропривода машины требует быстрой "постановки диагноза" и немедленного принятия решений. Предлагаемые в статье методы диагностики достаточно подробно и наглядно описывают процедуры поиска, определения и устранения неисправностей в гидросистеме и могут послужить практическим пособием для предприятий, эксплуатирующих технику с гидроприводом
Строительно-дорожные, коммунальные и другие машины, как правило, работают в тяжелых эксплуатационных условиях. При этом большинство отказов происходит из-за неисправности компонентов гидравлических систем. Выход из строя гидропривода машины требует быстрой "постановки диагноза" и немедленного принятия решений. Строительно-дорожные, коммунальные и другие машины, как правило, работают в тяжелых эксплуатационных условиях. При этом большинство отказов происходит из-за неисправности компонентов гидравлических систем. Выход из строя гидропривода машины требует быстрой "постановки диагноза" и немедленного принятия решений.
Техническое обслуживание гидросистем машин должно осуществляться высококвалифицированными специалистами с помощью высокоточных диагностических приборов, выводящих сведения о неполадках на компьютер. Последний должен указывать методы устранения неисправностей. Такой подход находит все более широкое применение. Однако, даже если рядом нет грамотного специалиста, а из средств диагностирования имеются только простые приборы измерения, определить причины неисправности гидросистемы можно достаточно точно и быстро, используя логический метод их нахождения. При этом необходимо хорошо понимать основные принципы гидравлики и знать основы работы и устройства каждого элемента гидропривода.
Как остановить машину?
Если возникшая неисправность привела к потере функций машины, или (и) негативно сказывается на безопасности ее эксплуатации, или наносит вред окружающей среде (например, обрыв рукава высокого давления), то машину следует немедленно остановить.
Для обеспечения безопасности при остановке машины необходимо провести следующие мероприятия:
опустить все подвешенные рабочие органы машины или зафиксировать их механическим способом;
сбросить давление во всей гидросистеме;
разрядить все гидроаккумуляторы;
снять давление с преобразователей давления;
выключить электрическую управляющую систему;
отключить электрическое питание.
При этом следует учесть, что рабочие жидкости, используемые в гидроприводах, являются малосжимаемыми по сравнению с газом и при снижении давления расширяются незначительно. Однако в тех местах гидросистемы, где может находиться сжатый газ (из-за недостаточной деаэрации или при подключенном гидроаккумуляторе), уменьшать давление следует очень осторожно.
Как подойти к поиску неисправности?
Неисправности гидравлической системы можно разделить на два вида:
неисправности, не влияющие (безусловно, до определенного времени) на функционирование машины, - функциональная неполадка в гидросистеме (например, повышение утечки, температуры и т.п.);
неисправности, влияющие на функционирование машины, - функциональная неполадка в машине (например, снижение производительности).
Поиск разных видов неисправностей выполняется по разным алгоритмам. Возможны случаи, когда одна и та же неисправность (например, насоса) может привести к функциональной неполадке и в машине (снизив производительность), и в гидросистеме (повысив уровень шума). Опыт показал, что поиск неисправностей предпочтительно начинать с основных проблем и прорабатывать тестовые процедуры, учитывая такие признаки, как повышение температуры, шума, утечки и т.п., в качестве "путеводных нитей". При этом решающее значение имеет здравый смысл, так как определенные симптомы могут непосредственно указать на проблемную область. Струя масла, вытекающая из-под уплотнения гидроцилиндра, указывает, где находится проблемная область. Однако некоторые симптомы являются не столь очевидными. Если в каком-либо узле имеет место утечка потока при переходе от высокого давления к низкому, то в нем происходит локальное выделение тепла, что не всегда удается сразу же обнаружить. С чего бы вы ни начинали поиск, на определенные вопросы необходимо получить ответ до того, как начнете действовать. Если имеется сообщение о какой-либо проблеме, то необходимо собрать как можно больше фактической информации. Возможно, эта проблема уже имела место и зафиксирована в эксплуатационных документах. В этом случае можно сэкономить много времени. Следует проверить, не проводились ли в системе незадолго до возникновения неисправности какие-либо работы по техническому обслуживанию или настройке. Следует определить точную природу неисправности: возникла она внезапно или развивалась постепенно, в течение продолжительного времени, на работу каких частей машины она влияет.
Как определить простейшие неисправности?
Определить неисправности можно двумя способами:
с помощью органов чувств;
с помощью приборов и инструментов.
Простейшие неисправности гидравлической системы можно определить с помощью органов чувств - увидев, ощутив, услышав, - причем очень быстро. На практике многие проблемы решаются именно таким способом, без применения каких-либо инструментов.
Научитесь видеть! |
||
Что вы видите? |
Где вы видите? |
Причина неисправности |
Подтекание рабочей жидкости |
В местах соединений элементов |
- Слабая затяжка резьбовых соединений - Разрушение уплотнительных элементов (манжет, колец) |
Вспенивание рабочей жидкости |
В масляном баке |
- Подсос воздуха во всасывающей гидролинии - Низкий уровень рабочей жидкости в баке |
Недостаточная скорость выполнения операций |
Рабочие органы машины |
- Большие утечки рабочей жидкости - Недостаточная подача насоса |
Недостаточное усилие при выполнении операций |
Рабочие органы машины |
- Большие утечки рабочей жидкости в системе - Неправильная настройка предохранительного клапана |
Научитесь слышать! |
||
Что вы слышите? |
Где вы слышите? |
Причина неисправности |
Шум при работе насоса |
Насос |
- Кавитация во всасывающем трубопроводе - Несоосность валов насоса и приводной установки - Износ приводных редукторов и муфт |
Шум и стук при работе клапанных аппаратов |
Клапан |
- Засорен клапан - Сломана пружина - Разрегулирован клапанный узел |
Научитесь ощущать! |
||
Что вы ощущаете? |
Где? |
Причина неисправности |
Нагрев рабочей жидкости до температуры более 60 °С |
На трубопроводах |
- Низкий уровень рабочей жидкости в баке - Засорены фильтры - Засорен сапун |
Нагрев насоса |
На корпусе насоса и прилегающих к нему узлах |
- Низкая подача и, как следствие, недостаточная скорость выполнения рабочих операций |
Нагрев гидроцилиндров и гидромоторов |
На корпусе гидроцилиндра, гидромотора и прилегающих к ним трубопроводах на расстоянии 10-20 см |
- Неисправен гидроцилиндр (износ уплотнений, повреждение поршня) - Неисправен гидромотор (износ поршней и распределителя, выход из строя подшипников) |
Нагрев гидрораспределителей |
На корпусе гидрораспределителя и прилегающих к нему трубопроводах слива рабочей жидкости |
- Неисправен гидрораспределитель (износ золотников, неисправность клапанов) |
Если с помощью органов чувств не удалось выявить неисправность, то необходимо использовать приборы: манометры, расходомеры и т.п.
Как подойти к поиску более сложных неисправностей?
Перед тем как начинать поиск неисправностей, нужно четко знать, какие параметры гидравлической системы необходимо измерить, чтобы получить информацию о месте нахождения неисправности, и с помощью каких специальных инструментов, приборов и оборудования это сделать.
Измеряемые параметры
Для нормального функционирования машины на ее рабочий орган должна быть передана определенная сила (крутящий момент) с определенной скоростью и в определенном направлении. Соответствие этих параметров заданным и должен обеспечить гидропривод, преобразующий гидравлическую энергию потока жидкости в механическую энергию выходного звена. Правильная работа рабочего органа зависит от параметров потока - расхода, давления и направления. Следовательно, для проверки работы гидравлической системы необходимо проверить один или несколько из этих параметров. Для принятия решения о том, какие параметры надо проверить, необходимо получить полную информацию о неисправности. Часто сообщение о неисправности в машине состоит из довольно неточной информации, например: "недостаточная мощность". Мощность зависит как от усилия на выходном звене, так и от его скорости, т.е. от двух параметров. В этом случае для принятия решения о том, какой параметр нужно проверить, следует задать более целенаправленные вопросы: привод работает слишком медленно или он не развивает требуемого усилия или крутящего момента?
После определения сути неисправности (недостаточная скорость или сила, неправильное направление движения рабочего органа) можно определить, отклонение какого параметра потока (расхода, давления, направления) от требуемого значения привело к этой неисправности.
Хотя процедура поиска неисправности основана на контроле расхода, давления и направления потока, имеются и другие параметры системы, которые можно измерить как с целью локализации неисправного узла, так и для определения причин его неисправности:
давление на входе в насос (вакуумметрическое) - для выяснения неисправностей во всасывающих линиях;
температура - обычно более высокая температура одного из узлов системы (по сравнению с температурой остальных) является верным признаком того, что имеет место утечка;
шум - при систематических и рутинных проверках шум является хорошим индикатором состояния насоса;
уровень загрязнения - при неоднократном появлении отказов гидросистемы следует проверить загрязненность рабочей жидкости для определения причин неисправности.
Специальные приборы, инструменты и оборудование
В гидравлической системе давление обычно измеряется манометром или вакуумметром, а расход - расходомером. Кроме этого, для специалиста по диагностике могут быть полезны и другие приборы и инструменты:
преобразователь давления и самописец - если точность измерения давления должна быть выше точности, которую обеспечивает манометр, а также если необходимо измерить давление при переходном процессе или при действии реактивных возмущений со стороны внешней нагрузки (преобразователь давления выдает переменное напряжение, зависящее от приложенного давления);
градуированный сосуд и секундомер - при измерении очень малых расходов, например утечек, с их помощью можно получить большую точность, чем при измерении расходомером;
температурный датчик или термометр - для измерения температуры в гидравлическом баке можно установить температурный датчик (часто его совмещают с индикатором уровня рабочей жидкости), причем рекомендуется пользоваться датчиком, выдающим сигнал тревоги, как только температура рабочей жидкости становится слишком низкой или слишком высокой;
термопара - для измерения локальной температуры в системе;
измеритель шума - повышенный шум также является явным признаком неисправности системы, в особенности для насоса. При помощи измерителя шума всегда можно сравнить уровень шума "подозреваемого" насоса с уровнем шума нового насоса;
счетчик частиц - позволяет с высокой степенью достоверности определить уровень загрязненности рабочей жидкости.
Поиск неисправности при функциональной неполадке в машине
Шаг 1. Неправильная работа привода может иметь следующие причины:
скорость исполнительного механизма не соответствует заданной;
подача рабочей жидкости исполнительного механизма не соответствует заданной;
отсутствие движения исполнительного механизма;
движение в неправильном направлении или неконтролируемое движение исполнительного механизма;
неправильная последовательность включения исполнительных механизмов;
"ползучий" режим, (очень) медленная работа исполнительного механизма.
Шаг 2. По гидравлической схеме определяют марку каждого компонента системы и его функцию
Шаг 3. Составляют списки узлов, которые возможно, являются причиной нарушения функционирования машины. Например, недостаточная скорость исполнительного механизма привода может быть следствием недостаточного расхода жидкости, поступающей в гидроцилиндр, или ее давления. Следовательно, надо составить список всех узлов, которые влияют на эти параметры.
Шаг 4. На основании определенного опыта диагностирования определяют приоритетный порядок проверки узлов.
Шаг 5. Каждый узел, содержащийся в списке, подвергают предварительной проверке в соответствии с очередностью. Проверка проводится по таким параметрам, как правильная установка, настройка, восприятие сигнала и т.д., с целью выявления ненормальных признаков (как, например, повышенные температура, шум, вибрация и т.п.)
Шаг 6. Если в результате предварительной проверки узел, имеющий неисправность, не найден, то проводят более интенсивную проверку каждого узла с применением дополнительных инструментов, без снятия узла с машины.
Шаг 7. Проверка с использованием дополнительных приборов должна помочь найти неисправный узел, после чего можно решить, следует его ремонтировать или заменить.
Шаг 8. Перед повторным запуском машины необходимо проанализировать причины и последствия неисправности. Если неполадка вызвана загрязнением или повышением температуры гидравлической жидкости, то она может повториться. Соответственно, надо провести дальнейшие мероприятия по устранению неисправности. Если сломался насос, то его обломки могли попасть в систему. До подключения нового насоса гидроситему следует тщательно промыть.
31 -36
