- •1. Система впрыска "k-jetronik" ("к-Джетроник")
- •1.1. Принцип действия. Главная дозирующая система и
- •1.3. Вспомогательные элементы системы впрыска
- •1.4. Дозатор-распределитель, регулятор давления питания
- •1.5. Регулятор управляющего давления
- •1.6. Пусковая форсунка, термореле, клапан дополнительной подачи воздуха
- •1.7. Форсунки впрыска
- •1.8. Электрическая схема системы впрыска
- •1.9. Проверка, регулировка, поиск неисправностей
- •Проверка производительности насоса
- •Проверка пусковой форсунки
- •Причины неисправностей
- •Причины неисправностей
- •Замена форсунок
1. Система впрыска "k-jetronik" ("к-Джетроник")
Система впрыска "K-Jetronic” фирмы BOSCH представляет собой механическую систему постоянного впрыска топлива. Топливо под давлением поступает к форсункам, установленным перед впускными клапанами во впускном коллекторе. Форсунка непрерывно распыляет топливо, поступающее под давлением. Давление топлива (расход) зависит от нагрузки двигателя (от разрежения во впускном коллекторе) и от температуры охлаждающей жидкости.
Количество подводимого воздуха постоянно измеряется расходомером, а количество впрыскиваемого топлива строго пропорционально (1:14,7) количеству поступающего воздуха (за исключением ряда режимов работы двигателя, таких как пуск холодного двигателя, работа под полной нагрузкой и т.д.) и регулируется дозатором-распределителем топлива. Дозатор-распределитель или регулятор состава и количества рабочей смеси состоит из регулятора количества топлива и расходомера воздуха. Регулирование количества топлива обеспечивается распределителем, управляемым расходомером воздуха и регулятором управляющего давления. В свою очередь воздействие регулятора управляющего давления определяется величиной подводимого к нему разрежения во впускном трубопроводе и температурой жидкости системы охлаждения двигателя.
1.1. Принцип действия. Главная дозирующая система и
СИСТЕМА ХОЛОСТОГО ХОДА
Топливный насос 2, (рис. 2), забирает топливо из бака 1 и подает его под давлением около 5 кгс/см² через накопитель 3 и фильтр 4 к каналу "А" дозатора-распределителя 6. При обычном карбюраторном питании управление двигателем осуществляется воздействием на педаль "газа" т.е. поворотом дроссельной заслонки. Если при карбюраторном питании дроссельная заслонка регулирует количество подаваемой в цилиндры рабочей смеси, то при системе впрыска дроссельная заслонка 11 регулирует только подачу чистого воздуха.
Для того, чтобы установить требуемое соотношение между количеством поступающего воздуха и количеством впрыскиваемого бензина используется расходомер воздуха с так называемым напорным диском 5 и дозатор-распределитель топлива 6.
В действительности расходомер не замеряет, в буквальном смысле слова, расход воздуха, просто его напорный диск перемещается "пропорционально" расходу воздуха. А само название "расходомер" объясняется тем, что в этом устройстве использован принцип действия физического прибора, называемого трубкой Вентури и применяемого для замера расхода газов.
Расходомер воздуха системы впрыска топлива представляет собой прецизионный механизм. Напорный диск его очень легкий (толщина примерно 1 мм, диаметр — 100 мм) крепится к рычагу, с другой стороны рычага (см. рис. 2) установлен балансир, уравновешивающий всю систему. С учетом того, что ось вращения рычага лежит в опорах с минимальным трением (подшипники качения), диск очень "чутко" реагирует на изменение расхода воздуха.
На оси вращения рычага напорного диска 5 закреплен второй рычаг с роликом. Ролик упирается непосредственно в нижний конец плунжера дозатора-распределителя. Наличие второго рычага с регулировочным винтом позволяет менять относительное положение рычагов, а значит напорного диска и упорного ролика (плунжера распределителя) и этим изменять состав рабочей смеси. Положение винта регулируется на заводе-изготовителе. На некоторых автомобилях, например, BMW-520i, -525i, -528i, -535i, при необходимости этим винтом можно отрегулировать содержание СО в отработавших газах (при его завертывании смесь обедняется).
Рис. 2. Схема главной дозирующей системы и системы холостого хода системы впрыска "K-Jetronic":
1 — топливный бак, 2 — топливный насос, 3 — накопитель топлива, 4 — топливный фильтр, 5 — напорный диск расходомера воздуха, 6 — дозатор-распределитель количества топлива, 7 — регулятор давления питания, 8 — регулятор управляющего давления, 9 — форсунка (инжектор), 10 — регулировочный винт холостого хода, II — дроссельная заслонка. Каналы: А — подвод топлива к дозатору-распределителю, В — слив топлива в бак, С — канал управляющего давления, D — канал толчкового клапана, E — подвод топлива к форсункам
Механическая система: расходомер воздуха — дозатор-распределитель обеспечивает только соответствие перемещений напорного диска и плунжера распределителя. Но, если трубка Вентури обеспечивает линейную зависимость перемещения напорного диска от расхода воздуха, то простейший по форме плунжера распределитель, линейной зависимости между перемещением плунжера и расходом бензина уже не дает. Для получения ^линейной зависимости применена система дифференциальных клапанов, о них речь ниже.
Напомним, "линейная зависимость " — в буквальном смысле слова означает, что график функции — прямая линия. Другими словами, изменение аргумента вызывает прямо пропорциональное изменение функции. Например, аргумент (расход воздуха) увеличился в 2 раза во столько же раз увеличится и функция (перемещение). В данном случае независимым переменным (аргументом) будет уже перемещение плунжера, а функцией — расход бензина.
Из дозатора-распределителя топливо по каналам "Е" поступает к форсункам впрыска 9, (см. рис. 2). Иногда вместо слова форсунка (от force — франц. сила) применяется слово инжектор (лат. mjicere—бросать внутрь).
Итак, перемещение напорного диска вызывает перемещение плунжера распределителя. Направления перемещений на рис. 2 показаны стрелками. Взаимосвязь перемещений и упомянутые выше дифференциальные клапаны обеспечивают стехиометрическое соотношение воздуха и бензина в рабочей смеси. Но, напомним еще раз, характерной особенностью автомобильного двигателя является то, что он должен быть приспособлен к различным режимам: холодный пуск, холостой ход, частичные нагрузки, полная нагрузка. Смесь приходится при соответствующих режимах или обогащать или обеднять. Для получения соответствия состава рабочей смеси режиму работы двигателя в системе впрыска со стороны верхней части плунжера (см. рис. 2) в распределитель подходит по каналу "С" управляющее давление. Величина последнего определяется регулятором управляющего давления 8. Это давление в зависимости от режима работы двигателя имеет большую или меньшую величину. В первом случае сопротивление перемещению плунжера увеличивается — смесь обедняется. Во втором случае, напротив, сопротивление перемещению плунжера уменьшается — смесь становится богаче. Одним из режимов работы автомобильного двигателя является резкое открытие дроссельной заслонки. При карбюраторной системе питания необходимое обогащение смеси (в противном случае, так как воздух более подвижен, было бы ее обеднение) производится ускорительным насосом. При системе впрыска обогащение обеспечивается почти мгновенной реакцией напорного диска (рис. 3).
Бензиновый электрический насос 2 (см. рис. 2) работает независимо от частоты вращения коленчатого вала двигателя. Он включается при двух условиях, когда включено зажигание и вращается коленчатый вал. Если учесть, что насос имеет запасы по давлению двукратный, по подаче десятикратный, то понятно, что система впрыска должна иметь регулятор давления питания. Этот регулятор 7, (см. рис. 2) встроен в дозатор-распределитель, соединен с каналом "А" ( подвод топлива), по каналу "В" осуществляется слив излишнего топлива в бак, канал "D" соединен с регулятором управляющего давления 8.
Рис. 3. Взаимосвязь открытия дроссельной заслонки, перемещения напорного диска и увеличения частоты вращения коленчатого вала (система "K-Jetronic")
Холостой ход карбюраторных двигателей регулируется двумя винтами: количества и качества смеси. Система питания с впрыском топлива также имеет два винта: винт качества (состава) рабочей смеси, этим винтом регулируется содержание СО в отработавших газах, и винт количества смеси 10, этим винтом устанавливается частота вращения коленчатого вала двигателя на холостом ходу.
1.2. СИСТЕМА ПУСКА
При пуске двигателя электронасос 2 (рис. 4), практически мгновенно создает давление в системе. Если двигатель прогрет (температура не менее 35°С) термореле 12 выключает пусковую форсунку 11 с электромагнитным управлением. В момент пуска холодного двигателя и в течение определенного времени пусковая форсунка впрыскивает во впускной коллектор дополнительное количество топлива.
Продолжительность работы пусковой форсунки определяет термореле в зависимости от температуры охлаждающей жидкости. Клапан 13 обеспечивает подвод к двигателю дополнительного количества воздуха для повышения частоты вращения коленчатого вала холодного двигателя на холостом ходу. Дополнительное обогащение топливовоздушной смеси при пуске и прогреве холодного двигателя достигается за счет более свободного подъема плунжера распределителя дозатора-распределителя благодаря тому, что регулятор управляющего давления 8 снижает над плунжером противодействующее давление возврата.
Таким образом, если двигатель уже прогрет, питание осуществляется только через главную дозирующую систему и систему холостого хода, (см. рис. 2). При этом, термореле 12 (см. рис. 4), пусковая электромагнитная форсунка II и клапан добавочного воздуха 13 в работе не участвуют. При пуске и прогреве холодного двигателя все перечисленные элементы системы впрыска включаются в работу, обеспечивая надежный запуск и стабильную работу двигателя на холостом ходу.
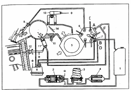
Р
ис.
4. Схема системы впрыска топлива
"K-Jetronic": 1
— топливный бак, 2 — топливный насос, 3
— накопитель топлива, 4 — топливный
фильтр, 5 — расходомер воздуха, 6 —
дозатор-распределитель, 7 — регулятор
давления питания, 8 — регулятор
управляющего давления, 9
— форсунка
впрыска, 10 — регулировочный винт
холостого хода, 11 — пусковая электромагнитная
форсунка, 12 — термореле, 13 — клапан
добавочного воздуха, 14 — дроссельная
заслонка. Каналы: А — подвод топлива к
дозатору-распределителю, В — слив
топлива в бак, С — канал управляющего
давления,
D — канал
толчкового клапана, Е — подвод топлива
к рабочим форсункам,
F — подвод
топлива к пусковой форсунке с
электромагнитным управлением
