Федеральное агентство связи
Казанскийэлектротехникум связи
Технический отчет
по радиомастерским
«Логический пробник».
Выполнил:
Студент группы 301
Денисов Сергей
2011
Введение.
Данная работа посвящена изготовлению и настройке логического пробника, приобретению практических навыков по разработке печатной платы, работе с программой “Layout40” предназначенной для проектирования печатной платы.
Назначение.
Логический пробник предназначен для показания логического уровня напряжения, индицирует три различных состояния на входе:
1. отсутствие сигнала (загорается знак -|).
2. напряжение низкого логического уровня (горит 0)
3. напряжение высокого логического уровня (горит 1).
Питается устройство от источника постоянного тока напряжением 9В (батарея).
1. Монтаж радиоэлементов современные технологии.
При монтаже радиотехнических элементов применяют скрутку (холодную пайку) и горячую пайку. Следует иметь в виду, что “холодная пайка” при эксплуатации собранного устройства может быть горячей (нагревается место скрутки проводов вследствие повышенного сопротивления), а горячая пайка всегда холодная.
Д
ля
пайки радиоэлементов обычно используют
оловянно-свинцовый припой и канифольный
флюс (сухая канифоль или раствор канифоли
в спирте). Использовать для пайки
радиоэлементов кислотный флюс нельзя,
так как с течением времени электрический
контакт в месте пайки может нарушиться.
Пайку производят электрическим
паяльником с медным наконечником.
В учебных заведениях применяются
паяльники, рассчитанные на напряжение
42 В.
Флюс при пайке необходим для смачивания спаиваемых поверхностей и равномерного растекания припоя. Флюс защищает место пайки от окисления. Качественная пайка получается при определенной температуре жала паяльника, а, следовательно, при определенной температуре поверхности спаиваемых деталей. При недостаточной температуре припой образует кашеобразную массу, которая при остывании не обеспечивает надежного механического и электрического контакта. При высокой температуре жала паяльника очень быстро выгорает канифольный флюс, загрязняется жало паяльника и поверхность спаиваемых деталей.
При пайке необходимо следить, чтобы жало паяльника было залужено (покрыто тонким слоем олова) и не содержало сгоревших остатков канифольного флюса. Если жало покрыто слоем окалины, то выполнить пайку радиоэлементов будет невозможно, так как теплопроводность окалины меньше теплопроводности олова и меди, следовательно, тепловой поток от паяльника к месту пайки будет существенно ослаблен, место пайки не прогреется и к нему с помощью жала паяльника нельзя доставить порцию припоя.
Перед пайкой спаиваемые детали должны быть тщательно очищены от окислов и покрыты канифольным лаком (15-20 % раствор канифоли в спирте). Подготовленные к пайке монтажные провода должны иметь оголенную часть не более 2-3 миллиметров, при пайке обмоточных проводов ПЭВ (провод эмалевый влагостойкий) необходимо удалить с поверхности провода изоляционный лак. Залуживание жала паяльника производят следующим образом: жало горячего паяльника зачищают напильником и как можно быстрее касаются им флюса и припоя. Удобно пользоваться мелкой металлической сеткой, на которой находится флюс и припой. Окислы с поверхности жала паяльника удаляют, прижимая жало к поверхности металлической сетки и перемещая его; при этом канифольный флюс защищает жало от окисления. Место пайки должно прогреваться паяльником 3-5 секунд (паяльником не рекомендуется пользоваться как кисточкой).
При монтаже необходимо правильно формировать выводы радиоэлементов. На рисунке 6.1 приведены примеры правильного и неправильного формирования выводов резистора для монтажа на плате из фольгированного материала.
При пайке радиоэлементов пинцет используется не только для удержания радиоэлементов, а также в качестве теплоотвода.
Д
ля
пайки микросхем и других мелких деталей
необходим паяльник с малым жалом. При
отсутствии такого паяльника можно
воспользоваться стандартным паяльником,
намотав на его жало медный провод так,
как показано на рисунке 6.2.
Перед монтажом радиоэлементов их необходимо проверить. Резисторы проверяют с помощью омметра, измеряя их сопротивление постоянному току. Большинство конденсаторов можно проверить, измеряя их емкость методом вольтметра-амперметра. Катушки индуктивности чаще всего проверяют, измеряя их сопротивление постоянному току. Для высокочастотных катушек это сопротивление близко к нулю. Проверить таким образом межвитковое замыкание в катушке нельзя (для его определения существуют другие способы).
Исправность полупроводниковых диодов проверяют омметром, измеряя сопротивление р-n перехода в прямом и обратном направлениях. В прямом направлении сопротивление диода малое, в обратном - большое (следует учесть, что омметром, выполненным по параллельной схеме, сопротивление кремниевого диода в прямом направлении измерить не удается, так как напряжение на зажимах омметра недостаточно для преодоления потенциального барьера р-n перехода). При проверке транзисторов нужно проверить не только исправность двух р-n переходов, но и сопротивление между выводами эмиттер-коллектор транзистора. Оно должно быть большим.
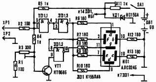
2. Принципиальная схема логического пробника.
Рис.1
Описание схемы логического пробника и перечень элементов.
Пробник максимально прост и содержит минимальное количество радиодеталей. В нем применен полупроводниковый знакосинтезирующий индикатор АЛС324Б. Прибор индицирует три различных состояния на входе: отсутствие сигнала (загорается знак -|), напряжение низкого логического уровня (горит 0), напряжение высокого логического уровня (горит 1). Питается устройство от источника постоянного тока напряжением 9 В (батарея "Корунд"). Принципиальная схема логического пробника показана на рисунке 1. Транзистор VT1 исполняет роль электронного ключа. Элементы DD1.1 и DD1.3 микросхемы DD1 служат для усиления входного сигнала, а DD1.2 используется в качестве сравнивающего устройства. Логическая информация отображается знакосинтезирующим индикатором HG1. Постоянные резисторы R6-R10, R12, R13 ограничивают ток светодиодов индикатора, а подстроечный резистор R3 служит для установки пробника в исходное состояние при отсутствии входного сигнала. Батарея GB1, стабилитрон VD1 и подстроечный резистор R11 образуют стабилизированный источник питания постоянного тока. Предположим, что после включения питания сигнал на входе пробника отсутствует (щупы ХР1 и ХР2 не подключены к электрической цепи проверяемого устройства). При этом транзистор VT1 будет заперт и на входе 9 элемента DD1.2 установится напряжение высокого логического уровня. Такой же величины будет напряжение на входах 5 и 6 DD1.1, а следовательно, и на выходе 1 DD1.3 и входе 8 DD1.2. В результате на выходе 10 DD1.2 установится логический 0, и на индикаторе HG1 загорятся сегменты g, b и с (последние два через резисторы R12 и R13 подключены непосредственно к "минусовому" проводу питания), обозначая отсутствие сигнала на входе пробника. Если теперь на вход подать напряжение высокого логического уровня, состояние элементов DD1.1 и DD1.3 не изменится, зато транзистор VT1 откроется и на входе 9 DD1.2 установится логический 0. Элемент DD1.2 переключится, на его выходе появится логическая 1 и сегмент g индикатора погаснет. В то же время сегменты b и c продолжают светиться, образуя цифру 1. Подадим на вход пробника напряжение низкого логического уровня. Транзистор VT1 снова окажется запертым, а вот элементы DD1.1 и DD1.3 переключатся в противоположные состояния и на выходе 1 DD1.3 и входе 8 DD1.2 установится логический 0. При этом элемент DD1.2 также переключится, и на его входе появится напряжение высокого логического уровня. В результате сегмент g погаснет, а сегменты а, d, e, f загорятся, образуя вместе с непрерывно горящими сегментами b и с изображение цифры 0. |
|
Все элементы пробника, за исключением батареи питания GB1, тумблера SA1 и щупов ХР1 и ХР2, размещаются на монтажной плате, изготовленной из фольгированного гетинакса или стеклотекстолита толщиной 1-2 мм. В устройстве можно использовать следующие детали. Транзистор КТ601 - КТ603, КТ608 с любым буквенным индексом. Вместо индикатора АЛС324Б можно применить любой другой с разделенными катодами, например КЛЦ201. Стабилитрон - КС156А или КС147А. Постоянные резисторы-ВС, МЛТ, ОМЛТ, С2-23, С2-33; подстроечные - СПЗ-16. Допустимо также использовать подстроечные резисторы СП4; однако необходимо будет несколько изменить конструкцию монтажной платы с учетом его габаритов и расположения выводов. Тумблер - малогабаритный, например ПДМ или МТ1, МТД1. Щупы- от промышленного измерительного прибора. Настройка. Прежде всего вращением движка подстроечного резистора R11 подберите напряжение питания микросхемы DD1, чтобы оно составляло 5 В. Затем при отсутствии входного сигнала установите пробник в исходное состояние, переведя движок R3 в крайнее правое по схеме положение. При этом на индикаторе должны гореть сегменты b и с. вращая движок R5, добейтесь свечения сегмента g. |
Порядок разработки печатной платы.
Для начала выбирается печатная плата, она бывает двух видов:
Гетинакс-это спрессованная бумага, пропитанная специальным клеем. Обладает высокой прочностью.
Стеклотекстолит- изготавливается из стекловолокна методом прессования и пропиткой специальным клеем.
Эти оба материала бывают двух видов фольгированный и не фольгированный.
После того как определены основные показатели конструируемой аппаратуры и разработана или выбрана принципиальная схема, надо подумать целесообразно ли выполнить устройство на одной монтажной панели или разделить его на блоки. В нашем случае, следует, источник питания разместить отдельно от печатной платы. Остальные элементы располагаются на печатной плате, таким образом, что бы дорожки от этих элементов не пересекались друг с другом. Так как мы разрабатываем логический пробник печатную плату, следует, делать удобной для держания в руке, в виде прямоугольника примерные размеры длина 8 см ширина 3 см.
Лазерно-утюжный способ изготовления печатных плат.
1.Использование программы “Layout40” позволяет произвести трассировку печатной платы. Пользуясь принципиальной схемой прибора размещаем дорожки.
2. После трассировки печатной платы распечатываем её на чистом листе бумаги, который прикладывается рисунком к стеклотекстолитовой основе, вырезанной под размер печатной платы. Далее утюгом нагреваем поверхность листа, приложенного к стеклотекстолитовой основе, греем примерно в течение трёх минут. После этого удаляем бумагу с платы, используя воду.
3. Процесс травления платы. Разводим раствор хлорированного железа в нагретой воде в соотношении с ней 1:3. Помещаем в раствор плату с нанесенными на неё тонерными дорожками. В растворе происходит процесс вытравливания меди с поверхности стеклотекстолита. Медь под тонерными дорожками остается.
4. Удаляем тонер с платы, используя растворитель.
