- •Динамические характеристики гвв
- •Нагрузочные характеристики гвв
- •6. Принципиальная электрическая гвв. Временные диаграммы токов и напряжений в гвв.
- •28. Антенны. Основные параметры антенных устройств.
- •23. Передатчики с фазовой модуляцией.
- •20. Передатчики с амплитудной модуляцией
- •Экзаменационный билет 12
- •Экзаменационный билет 4 (Найдено в гугле)
- •Экзаменационный билет 13
- •Экзаменационный билет 19
- •Экзаменационный билет 10
- •2. Преобразователи частоты. Принцип действия, классификация, структурная схема, основные показатели.
- •Вопрос 2 упч. Особенности построения упч
- •Вопрос 1. Краткая характеристика видов модуляции
- •Вопрос 1 . Структурная схема гвв. Режимы работы, угол отсечки, трололо…
- •Вопрос 1. Назначение, классификация, области применения и структурные схемы приемо-передающих устройств
- •Вопрос 2. Методы борьбы с помехами
- •1.Типы активных элементов, статические характеристики, аппроксимация статических характеристик, их основные параметры.
- •2. Детекторы. Назначение, принципы действия, классификация, основные показатели.
- •1. Линейные электрические вибраторы. Типы антенн.
- •2)Вибраторная антенна
- •3)Несимметричный вибратор[3]
- •1. Линии передачи. Фидерные устройства с нагрузкой.
- •2)Обеспечение конфиденциальности радиосвязи
- •4. Обеспечение конфиденциальности абонента при корректировании его местонахождения
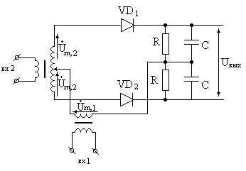
Экзаменационный билет 19
Фазовые детекторы. Определение, принцип действия, схемы.
(Найдено в гугле)
Фазовый детектор (ФД) — в электронике, устройство, сравнивающее фазы двух входных сигналов. Обычно, один из них генерируется генератором сигнала, управляемым напряжением, а второй берется из внешнего источника. ФД имеет два входа, управляющих стоящей за ним схемой подстройки частоты, задача которой сделать фазы сигналов одинаковыми.
Для фазовой автоподстройки частоты (ФАПЧ) сигнал ошибки из ФД (значение найденной разности фаз) подается на сглаживающий фильтр (фильтр нижних частот). Сигнал с фильтра подается на управляемый напряжением генератор, частота(фаза) выходного сигнала которого зависит от напряжения на входе. Сигнал с генератора по цепи обратной связи поступает назад в детектор, замыкая контур ФАПЧ.
Фазовый детектор является очередной ступенью развития фазовых компараторов, выполнявших те же функции в первых устройствах ФАПЧ.
Схема.
Экзаменационный билет 10
2. Преобразователи частоты. Принцип действия, классификация, структурная схема, основные показатели.
Преобразователи частоты (ПЧ) предназначены для линейного переноса спектра сигнала из одной области радиочастотного диапазона в другую. Линейным называют перенос спектра без изменения вида и без искажений параметров модуляции сигнала. В супергетеродинных приемниках перенос спектра производится на промежуточную частоту.
Преобразование частоты сигнала можно получить при подаче принятого сигнала на активный элемент радиотехнического устройства (транзистор, диод, микросхему, варикап), параметры которого периодически изменяются во времени с частотой, отличной от частоты принимаемого сигнала. Изменение параметров производится с использованием специального генератора – гетеродина
Основные качественные показатели ПЧ
К основным качественным показателям преобразователей частоты относятся:
диапазон рабочих частот (по входному сигналу); коэффициент преобразования (передачи, усиления); полоса пропускания; избирательность; коэффициент шума; искажения параметров модуляции; входное и выходное сопротивление; устойчивость работы.
Классификация схем
Используются следующие виды схем преобразователей частоты:
с отдельным гетеродином;
с совмещенным гетеродином.
В схемах с совмещенным гетеродином смеситель и гетеродин выполняются на одном активном приборе (транзисторе). Схемы с отдельным гетеродином требуют дополнительного транзистора, но отличаются большей стабильностью.
По типу прибора, на котором выполняется смеситель, различают:
транзисторные преобразователи частоты;
диодные преобразователи частоты.
Структурная схема преобразователя частоты
Она содержит: НЭ – нелинейный или смесительный элемент; Г –
генератор, и Ф – фильтр. Режим работы НЭ периодически меняется во времени под действием напряжения генератора с частотой ωг. В результате меняются такие параметры нелинейного элемента, как крутизна, что приводит к
преобразованию сигнала
Билет 9
