Лекция 2. П.2. Декартово произведение. Мощность множества.
2.1. Декартово произведение множеств.
Упорядоченная пара
интуитивно определяется как совокупность,
состоящая из двух элементов x
и y, расположенных в
определенном порядке. Две пары
и
считаются равными тогда и только тогда,
когда x=u
и y=v.
Определение 2.1. Пусть A и B – два множества. Прямым (декартовым) произведением двух множеств A и B называется множество всех упорядоченных пар, в котором первый элемент каждой пары принадлежит A, а второй принадлежит B:
.
Пример ..
Пусть
и
.
Тогда
.
.
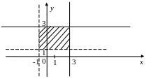
Пример .. На координатной плоскости построить следующее множество:
(-1; 3×1; 3)
Р
ешение.
Первое множество помещаем на оси OX,
второе на оси OY.
Множество всех пар, т.е. декартово
произведение, изображается точками
заштрихованного прямоугольника, но без
левой и нижней стороны.
Как вы знаете, точка на плоскости может
быть задана упорядоченной парой
координат, то есть двумя точками на
координатных осях. Поэтому координатную
плоскость можно задать в виде
.
Метод координат ввел в употребление
Рене Декарт (1596-1650), отсюда и название
«декартово произведение».
В частности, если A пусто или B пусто, то, по определению, AB пусто.
Понятие прямого произведения допускает обобщение.
Прямое произведение множеств A1, A2, …, An – это множество наборов (кортежей):
.
Множества Ai не обязательно различны.
Степенью множества A называется его прямое произведение самого на себя. Обозначение:
.
Соответственно,
и вообще
.
Пример .. Пусть B=0, 1. Описать множество Bn.
Решение. Множество Bn состоит из последовательностей нулей и единиц длины n. Они называются строкой бит или битовой строкой длины n.
2.2. Мощность множества.
Альберт Эйнштейн как-то говорил: «Не все, что можно сосчитать, сосчитано, и не все, что сосчитано, можно сосчитать». Хотя это высказывание не очень воодушевляет, попытаемся заняться подсчетами.
Говорят, что между множествами A и B установлено взаимно однозначное соответствие, если каждому элементу множества A соответствует один и только один элемент множества B и каждому элементу множества B соответствует некоторый элемент множества A. В этом случае говорят также, что множества A и B изоморфны и используют обозначение AB.
Определение 2.2. Два множества A и B называются эквивалентными, или равномощными, если между этими множествами может быть установлено взаимно однозначное соответствие. В этом случае пишут: AB, или A=B, и говорят, что множества A и B имеют равные мощности.
Пример .. 1) Множество десятичных цифр равномощно множеству пальцев на руках человека.
2) Множество четных натуральных чисел (2N) равномощно множеству всех натуральных чисел (N).
Определение 2.3. Множество A называется конечным, если оно эквивалентно Jn при некотором n, где Jn=1, 2, …, n – множество n первых натуральных чисел.
Определение 2.4. Мощностью конечного множества A, которое содержит k элементов, называется число его элементов. Она обозначается A=k. Пустое множество считается конечным с числом элементов равным нулю, т.е. =0.
Таким образом, если множество A конечно, т.е. A=k, то элементы A всегда можно перенумеровать, то есть поставить в соответствие элементам номера из отрезка натурального ряда 1..k с помощью некоторой процедуры. Наличие такое процедуры подразумевается, когда употребляется запись A=a1, a2, …, ak.
Пример .. В компьютере все множества реальных объектов конечны: множество адресуемых ячеек памяти, множество исполнимых программ, множество тактов работы процессора.
Множества, которые не являются конечными,
называются бесконечными. Если
некоторое множество A
равномощно множеству N,
т.е. AN,
то множество A называется
счетным (в зарубежной литературе:
множество называются счетным, если оно
конечно или счетно бесконечно). Счетное
множество A – это
такое множество, все элементы которого
могут быть занумерованы в бесконечную
последовательность a1,
a2, …,
an,
…, так, чтобы при этом каждый элемент
получил лишь один номер n
и каждое натуральное число n
было бы номером лишь одного элемента
множества A. Мощность
счетного множества принято обозначать
через
(
– первая буква древнееврейского
алфавита, называемая «алеф», символ
читается: «алеф-нуль»). В частности
N=
.
Пример .. Множество Z – множество целых чисел счетно.
Решение. Рассмотрим множество целых чисел Z:
…, n, …, 3, 2, 1, 0, 1, 2, 3, …, n, … .
На первый взгляд, кажется, что это множество невозможно перенумеровать. Однако эту нумерацию можно осуществить, применив следующую хитрость: двигаясь не в одном направлении, а все время менять его. Иными словами, будем нумеровать так: числу 0 дадим номер 1, числу 1 – номер 2, числу 1 – номер 3, числу 2 – номер 4, числу 2 – номер 5, и т.д. Таким образом, получаем взаимно однозначное соответствие между множеством Z и N. А значит, множество Z счетно.
Множество A называется
несчетным, если его мощность
больше мощности множества N.
В таком случае множество A
называется континуальным или
континуумом. Мощность континуума
обозначается
.
Следующую теорему примем без доказательства.
Теорема 2.1. Множество всех действительных чисел имеет мощность континуума, т.е. R=C.
