- •1. Стислі теоретичні відомості
- •2. Генератор імпульсів г5-54
- •3.1. Технічні дані осцилографа с1-55
- •3.2. Принцип дії приладу осцилографа с1-55
- •3.3. Органи управління та регулювання осцилографа
- •3.4. Вимір часових інтервалів
- •3.6. Вимір амплітуди досліджуваних сигналів
- •4. Порядок виконання роботи
- •6. Контрольні завдання та запитання
- •2. Порядок виконання роботи
- •4. Контрольні запитання та завдання
- •1. Стислі теоретичні відомості
- •2. Порядок виконання роботи
- •4. Контрольні запитання та завдання
- •В статичному режимі та в режимі підсилення
- •1. Стислі теоретичні відомості
- •2. Порядок виконання роботи
- •4. Контрольні запитання та завдання
- •Лабораторна робота 5 дослідження часових характеристик та параметрів біполярних транзисторів
- •1. Стислі теоретичні відомості
- •2. Порядок виконання роботи
- •2. Порядок виконання роботи
- •4. Контрольні запитання та завдання
- •Дослідження статичних характеристик
- •1. Стислі теоретичні відомості
- •2. Порядок виконання роботи
- •4. Контрольні запитання та завдання
- •Цифрових інтегральних мікросхем
- •1. Стислі теоретичні відомості
- •2. Порядок виконання роботи
- •4. Контрольні запитання та завдання
- •Список літератури
- •Лабораторні роботи 1–8
4. Контрольні запитання та завдання
Які параметри діода як ключа, визначають його швидкодію?
Чим обмежується швидкодія діодів?
Чим визначається час відновлення зворотного опору діода?
Наведіть класифікацію діодів за часом відновлення зворотнього опору.
Які діоди називають ключовими?
Поясність ємнісні властивості діодів.
Поясніть осцилограму струму, який протікає через діод при роботі з генератором напруги в режимі великих амплітуд.
Як змінюється форма струму, що протікає через діод, при збільшенні амплітуди вхідного імпульсу і напруги зміщення?
Поясніть осцилограму напруги діода при роботі з генератором струму в режимі великих і малих амплітуд.
Чому при збільшенні частоти діода втрачають вентильні властивості?
За рахунок яких процесів відбувається обмеження амплітуди імпульсів?
Лабораторна робота 3
ДОСЛІДЖЕННЯ НАПІВПРОВІДНИКОВИХ СТАБІЛІТРОНІВ
Мета роботи: поглиблення та закріплення знань про основні фізичні процеси, які протікають у зворотно зміщених електронно-діркових переходах, особливості напівпровідникових стабілітронів, їх експлуатаційні параметри; набуття навичок експериментального дослідження таких приладів та визначення показників параметричних стабілізаторів.
1. Стислі теоретичні відомості
Напівпровідникові діоди ефективно використовують і у зворотному увімкненні. Коли зворотна напруга досягає визначеного критичного значення, струм діода починає різко збільшуватись. Це явище називають пробоєм діода. Розрізняють електричний та тепловий пробій. Тепловий пробій викликає руйнування приладу, електричний – використовують для побудови напівпровідникових діодів, зокрема, напівпровідникових стабілітронів. Існує два види електричного пробою, які нерідко супроводжують один одного: лавинний та тунельний.
Лавинний пробій пояснюється лавинним розмноженням носіїв за рахунок ударної іонізації та за рахунок виривання електронів із атомів сильним електричним полем. Цей пробій характерний для p-n переходів великої товщини і виникає при порівняно малій концентрації домішок в напівпровідниках. Напруга лавинного пробою складає десятки або сотні вольт.
Тунельний пробій пояснюється явищем тунельного ефекту. Він утворюється при сильному електричному полі напругою більшою ніж 10 В/см, яке діє в p-n переході невеликої товщини. При цьому деякі електрони проходять через перехід, не змінюючи своєї енергії. Тонкі переходи, в яких можливий тунельний ефект, отримують при високій концентрації домішок в напівпровідниках. Напруга, що відповідає тунельному пробою, зазвичай не перевищує одиниць вольт.
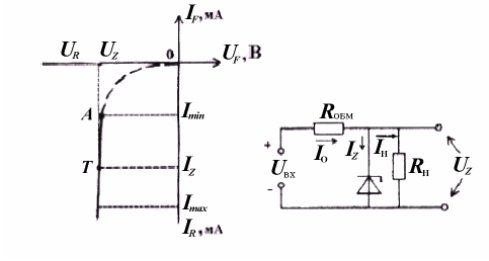
Вольт-амперна характеристика напівпровідникових діодів в області електричного пробою має ділянку, яка використовується для стабілізації напруги. Така ділянка у кремнієвих площинних діодів відповідає зміні зворотного струму в широких межах. До початку пробою зворотний струм дуже малий, а в режимі пробою, тобто в режимі стабілізації, він стає таким, як і прямий струм. В наш час випускають виключно кремнієві стабілітрони багатьох типів. Їх також називають опорними діодами, тому що стабільну напругу, яку від них отримують, у ряді випадків використовують як еталонну. На рис. 3.1, а дана типова ВАХ стабілітрона при зворотному струмі, яка показує, що в режимі стабілізації напруга змінюється мало. Характеристика прямого струму стабілітрона така ж, як і у звичайних діодів. У точці А, де пробій є достатньо стійкий, струм різко зростає, допустиме його значення Imax обмежується лише допустимою потужністю розсіювання.
а б
Рис. 3.1. Типова вольт-амперна характеристика: а стабілітрона;
б схема параметричного стабілізатора
В сучасних стабілітронах Imax коливається в межах від десятків міліампер до декількох ампер. Робоча напруга стабілітрона, яка є робочою напругою p-n переходу, залежить від концентрації домішок у p-n структурі та знаходиться в межах 4 – 200 В.
Для
стабілізації малих напруг використовують
кремнієві діоди при прямому увімкненні
– стабістори. Наприклад, діоди Д219С,
Д222С і Д223С забезпечують постійну пряму
напругу 1 – 1,5 В (при прямому струмі 50 мА
і температурі 25
)
[3, 4].
Відповідно до ГОСТ 10862-72 стабілітрони позначались за наступною системою. Перший елемент позначки вихідний матеріал: К – кремній; другий – літера, яка характеризує підклас приладів: С – стабілітрони та стабістори. Третій елемент позначки визначає індекс потужності, четвертий – кодовану позначку номінальної напруги стабілізації, п'ятий – послідовність розробки (літери російського алфавіту від А до Я). Розшифровку третього та четвертого елементів позначки знаходять зазвичай за довідником. Приклад позначки: КС 168 А – стабілітрон напівпровідниковий, який призначений для пристроїв широкого використання, кремнієвий, потужністю не більшою ніж 0,3 Вт, з напругою стабілізації 6,8 В, послідовність розробки А [3, 4].
Напруга стабілітрона у робочому режимі мало залежить від струму, що є основою для використання цих приладів для побудови параметричних стабілізаторів напруги. На робочій ділянці характеристики (від Imin до Imax) залежність напруги стабілітрона від струму характеризується диференціальним опором:
Електрична схема параметричного стабілізатора зображена на рис. 3.1, б. Опір обмежуючого резистора Rобм повинен бути значно більшим за диференціальний опір стабілітрона rст. Чим більше відношення Rобм /rст, тим краща стабілізація напруги.
Напруги і струми у параметричному стабілізаторі зв'язані між собою наступними співвідношеннями (рис. 3.1, б):
При збільшенні вхідної напруги Uвх повинна була б збільшитися і вихідна напруга Uвх. Однак навіть незначне збільшення UZ призводить до різкого збільшення струму стабілітрона (рис. 3.1, а). В результаті чого збільшується Io і відповідно – спад напруги Io Rобм, що компенсує збільшення Uвх, а вихідна напруга залишається майже незмінною. При зменшенні вхідної напруги Uвх струм Io зменшується, падіння напруги Io Rобм зменшується, що також компенсує нестабільність Uвх.
Якщо напруга джерела (вхідна напруга) нестабільна (змінюється від Umin до Umax) за умови, що опір навантаження Rн – постійний, значення резистора Rобм для середньої точки:
де Uсер
= 0,5(Umin
+ Umax)
– середнє значення вхідної напруги;
Iсер
= 0,5(Imin
+ Imax)
– середній струм стабілітрона;
–
струм навантаження.
Другий
можливий режим стабілізації використовують
в тому випадку, коли Uвх=
const, а Rн
змінюється в межах Rmin
… Rmax.
Як приклад розглянемо випадок, коли Rн
зменшується, тобто
збільшувати. Тоді струм у нерозгалуженому
колі
зростає. При цьому спад напруги на
обмежувальному резисторі Rобм
повинен був би збільшуватись, а на
стабілітроні та навантаженні –
зменшуватись. Зменшення напруги на
стабілітроні викликає різке зменшення
струму у ньому (рис. 3.1, а),
внаслідок чого вхідний струм Io,
падіння напруги Io
Rобм
та напруга на навантаженні майже не
змінюються. Таким чином ріст струму
навантаження на ∆
автоматично приводить до спаду струму
стабілітрона на ∆IZ.
Причому ∆
≈
–∆
IZ,
так що
.
Значення резистора Rобм
в цьому випадку можна визначити за
середнім значенням струмів:
де Iн.сер = 0,5(Iн. min + Iн. max), причому
.
Наведені формули дозволяють вибрати тип стабілітрона і розрахувати елементи параметричного стабілізатора за електричними параметрами та граничними експлуатаційними даними, які наведені у довідниках.
Якість
роботи стабілізаторів напруги
характеризується коефіцієнтом
стабілізації
,
який дорівнює відношенню відносної
зміни вхідної напруги до відносної
зміни напруги на виході:
Коефіцієнт стабілізації параметричного стабілізатора досягає 20 – 50.
Експлуатаційними
параметрами стабілітрона є: UZ
– напруга стабілізації; ∆UZном
– розкид значення напруги стабілізації;
IZmin
– мінімально допустимий струм
стабілізації; rст–
диференціальний опір стабілітрона;
–
температурний коефіцієнт напруги
стабілізації.
Література: [1, c.50-53]; [2, c. 17-19]; [3, с. 55-58]; [4, с. 92-94]; [14].
