Московский государственный университет инженерной экологии
Кафедра Холодильной и криогенной техники
Лабораторная работа по дисциплине: “Тепло- и массообмен”
На тему: “Расчет параметров аппарата ректификации в ВРУ”
Вариант № 7
Выполнил: Марченко Д.Т.
группа Т-43
Проверил: Васютин В.А.
Москва, 2010 г.
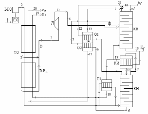
Принципиальная (расчетная) схема установки и её описание.
Воздухоразделительные установки для производства свыше 1000 м3/ч газообразного кислорода относятся к ВРУ крупной производительности и выполняются по схеме одного низкого давления. Это становится возможным благодаря снижению удельных потерь холодопроизводительности.
Схема низкого давления отличается простотой и энергетической эффективностью.
Воздух, сжатый в компрессоре до рабочего давления (0.60 - 0.66 МПа) и охлажденный в водяном скруббере, проходит очистку в БКО (рис.1)
Очищенный от примесей воздух разделяется на два потока.
Воздух в количестве (1-D), после охлаждения в пластинчатом теплообменнике ТО до состояния насыщенного пара (т.5), поступает в колонну предварительного разделения КН.
В т.3' отводится петлевой поток, который после смешения с дополнительно охлажденным до состояния насыщенного пара потоком (D-Вп) расширяется в турбодетандере и направляется в колонну окончательного разделения КВ узла ректификации.
В типовых узлах ректификации установок разделения воздуха используется аппарат двукратной ректификации, который обеспечивает получение одновременно чистых кислорода и азота. Такой узел ректификации включает в себя колонну предварительного (КН) и окончательного (КВ) разделения, конденсатор-испаритель (КИ), охладитель кубовой жидкости (О2) и азотной флегмы (О1).
Жидкость, обогащенная кислородом (кубовая жидкость R), полученная в нижней колонне, после охлаждения в охладителе О2 дросселируется в колонну окончательного разделения КВ.
Газообразный азот колонны КН после конденсации в конденсаторе КИ частично возвращается в виде жидкой флегмы в колонну КН; другая часть азотной флегмы поступает в колонну КВ, предварительно охладившись ниже температуры насыщения в охладителе О1.
В колонне КВ осуществляется окончательное разделение на жидкий кислород, направляемый на испарение в конденсатор КИ и газообразный азот, отводимый сверху колонны на нагревание в охладители О1, О2 и в теплообменник ТО.
Паровое питание нижней колонны обеспечивается подачей в нее воздуха (1-D) в состоянии, близком к насыщению, а верхней колонны – за счет кислорода, испарившегося в конденсаторе-испарителе. Флегмовое питание колонн обеспечивается конденсацией паров азота в конденсаторе КИ.
Основные этапы расчета принципиальной схемы вру.
На основании принятых значений сопротивлений потоков и разности температур в конденсаторе-испарителе определяют рабочее давление и значения давлений в основных точках схемы.
Из рассмотрения общего материального баланса установки определяют количества продуктов разделения.
Из общего энергетического баланса установки вычисляют величину детандерного потока.
Из материального баланса нижней колонны определяют количество кубовой жидкости и азотной флегмы.
Из энергетического баланса нижней колонны вычисляют тепловую нагрузку конденсаторов и подогревателя кислорода.
Из баланса энергии охладителя кубовой жидкости и азотной флегмы определяют параметры всех точек охладителя и паросодержание в результате дросселирования жидкости.
Выполняется расчет ректификации колонны предварительного разделения
Выполняется расчет ректификации колонны окончательного разделения
