- •Часть I.Комбинационные и последовательностные цифровые устройства
- •Раздел 1Комбинационные цифровые устройства
- •1.Основные термины и определения.
- •3.Задание логических функции с элементами структурных формул (сднф, скнф).
- •Смысловое (вербальное) описание цу
- •2.Табличное описание (представление) мажоритарного устройства
- •Мажоритарное устройство
- •3.Математическое описание мажоритарного устройства
- •4. Схемное представление мажоритарного устройства
- •5. Физическая реализация мажоритарного устройства
- •Раздел 2Конечные автоматы (ка) с малым объемом памяти(последовательные устройства - пцу)
- •Принцип аналого-цифрового и цифроаналогового преобразования.
- •Часть II: Микропроцессорные системы
- •Структура (архитектура) однокристального восьмиразрядного микропроцессора мп580вм80
- •Принцип работа мп
- •([Fb])←(a). Из аккумулятора пересылаются данные в порт, адрес которого (fb) во 2-м байте команды (б2).
- •(В)←7Вh. В регистр в заносится 8-ми разрядная (однобайтная) константа 7Вh 16-й системы счисления
- •Режимы адресации в мп
- •Прямая адресация – код адреса в команде является исполнительным адресом обращения к памяти или устройству ввода вывода. Примеры:
- •Регистровая адресация– это адресация, при которой операнд содержится в одном из регистров мп.
- •Непосредственная адресация – это адресация, при которой операнд находится в самой команде.
- •Регистровая косвенная адресация – это адресация, при которой адрес ячейки памяти с операндом хранится в регистровой паре h-l.
- •1. Команды пересылки данных
- •Регистровая пересылка
- •Пересылка константы
- •Загрузка константы в пару регистров
- •1.4. Косвенная регистровая пересылка данных
- •Вычитание содержимого регистра из аккумулятора
- •Декрементные команды (аналогично вычитающему двоичному счетчику)
- •Инкрементные команды (аналогично суммирующему двоичному счетчику).
- •Логические операции (and, or, not, )
- •3.1. Логическое умножение содержимого аккумулятора с константой
- •Команды ввода и вывода данных.
- •Команда обращения к подпрограмме (call).
- •(Sp)←(sp)-2 ; измен.Адр. Вершины стека.
- •Команда hlt – останов выполнения программы
- •Пустая команда
- •Работа с имитатором (симулятором) процессора IntelI8085.
- •Особенности разработки программ двоичных счетчиков
- •Алгоритм программы
- •Построение счетчиков на двух регистрах.
- •Построение программы с управляющими сигналами
- •4. Разработка программы счетчика табличным методом.
- •Алгоритм программы (основной) формирователя сигналов сложной формы
- •Программа формирователя сигналов сложной формы
- •Организация интерфейса ввода/вывода данных
- •Организация прерывания работы микропроцессоров Классификация прерываний в микропроцессоре
- •Организация прерываний в мп кр 580вм80 (симулятор Avsim85)
- •Интерфейс мп кр58вм80
- •Структура системного микроконтроллера.
- •Перспектива развития микропроцессорной техники Современные микроконтроллеры (мк). Определение и классификация микроконтроллеров.
- •Особенности построения мк avr фирмы «Atmel»
- •Память микроконтроллера
- •Особенности разработки и отладки программ для микроконтроллеров avr
- •2.1. Ассемблер
- •2.2. Формат программ на ассемблере
- •2.3. Система команд микроконтроллеров avr
- •2.4. Директивы транслятора ассемблера
- •2.5. Средства разработки программ avr – mk
Раздел 2Конечные автоматы (ка) с малым объемом памяти(последовательные устройства - пцу)
КА(ПЦУ)- это цифровое устройство, в котором значения выходного сигнала Yj в данный момент времени определяется не только значением входных сигналов Xi в данный момент времени,но и тем значением , которое было на предыдущем интервале.
Примеры КА: триггеры, регистры, счетчики
Лекция 4
Асинхронные (RS) и синхронные (RSC) триггеры.
Учебные вопросы:
1.Общее сведенье о триггерах.
2.Асинхронный триггер.
3.Синхронный триггер.
1-й учебный вопрос:
Триггер- это цифровое устройство последовательного типа(обладает памятью) с двумя устойчивыми состояниями равновесияи предназначенное для записи, хранения и считывания одного бита информации.
Устойчивое состояние, когда на выходе триггера 1 или 0 удерживаются при постоянной подаче на вход определенной комбинации. Т.е. триггер может находиться в единичном или нулевом состоянии (Q=1,Q=0)(Q=1,Q=0). Равенство значений Q и Q будет определяться , как запрещенное состояние для триггера.
Классификация триггеров:
1. По способу записи информации
а)асинхронные триггеры- информация записывается в любой момент времени и значения на выходе триггера определяется только входными информационными сигналами;
б)синхронные триггеры(тактируемые) имеют кроме информационных входов синхровход(разрешающий сигнал). Срабатывание триггера происходит при подаче синхроимпульсов, а значение выходного сигнала определяется комбинацией информационных входных сигналов.
2. По логике работы:
а)триггеры установочные (RS триггеры), которые являются составной частью более сложных триггеров (JK, D- триггеров) и предназначены для начальной установки триггера;
б)триггеры со счетным входом(Т- триггеры) применяются в счетчиках;
в) триггеры задержки информации(D- триггеры);
г)универсальные JK- триггеры , которые могут выполнять перечисленных ранее триггеров.
Основными характеристиками триггера являются:
1.Быстродействие (кол-во переключений в единицу времени).
2. Нагрузочная способность(кол-во логических элементов, которые могут подключаться к выходам триггера)
2-й учебный вопрос: Асинхронный RSC триггер с инверсными входами
Активный переключающий сигнал 0
S(set) - для установки триггера в единичное состояние.
R(reset) - для установки триггера в нулевое состояние.
Q – прямой выход.
Q^ – инверсный выход.
Триггеры с прямыми и инверсными входами:
Триггер с прямыми входами
УГО
Активным переключающим сигналом является 1
Схема триггера с инверсными входами
Таблица переключения работы триггерас инверсными входами:
Sn |
Rn |
Qn-1 |
Qn |
Q^n |
0 |
0 |
0 |
- |
- |
0 |
0 |
1 |
- |
- |
0 |
1 |
0 |
1 |
0 |
0 |
1 |
1 |
1 |
0 |
1 |
0 |
0 |
0 |
1 |
1 |
0 |
1 |
0 |
1 |
1 |
1 |
0 |
0 |
1 |
1 |
1 |
1 |
1 |
0 |
Qn=Q^n -запрещенное состояние
Запись 1
Запись 0
хранение
Математическая запись работы триггера:
Qn= Snv(Rn-Qn-1)
Схема триггера с прямыми входами
3-й учебный вопрос:Синхронный (RSC) триггер.
В синхронных триггерах (RSC,T,D,JK) применяются 2 способа синхронизации: 1)статическая синхронизация, когда импульсом является наличие постоянного напряжения;
2)динамическая синхронизация, когда импульсом является наличие перепада напряжения
Триггеры бывают:
Однотактные, когда требуется наличие переднего или заднего фронта сигнала;
двухтактные, когда требуется наличие переднего и заднего фронта сигнала.
Двухтактные:1-0-1 задний и передний фронты;
передний и задний фронты.
РассмотримRSC триггер с прямыми входами и статической синхронизацией.
УГОRSC триггера
СхемаRSC триггера
Примечание: Любой синхронный триггерв отсутствии синхронизации находиться в режиме хранения
Таблица переключений RSC – триггера
Сn |
Sn |
Rn |
Qn-1 |
Qn |
Qn^ |
Сост.триггера |
0 |
0 |
0 |
0 |
0 |
1 |
Хранение |
1 |
1 |
0 |
Хранение |
|||
0 |
0 |
1 |
0 |
0 |
1 |
Хранение |
1 |
1 |
0 |
Хранение |
|||
0 |
1 |
0 |
0 |
0 |
1 |
Хранение |
1 |
1 |
0 |
Хранение |
|||
0 |
1 |
1 |
0 |
0 |
1 |
Хранение |
1 |
1 |
0 |
Хранение |
|||
1 |
0 |
0 |
0 |
0 |
1 |
Хранение |
1 |
1 |
0 |
Хранение |
|||
1 |
0 |
1 |
0 |
0 |
1 |
Запись «0» |
1 |
0 |
1 |
Запись «0» |
|||
1 |
1 |
0 |
0 |
1 |
0 |
Запись «1» |
1 |
1 |
0 |
Запись «1» |
|||
1 |
1 |
1 |
0 |
- |
- |
Запрещ.сост. |
1 |
- |
- |
Запрещ.сост. |
Лекция 5D - , JK- и T- триггеры
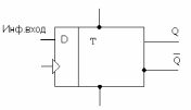
1-й учебный вопрос. Триггер задержки(D - триггер)
Назначение: задерживает цифровую информацию на один такт(половина синхронизации С). На выходе триггера тот цифровой сигнал(1 или 0), который был на входе на предыдущем интервале.
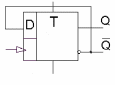
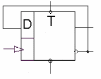
УГО D- триггера
USA
Eвро
R, S – установочные входы
Характеристика установочных входов: асинхронные, приоритетные по отношению к D входу(информационный вход) и предназначенные для начальной установки триггера.
Таблица переключений D – триггера
Сn
|
Dn
|
Qn-1
|
Qn
|
0
|
0
|
0
|
0
|
0
|
1
|
1
|
1
|
|
0
|
0
|
Qn-1
|
1
|
1
|
1
|
Qn-1
|
Хранение
Задержка на
1 тактсинхронизации
Примечание:D триггер не имеет запрещенного состояния.Однако, если использовать установочные входы, то запрещенное состояние может быть за счет комбинации сигналов на установочных входах, так установочными входами являются входыRS-триггера.
2-й учебный вопрос.Универсальный JK- триггер
Работает, как JK, RS, RSC, D иT- триггеры. Поэтому называется универсальным триггером.
УГО(USA)
Таблица переключений
Сn |
Jn |
Kn |
Qn-1 |
Qn |
Сост.триггера |
0 |
0 |
0 |
0 |
0 |
Хранение |
1 |
1 |
Хранение |
|||
0 |
0 |
1 |
0 |
0 |
Хранение |
1 |
1 |
Хранение |
|||
0 |
1 |
0 |
0 |
0 |
Хранение |
1 |
1 |
Хранение |
|||
0 |
1 |
1 |
0 |
0 |
Хранение |
1 |
1 |
Хранение |
|||
1 |
0 |
0 |
0 |
0 |
Хранение |
1 |
1 |
Хранение |
|||
1 |
0 |
1 |
0 |
0 |
Запись «0» |
1 |
0 |
Запись «0» |
|||
1 |
1 |
0 |
0 |
1 |
Запись «1» |
1 |
1 |
Запись «1» |
|||
1 |
1 |
1 |
0 |
1 |
Инверсия предыд.сост. |
1 |
0 |
Инверсия пред.сост. |
Примечание:D – триггер можно получить,используя JK- триггер при следующем подключении.
3-й учебный вопросСчетный Т – триггер
Т-триггер толькосинхронный и предназначен для построения счетчиков и делителей частоты.
УГО
Промышленностью Т-триггер не выпускается, но используются режимы счетного Т- триггера в D,JK- триггерах, а именно
Таблица переключений Т- триггера
Сn |
Jn |
Kn |
Qn-1 |
Qn |
0 |
0 |
0
|
0 |
0 |
1 |
1 |
1 |
1 |
|
1 |
1 |
1 |
0 |
1 |
1 |
1 |
1 |
0 |
Хранение
В Т- триггерах при поступлении синхросигнала значение сигнала на выходе Q сигнал инвертируется, т.е. при поступлении очередного синхроимпульса осуществляется инверсия предыдущего состояния.
Примечание:T –триггер можно собрать с использованием программирования логических интегральных схем(ПЛИС).
Лекция 6 . Регистры памяти и сдвига
Учебные вопросы:
Назначение и классификация регистров.
Синтез регистров(регистры памяти, сдвига, реверсивные регистры).
1-учебный вопрос.Назначение и классификация регистров.
Регистром называется последовательное цифровое устройство(ПЦУ) предназначенное для хранения небольших объемов информации и преобразование над n-разрядным двоичным кодом.
Регистр представляет собой упорядоченную последовательность триггеров, как правилоD- триггеров, число которых соответствует разрядности регистра.
Восьми разрядный регистр.
А7 А6 А5 А4 А3 А2А1 А0
|
|
|
|
|
|
|
|
Преобразования в регистрах:
1. Обмен информации между регистрами(пересылка данных)
2. Поразрядные логические операции
Логические операции осуществляются поразрядно
1 |
0 |
1 |
1 |
Ак
0 |
0 |
0 |
0 |
Рег
0 |
0 |
0 |
0 |
Ак
(рез AND)
3.Cдвиг слова в регистре влево или вправо
Сдвиг слова влево на 1 разряд-умножение содержимого на 2.
Сдвиг слова вправо на 1 разряд- деление содержимого на 2 .
сдвиг
на 1 разряд влево (было 4D,
после сдвига 8D)
c
двиг
вправо на 1 разряд (было 4D,
после сдвига 2D)
Установка регистра в начальное состояние
УГО
Классификация регистров.
В зависимости от содержания выполняемых операций в регистре, регистры бывают:
1)с параллельным приемом и параллельной выдачей информации. На этом принципе выполнено ОЗУ
2)с параллельным приемом и последовательной выдачей информации.
3)с последовательным приемом и параллельной выдачей информации.
2-й учебный вопрос.Синтез регистров(регистры памяти, сдвига, реверсивные регистры).
Принцип синтеза регистров: все регистры состоят из одинаковых блоков, количество которых определяется разрядом регистра. Каждый блок включает триггер(как правило, D- триггер) и сравнительно простое КЦУ. Следовательно, синтез регистра сводится к синтезу 1 блока с учетом связи между ними.
а) Регистры памяти(регистры с параллельным приемом и параллельной выдачей информации)
Рассмотрим схему 4-х разрядного регистра памяти:
б)Регистры сдвига (регистры с последовательным приемом и параллельной выдачей информации)
Таблица переключений регистра сдвига без ОС
№ |
Q3 |
Q2 |
Q1 |
Q0 |
0 |
0 |
0 |
0 |
1 |
1 |
0 |
0 |
1 |
0 |
2 |
0 |
1 |
0 |
0 |
3 |
1 |
0 |
0 |
0 |
4 |
0 |
0 |
0 |
0 |
5 |
0 |
0 |
0 |
0 |
6 |
0 |
0 |
0 |
0 |
7 |
0 |
0 |
0 |
0 |
8 |
0 |
0 |
0 |
0 |
Реверсивный регистр
Это регистр, в котором информация сдвигается как влево, так и вправо.
Рассмотрим регистры сдвига с обратными связями:
Если соединить выход любого разряда регистра с входом, то получим кольцевой регистр, в котором информация будет перемещатьсяпо кольцу.
УГО
Кольцевой регистр с перекрестной обратнойсвязью, когда в цепи обратной связи включен инвертор:
УГО:
Кольцевой регистр с логической обратной связью
Это регистр, в цепи обратной связи которого включено логическое устройство. В нашем примере логическим устройством является сумматор по модулю 2.
УГО:
Регистр сдвига с самовоcстановлением
Рассмотрим одну из возможных схем регистра самовосстановления: данная схема обеспечивает перемещение по кольцу 1, т.е. наличие унитарного кода.
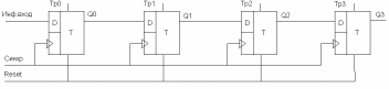
Лекция 7.Двоичные и двоично-десятичные счетчики
Учебные вопросы:
1. Определение и классификация счетчиков.
2. Синтез двоичных и двоично-десятичных счетчиков.
1-ый учебный вопрос:Определение и классификация счетчиков.
Определение:Счетчик- это последовательное цифровое устройство, которое обеспечивает хранение слова информации и выполнение над ним микрооперации счета.
Микрооперация счета- изменение числа на +-1.
Суммирующий счетчик- это то, что было в счетчике +1
С=С+1
Вычитающий счетчик- это то ,что было в счетчике -1
С=С-1
Реверсивный счетчик: С= + -1(и то и другое выполняет)
Счетчики работают в двоичном коде и обеспечивают подсчет импульсов в интервале от 0 до 2N-1, где N- количество разрядов счетчика.
Смакс=2N-1
Например: 4- х разрядный счетчик имеет диапазон чисел от 0до (24-1)=15
Примечание: после достижения максимального значения суммирующий счетчик начинает счет с 0.
Пример : 0,…..,C,D,E,F,0,1……
Вычитающий счетчик: …..C,B,A,9…2,1,0,F…
Для построения счетчиков используются Т- триггеры(D,JK триггеры в режиме Т- триггера)
D- триггер
JK – триггер
УГО счетчика
>15(P) – перенос в старший разряд при суммировании
< 0(CR) – заем из старшего разряда при вычитании
2-й учебный вопрос:
Cинтез двоичных и двоично-десятичных счетчиков
Классификация счетчиков по структуре:
Счетчикис последовательным переносом(асинхронные). У этих счетчиков переключающий сигнал и сигнал управления совмещены.
Тперекл=N×Тперекл 1разр;
где: Тперекл – общее время переключения счетчика;
N- разрядность счетчика;
Тперекл 1разр - время переключения 1-ого разряда счетчика.
Счетчики с параллельным переносом(синхронные), у которых синхросигнал подается одновременно на все триггеры, а сигнал управления от одного триггера к другому. Техническая реализация синхронного намного сложнее асинхронного, но обладает повышенным быстродействием, а именно:
Тперекл=Тперекл 1разр
Быстродействие счетчика с параллельным переносом в N раз больше последовательно.
Рассмотри пример синтеза 3-х разрядного суммирующего счетчика с последовательным переносом.
Таблица переключений (истинности) работы счетчика:
№ наб. |
Q2 |
Q1
|
Q0 |
0 |
0 |
0 |
0 |
1 |
0 |
0 |
1 |
2 |
0 |
1 |
0 |
3 |
0 |
1 |
1 |
4 |
1 |
0 |
0 |
5 |
1 |
0 |
1 |
6 |
1 |
1 |
0 |
7 |
1 |
1 |
1 |
8 |
0 |
0 |
0 |
Сущность синтеза двоичного счетчика
Из анализа таблицы переключения следует, что в каждом разряде присутствует чередование 1 и 0 с различной периодичностью (Т, 2Т, 4Т и т.д.).
Следовательно, для физической реализации необходимо выбрать Т-триггеры и учесть их соединение с учетом синхронизации триггеров (передний или задний фронт) и функционального предназначения счетчика (суммирующий или вычитающий).
Соединение для суммирующего счетчика и синхронизации по переднему фронту имеет вид:
Если выходы Qiпредыдущего триггера соединить с входом синхронизации следующего триггера, то получим вычитающий счетчик, в котором синхронизация по переднему фронту.
Синтез счетчиков с заданным коэффициентом счета
(двоично – десятичные счетчики)
На практике очень часто создаются счетчики с заданным коэффициентом счета.
Например: двоично – десятичные счетчики, т.е. счетчики, которые обеспечивают счет от 0 до 9 (для часов 0÷59 и т.д.). Для организации таких счетчиков необходимо создать обратные связи, которые обеспечили бы устранение лишних значений счета
0,1,2,3…7,8,9, 0 (вместо 10) ,1,2..и т.д.
Для двоично- десятичного счетчика необходимо представить число 10 в двоичной системе счисления:1010 и соединить единичные разряды со ЛЭ 2И (2AND). Выход ЛЭ подать на вход R (Reset) 4-х разрядного счетчика.
Аналогично можно синтезировать счетчик для произвольного Ксч.
Лекция Аналого-цифровые и цифроаналоговые
преобразователи информации
Учебные вопросы:
Принцип аналого-цифрового и цифроаналогового преобразования.
Цифро-аналоговые преобразователи (ЦАП) информации.
Аналого-цифровые преобразователи (АЦП) информации.
Литература:
Цифровая и вычислительная техника. Под ред. Э.В. Евреинова.
Радио и связь. 1991г. стр. 173-180
