- •1.2 Электрическая схема оборудования
- •1.3 Характеристика механической части электромеханического оборудования
- •2 Дефектация электромеханического оборудования и обнаружение неполадок.
- •2.1 Способы диагностики и выявление неполадок.
- •2.2 Способы устранения дефектов и неполадок
- •3 Планирование ремонта
- •4 Ремонт электромеханического оборудования
- •4.3 Ремонт электромеханической части
- •5 Проверка электромеханического оборудования. Документация
Содержание
Введение
1.Характеристика электромеханического оборудования
1.1 Общие характеристики
1.2 Электрическая схема оборудования
1.3 Характеристика механической части электромеханического оборудования
2. Дефектация электромеханического оборудования и обнаружение неполадок.
2.1 Способы диагностики и выявление неполадок
2.2 Способы устранения дефектов и неполадок
3. Планирование ремонта.
4. Ремонт электромеханического оборудования
4.1 Ремонт электрической части
4.2 Определение расчетной нагрузки и суммарной мощности. Выбор аппаратов защиты токов короткого замыкания и токов перегрузки. Выбор сечения и марки кабелей по току нагрузки и падению напряжения
4.3 Ремонт электромеханической части
5. Проверка электромеханического оборудования после ремонта. Акты проверки, сдачи и приема на ремонт и после ремонта
Заключение
Приложение А
Список используемых источников
Введение
Сверлильные станки предназначены для обработки сквозных и глухих отверстий и других поверхностей концевым инструментом (сверла, зенкера, развертки, метчики).
Применяя специальные инструменты и приспособления на сверлильных станках, можно растачивать отверстия, вырезать отверстия большого диаметра в листовом материале (трепорирование), притирать точечные отверстия и т. д.
Наиболее распространенны следующие типы сверлильных станков:
1) вертикально-сверлильные одношпиндеольные станки;
2) радиально-сверлильные станки;
3) настольные одношпиндеольные сверлильные станки вертикальной компоновки;
4) многошпиндельные сверлильные станки;
5) станки для глубокого сверления (горизонтальной компоновки), в которых длина долина отверстий значительно больше их диаметра;
6) агрегатные сверлильные станки.
Цель данной курсовой работы:
Организация ремонта электрической и электромеханической части радиально-сверлильного станка Z3032x10.
Задачи данной курсовой работы:
Изучить электрическую и электромеханическую часть радиально-сверлильного станка Z3032x10;
Рассчитать и подобрать защитное устройство, марку и сечение кабеля по нагрузке и суммарной мощности для электрического и электромеханического оборудования (радиально-сверлильный станок Z3032x10);
1 Характеристика электромеханического оборудования
1.1Общие характеристики
Радиально-сверлильные станки предназначены для:
сверления;
рассверливания;
зенкования;
развёртывания;
конусования.
Преимущества радиально-сверлильного станка:
Основные узлы станка изготовлены из высокопрочного чугуна или стали.
Конструкция станка изготовлена из материалов, прошедших специальную термическую обработку, отличается прочностью и долговечностью.
Станок поддерживает стабильную работу в ходе обработки. Гидравлическая система управления обеспечивает работу шпинделя на различных скоростях.
Станок экономичен благодаря высокой скорости вращения и подачи 16-шагового двигателя шпинделя.
Гидравлическая система управления станка поддерживает функцию зажима и разжима инструмента.
Быстрота и лёгкость обработки станка достигается благодаря соединению в один комплекс механической, электрической и гидравлической систем.
Применение новейших технологий производства для усовершенствования дизайна и рабочих характеристик станка.
Станки, как правило, применяются в индивидуальном мелкосерийном производстве и среднесерийном производстве. Применение приспособлений и специальных инструментов и насадок значительно повышает производительность станка и расширяет круг возможных операций, позволяет производить на нем выточку внутренних канавок, вырезку круглых пластин из листа и т. д. Радиально-сверлильный станок Z3032x10 поставляется с гидравлическим креплением режущего инструмента. Все основные узлы и модули станка изготовлены из высокопрочных сталей и сплавов. Термообработка на высококлассном и современном оборудовании гарантирует долговечность деталей. Станки изготавливаются на специальном оборудовании, гарантирующем высокое качество ответственных деталей. Зажим и смена скоростей управляются гидравликой, которая очень надежна в эксплуатации. 16 различных скоростей и подач обеспечивают экономичную и высокоэффективную обработку. Механические и электрические органы управления централизованы в передней бабке для простого и быстрого использования.
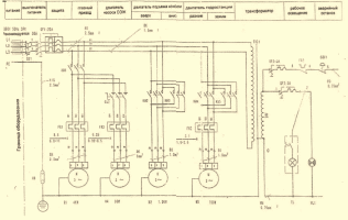
1.2 Электрическая схема оборудования
Описание работы схемы, изображенной на рисунке 1 и 2:
напряжение контура управления: 110В; напряжение рабочего освещения 24В.
Рисунок 1 – Принципиальная электрическая схема радиально-сверлильного станка Z3032x10.
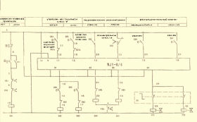
Рис. 2 – Схема управления радиально-сверлильного станка Z3032x10.
Двигатели системы привода:
М1 – главный электродвигатель
М2 –двигатель подъема
М3 – двигатель системы гидравлики
М4 – двигатель насоса СОЖ
Примечание: запрещается поворачивать консоль всегда в одном направлении во время работы, иначе электрический провод во внутренней колонне может быть перекручен и вызвать короткое замыкание.
Установка:
Проверка последовательности фаз.
При нажатии кнопки, отвечающей за разжим шпиндельной бабки, будет происходить разжим шпиндельной бабки; это означает, что последовательность фаз станка – правильная, если шпиндельная бабка не разжимается, поменяйте фазы. Последовательность фаз двигателя подъема регулируется после регулировки последовательности фаз главного электродвигателя.
А) Подготовка перед пуском станка:
Откройте дверцу электрического шкафа на поперечине. Включите переключатели QF2 и QF3, закройте дверцу электрического шкафа.
Б) Пуск станка:
Включите главный выключатель, расположенный в нижней части станины, при этом включается индикаторное освещение HL1, напоминая о том, что станок подсоединен к источнику питания.
Вращение главного электродвигателя
Контактор КМ1 включится и заблокируется после нажатия кнопки запуска SB3, главный электродвигатель начнет вращаться; контактор КМ1 отсоединится, главный электродвигатель прекратит вращение после нажатия кнопки останова SB2.
Термореле FR1 устанавливается для предотвращения перегрузки главного электродвигателя, чье установочное значение должно регулироваться до номинального тока главного электродвигателя.
Подъем и опускание консоли.
Контактор КМ4 будет включаться и двигатель М3 будет вращаться по часовой стрелке после нажатия кнопки SB4 или кнопки SB5. Вращение двигателя М3 гидравлического насоса заставит распределительный клапан войти в позицию, когда гидроцилиндр зажима консоли проталкивает поршень и ромбовидный блок и высвобождает консоль. Одновременно шток поршня нажимает на переключатель ограничения перемещения SQ2 с помощью рессорной подушки, которая заставляет контактор КМ4 отключиться и включиться контактор КМ2.
После этого двигатель гидравлического насоса М3 прекращает вращение и включается двигатель подъема консоли М2. Переключатель ограничения перемещения SQ2 не включится, и контактор КМ2 не включится, если консоль не разжата, и нельзя выполнить перемещение консоли вверх или вниз. Отпустите кнопку SB4 или SB5 после того, как консоль поднимется на требуемую высоту, контактор КМ2 или КМ3 отключится, консоль прекратит подъем после того, как двигатель подъема М2 прекращает вращение.
Контактор выключится через 1,5 секунды, контактор КМ5 включится, двигатель гидравлического насоса М3 включится в обратном направлении и выдаст масло под давлением в гидроцилиндр зажима консоли через распределительный клапан, который производит зажим консоли. Одновременно шток поршня нажимает на переключатель ограничения перемещения SQ3 с помощью полосы пружины, который отключает контактор КМ5, двигатель гидравлического насоса М3 прекращает вращаться.
Комбинированные переключатели SQ1(SQ1a, SQ1b) используются для управления подъемом консоли, SQ1a и SQ1b и отключает контактор КМ2, когда консоль поднимается до положения ограничения, двигатель подъема М2 прекращает вращение и останавливает подъем консоли.
Автозажим консоли управляется при помощи переключателя положения ограничения SQ3. При возникновении неисправности гидравлической системы зажим консоли не происходит или концевой переключатель SQ3 не может быть отключен из-за неправильной установки SQ3, который может заставить двигатель гидравлического насоса перерабатывать длительное время, что повлечет возникновение неисправности. Термореле FR2 используется, чтобы избежать повреждения двигателя гидравлического насоса; заданное значение должно регулироваться до номинального значения тока двигателя М3 гидравлического насоса.
Зажим и разжим колонны и шпиндельной бабки
Зажим и разжим колонны и шпиндельной бабки могут производиться отдельно или одновременно.
Одновременный зажим и разжим колонны и шпиндельной бабки.
Установите переключатель в среднее положение, одновременно нажимая на кнопку отсоединения SB6; при этом будет происходить автоматическое поочередное притяжение электромагнитов YV1, YV2, происходит притяжение контактора KM4, запускается двигатель M3, и масло под давлением поступает в цилиндр, перемещает поршень и ромбовидный блок, которые освобождают колонну и шпиндельную бабку.
Зажим и разжим колонны и передней бабки могут производиться отдельно.
Поверните переключатель SA влево, одновременно нажимая на кнопку отсоединения SB6; при этом будет происходить поочередное притяжение электромагнитов YV1, YV2, включение контактора KM4; двигатель M3 будет вращаться в направлении по часовой стрелке, масло будет поступать в цилиндр и толкать поршень и ромбовидный блок. Что приведет к поочередному освобождению колонны и шпиндельной бабки.
Запуск и останов насоса охлаждения
Питания двигателя насоса СОЖ может быть включено или отключено поворотом переключателя QS2.
В) Аварийная остановка и разжим
При нажатии на кнопку аварийного останова SB1 станок остановится, при повороте кнопки аварийного останова SB1 в направлении, на которое указывает стрелка, происходит разблокировка станка.
Примечание: некоторые электрические части все еще могут сохранять остаточное напряжение, когда вы нажимаете на кнопку SB1. Станок будет отключен от электричества полностью только после отключения главного выключателя QS1.
Г) Остановка станка:
Перед ремонтом станка необходимо отключить главный выключатель QS1.
