- •1. З яких головних частин складається електропривод робочої машини та яке їх
- •2. Що мають спільного і чим відрізняються структурна та функціональна електричні
- •3. Яку інформацію дають принципові електричні схеми? Наведіть приклад.
- •4. Проаналізуйте електричні схеми з`єднань, підключень, загальну схему та схему
- •5. Для чого та як виконується приведення реальних кінематичних схем до спрощених?
- •Приведення моментів та сил.
- •Механічні характеристики робочих механізмів.
- •8. За яким показником здійснюється класифікація механічних характеристик
- •9. За яких умов електропривод працює в усталеному режимі?
- •Умови роботи електропривода в сталому режимі.
- •10. Проаналізуйте рівняння руху електропривода.
- •Рівняння руху електропривода.
- •11. За яких умов можливий запуск електропривода?
- •Особливості пуску електропривода.
- •14. Як здійснюється та які переваги та недоліки має прямий пуск?
- •15. Як здійснюється та які переваги та недоліки має пуск переключенням із схеми
- •16. Як здійснюється та які переваги та недоліки має пуск з допомогою
- •17. Як здійснюється та які переваги та недоліки має гальмування на вибіг?
- •18. Як здійснюється та які переваги та недоліки має динамічне гальмування?
- •19. Як здійснюється та які недоліки та переваги має гальмування противключенням?
- •20. Як можна регулювати швидкість електропривода з асинхронним двигуном з
- •21. Чому швидкість асинхронного двигуна з фазним ротором регулюють на практиці
- •Реверс електропривода.
1. З яких головних частин складається електропривод робочої машини та яке їх
призначення?
Електричний привід являє собою електромеханічний пристрій, призначений для приведення в рух робочого органу машини і управління її технологічним процесом. Він складається з трьох частин: електричного двигуна, що здійснює електромеханічне перетворення енергії, механічної частини, що передає механічну енергію робочому органу машини, і системи управління, що забезпечує оптимальне за тими чи іншими критеріями управління технологічним процесом.
2. Що мають спільного і чим відрізняються структурна та функціональна електричні
схеми?
Структурна схема розробляється на початкових стадіях проектування і передує розробці схем інших типів. Структурна схема визначає основні функціональні частини виробу, їх призначення та взаємозв'язки між ними. Схема відображає принцип дії виробу в найзагальнішому вигляді.
Дійсне розташування складових частин на структурній схемі не враховують і спосіб зв'язку не розкривають. Побудова схеми має давати наочне уявлення про складі вироби, послідовності взаємодії функціональних частин у виробі. Функціональні частини на схемі зображують у вигляді прямокутників або умовних графічних позначень. При зображенні функціональних частин у вигляді прямокутників їх найменування, типи і позначення вписують всередину прямокутників.
Напрямок ходу процесу, що відбувається в виробі, позначають стрілками, що з'єднують функціональні частини. На схемах простих виробі функціональні частини розташовують у вигляді ланцюжка відповідно до ходом робочого процесу в напрямку зліва направо. Схеми, що містять кілька основних робочих каналів, рекомендується викреслювати в вигляді паралельних горизонтальних рядків.
Функціональна схема призначена для роз'яснення процесів, що відбуваються в окремих функціональних колах виробу або виробі в цілому. Для складного виробу розробляється кілька функціональних схем, що пояснюють процеси, що відбуваються при різних передбачених режимах роботи. Кількість функціональних схем, що розробляються на виріб, ступінь їх деталізації і обсяг розміщених відомостей визначається розробником з урахуванням особливостей вироби.
На схемі зображують функціональні частини виробу (елементи, пристрої, функціональні групи) і зв'язку межу ними. Графічне побудова схеми має наочно відображати послідовність функціональних процесів, що відбуваються у виробі. Дійсне розташування у виробі елементів і пристроїв може не враховуватися.
Функціональні частини і зв'язки між ними зображують у вигляді умовних графічних позначень, встановлених у відповідних стандартах на умовні графічні позначення цих груп і елементів. У цьому випадку діють правила виконання принципових схем. Окремі функціональні частини на схемі допускається зображати у вигляді прямокутників. У цьому випадку ці частини схеми слід виконувати за правилами структурних схем.
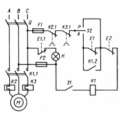
3. Яку інформацію дають принципові електричні схеми? Наведіть приклад.
Принципові схеми електроприводу
Принципова схема електроприводу визначають повний склад елементів функціональних частин електроприводу і зв'язку між ними. і як правело, детальне уявлення про принципи роботи електроприводу. Використовують принципові схеми для вивчення роботи електроприводу. а також при налагодженні. регулюванню, контролі та ремонті.
На принципових схемах електроприводу ізобрахают всі елементи його пристроїв і їх функціональних частин, необхідні для осущіствленія і контролю заданих динамічних і статичних процесів електроприводу, і всі електричні елементи, якими закінчуються вхідні і вихідні ланцюги (висновки, зажими, з'єднувачі)
