- •Запитання ккр з дисципліни бк (розділ мк)
- •1 Механічні характеристики сталей
- •2 Стали, що використовуються у будівництві
- •3 Хімічний склад маловуглецевих сталей
- •4 Хімічний склад легованих сталей
- •5 Групи та категорії поставки сталей
- •6 Граничні стани конструкцій, розрахункові ситуації.
- •7 Класи відповідальності будівель і споруд.
- •8 Категорії відповідальності конструкцій і їх елементів
- •9 Категорії конструкцій за напруженим станом
- •10 Вибір марок сталей для будівельних конструкцій
- •11 Нормативні та розрахункові опори
- •12 Розрахунок конструкцій за першою групою граничних станів
- •13 Розрахунок конструкцій за другою групою граничних станів
- •14 Класифікація навантажень
- •15 Сполучення навантажень
15 Сполучення навантажень
У розрахунках конструкцій використовуються сполучення навантажень двох типів:
– основні, що використовуються для перевірки надійності в усталених і в перехідних розрахункових ситуаціях;
--аварійні, що використовуються для перевірки надійності в аварійних розрахункових ситуаціях.
Для перевірки граничних станів I групи враховують основні сполучення граничних розрахункових значень постійних, змінних тривалих і змінних короткочасних навантажень, для перевірки граничних станів II групи -- їх експлуатаційні значення.
Мала імовірність одночасної реалізації розрахункових значень декількох навантажень враховується множенням їх значень на коефіцієнт сполучення ψ < 1. Так для основних сполучень, що складаються з постійних і не менше двох змінних, змінні тривалі приймаються з коефіцієнтом сполучення ψ = 0,95, змінні короткочасні – з коефіцієнтом ψ = 0,90. Для сполучень, що складаються з постійних і одної змінної (тривалої або короткочасної), її приймають з коефіцієнтом сполучень ψ = 1.
В аварійне сполучення крім постійних і змінних навантажень повинне входити тільки одно аварійне навантаження – наприклад, сейсмічна дія або вибух . У таких випадках коефіцієнти сполучень приймаються за спеціальними Нормами. Наприклад, в аварійне сполучення при розрахунках на сейсмічну дію, постійні навантаження входять з коефіцієнтом ψ = 0,90 (для власної ваги металоконструкцій – 0,95), змінні тривалі з коефіцієнтом ψ = 0,80, змінні короткочасні з коефіцієнтом ψ = 0,50 і сейсмічне навантаження з коефіцієнтом ψ =1,00.
Задача
1.
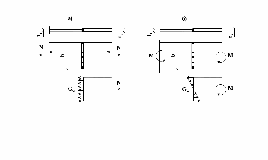
Перевірити міцність з'єднання встик
листів перетином b
t
= 500
8 мм на дію згинаючого моменту М
= 30 кНм (рис. 1.2, б). Матеріал листів –
сталь марки С255. Зварка проводиться без
виводу кінців шва за межі стику при
візуальному контролі якості.
Вирішення
Перевіряємо міцність від дії моменту М=300 кНм за формулою:
,
де tw - товщина шва; tw= t = 8 мм = 0,8 см; довжина шва; при зварюванні без виводу кінців шва за межі стику lw = b - 2tw = 500 - 2·8 = 484 мм = 48,4 см; Rwy – розрахунковий опір шва, при візуальному контролі Rwy =0,85Ry. Для сталі С255 Ry = 240 МПа (табл. А.1 додатка А). Rwy =0,85·240 = 204 МПа = 20,4 кН/см2.
Нормальні напруження задовольняють умові міцності.
Задача 2. З умови міцності з'єднання внапуск (рис. 2.1, а) визначити довжину lн накладок при дії сили N = 450 кН. Ширина накладок bн = 100 мм, товщина накладок tн = 10 мм товщина листів, що з'єднуються tл = 16 мм. Катети швів прийняти максимальними. Матеріал листів і накладок – сталь марки С255. Зварка проводиться вручну.
Вирішення
Спочатку треба визначити небезпечну площину шва ( f – f або z - z) для чого треба порівняти добутки Rwf·βf та Rwz·βz. Зварювання виконується вручну, для зварювання сталі марки С255 можна застосовувати електрод типу Э42 (табл. Б.1 додатка Б), тоді Rwf = 180 МПа = 18 кН/см2 (табл. Б.2 додатка Б). Коефіцієнти βf = 0,7; βz =1 (табл. Б.3 додатка Б). Rwz=0,45Run. Для товщини 16 мм Run= 370 МПа (табл. А.1 додатка А), Rwz=0,45·370 = 166,5 МПа = 16,65 кН/см2.
Rwf·βf = 18·0,7= 12,6 кН/см2 ,
Rwz·βz = 16,65 ·1 = 16,65 кН/см2.
Менший добуток відповідає небезпечній товщині f – f. З умови міцності шва
Потрібно визначити необхідну довжину кутових швів
,
Максимальний катет визначаємо за рисунком 2.2. накладка товщиною tн = 10 мм приварюється до листів товщиною tл = 16 мм, тоді Rf,max = tmin = 10 мм = 1 см (рис. 2.2, б).
Необхідна довжина кутових швів
По одну сторону від стику розташовано 4 шви довжиною lw . Тоді lw = Σlw/4 = 35,7/4 = 8,9 см
Довжина накладки lн = 2·8,9+2·1+5 = 24,8 см Приймаємо довжину накладки lн = 25 см.
Задача 3. З умови міцності зварного з'єднання втавр визначити максимальну несучу здатність при роботі на зсув (рис. 3.1, а). Консоль має товщину tк = 10 мм, ширину b = 150 мм, приварюється до полиці колони, товщина якої t = 12 мм. Матеріал конструкції сталь марки С275. Зварка напівавтоматична в середовищі вуглекислого газу із застосуванням зварювального дроту марки Св-08Г2С діаметром 2 мм, положення шва “у човник”. Катети швів прийняти мінімальними.
Вирішення
1. Визначаємо небезпечну площину шва. Для зварювального дроту Cв-08Г2С та сталі марки С275 з Run=370 МПа (табл. А.1 додатка А) Rwf=215 МПа (табл. А.2 додатка А). Мінімальний катет приймаємо за табл. Б.4 додатка Б. При товщині більш товстого елементу t=12 мм kf.min = 5 мм = 0,5 см. Коефіцієнти βf = 0,9; βz= 1,05; Rwz= 0,45Run = 0,45·370 = 166,5 МПа = 16,65 кН/см2
Rwf· βf = 21,5·0,9 = 19,35 кН/см2,
Rwz· βz= 16,65·1,05 = 17,48 кН/см2.
Менший добуток відповідає небезпечній площині z – z.
2. З умови міцності шва по небезпечній площині
Визначаємо несучу здатність з´єднання
N = 2 βz ·kf. · lw ·Rwz·γwz·γc,
де lw – довжина шва, lw=b - 2 см = 15-2 = 13 см.
Несуча здатність з’єднання
N= 2·1,05·0,5·13·16,65·1·1 = 227,23 кН
Задача 4 Перевірити міцність з’єднання на болтах що знаходиться під дією сили N = 125 кН (рис. 5.1, а). Кількість болтів n = 4. Болти класу 5.8 діаметром d = 16 мм.
Вирішення
Умова міцності болтового з’єднання
,
де n – число болтів в з'єднанні; Abn – площа болта-нетто (з урахуванням внутрішнього діаметру різьблення), що приймається за табл. В.4 додатку В;
Abn = 1,57 см2
Rbt – розрахунковий опір матеріалу болта розтягу, приймається за табл. В.2 додатку В;
Rbt = 200МПа = 20 кН / см2 γс – коефіцієнт умов роботи конструкції. γс = 1
N / n Abn = 125 / 4 1,57 = 19,9кН/ см2
Rbt γс = 20 1 = 20 кН/см2
19,9 < 20 кН/см2 умова міцності виконується
Задача 5. Визначити максимальну несучу здатність з’єднання на болтах кутників з фасонкою (рис. 4.1, а). Болти нормальної точності класу 5.6 діаметром 16 мм. Кількість болтів n = 2. Матеріал конструкції – сталь марки C235.
Вирішення.
Визначаємо несучу здатність болтового з’єднання з умови міцності болтів на зріз:
,
ns = 2 – ккількість площин зрізу одного болта; Rbs = 190 МПа = 19 кН/см2 (табл. В.3 додатка В); γb = 0,9 – для болтів нормальної точності (табл. В.1 додатка В).
кН.
Визначаємо несучу здатність болтового з’єднання з умови міцності листів на зминання. Відстань між центрами отворів болтів s =2.5 d і а = 2 d , що дає γb = 0.9
Σtmin = 12 мм = 1,2 см; Run = 360 МПа (табл. А.1 додатка А), Rbp= 350 МПа = 35 кН/см2 .
N = 2·1,6·1,2·35·0,9·1= 120,96 кН.
Несуча здатність болтового з’єднання N = 120,96 кН.
Задача 6. Визначити діаметр болтів у з’єднанні (рис. 5.1, б), що знаходиться під дією сили N = 580 кН. Кількість болтів n = 4. Болти класу 8.8.
Вирішення
З умови міцності болтів на розтяг
треба визначити площу болта нетто, Abn = N / n Rbt γс
де Rbt = 400 МПа= 40 кН/см2 – розрахунковий опір болтів класу 8.8 розтягу (табл. В.2 додатка В),
γс -- коефіцієнт умов роботи γс = 1
Abn = 520 / 4 40 1 = 3.25см2
За табл. В.4 додатка В приймаємо болти d = 24 мм, Abn = 3,52 см2.
Задача 7. Перевірити несучу здатність високоміцних болтів у з’єднанні (рис. 6.1, а), що знаходиться під дією сили Q = 700 кН. Марка сталі болтів 30ХЗМФ, діаметр болтів 20 мм. Кількість болтів з однієї сторони від стику n=6. Обробка поверхні елементів, що зۥєднуються – сталевими щітками без консервування; контроль натягу болта – за кутом повороту гайки.
Вирішення
Болти у з’єднанні працюють на зсув. Несучу здатність одного болта визначають за формулою (6.1), число болтів у з’єднанні – за формулою (6.2).
Несучу здатність з’єднання перевіряємо за формулою
де Qbh – несуча здатність одного болта.
Qbh = Rbh·Abn·µ·nµ·γb/ γn
Abn – площа болта нетто (табл. В.4 додатка В), Abn=2,45 см2, Rbun=1550 МПа = 155 кН/см2 (табл. В.6 додатка В), Rbh = 0,7·Rbun =0,7·155=108,5 кН/см2, µ=0,35 (табл. В.5 додатка В); nµ - кількість площин тертя, = 2 (див. рис. 6.1, а); γb=0,9 при n=6, де n - кількість болтів по одну сторону від стику (на півнакладці); γn=1,06 при статичному навантаженні та різниці діаметрів створів δ=3 мм: контроль натиску болта – за кутом повороту гайки α.
Q=108,5·2,45·0,35·2·0,9/1,06=157,99 кН.
Несуча здатність з'єднання 6·157,99 =947,94 кН перевищує діючу силу Q = 700 кН. Несуча здатність з'єднання забезпечена.
Задача №8. Визначити необхідну кількість болтів у з’єднанні (рис. 5.1, а), що знаходиться під дією сили N = 270 кН. Болти класу 8.8 діаметром d =20 мм, коефіцієнт умов роботи γс = 0,9.
Вирішення
З умови міцності болтів на розтяг
треба визначити число болтів у з’єднанні.
n = N / Abn Rbt γс
де Rbt = 400 МПа= 40 кН/см2 – розрахунковий опір болтів класу 8.8 розтягу (табл. В.2 додатка В),
Abn = 2,45 см2 – площа перерізу одного болта нетто
γс -- коефіцієнт умов роботи γс = 0,9
n = 300 / 2,45 40 0,9 = 3,4
Приймаємо в з’єднанні n = 4.
