- •1 Билет
- •2 Билет.
- •44. Выходные каскады усилителей: однотактный трансформаторный каскад в режиме а.
- •70.Автогенераторы с трехзвеннойRc-цепью типа c-параллель: схема, частота автоколебаний.
- •3. Приоритетный шифратор. Схема выделения старшей единицы.
- •2. Операционные усилители: характеристики и параметры, условное графическое обозначение. Идеальный операционный усилитель.
- •3. Дешифраторы: назначение, классификация, схема линейного дешифратора, стробируемый дешифратор, применение, условное графическое обозначение.
- •1.Каскад с общим эмиттером: схема с фильтром в цепи питания.
- •1.Каскад с общим эмиттером: схема с оос
- •2.Аналоговые перемножители напряжений.
- •3.Полуссуматор
- •1Каскад с общим эмиттером: схема с эмиттерной стабилизацией режима работы.
- •1. Каскад с общим эмиттером: схема с эмиттерной стабилизацией режима работы
- •2.Отрицание «не» на мдп транзисторах
- •3. Сумматор параллельная и последовательная схема.
- •2 Эмиттерно-связанные логические элементы.
- •3 Арифметическо-логические устройства: назначение, пример условного графического обозначения на схемах, входные и выходные сигналы, наращивание разрядности.
- •2)Rc-генератор гармонических колебаний с мостом Вина: схема, частота автоколебаний. Способы уменьшения нелинейных искажений.
- •3)Асинхронный rs-триггер на элементах или-не: условное графическое обозначение на схемах, входные и выходные сигналы, электрическая схема, режимы работы, таблица переходов.
- •1)Параллельная отрицательная обратная связь по напряжению: структурная схема усилителя, влияние на параметры усилителя.
- •2)Автогенераторы с трехзвенной rc-цепью типа r-параллель: схема, частота автоколебаний.
- •3)Асинхронный rs-триггер на элементах и-не: схема, условное графиче-ское обозначение, таблица переходов, режимы работы.
- •Последовательная отрицательная обратная связь по напряжению: струк-
- •Каскады сдвига напряжения
- •2)Транзисторно-транзисторные логические элементы с повышенной нагрузочной способностью.
- •3)Реверсивные счётчики.
- •1)Нелинейные искажения. Коэффициент гармоник. Амплитудная характеристика. Динамический диапазон.
- •3)Счётчики с параллельным переносом: схема, работа, достоинства и недостатки.
- •1) Переходная характеристика идеального и реального усилителя.
- •2) Мультиплексоры и демультиплексоры. Их граф. Обозначения.
- •3)Регистры: классификация, построение регистров памяти, условные графические обозначения на схемах.
- •1) Каскад с общим эмиттером: схема замещения, коэффициент усиления по напряжению, коэффициент усиления по току (выразить через параметры схемы замещения).
- •2.Статические характеристики и параметры потенциальных логических элементов.
- •3.Реверсивные регистры сдвига и их применение. Счётчик Джонсона. Распределитель импульсов.
- •10. Обратная связь в усилителях: классификация.
- •51. Дифференциальный каскад на биполярных транзисторах: схема, принцип действия, основные параметры.
- •85, Суммирующий и вычитающий счётчики с последовательным переносом:
1 Билет
1 Входные характеристики усилителя. 2-х тактный каскад усилителя.
Выходные каскады усилителей: двухтактный каскад на транзисторах разного типа проводимости. Искажения типа «ступенька» и меры борьбы с ними
VT1, VT2 – транзисторы разного типа проводимости
В режиме Б появляются искажения типа «ступенька» из-за кривизны начального участка передаточной характеристики.
Для их устранения применяется режим АБ, в котором подаётся небольшое исходное смещение рабочей точки транзистора.
Режим АБ – самый распр. Для двухтактных каскадов, но при малых амплитудах КПД понижается.
Коммутаторы аналоговых сигналов: назначение, параметры, ключи на биполярных транзисторах. Условныеграфическиеобозначения.
Коммутаторы аналоговые сигнальные устройства в которых аналоговые сигналы переключаются под управлением цифровых
Простейший аналоговый коммутатор:
Аналоговый ключ на биполярных транзисторах
Роль ключа выполняет VT, R ограничитель iб транзистора
Условно графическое обозначение
Логический элемент ИЛИ-НЕ на n-канальных МДП-транзисторах.
|
|
Y |
0 |
0 |
1 |
1 |
0 |
0 |
0 |
1 |
0 |
1 |
1 |
0 |
2 Билет.
Выходные каскады усилителей: однотактный трансформаторный каскад в режиме А.
44. Выходные каскады усилителей: однотактный трансформаторный каскад в режиме а.
Точки B и С максимальные границы используются для построения нагрузочной прямой
Напряжение в точке B и С минимально.
В однотактном каскаде усиление осуществляется одним транзистором. Если во входную цепь нагрузка Rн включена через трансформатор то каскад трансформаторный.
Минусы: низкий КПД, высокое искажение.
Автогенераторы с трехзвеннойRC-цепью типа C-параллель: схема, частота автоколебаний.
70.Автогенераторы с трехзвеннойRc-цепью типа c-параллель: схема, частота автоколебаний.
При
то
фазовый сдвиг равен 0
Логический
элемент И-НЕ на n-канальных
МДП-транзисторах.
Билет 3.
2. Дифференцирующий усилитель на ОУ: схема, зависимость выходного напряжения от входного напряжения.
iвх+iос=0;
Uвых/R+c•(dUвх/dt)=0;
Uвых=-Rc•( dUвх/dt)
Эта схема выполняет математическую функцию дифференцирования. Склонна к самовозбуждению.
3. Логические элементы ИЛИ-НЕ на комплементарных МДП транзисторах
Из рис. 3.19, а видна закономерность МДП логических элементов: параллельное соединение однотипных транзисторов сопровождается последовательным включением транзисторов другого типа. Выполняемая логическая операция определяется включением транзисторов «нижнего яруса» (в схемах на рис. 3.19 – это n-канальные транзисторы VT1 и VT2). ЛЭ на МДП-транзисторах сохраняют все достоинства аналогичных ключей, в частности, ничтожную потребляемую мощность в статических состояниях.
Действие на входах параллельно соединенных управляющих транзисторов VT1 и VT2 уровня логического нуля U0 обусловливает их закрытое состояние, при этом последовательно соединенные нагрузочные транзисторы VТ3 и VT4 открыты и на выходе схемы и на выходе схемы устанавливается напряжение U1=E
Если хотя бы на один из входов поступает сигнал логической единицы U1, то открывается соответствующий управляющий транзистор (VT1 или VT2), а связанный с ним нагрузочный транзистор (VТ3 или VT4) закрывается.
1. Схема замещения усилителя для области средних частот. Коэффициент усиления усилителя в области средних частот.
Емкостями можно пренебречь, сопротивлениями тоже, на С1-КЗ
Упрощенная схема
-
коэф передачи вх цепи средних частот
Билет 4.
1)Схема замещения усилителя для области низких частот. Амплитудно- частотная и фазочастотная характеристики усилителя в области низких частот.
Е(вх) в области низких частот коэф усилителя падает и стремится к 0.
АЧХ первый рис ниже
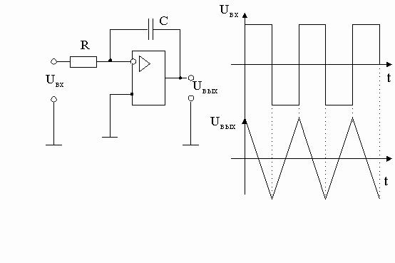
В Области низких частот АЧХ и ФЧХ определяется постоянной времени усил. образов переход емкости и включает последовательно с ними сопротивление. 2. Интегрирующий усилитель на ОУ схема, зависимость выходного напря-жения от входного напряжения.
Билет 5.
Схема замещения усилителя для области средних частот. Коэффициент усиления усилителя в области средних частот.
Емкостями можно пренебречь, сопротивлениями тоже, на С1-КЗ
Упрощенная схема
- коэф передачи вх цепи средних частот
2. Фазовращатель на ОУ: схема, амплитудно-частотная и фазочастотная
характеристики.
3.
Шифраторы: назначение, таблица истинности,
принципиальная схема, условное
графическое обозначение, применение.
Шифратор
(кодер) преобразует сигнал на одном из
входов в n-разрядное
двоичное число.
Во всех устройствах управления, которые работают на двоичной логике, но для удобства оператора имеют десятичную клавиатуру, используются шифраторы. Калькулятор, банкомат
Билет №6
1.Каскад с общим стоком: принципиальная схема, схема замещения, коэффициент усиления по напряжению, входное сопротивление, выходное сопротивление.
Истоковый повторитель
Схема замещения
Rг = 0, Rн = inf
rвх=R3 (велико)
I = SUзи= SUвых
r = 1/S (мало)
2.. Выходные каскады усилителей: двухтактный трансформаторный каскад.
Делитель в цепи базы (R1, R2) задаёт режим работы по постоянному току
T1 T2 – согласующие транзисторы
T2 – выходной транзистор
Двухтактный каскад – каскад, в который включены два однотактны усилительных каскада, работающих на 1 общую нагрузку и управляемых взаимно противофазно одним и тем же усиливаемым колебанием. Двухтактный усилитель состоит из двух половин называемых плечами.
Использование режима А обеспечивает очень малые нелинейные искажения. Режим Б обеспечивает хорошие энергетические показатели(высокая КПД и малую мощность потерь в транзисторах), но он вносит повышенные нелинейные искажения.
