- •Параметры основного электрооборудования
- •Сопротивление обмоток тягового двигателя в номинальном режиме
- •Сопротивление отдельных обмоток двигателя:
- •2.3. Тяговый трансформатор
- •2.4. Сглаживающий реактор
- •2.5. Выпрямитель
- •2.6 Переходной реактор
- •3. Расчет пусковых ступеней
- •3.1 Число позиций регулирования напряжения
Петербургский Государственный Университет Путей Сообщения им. Александра I
Кафедра « Электрическая тяга »
Курсовой проект
РАСЧЕТ СИСТЕМ УПРАВЛЕНИЯ ЭЛЕКТРИЧЕСКИМ ПОДВИЖНЫМ СОСТАВОМ ПЕРЕМЕННОГО ТОКА
Вариант 02
Выполнил: Баранов Д.С.
70-ЭТк-302
Проверил:
Санкт-Петербург
2017
В курсовой работе рассмотрены вопросы построения схемы силовой цепи и расчета ступеней регулирования ЭПС переменного тока. Приведен метод расчета характеристик ЭПС на ЭВМ, а также способы определения параметров основного электрооборудования ЭПС.
1. ИСХОДНЫЕ ДАННЫЕ. СОДЕРЖАНИЕ И ОФОРМЛЕНИЕ ПРОЕКТА
Цель курсового проекта по дисциплине «Электрооборудование электрического подвижного составом (ЭПС)» - привить студентам практические навыки по выбору основных параметров электрооборудования, расчету характеристик и разработке схем электрических цепей ЭПС.
Задание на проект содержит следующие исходные величины:
род тока в контактной сети - переменный, номинальное напряжение на токоприемнике ЭПС Uэн =25 кВ, и частота fс =50 Гц;
тип подвижного состава, число тяговых двигателей Nд =8 и нагрузка на ось Pсц=225
номинальная (часовая) мощность Pн =750
номинальное напряжение тягового двигателя Uдн=900
скорость движения электровоза в номинальном режиме Vн =50
постоянный коэффициент ослабления возбуждения β0 =0,96
наименьший коэффициент ослабления возбуждения βmin=0,36
электрическое торможение - реостатное.
Параметры основного электрооборудования
Система управления тяговыми двигателями грузовых электровозов переменного тока
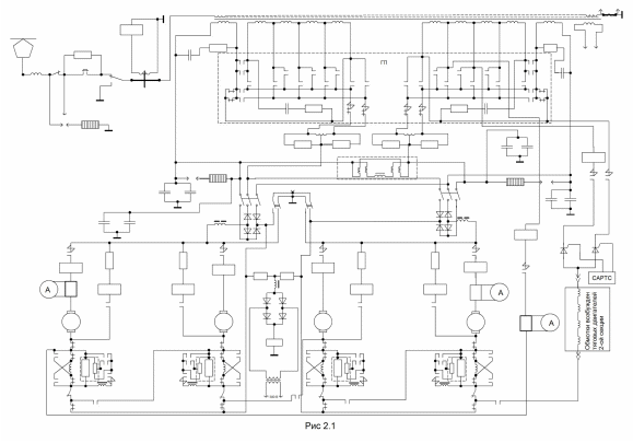
Для регулирования напряжения на тяговых электродвигателях применена система ступенчатого амплитудного регулирования напряжения тягового трансформатора на стороне низшего напряжения. Схема вторичной обмотки трансформатора – встречносогласная. Переключение секций в регулируемой части вторичной обмотки трансформатора в процессе регулирования напряжения на тяговых электродвигателях производится по схеме с переходным реактором. Однофазный ток вторичной обмотки тягового трансформатора для питания тяговых двигателей пульсирующего тока выпрямляется мостовым выпрямителем. На каждой секции электровоза предусмотрено две группы вторичных обмоток и два выпрямителя. Это исключает появление постоянной составляющей тока во вторичной обмотке тягового трансформатора на позициях с разными амплитудами напряжения по полупериодам. К каждому выпрямителю подключена группа из 2-х параллельно соединенных двигателей.
В режиме реостатного торможения обмотки возбуждения двигателей питаются от 2-х секций регулируемой части вторичной обмотки трансформатора через управляемый выпрямитель, выполненный по схеме с нулевым выводом.
Упрощенная схема силовой цепи одной секции электровоза показана на рис. 2.1. Электрические аппараты силовой цепи на схеме не имеют обозначений. При разработке принципиальной электрической схемы силовой цепи электровоза в процессе выполнения курсового проекта электрическим аппаратам присваивают обозначения, которые используют при составлении перечня основного электрооборудования электровоза и таблицы замыкания контакторов главного переключателя.
Характеристики тягового двигателя при номинальном напряжении
Номинальным называется режим работы, на который тяговый электродвигатель рассчитан заводом-изготовителем. Этот режим характеризуется номинальными значениями мощности Pн, скорости Vн , напряжения на двигателе Uдн, тока Iн и коэффициента регулирования возбуждения βн . Для тяговых двигателей электровозов переменного тока номинальным является режим полного возбуждения βн =βо =0,96.
Номинальный (часовой) ток тягового двигателя
Iн=Pн/(Uдн*ηдн) , (2.1)
Iн=750*
/(900*0,94)=886,52
А
гдеηдн – КПД тягового двигателя на его валу в номинальном режиме
Ток возбуждения тягового двигателя в номинальном режиме
Iвн=β0 *Iн (2.2)
Iвн=0,96*886,52=851,06 А
Сила тяги двигателя в номинальном режиме
Fн=Рн*ηзп/Vн (2.3)
Fн =3,6*750*0,98/50=52,92 кН
Сопротивление обмоток тягового двигателя в номинальном режиме
rдн=ρдн*Uдн/Iн , (2.4)
rдн=0,04*900/886,52=0,038Ом
где ρдн – относительное падение напряжения на обмотках тягового двигателя в номинальном режиме, определяемое по эмпирической формуле
ρдн=0,03+
ρдн=
0,03+
=0,037
где Pн – номинальная мощность тягового двигателя в кВт. Зависимость rдн(Pн) приведена на рис. 1.
