- •Принципы построения системы двухзонного регулирования скорости двигателя постоянного тока по структуре подчиненного управления
- •2.Оптимизация контура регулирования тока возбуждения в системе двухзонного подчиненного регулирования скорости
- •3.Оптимизация контура регулирования эдс в системе двухзонного подчиненного регулирования скорости
- •4.Особенности оптимизации контура регулирования скорости в системе двухзонного подчиненного регулирования скорости
- •5. Применение метода модального управления при разработке суэп.
- •6. Восстановление координат электропривода с помощью наблюдателя.
- •7. Синтез регуляторов суэп методом логарифмических амплитудных характеристик
- •8. Определение коэффициента усиления тиристорного выпрямителя как максимального значения динамического коэффициента усиления.
- •9. Адаптивное управление током якоря и скоростью двигателя в системе подчиненного управления при двухзонном управлении
- •10. Микропроцессорное управление в электроприводе
- •11.Регулирование скорости асинхронного с фазным ртором путем импульсного регулирования добавочного сопротивления в цепи ротора
- •12. Использование тиристорных преобразователей частоты с непосредственной связью для регулирования скорости асинхронного двигателя
- •13. Структуры суэп с двухзвенным преобразователем частоты по схеме "выпрямитель-автономный инвертор напряжения" реализация связи между частотой и напряжением
- •14. Структуры суэп с двухзвенным преобразователем частоты по схеме "выпрямитель-автономный инвертор тока"
- •15.Система частотно-токового управления. Формировнаие задания тока статора в режиме поддержания потсоянства манитонго потока
- •17. Синтез векторной системы управления асинхронным двигателем методом подчинённого управления
- •18.Построение системы управления частотой вращения бесконтактного двигателя постоянного тока
- •19.Синтез системы векторного управления синхронным двигателем с постоянными магнитами.
- •22.Принцип посторения замкнутой системы управления положением. Система управления скоростью как подсистемы управления положением
- •23.Система управления положением в режиме точного позиционирования. Требования к статической точности и динамике
- •24.Расчет параметров регулятора положения. Исходя из требоаний отработки малых перемещений
- •25.Особенности отработки средних и больших перемещений в позицонной системе
- •26. Применение задатчиков положения
- •27.Применение параболического регулятора положения и регулятора с переменной структурой
- •28.Система управления положением в режиме слежения. Задача следящего управления
- •30. Повышение точности отработки управляющего воздействия за счет повышения порядка астатизма
- •33.Настройка контура положения при упругой связи двигателя с исполнительным органом.
- •37.Системы управления соотношением скоростей исполнительных механизмов.
- •32.Гармоническое воздействие в следящей системе.
- •39.Системы управления эп, взаимосвязанными по положению
- •38.Системы управления натяжением
- •40.Следящие системы двустороннего действия
- •34.Влияние нелинейности объекта управления и пути уменьшения
- •35.Системы программного управления с шаговыми двигателями. Аппаратная и программная реализация
- •36.Общие вопросы организации адаптивного управления. Беспоисковые и поисковые системы.
- •31.Комбинированная следящая система.
- •29. Ошибка следящей системы при управлении по заданию и возмущению.
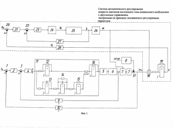
Принципы построения системы двухзонного регулирования скорости двигателя постоянного тока по структуре подчиненного управления
Система автоматического регулирования скорости двигателя постоянного тока независимого возбуждения построенная по принципу подчиненного регулирования параметров со скоростным и токовым контурами. Для достижении поставленной цели в нее дополнительно введены задающее устройство противоэдс двигателя, регулятор эдс двигателя, два устройства сравнения контура регулирования потока возбуждения двигателя, регулятор тока возбуждения двигателя, тиристорный возбудитель, звено учета вихревых токов возбуждения, звено связи магнитного потока двигателя с током возбуждения, датчики тока возбуждения и эдс двигателя, блок вычисления противоэдс в составе масштабируемого усилителя и устройства умножения. В первой зоне управление двигателем осуществляется по якорной цепи машины при постоянстве потока возбуждения, во второй зоне осуществляется управление потоком возбуждения машины (уменьшением) при постоянстве якорного напряжения. Управление двух зон осуществляется при контроле ЭДС двигателя. В контуре управления потоком возбуждения учитывается значения вихревых токов машины. При таком управлении расширяется диапазон регулирования скорости двигателя, а следовательно и его функциональные возможности для применения.
Полезная модель относится к электромеханическим системам, и в частности, к системам стабилизации скорости двигателя постоянного тока независимого возбуждения, построенным по принципу подчиненного регулирования параметров и может быть использована для повышения точности поддержании скорости двигателя, как в статических, так и динамических режимах работы при одновременном расширении функциональных возможностей системы.
2.Оптимизация контура регулирования тока возбуждения в системе двухзонного подчиненного регулирования скорости
Оптимизация контура регулирования тока Для обеспечения форсировки в прямом канале управления контура системы подчиненного управления обязательно присутствие интегрирующего звена. Поэтому регулятор тока выбирается интегро-пропорциональным (ИП) с передаточной функцией ,
где рт k – коэффициент передачи; т τ - постоянная времени регулятора тока, с. При наиболее часто применяющей настройке контура тока по модульному оптимуму постоянную времени регулятора тока т τ принимают равной «большой» постоянной времени
3.Оптимизация контура регулирования эдс в системе двухзонного подчиненного регулирования скорости
Коэ
kWb
Изменение потоковзбуждения влияет на измеение эдс и изменение Мдв Uдв и т.д. т.е.реально по изменению эдс учавствует весь прямой канал. Учесть это влияние не представляет возможным. Однако можно выделить цепь прохождения сигнала наиболеее быстрореагирующему на изменение магнитного потока иисходит из того что Δl=KΔФwn
Такое пренебрежение остальными составляющими Δl будет достаточно обоснованным если момент инерции двигателя достаточно большой. В полученном контуре регулиования эдс кроме малоц инериоанальности содержит передаточную функцию ОУ: Коб=Wв/rв*kWном
