- •Часть 1
- •История развития электротехники.
- •Законы Кирхгофа.
- •Методы расчёта электрических цепей.
- •5. Расчёт схем по методу контурных токов.
- •Расчёт разветвлённых цепей с помощью законов Кирхгофа.
- •Переменный ток.
- •Последовательное соединение l,c,r на переменном токе. Комплексное сопротивление и резонанс напряжений.
- •Резонанс токов.
- •Трёхфазные цепи.
- •Переходные процессы в линейных электрических цепях
- •9.1. Причины возникновения переходных процессов. Законы коммутации.
- •9.2. Математические основы анализа переходных процессов
- •9.3. Алгоритм расчета переходного процесса классическим методом
- •Переходные процессы в электрических цепях с последовательно соединенными резисторами и катушками
- •10.1. Короткое замыкание в цепи с резистором и катушкой
- •10.2. Включение цепи с резистором и катушкой на постоянное напряжение
- •10.3. Включение цепи с резистором и катушкой на синусоидальное напряжение
- •Переходные процессы в цепи с последовательно включенными резисторами и конденсатором
- •11.1. Разряд конденсатора на резистор
- •11.2. Включение цепи е резистором и конденсатором на постоянное напряжение (заряд конденсатора)
- •11.3. Включение цепи с резистором и конденсатором на синусоидальное напряжение
- •Разряд конденсатора на цепь с резистором и катушкой
- •12.1. Составление характеристического уравнения. Определение собственных частот цепи.
- •12.2. Апериодический разряд конденсатора на катушку и резистор
- •12.3. Предельный апериодический разряд конденсатора на катушку и резистор
- •12.4. Периодический (колебательный) разряд конденсатора на цепь с резистором и катушкой
- •Включение контура из конденсатора, резистора, катушки на постоянное напряжение.
- •13.1. Апериодический процесс
- •13.2. Колебательный процесс
- •Нелинейные цепи
- •Методы расчета электрических цепей
- •Метод контурных токов
- •Метод 2-х узлов
- •Расчет трехфазных цепей Соединение в звезду
- •Соединение в треугольник
- •Самостоятельная работа №1
- •Самостоятельная работа №2
- •Самостоятельная работа №3
- •Самостоятельная работа №4
- •Самостоятельная работа №5
- •Самостоятельная работа № 6
МИНИСТЕРСТВО ОБРАЗОВАНИЯ И НАУКИ РФ
ФЕДЕРАЛЬНОЕ ГОСУДАРСТВЕННОЕ БЮДЖЕТНОЕ
ОБРАЗОВАТЕЛЬНОЕ УЧРЕЖДЕНИЕ
ВЫСШЕГО ОБРАЗОВАНИЯ
НИЖЕГОРОДСКИЙ ГОСУДАРСТВЕННЫЙ ТЕХНИЧЕСКИЙ
УНИВЕРСИТЕТ ИМ. Р.Е. АЛЕКСЕЕВА
К.С. Степанов, В.Н. Гуляев, Л.В. Белова
ЭЛЕКТРОТЕХНИКА И ОСНОВЫ ЭЛЕКТРОНИКИ
Конспект лекций по курсу
Часть 1
Рекомендовано Учёным советом Нижегородского
государственного технического университета им. Р.Е. Алексеева
в качестве учебного пособия для студентов всех направлений и всех форм обучения
Нижний Новгород
2016
УДК 621.3.012(075.5)
Р е ц е н з е н т
Доктор технических наук, профессор О.С. Хватов
Степанов К.С., Гуляев В.Н., Белова Л.В.
Электротехника и основы электроники конспект лекций по курсу: учеб пособие / К.С. Степанов, В.Н. Гуляев, Л.В. Белова. Нижегород. Гос. Техн. ун-т им Р.Е. Алексеева, 2016.-126 с.
В методическом пособии изложены: история развития электротехники, основные законы её и методы расчёта электрических цепей, принцип действия электрических цепей на переменном токе, при переходных процессах, приведены контрольные вопросы и задачи по темам.
Предназначено для студентов всех специальностей всех форм обучения.
Рис.
© Нижегородский государственный
технический университет
им Р.Е.Алексеева, 2016
Лекция 1.
История развития электротехники.
Как показывает отечественный и зарубежный опыт, наиболее эффективной системой обновления знаний является гибкая, непрерывная на протяжении всей жизни, система самообразования и повышения квалификации. Полноценный современный специалист должен обладать способностью параллельно заниматься самообразованием как в области общетеоретических, так и специальных знаний, только тогда он сможет изыскивать эффективные пути взаимодействия с техникой будущего.
При этом человек должен помнить, что ОН – «частица биосферы» и «частица ноосферы». Свое бытиё Он должен приспосабливать к законам ноосферы. По образному выражению академика В.И. Вернадского, которое он сформулировал ещё в начале прошлого века, необходимо не покорение природы, а совместное гармоническое развитие природы и общества, иначе человечеству просто не выжить.
Решающая роль в современном научно-техническом прогрессе принадлежит электротехнике, которая, включает в себя три основных раздела: Теоретические основы электротехники (ТОЭ), Электрические машины (ЭМ) и Электронику.
Современное определение электротехники.
Электротехника - область науки и техники, использующая электрические и магнитные явления для осуществления процессов преобразования энергии и превращения вещества, а так же для передачи сигналов и информации.
В последние десятилетия из электротехники выделилась промышленная электроника с тремя направлениями: информационное, технологическое и энергетическое, которые с каждым годом приобретают все большее значение для научно-технического прогресса.
В развитии электротехники и электроники можно выделить следующие 8 этапов:
I этап: до 1800г. - становление электростатики. К этому периоду относятся первые наблюдения электрических и магнитных явлений, создание первых электростатических машин и приборов, исследование атмосферного электричества, зарождение электромедицины (опыты Гальвани), открытие закона Кулона и закона сохранения энергии.
Рис1.1.
Лягушка, препарированная для опытов с
электрофорной машиной и лейденской
банкой. Рисунок
из трактата Гальвани
В 1744 г. М.В. Ломоносов писал: «Все перемены, в натуре случающиеся, такого суть состояния, что сколько чего у одного тела отнимается, что сколько чего у одного тела отнимается, столько присовокупится к другому, так ежели где убудет несколько материи, то умножится в другом месте… сей всеобщий закон простирается и в самые правила движения, ибо тело, движущее своею силою другое, столько же оной у себя теряет, сколько сообщает другому, которое от него движение получает.»
Соответствующие труды М.В. Ломоносова находились в забвении до 1904 г., а будучи опубликованы в России, не могли проникнуть в Западные лаборатории, поэтому позднее А.Л. Лавуазье повторно и независимо от М.В. Ломоносова открыл закон сохранения вещества.
Выдающийся ученый – энциклопедист М.В. Ломоносов был первым в России основоположником изучения электрических явлений, автором первой теории электричества. В 1745 г. был разработан первый электроизмерительный прибор «электрический указатель» Георгом Вильгельмом Рихманом, который погиб 25 июня 1753 г., во время сильной грозы при проведении опыта с «грозовой машиной».
Рис. 1.2. Портрет М.В.Ломоносова
II этап: 1800-1830г.г. - закладка фундамента электротехники и её научных основ. Начало этого периода ознаменовано получением «Вольтова столба» - первого электрохимического генератора постоянного тока. Затем была создана «Огромная наипаче батарея» Василия Владимировича Петрова, с помощью которой была получена электрическая дуга и сделано много новых открытий. В этот период были открыты важнейшие законы: Георга Симона Ома, Жана Батисто Био и Феликса Савара, Андре Мари Ампера и была установлена связь между электрическими и магнитными явлениями. Был создан прообраз электродвигателя.
Рис. 1.3. Вольта демонстрирует
перед Наполеоном свое изобретение -
Вольтов столб. Художник
Дж. Бертини. 1801 год.
III этап: 1830-1870г.-зарождение электротехники. Самым значительным событием этого периода было открытие явления самоиндукции Майклом Фарадеем и создание первого электромагнитного генератора (на основании ЭМИ). В этот период формулируются законы Ленца, Кирхгофа, разрабатываются различные конструкции электрических машин и измерительных приборов, зарождается электроэнергетика. Однако широкое практическое применение электроэнергии в хозяйстве и быту сдерживалось отсутствием экономичного электрического генератора.
IV этап: 1870-1890г.- становление электротехники как самостоятельной отрасли техники.
В этот период создаётся первый промышленный генератор с самовозбуждением (динамо-машина), что привело к созданию новой отрасли электротехники «Электрические машины». Организуются производства с использованием электроэнергии. С развитием промышленности, ростом городов возникает потребность в электрическом освещении. Начинается строительство «домовых» электростанций, вырабатывающих постоянный ток. Электрическая энергия становится товаром и всё более остро ощущается потребность в централизованном производстве и экономичной передаче электроэнергии. На постоянном токе эту проблему решить нельзя из-за невозможности трансформации постоянного тока. В это время Павел Николаевич Яблочков изобрёл электрическую свечу и была разработал схему дробления постоянного электрического тока при помощи индукционных катушек, представляющих собой трансформатор с разомкнутой магнитной системой. В середине 80-х годов началось серийное производство однофазных трансформаторов с замкнутой магнитной систеиой (Макс дёрн, Отто Блати, К Циперновский) и строительство центральных электростанций переменного тока.
Однако развитие производства требовало комплексного решения проблемы экономичной передачи электроэнергии на дальние расстояния и создания экономичного и надёжного электродвигателя. Эта проблема была решена на основе многофазных, в частности 3-х фазных систам.
V этап: 1891 –1920 гг. – становление и развитие электрификации.
Предпосылкой развития 3-х фазной системы явилось открытие в 1988 г. явления вращающегося магнитного поля. 3-х фазная система оказалась наиболее рациональной. В развитие этой системы внесли вклад многие учёные разных стран, но наибольшая заслуга принадлежит русскому учёному Михаилу Осиповичу Доливо-Добровольскому, создавшему 3-х фазные синхронные генераторы, асинхронные двигатели и трёхфазные трансформаторы. Убедительным преимуществом 3-х фазных цепей было строительство трёхфазной линии электропередачи между немецкими городами Лауфеном и Франктфуртом при активном участии М.О.Доливо-Добровольского.
Расширяются исследования явлений, протекающих в цепях синусоидального тока с помощью векторных и круговых диаграмм. Огромную роль в анализе процессов в таких цепях сыграл комплексный метод расчёта, предложенный 1893-1897гг. Чарльсом Протеусом Штейнмецом. Теоретические основы электротехники становятся базовой дисциплиной в вузах и фундаментом научных исследований в области электротехники.
VI этап: 1920 – 1940гг. – зарождение электроники: электровакуумные приборы, триод, диод. 1923г. – Лосев создал первый полупроводниковый диод – кристадин, который мог работать в режиме генератора высокочастотных колебаний. Выделилась радиотехника как самостоятельная наука.
VII этап: 1940 – 1970гг. – зарождение информатики: построение электронно - вычислительных машин.
VIII этап: 1970г. - по настоящее время – информатика как самостоятельная наука.
(Лекция подготовлена на основе книги «Очерки по истории электротехники» О.Н.Веселовский, Я.А.Шнейберг., М. МЭИ, 1993г.
Также рекомендую ознакомиться с книгой «Становление и развитие электротехники и электроэнергетики» , Б.В.Папков, Нижний Новгород, «Кварц» 2011г.)
Тестовые вопросы по теме лекции
Определение науки «Электротехника».
Сколько этапов можно выделить в истории развития Электротехники?
Время окончания первого этапа.
Закон сохранения материи и количества движения по Ломоносову М.В. – определение.
Какие учёные работали на первом этапе развития электротехники?
Начало и окончание второго этапа развития электротехники.
Какие учёные работали во время второго этапа?
Основные законы электротехники, открытые во втором этапе развития.
Начало и окончание третьего этапа развития электротехники.
Какие учёные работали во время третьего этапа?
Основные законы электротехники, открытые в третьем этапе развития.
Начало и окончание четвёртого этапа развития электротехники.
Какие учёные работали во время четвёртого этапа?
Основные законы электротехники, открытые в четвёртом этапе развития.
Начало и окончание пятого этапа развития электротехники.
Какие учёные работали во время пятого этапа?
Основные события в области электротехники, произошедшие на пятом этапе развития.
Начало и окончание шестого этапа развития электротехники.
Какие учёные работали во время шестого этапа?
Основные события электротехники, произошедшие в шестом этапе.
Начало и окончание седьмого этапа развития электротехники.
Какая наука зародилась во время седьмого этапа?
Начало восьмого этапа развития электротехники.
Лекция 2.
Основные понятия и определения в электротехнике.
Электрическая цепь – совокупность источников электрической энергии, линий электропередач и электроприемников. Для анализа и синтеза электрических цепей вводят понятия: электродвижущей силы (ЭДС), обозначается Е; напряжения, обозначается U (Е и U измеряются в Вольтах [B]); тока (I) измеряется в Амперах [A]; сопротивления R, [Ом]; величины, обратной сопротивлению - проводимости (G) измеряется в Сименсах [См] (R=1/G); индуктивности L , единица измерения Генри [Гн]; емкости С, единица измерения Фарада [Ф]. На схемах вышеперечисленные элементы обозначаются следующим образом:
активные сопротивление и проводимость - , ,
индуктивность - ,
емкость - ,
источник
ЭДС - ,
источник тока - .
Положительным направлением тока называется направление, в котором перемещают положительно заряженные частицы или направление, противоположное движению электронов.
Источники электроэнергии.
Реальный источник электроэнергии обладает внутренним сопротивлением больше нуля и в электротехнике представляется в виде двух вариантов – источник ЭДС и источник тока.
У идеального источника ЭДС внутреннее сопротивление равно нулю. У идеального источника тока RВН = ∞, т.е. чем выше RВН , тем ближе источник тока к идеальному (рис. 2.1).
Реальный источник обладает внутренним сопротивлением.
а), б).
Рис. 2.1. Эквивалентная схема реального источника ЭДС - (а) и его вольтамперная характеристика (ВАХ) - (б).
а), б).
Рис. 2.2. Эквивалентная схема реального источника тока - (а), и его вольтамперная характеристика (ВАХ) - (б).
Источник тока можно получить из источника ЭДС, если параллельно источнику тока включить сопротивление, равное внутреннему сопротивлению источника ЭДС. Соответственно значение тока источника тока определяют по формуле I=E/ RВН (рис. 2.2).
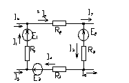
Узел электрической цепи - это точка, в которой соединены 3 или более ветвей (рис. 2.3).
Рис. 2.3. Обозначение узла электрической цепи.
Ветвь электрической цепи – участок цепи, расположенный между двумя узлами, состоящий из одного или нескольких последовательно соединенных электрических элементов. По ветви течет один и тот же ток (рис. 2.4).
Рис. 2.4. Обозначение ветви электрической цепи.
Замкнутым контур электрической цепи называют путь, проходящий через несколько ветвей и узлов разветвленной электрической цепи (рис. 2.5).
Рис. 2.5. Обозначение контура электрической цепи.
Основные законы электротехники.
Закон Ома для участка цепи, несодержащего ЭДС.
R
φ1 > φ2 U12 = φ1- φ2
I = U12/R = (φ1- φ2)/R
Закон Ома для участка цепи, содержащего ЭДС.
R
3
I = U12/R = (φ1- φ2)/R
φ2 = φ3 - E
φ1 – φ3 = U+E
Из этого следует: I = ( φ1 – φ3 –E)/R = (U13-E)/R.
