- •Системы автоматизации и управления
- •Пояснения к работе
- •Порядок выполнения работы
- •Составление отчета
- •Контрольные вопросы
- •Пояснения к работе
- •Порядок выполнения работы
- •Составление отчета
- •5.Контрольные вопросы
- •Пояснения к работе
- •Порядок выполнения работы
- •Составление отчета
- •Контрольные вопросы
- •Пояснения к работе
- •3Подготовка к работе
- •.Порядок выполнения работы
- •Составление отчета
- •Контрольные вопросы
- •Библиографический список
Министерство образования и науки Российской Федерации
Государственное образовательное учреждение высшего профессионального образования
“Южно-Российский государственный технический университет
(Новочеркасский политехнический институт)
В.М.Горбачев, И.В.Осадчий, Ю.В.Тырникова
Системы автоматизации и управления
Методические указания к лабораторным работам по дисциплине:
«Системы автоматизации и управления»
Новочеркасск
2013
УДК 621.311.22.661.5 (075.8)
Рецензент –
Горбачев В.М., Осадчий И.В., Тырникова Ю.В.
Системы автоматизации и управления; метод.указ. К лабораторным работам / Юж.-Рос.гос.техн.ун-т – Новочеркасск: ЮРГТУ, 2011 – с.
В указаниях включены 4 лабораторные работы, содержащие материал по составлению структурных схем автоматического управления технологическими процессами, исследованию принципиальной схемы узла автоматики и сведения по программированию цифрового регулятора.
Предназначены для студентов дневной и заочной форм обучения специальности 140100 «Тепловые электрические станции», изучающих вопросы проектирования и эксплуатации АСУ технологическими процессами.
Работа издана в соответствии с требованиями и правилами оформления текстовых документов в учебном процессе.
© Южно-Российский государственный технический
университет, 2011
© Горбачев В.М., Осадчий И.В., Тырникова Ю.В., 2011
Лабораторная работа №1
ИЗУЧЕНИЕ ЭЛЕМЕНТОВ И СОСТАВЛЕНИЕ ФУНКЦИОНАЛЬНЫХ СХЕМ АВТОМАТИЧЕСКИХ СИСТЕМ РЕГУЛИРОВАНИЯ
Цель работы: получение практических навыков по разработке функциональных схем автоматических систем регулирования (АСР) тепловых процессов ТЭС и изучение принципа действия, конструкции и характеристик основных элементов схем тепловой автоматики
Задание
ознакомиться со структурой основных схем регулирования тепловых процессов ТЭС;
изучить назначение, конструкцию, принцип действия и характеристики основных блоков аппаратуры регулирования;
разработать функциональные схемы для заданных объектов, типа аппаратуры, параметра регулирования;
реализовать разработанную схему на лабораторном стенде и провести анализ ее работы при заданных преподавателем условиях;
составить функциональную схему АСР из элементов, заданных преподавателем.
Пояснения к работе
На лицевой панели стенда установлены как реальные устройства систем регулирования в виде, удобном для изучения их конструкции и принципа действия, так и даны схематические изображения элементов систем регулирования. Под каждым устройством и условным изображением элемента АСР установлена сигнальная лампа, которая зажигается нажатием одной из клавиш коммутаторов А,Б,В,Г. В нижней части панели приведена таблица коммутации сигнальных ламп. Набор функциональной схемы на стенде заключается в зажигании сигнальных ламп под устройствами, входящими в схему.
Большинство АСР, применяемых на ТЭС [1,2], относится к стабилизирующим системам, призванным поддерживать заданное значение регулируемой величины. Эти системы могут следить за изменением как одного, так и нескольких параметров. Самыми простыми являются одноконтурные АСР, следящие за регулируемой величиной (рис.1).
рис.1.
Регулирующий прибор 1 сравнивает заданное значение регулируемой величины u с действительным y и в случае их неравенства, вызванного изменением внешних возмущений: ν -- на объект 2; λ – на регулирующий орган 3; или задания u, вырабатывает сигнал воздействия и на регулирующий орган 3, изменяя величину входного воздействия х таким образом, чтобы величина у вновь вернулась к заданному значению. По таким схемам осуществляется регулирование разрежения в топке котлов, давления пара в деаэраторе, температура аэросмеси на выходе барабанных мельниц. Основным недостатком этих САР является то, что они вступают в работу лишь после отклонения регулируемой величины от заданного значения. Поскольку большинство объектов обладает инерционностью, то возникающее отклонение регулируемой величины устраняется лишь через какое-то время, что ведет к существенным отклонениям у, т.е. к снижению качества регулирования.
Для повышения качества регулирования применяют САР, следящие не только за регулируемой величиной, но и за возмущающим воздействием, так называемые комбинированные САР (рис.2). По такой схеме осуществляется регулирование питания барабанного котла.
Рис.2
Основным возмущающим воздействием в системе регулирования является расход острого пара. По величине сигнала вырабатывается компенсирующий сигнал, который подается на вход регулятора 1. Также на вход регулятора подается сигнал, пропорциональный расходу питательной воды х. Сигнал о регулируемой величине у (уровне воды в барабане) сравнивается сигналом-заданиея u. САР обеспечивает качественное регулирование, т.к. изменение расхода пара ведет к появлению регулирующего воздействия µ еще до отклонения уровня воды в барабане, а контроль уровня воды обеспечивает высокую точность поддержания его в установившемся режиме. Такой регулятор называют трехимпульсным.
В некоторых системах для повышения быстродействия САР используют сигнал по скорости изменения вспомогательного параметра в промежуточной точке, расположенной как можно ближе к точке входного воздействия. Структурная схема такой САР приведена на рис.3
По такой схеме регулируют температуру острого и вторично перегретого пара в котлах. Сигнал ∂упр/∂t формируется дифференцирующим блоком 4 и поступает на регулирующий прибор 1 еще до изменения у. Такое опережающее вступление регулятора в работу повышает качество регулирования.
рис.3
В случае, если измерить возмущающие величины с достаточной точностью невозможно, применяют схемы регулирования, контролирующие параметры, косвенно характеризующие изменение возмущающих величин.Примером может служить один из вариантов двухконтурной САР регулирования расхода топлива, схема которой показана на рис.4.
Рис.4.
Схема содержит: регулятор топлива 1 и корректирующий регулятор давления 5, выполняющий функции автоматического задатчика по отношению к регулятору 1. Изменение паровой нагрузки котла со стороны турбины (внешнее возмущение) приводит к изменению давления у и, следовательно, к выработке нового задания корректирующим регулятором регулятору топлива. Регулятор топлива будет воздействовать на изменение расхода топлива до тех пор, пока давление не вернется к заданному значению. При внутренних возмущениях (например, изменение качества топлива) регулятор 1 вступает в работу по сигналу ∂упр/∂t (скорость изменения давления пара в барабане) еще до изменения давления пара на выходе из котла.
Автоматические системы регулирования технологических процессов ТЭС используют электрическую аппаратуру «Каскад-1», «Каскад-2», АКЭСР-1, АКСЭР-2, РПИБ [1,3].
Автоматические регуляторы серии «Каскад»
Регуляторы серии «Каскад-1» построены по блочно-модульному принципу, используют унифицированный сигнал связи 0-5мА и 0-20мА и обеспечивают: суммирование и компенсацию сигналов, поступающих от первичных преобразователей (датчиков), и усиление этих сигналов до значения, необходимого для управления пусковым устройством исполнительного механизма. Регуляторы реализуют пропорциональный (П), пропорционально-интегральный (ПИ), пропорционально-дифференциальный (ПД) и пропорционально-интегрально-дифференциальный (ПИД) законы регулирования в пульсирующем и аналоговом режимах изменения выходного сигнала.
К основным блокам аппаратуры относятся:
Измерительный блок И-04 позволяет осуществить суммирование четырех сигналов от первичных измерительных преобразователей, компенсацию полученной суммы сигналом встроенного корректора, введение сигнала задания от внешнего задатчика. Выходной сигнал блока, пропорциональный разности между заданным значением и алгебраической суммой входных сигналов, подается на регулирующие блоки Р-12, Р-21 и другие функциональные блоки.
Регулирующий релейный блок Р-21 служит для формирования импульсов управления электрическим исполнительным механизмом. Переключение выходных цепей Р-21 с автоматического управление на ручное и обратно осуществляется с помощью блока управления БУ-21.
Регулирующий аналоговый блок Р-12 формирует выходной сигнал 0-5мА. Входные сигналы вводятся в блок с выхода И-04
Функциональные блоки: суммирования А-04, умножения А-31, деления А-32, дифференцирования Д-01 и др.
Блок динамического преобразования Д-03 обеспечивает реализацию передаточной функции одного из следующих звеньев: дифференцирующего, интегрирующего и пропорционального. Блок имеет три ступени автоподстройки параметров.
Устройство задающее ЗУ-11 и ЗУ-05 предназначено для оперативного изменения заданного значения регулируемой величины с пульта управления. Представляет собой переменный резистор со шкалой.
Блоки управления аналогового БУ-12 и релейного БУ-21 регуляторов предназначены для безударного переключения управления пусковыми устройствами исполнительного механизма с автоматического управления на дистанционное с помощью кнопок «больше», «меньше».
Первичные измерительные преобразователи (ИП) типов Ш-78, Ш-79, Сапфир-22, Метран. Преобразователь Ш-78 предназначен для линейного преобразования сигналов электрических термопреобразователей (термопар) и сигналов датчиков напряжения постоянного тока в унифицированный сигнал 0-5мА. Преобразователь Ш-79 предназначен для линейного преобразования сигналов термопреобразователей сопротивления в унифицированный сигнал 0-5мА. Преобразователи Сапфир-22 и Метран обеспечивают непрерывное преобразование давления избыточного, разрежения, разности давления в унифицированный токовый сигнал 0-5мА или 0-20мА. Погрешность преобразования от 0,25% до 1%. Первичные преобразователи Ш-78, Ш-79, Сапфир-22, Метран применяют также с аппаратурой АКЭСР.
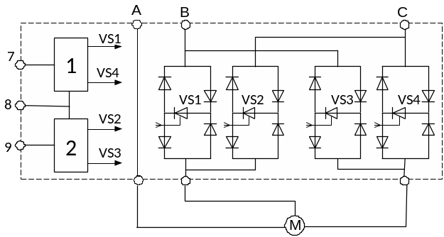
Пусковые устройства обеспечивают необходимое усиление мощности управляющих сигналов, поступающих от регулирующего блока при автоматическом регулировании или от оператора при дистанционном управлении. Пусковые устройства бывают контактные и бесконтактные. Каждый тип пускового устройства рассчитан на работу с определенным типом исполнительного механизма. Основным из контактных пусковых является пускатель магнитный реверсивный с электроконденсаторным тормозным устройством типа ПМРТ-69. Контактор имеет две катушки, на которые поступают сигналы управления «больше» и «меньше», и связанные с ними системы контактов. При поступлении на первую катушку команды «больше» связанные с ней контакты замыкаются, и на исполнительный механизм подается напряжение питания с чередованием фаз А, В, С. При поступлении на другую катушку команды «меньше» замыкается ее система контактов. При этом на исполнительный механизм будет подано напряжение с чередованием фаз А, С, В. Это приведет к изменению направления вращения исполнительного механизма. Основной недостаток контактных пусковых устройств — невысокая надежность контактной системы. Бесконтактный тиристорный пускатель У-101 обеспечивает реверсивное управление трехфазными электродвигателями мощностью до 1,1кВт. (рис.5)
рис.5
В качестве коммутирующих элементов в пускателе используют тиристоры VS1-VS4. Если управляющее напряжение поступает на зажимы 7-8, то на выходе блокинг-генератора 1 появляются импульсы, вызывающие открытие тиристоров VS1 и VS4. При этом на электродвигатель М исполнительного механизма подается напряжение с чередованием фаз А, В, С. При поступлении сигнала управления на зажимы 9-8 на выходе блокинг-генератора 2 появляются импульсы, открывающие тиристоры VS2, VS3. На двигатель будет подано напряжение с чередование фаз А, С, В и он начнет двигаться в противоположную сторону.
Пускатель бесконтактный реверсивный ПБР-2 предназначен для управления исполнительными механизмами, оснащенными однофазными электродвигателями с симметричными обмотками.
Исполнительные механизмы предназначены для перемещения регулирующего органа. Они состоят из металлического корпуса, в котором размещаются электродвигатель, редуктор, узел ручного привода, два датчика положения выходного вала и концевые выключатели. Полный ход выходного вала может быть от 90° до 270°. Исполнительные механизмы характеризуются: крутящим моментом Мкр, временем полного хода Тим , номинальным полным ходом Yим . Так для различных модификаций механизмов типа МЭО Мкр =4-400 кгс·м, Тим = 10-160 с, Yим=0,25; 0,68 оборота.
Автоматический регулятор серии АКЭСР.
Агрегатированный комплекс электрических средств регулирования АКЭСР характеризуется использованием интегральных микросхем, повышенной функциональной насыщенностью отдельных блоков. Аппаратура содержит следующие основные блоки:
Регулирующий блок импульсный РБИ предназначен для формирования П-, ПИ- или ПИД- закона регулирования. В аппаратуре АКЭСР измерительные блоки совмещены с регулирующими. Поэтому сигналы от измерительных приборов (термоэлектрических преобразователей, индукционных и дифференциально-трансформаторных датчиков и других), проходя через нормирующие преобразователи НП, блоки кондуктивного разделения поступают на вход РБИ. Импульсный сигнал с выхода РБИ подается на пусковое устройство, управляющее однофазным или трехфазным двигателем.
Регулирующий блок аналоговый РБА предназначен для формирования аналогового сигнала в соответствии с П-, ПИ- или ПИД- законами регулирования. Блок имеет пять входов для аналоговых сигналов по напряжению и два по току.
Блок кондуктивного разделения БКР предназначен для ввода и вывода информации системы АКЭСР. В них производится преобразование токового сигнала в сигнал напряжения, разделение входных и выходных цепей, демпфирование или дифференцирование.
Функциональные блоки: вычислительных операций БВО, нелинейных преобразований БНП, селектирования БСЛ, прецизионного интегрирования БПИ, ручные задатчики, блоки управления и др.
Автоматические регуляторы серии РПИБ
Аппаратура РПИБ позволяет реализовать ПИ- и ПИД- законы регулирования. Она включает: импульсный регулирующий блок, называемый электронным блоком ЭБ, одинаковым для всех модификаций прибора; измерительные блоки, предназначенные для работы с конкретными первичными измерительными преобразователями; корректирующий блок КПИ, применяемый в каскадных схемах регулирования для управления подчиненными регуляторами и выполняющего функции автоматического задатчика по отношению по к ним; дифференцирующие блоки ДЛ и другие вспомогательные устройства. Регуляторы РПИБ классифицируют по типу применяемого измерительного блока, так РПИБ-III имеет измерительный блок И-III, к которому можно подсоединить до трех датчиков с индукционными или дифференциально-трансформаторными преобразователями, РПИБ Т работает с термоэлектрическими термометрами.
Схемы регулирования с аппаратурой РПИБ, как и ранее рассмотренные, содержат задатчик ручного управления ЗРУ, блок управления БУ6, пусковые устройства типа МКР, ПМКТ, У-101 и исполнительные механизмы.
