- •1.Принцип телефонной передачи
- •2 . Устройство простейшего телефонного аппарата
- •2.Схемы питания телефонных аппаратов
- •3.Местный эффект. Противоместные схемы
- •4.Звонки
- •5.Номеронабиратели
- •1 Описание лабораторной установки
- •1.1 Имитатор сигналов атс
- •1.2 Лабораторный стенд
- •2 Изучение структурной схемы электронного та и взаимодействия та с атс
- •2.1 Исследование параметров вызывного устройства
- •Исследование параметров разговорной схемы
Министерство транспорта РФ
ФГБОУ ВПО ДВГУПС
Кафедра «АТС»
Л А Б О Р А Т О Р Н А Я Р А Б О Т А №
«ИЗУЧЕНИЕ ТЕЛЕФОННЫХ АППАРАТОВ»
Составила: Осипова Н.Г.
г. Хабаровск
2014
ЦЕЛЬ РАБОТЫ: Изучить устройство, принцип действия, конструктивные особенности телефонных аппаратов.
ОБЪЕКТ РАБОТЫ:
лабораторный стенд со схемой электронного ТА;
имитатор напряжений АТС;
осциллограф (С1-83, С1-93);
генератор сигналов (Г3-111, Г3-112);
цифровой мультиметр (В7-35);
СОДЕРЖАНИЕ РАБОТЫ:
1. Изучить устройство простейшего телефонного аппарата, схемы питания (МБ, ЦБ АТС), разновидности и принцип действия противоместных схем.
2. Выполнить ИНДИВИДУАЛЬНОЕ ЗАДАНИЕ: представить временную диаграмму работы импульсного кнопочного номеронабирателя при наборе четырехзначного номера. Четырехзначный номер формируется двумя последними цифрами в шифре зачетной книжки и Вашим номером в списке журнала группы. Недостающие цифры следует заменить нулем. Пример на рис.10.
ОТЧЕТ ДОЛЖЕН СОДЕРЖАТЬ:
1. Схемы питания телефонных аппаратов МБ и ЦБ (рис.2).
2. Таблица с результатами измерений.
3. Временную диаграмму согласно индивидуальному заданию.
4. Ответы на контрольные вопросы (устно).
КОНТРОЛЬНЫЕ ВОПРОСЫ:
1. Каков состав разговорных и вызывных приборов телефонных аппаратов различных типов?
2. Чем разговорный ток отличается от тока питания микрофона?
3. Каковы параметры вызывного сигнала?
4. Каковы виды и принцип работы вызывных устройств?
5. В чем заключается принцип действия мостовой и компенсационной противоместной схем телефонного аппарата?
6. Каково назначение конденсатора в цепи звонка телефонных аппаратов системы ЦБ?
7. Какие способы питания микрофона бывают?
8. Каково назначение телефонного трансформатора на рис.2?
9. Назовите способы трансляции номера абонента на АТС.
10. Устройство и принцип работы кнопочного номеронабирателя.
11. Какую функцию выполняет рычажный переключатель.
1.Принцип телефонной передачи
Принцип телефонной передачи заключается в преобразовании звуковых колебаний в электрические на передающем конце и электрические в звуковые на приемном. Прибор, преобразующий звуковые колебания в электрические, называется микрофоном, а прибор, преобразующий электрические колебания в звуковые, – телефоном. Микрофон на схемах условно обозначают ВМ, телефон – ВF. Разработаны различные типы электроакустических преобразователей: электромагнитные, электроконтактные, электродинамические, конденсаторные, пьезоэлектрические, ионные, электретные.
Все указанные выше типы преобразователей, кроме электроконтактных и ионных, могут использоваться и в качестве передатчиков (микрофонов) и в качестве приемников (телефонов). Электромагнитные, электродинамические, пьезоэлектрические и электретные преобразователи получили название пассивных. Пассивные преобразователи преобразуют энергию поступившего на вход сигнала из одного вида в другой и не требуют для своей работы дополнительных источников электрической энергии.
Электроконтактные, конденсаторные и ионные преобразователи получили название активных. Они требуют для своей работы подключения дополнительного источника электрической энергии.
2 . Устройство простейшего телефонного аппарата
Рис. 1 Функциональная схема классического телефонного аппарата
В классическом телефоне можно выделить шесть функциональных основных блоков (рис.1): рычажный переключатель, звонок, номеронабиратель, приемник, передатчик и разговорная схема. Каждый из этих узлов в том или ином виде присутствует в любом телефонном аппарате, в том числе и в электронных, беспроводных и сотовых телефонах, но их схемотехника намного сложнее, и для построения этих узлов используется другая элементная база. Рассмотрим схемотехнику классических телефонов.
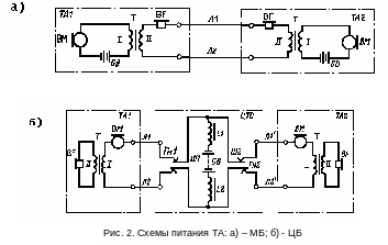
2.Схемы питания телефонных аппаратов
В телефонном аппарате необходимо питать микрофон. Находят применение схемы, построенные по системам питания от местной батареей (МБ) или от центральной батареей (ЦБ).
Схема телефонной передачи по системе МБ (рис.2,а). В каждом телефонном аппарате имеется собственный источник питания микрофона, называемый местной батареей, GВ. Обычно в качестве источника используются два сухих элемента общим напряжением примерно З В. Ток питания микрофона в этой схеме не зависит от длины линии, а определяется сопротивлениями микрофона BM и обмотки трансформатора Т. Для разделения тока питания (постоянного) и разговорного тока (переменного) служит трансформатор Т. Поэтому по обмотке электромагнитного телефона ВF постоянный ток, питающий микрофон, не проходит.
Д
ля
увеличения отдачи микрофона подбирают
отношение витков первичной и вторичной
обмоток трансформатора, ориентируясь
на абонентскую линию средней длины.
При отсутствии разговора через оба микрофона проходит постоянный ток от местных батарей. При разговоре звуковые волны воздействуют на микрофон, и в цепи появляется пульсирующий ток.
Большим недостатком рассмотренной схемы является необходимость иметь источник питания микрофона в каждом телефонном аппарате. Требуются регулярная проверка напряжения батарей, периодическая их замена.
Схема телефонной передачи по системе ЦБ (рис.2,б). Здесь в отличие от схемы передачи по системе МБ в местную цепь включены не микрофоны, а электромагнитные телефоны. Микрофоны включены непосредственно в двухпроводную линию, что позволило отказаться от источников местного питания и заменить их общей для всех абонентов центральной батареей GВ. Батарея устанавливается в специальном помещении на центральной телефонной станции ЦТС. Она собирается из кислотных или щелочных аккумуляторов и имеет обычно напряжение 60 В. Аккумуляторы могут работать многие годы без замены, так как постоянно подзаряжаются через выпрямитель от сети переменного тока.
Схема телефонной передачи по системе ЦБ имеет некоторые особенности. Например, угольный микрофон должен быть высокоомным. Это объясняется тем, что двухпроводная линия, особенно кабельная, обладает большим сопротивлением и является частью нагрузки микрофона. В отличие от схемы передачи по системе МБ здесь ток питания микрофона будет изменяться в зависимости от длины абонентской линии. Применение высокоомных микрофонов уменьшает эту зависимость. Одновременно увеличивается мощность, отдаваемая в линию.
