- •Пояснительная записка курсовой работы
- •Литературный обзор и описание метода измерения
- •Расчет чувствительного элемента датчика
- •Эквивалентная схема чэ.
- •Расчет измерительного преобразователя.
- •Расчет нормирующего преобразователя 0-5 мА
- •Составление структурной схемы измерительного устройства.
- •Выбор ацп, цап и вторичных приборов
- •Описание динамических свойств измерительного устройства.
- •Построение статических характеристик.
Расчет измерительного преобразователя.
Важным классом устройств, предназначенных для измерения параметров электрических цепей методом сравнения, являются мосты.
Сравнение
измеряемой величины с образцовой мерой,
которое производится в процессе измерения
при помощи моста, может осуществляются
вручную или автоматически, на постоянном
или на переменном токе. В простейшем
случае мостовая схема содержит четыре
резистора, соединенных в кольцевой
замкнутый контур. Такую схему имеет
одинарный мост постоянного тока рис.
5. Резисторы R(,
R2,
R3.
и
R4
этого контура называются плечами моста
точки соединения соседних плеч –
вершинами моста. Цепи, соединяющие
противоположные вершина, называют
диагоналями.
Рисунок №5. Одинарный мост
Одна из диагоналей 3-4 содержит источник питания GB, а другая 1-2 указатель равновесия PG. В случае моста переменного тока его плечи могут включать в себя не только резисторы, но также конденсаторы и катушки индуктивности, то есть сопротивления могут иметь комплексный характер.
Мост называется уравновешенным, если разность потенциалов между точками 1 и 2 равна нулю, то есть напряжение на диагонали, содержащей индикатор нуля, отсутствует и ток через индикатор равен нулю. Соотношение между сопротивлениями плеч, при котором мост уравновешен, называется условием равновесия моста. Представленный на рисунке 6 мост является неравновесным электрическим мостом.
Идея построения неравновесных мостовых цепей состоит в исходной компенсации начального значения выходного сигнала, чтоб при х=0 он был равен нулю. Одинарные мосты постоянного тока, широко применяются для измерения сопротивлений (разности сопротивлений) средних размеров (от 1 до 10 Ом). Встречаются также одинарные мосты, диапазон измерений которых расширен либо в сторону меньших (104 Ом), либо в сторону больших (до 101 Ом) значений сопротивления.
Рисунок №6. Неравновесный электрический мост
Если известны значения всех четырёх сопротивлений, а также напряжение (Е), то напряжение на плечах моста можно найти, используя формулы делителя напряжения, а затем вычесть их друг из друга, чтобы найти UH:
,
Так как R3=R4, То мы можем записать:
,
Измерительный мост показывает пример так называемых дифференциальных измерений, которые могут обладать очень высокой точностью. Варианты измерительного моста могут использоваться также для измерения электрической ёмкости, индуктивности.
При измерении расхода известно, что R1=120,658 Ом, а R2 изменяется от 120,778 Ом до 124,918 Ом.
E=24
В. Определяем значение выходного
напряжения неравновесного моста при
:
.
Расчет нормирующего преобразователя 0-5 мА
Из числа применяемых средств измерений для автоматизации современных промышленных установок особое место занимают измерительные устройства (первичные и другие приборы). Эти средства измерений, предназначенные для выработки сигналов измерительной информации в форме, удобной для дистанционной передачи, дальнейшего преобразования и обработки, выполняются на базе унифицированных элементов, узлов, блоков и приборов.
Одним из важных признаков современных измерительных преобразователей, первичных и других приборов ГСП по сравнению с подобными средствами измерений прежних разработок является унификация их выходных сигналов. Это в свою очередь позволяет унифицировать входные сигналы вторичных и регулирующих приборов.
Унификация выходных и входных сигналов обеспечивает взаимозаменяемость передающих преобразователей, измерительных устройств, вторичных приборов и других устройств автоматизации и возможность резкого сокращения номенклатуры (разнообразия) вторичных приборов.
Унификация выходных и входных сигналов средств измерений и их элементов, узлов и блоков существенно повышает надежность действия дистанционной передачи, устройств защиты и обработки измерительной информации, а также открывает широкие перспективы применения средств вычислительной техники.
Нормирующие измерительные преобразователи предназначены для преобразования выходного сигнала первичных преобразователей, измерительных преобразователей в унифицированный сигнал постоянного тока.
В аналоговых электронных цепях в настоящее время широко применяются операционные усилители в интегральном исполнении. Операционными усилителями при этом называют усилители постоянного тока, имеющие коэффициент усиления порядка нескольких тысяч или десятков тысяч, с согласованными уровнями постоянного напряжения на их входах и выходах.
П
риведем
основные зависимости для выбранной
схемы:
При этом должны выполняться следующие условия:
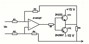
Рисунок №7. Схема нормирующего преобразователя
На рисунке 7 ниже приведена схема нормирующего преобразователя напряжение-ток.
При Uн=0.208 В, Iвых=5мА. Тогда:
Возьмем
тогда из этого соотношения
=100Ом,
=(4,16Ом)=4,3Ом,
R3=10
Ом.
Из условия 8найдем остальные резисторы.
Ом)
= 5,6 Ом
=100
Ом
