- •Особенности построения мультиплексоров на ттл элементах
- •Особенности построения мультиплексоров на кмоп элементах
- •Регистры Параллельные регистры
- •Регистровая память
- •Сдвигающие регистры
- •Счетчики Общие понятия
- •Асинхронные счетчики
- •Синхронные счетчики
- •Интегральные счетчики.
- •Счетчики с различными коэффициентами пересчета.
- •Применение счетчиков
- •Регистры памяти и сдвиговые регистры
- •Синхронные триггеры, тактируемые импульсом
- •Синтез т-триггера на базе -триггера.
- •Синтез d-триггера на базе -триггера.
- •Вопрос 5
- •Асинхронные последовательные счетчики
- •3.4. Синхронные двоичные счетчики
- •Постулаты булевой алгебры
Еще
один элемент цифровой техники, абсолютно
необходимый для понимания принципов
работы микропроцессорных устройств –
дешифратор цифровых сигналов. Существует
много разных типов дешифраторов. Вообще
дешифратор – это устройство, преобразующее
цифровой сигнал, в какой либо кодировке
в другую, не закодированную форму. Нас
будет интересовать классический
дешифратор. Схемное обозначение одного
из вариантов такого дешифратора приведено
на рис. 24. Как видим, такой дешифратор
имеет три входа данных D0,
D1 и D2.
Вход выбора микросхемы
CS.
А так же восемь выходов, обозначенных
цифрами от 0 до 7.
Логика работы микросхемы такова: на входы данных микросхемы подается цифровой код. Некое трехразрядное двоичное число. D0 – младший разряд числа,D2 – старший. Как известно тремя разрядами можно записать восемь различных значений. То есть при помощи трех разрядов можно представить числа от 0 до 7. Каждому числу соответствует свой выход дешифратора. Если на входе выбора микросхемы CS присутствует сигнал лог. 0 (то есть микросхема выбрана), то на одном из его выходов обязательно присутствует сигнал логического нуля, а на всех остальных – сигнал логической единицы. Сигнал логического нуля будет именно на том выходе, номер которого соответствует числу, поданному на входы D0…D2 дешифратора. Если на входе CS установлен сигнал лог. 1, то дешифратор не выбран и на всех его выходах будет присутствовать сигнал лог. 1.
Входы |
Выходы |
||||||||||
D2 |
D1 |
D0 |
CS |
7 |
6 |
5 |
4 |
3 |
2 |
1 |
0 |
0 |
0 |
0 |
0 |
1 |
1 |
1 |
1 |
1 |
1 |
1 |
0 |
0 |
0 |
1 |
0 |
1 |
1 |
1 |
1 |
1 |
1 |
0 |
1 |
0 |
1 |
0 |
0 |
1 |
1 |
1 |
1 |
1 |
0 |
1 |
1 |
0 |
1 |
1 |
0 |
1 |
1 |
1 |
1 |
0 |
1 |
1 |
1 |
1 |
0 |
0 |
0 |
1 |
1 |
1 |
0 |
1 |
1 |
1 |
1 |
1 |
0 |
1 |
0 |
1 |
1 |
0 |
1 |
1 |
1 |
1 |
1 |
1 |
1 |
0 |
0 |
1 |
0 |
1 |
1 |
1 |
1 |
1 |
1 |
1 |
1 |
1 |
0 |
0 |
1 |
1 |
1 |
1 |
1 |
1 |
1 |
x |
x |
x |
1 |
1 |
1 |
1 |
1 |
1 |
1 |
1 |
1 |
Рис. 25. |
|||||||||||
Рассмотренный нами дешифратор имеет три входа данных и, соответственно, восемь выходов. Аналогичным образом теоретически можно построить дешифраторы с любым количеством входов. На практике применяются дешифраторы на два, на три и на четыре входа. У дешифратора, имеющего два информационных входа, будет четыре выхода, так как двухразрядное двоичное число может принимать лишь четыре значения.
|
Рис. 26. |
Дешифраторов с более, чем тремя входами данных, выполненных в виде отдельных микросхем, практически не производят, так как они имели бы недопустимо большое количество выводов. Однако наличие входов выбора микросхемы позволяет каскадировать дешифраторы. На рисунке 26 приведена схема дешифратора с пятью входами данных и тридцатью двумя выходами. Дешифратор собран по схеме каскадирования. Для построения такой схемы потребовался один дешифратор на два входа и четыре дешифратора на три входа.
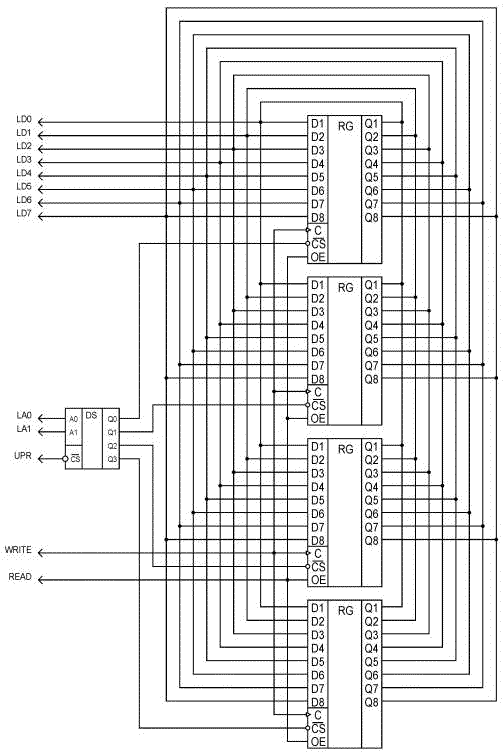
Дешифраторы широко применяются в микропроцессорной технике. И главное их применение – это обеспечение возможности подключения нескольких регистров или ячеек памяти к одной шине данных.
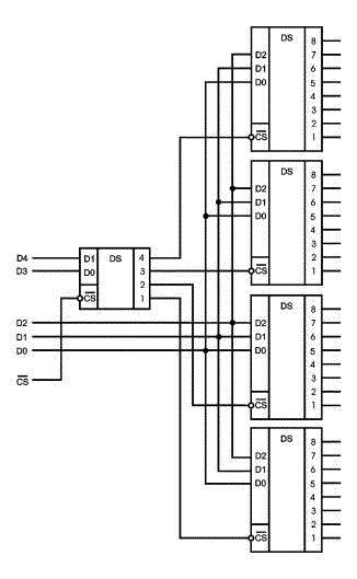
|
Рис. 27. |
Посмотрите на рисунок 27. На нем изображена схема подключения четырех регистров к шине данных при помощи дешифратора 2Х4 (то есть дешифратора, имеющего два входа и четыре выхода). Это уже элемент микропроцессорной схемотехники. Здесь используются регистры с третьим (высокоимпендансным) состоянием выходов. Они выполняют роль ячеек памяти.
LD0…LD7 – это шина данных. Посредством этой шины двоичные восьмиразрядные числа (данные) подаются на блок памяти для их последующей записи в одну из ячеек в режиме записи данных. На нее же поступают данные, считанные из одной из ячеек в режиме чтения памяти.
LA0, LA1 – это простейший вариант шины адреса. Реальные шины адреса имеют, как минимум восемь разрядов. Большинство микроконтроллеров работают с адресами, имеющими не более восьми разрядов. А шины адреса обычно имеют не менее 16 разрядов. Что такое адрес, я думаю уже понятно. Каждая ячейка памяти имеет свой номер. Код, равный номеру ячейки памяти, называется ее адресом. В приведенной схеме имеется четыре регистра - ячейки памяти. Они имеют адреса 0, 1, 2 и 3. Самый верхний по схеме регистр – это ячейка памяти с адресом 0. Самый нижний имеет адрес 3.
Линии WRITE и READ – это простейшая шина управления.
Обо всех этих шинах мы поговорим дальше более подробно. А пока рассмотрим работу схемы на рис. 27.
Сигнал UPR используется для выбора всего этого блока памяти из нескольких аналогичных блоков. Будем считать, что на этом входе присутствует сигнал низкого логического уровня, который переводит модуль в рабочее состояние.
В режиме записи, сначала на шину адреса подается двоичное число – адрес ячейки памяти, в которую необходимо записать байт данных. (Байтом называют двоичное число имеющее восемь двоичных разрядов). Предположим, что мы хотим записать число в ячейку с адресом 1. Для этого на шину адреса мы должны подать этот адрес. То есть подать на входы LA0, LA1 число 012. При этом на выходе Q1 дешифратора появится сигнал лог. 0 . Этот сигнал поступит на вход выбора микросхемы второго с верху регистра и переводит его в активное состояние. Этот регистр и есть ячейка памяти с адресом 1. На аналогичные входы остальных регистров поступит запрещающий сигнал (лог. 1.).
Одновременно, на шину данных от внешнего источника подается двоичное число, предназначенное для записи в ячейку памяти. Это число поступит на входы D0…D7 всех четырех регистров. После того, как сигналы на шине данных и шине адреса установятся, на вход WRITE подается отрицательный импульс записи. Он так же поступит на входы С всех четырех регистров. Но байт данных будет записан только в тот регистр, на который подан разрешающий сигнал с дешифратора, то есть в ячейку с адресом 1.
Для правильной работы схемы в режиме записи на входе READ все время должен присутствовать сигнал лог. 1, который переведет выходы всех четырех регистров в высокоимпендансное состояние. При этом, выходы всех регистров будут отключены от схемы и не будут мешать процессу записи.
Теперь рассмотрим процесс чтения информации из памяти. Сначала на шину адреса подается двоичный код адреса той ячейки, откуда необходимо считать число. Код адреса поступит на дешифратор, который в свою очередь активизирует нужную ячейку памяти. После этого на вход READ подается сигнал логического 0. Этот сигнал переведет выходы регистра, выбранного дешифратором в рабочее состояние. Регистр подключит свои выходы к шине данных, и внешнее устройство сможет прочитать содержимое этой ячейки памяти. По окончании процесса чтения сигнал на входе READ должен опять перейти в единичное состояние. В микропроцессорной системе внешним устройством, управляющим процессами чтения и записи памяти чаще всего (но не всегда) является центральный процессор
Мультиплексорами называются устройства, которые позволяют подключать несколько входов к одному выходу.Демультиплексорами называются устройства, которые позволяют подключать один вход к нескольким выходам. В простейшем случае такую коммутацию можно осуществить при помощи ключей:
Рисунок 1.
Коммутатор (мультиплексор), собранный
на ключах
Такой коммутатор одинаково хорошо будет работать как с аналоговыми, так и с цифровыми сигналами. Однако скорость работы механических ключей оставляет желать лучшего, да и управлять ключами часто приходится автоматически при помощи какой-либо схемы.
В цифровых схемах требуется управлять ключами при помощи логических уровней. То есть нужно подобрать устройство, которое могло бы выполнять функции электронного ключа с электронным управлением цифровым сигналом.
Особенности построения мультиплексоров на ттл элементах
Попробуем заставить работать в качестве электронного ключа уже знакомые нам логические элементы. Рассмотрим таблицу истинности логического элемента "И". При этом один из входов логического элемента "И" будем рассматривать как информационный вход электронного ключа, а другой вход — как управляющий. Так как оба входа логического элемента "И" эквивалентны, то не важно какой из них будет управляющим входом.
Пусть вход X будет управляющим, а Y — информационным. Для простоты рассуждений, разделим таблицу истинности на две части в зависимости от уровня логического сигнала на управляющем входе X.
По таблице истинности отчетливо видно, что пока на управляющий вход X подан нулевой логический уровень, сигнал, поданный на вход Y, на выход Out не проходит. При подаче на управляющий вход X логической единицы, сигнал, поступающий на вход Y, появляется на выходе Out.
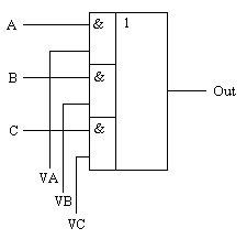
Это означает, что логический элемент "И" можно использовать в качестве электронного ключа. При этом не важно какой из входов элемента "И" будет использоваться в качестве управляющего входа, а какой — в качестве информационного. Остается только объединить выходы логических элементов "И" в один выход. Это делается при помощи логического элемента "ИЛИ" точно так же как и при построении схемы по произвольной таблице истинности. Получившийся вариант схемы коммутатора с управлением логическими уровнями приведен на рисунке 2.
Рисунок 2.
Принципиальная схема цифрового
мультиплексора, выполненая на логических
элементах
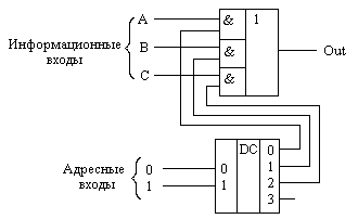
В схемах, приведенных на рисунках 1 и 2, можно одновременно включать несколько входов на один выход. Однако обычно это приводит к непредсказуемым последствиям. Кроме того, для управления таким коммутатором требуется много входов, поэтому в состав мультиплексора обычно включают двоичный дешифратор, как показано на рисунке 3. Этот дешифратор получен нами ранее при помощи синтеза логических схем (СДНФ). Это позволяет управлять переключением информационных входов при помощи двоичных кодов, подаваемых на управляющие входы. Количество информационных входов в таких схемах выбирают кратным степени числа два.
Рисунок 3.
Принципиальная схема мультиплексора,
управляемого двоичным кодом
Условно-графическое обозначение четырёхвходового мультиплексора с двоичным управлением приведено на рисунке 4. Входы A0 и A1 являются управляющими входами рассматриваемой микросхемы, определяющими адрес входного сигнала, который будет соединён с выходом Y. Сами входные сигналы обозначены как X0, X1, X2 и X3.
Рисунок 4.
Условно графическое обозначение
четырёхвходового мультиплексора
В условно-графическом обозначении названия информационных входов A, B, C и D заменены названиями X0, X1, X2 и X3, а название выхода Out заменено на название Y. Такое название входов и выходов более распространено в отечественной литературе. Адресные входы обозначены как A0 и A1.
Особенности построения мультиплексоров на кмоп элементах
При работе с КМОП логическими элементами электронный ключ очень легко получить на одном или двух МОП транзисторах, поэтому в КМОП схемах логический элемент "И" в качестве электронного ключа не используется. Схема электронного ключа, выполненного на комплементарных МОП транзисторах, приведена на рисунке 5.
Рисунок 5.
Схема электронного ключа, выполненного
на КМОП транзисторах
Такой ключ может коммутировать как цифровые, так и аналоговые сигналы. Сопротивление открытых транзисторов составляет десятки Ом, а сопротивление закрытых транзисторов превышает десятки мегом. В этом есть как преимущества, так и недостатки. То, что ключ, собранный на МОП транзисторе, не является обычным логическим элементом, позволяет объединять выходы электронных ключей в точном соответствии со схемой, приведённой на рисунке 1. Это явно упрощает схему устройства.
Кроме того КМОП мультиплексор может быть использован для коммутации аналоговых сигналов. При этом только следует не забывать, что схема не выдерживает отрицательных напряжений. Это означает, что для аналоговых сигналов необходимо использовать схему смещения, так чтобы значения аналогового сигнала находились в диапазоне от потенциала общего провода схемы до напряжения питания мультиплексора.
В то же самое время, при работе с мультиплексором, собранным на КМОП ключах, приходится ставить на его входе и выходе логические элементы. Только в этом случае цифровая схема в целом будет функционировать правильно. Следует отметить, что в большинстве случаев это условие выполняется автоматически.
Теперь вспомним, что в мультиплексоре требуется подключать к выходу только один из входных сигналов. Точно также как и в ТТЛ микросхемах для управления электронными ключами двоичным кодом в состав мультиплексора вводится дешифратор. Схема такого мультиплексора приведена на рисунке 6.
Рисунок 6.
Схема мультиплексора на КМОП элементах
Условно-графическое обозначение мультиплексоров не зависит от технологии изготовления микросхем, то есть КМОП мультиплексор обозначается точно так же, как это приведено на рисунке 4.
В отечественных микросхемах мультиплексоры обозначаются буквами КП, следующими непосредственно за номером серии микросхем. Например, микросхема К1533КП2 является сдвоенным четырёхканальным мультиплексором, выполненным по ТТЛ технологии, а микросхема К1561КП1 является сдвоенным четырёхканальным мультиплексором, выполненным по КМОП технологии.
Регистр - это микроэлектронное устройство, предназначенное для хранения и преобразования информации, представленной в двоичной форме. Информация представляется двоичными последовательностями (сигналов) в виде «слов» определенной длины. Слова могут иметь длину кратную 4 битам, т.е. 4, 8, 12, 16 и т.д. Классификация регистров
1.По способу обработки информации 1.1.Параллельные регистры (запись и выдача информации осуществляется в параллельной форме). 1.2.Сдвиговые регистры (запись или выдача информации осуществляется в последовательной форме). 1.3.Последовательно-параллельные или универсальные (запись и выдача информации могут осуществляться как в параллельной так и в последовательной форме).
2.По числу каналов передачи данных 2.1.Однофазные (информация записывается и выдается либо в прямом, либо в обратном коде). 2.2.Парофазные (информация записывается и выдается в прямом и в обратном коде).
3.По способу тактирования 3.1Однотактные (управляются одной тактовой последовательностью импульса). 3.2.Многотактные (управляются нескольким тактовыми последовательностями импульса).
Параллельный
однотактный парофазный регистр
Параллельный
однотактный парофазный регистр
Чтобы
регистр мог «запомнить» слово информации,
он должен состоять из соответствующего
числа ячеек, каждая из которых должна
иметь два устойчивых состояния: лог.0 и
лог.1. Эти состояния должны сохраняться
сколь угодно долго, но могут быть изменены
в любой момент времени.
В качестве
ячеек обычно используются синхронные
D - триггеры, состояние которых отображает
слово информации, а каждый триггер
хранит 1 бит информации и соответствует
одному разряду слова.
В зависимости
от наличия и характера связей между
ячейками различают:
1) регистры
хранения информации;
2) сдвиговые
регистры
3) регистры специального
назначения.
Регистры, предназначенные
для хранения информации могут работать
в двух режимах - записи и хранения
информации. При записи «содержимое»
ячеек изменяется на новое: в соответствии
со значением разрядов входного слова
информации. В режиме хранения состояние
(«содержимое») ячеек регистра остается
неизменным пока сохраняется этот режим.
Причем во время хранения регистр как
бы становится «нечувствительным» к
изменению входных информационных
сигналов. Такие регистры используются
для построения оперативных запоминающих
устройств (ОЗУ) ЭВМ. Между ячейками таких
регистров взаимных связей нет.
Регистры
сдвига (сдвиговые регистры) могут
работать в трех режимах: 1) записи; 2)
хранения и 3) сдвига (последовательной
выдачи) информации.
Сдвиговые
регистры могут быть реализованы только
на динамических триггерах.
Рис.5.
Временная диаграмма сдвигового регистра
Универсальные регистры по алгоритму функционирования получили такое название, так как их можно использовать для хранения и преобразования информации, а также для деления частоты импульсов, построения фазовращателей и распределителей импульсов и выполнения математических операций с двоичными числами. Например, сдвиг на один разряд в сторону старших разрядов записанного в регистр слова, можно рассматривать, как умножение на 2 двоичного числа, отображаемого этим словом.
