- •Определение понятия электропривод. Структурная схема электропривода (эп).
- •Классификация эп.
- •Механические характеристики рабочих машин.
- •Механические и электромеханические характеристики эд.
- •Расчет и построение механической характеристики ад по паспортным данным Мн, ωн, ω0, μп, μмах.
- •Выбор эд по мощности с учетом режима их работы s1, s2, s3.
- •Выбор эд по мощности для режима s1.
- •Выбор эд по мощности для режима s2.
- •Выбор эд по мощности для режима s3.
- •Регулирование частоты вращения ад.
- •Р егулирование частоты вращения эл. Постоянного тока.
- •9..Автоматизированное управление эп. Понятие замкнутых и разомкнутых систем управления. Обратные связи в эп.
- •10..Пуск и реверс асинхронного эд.
- •Регулирование скорости асинхронного двигателя
- •12.Принцип частотного регулирования.
- •16..Выбор эд по мощности для режима s3.
- •Приводные характеристики рабочих машин.
- •Замкнутая система эп с обратной связью по скорости.
- •20 Особенности работы эп в условиях сельского хозяйства.
- •Приводные характеристики вентилятора.
Определение понятия электропривод. Структурная схема электропривода (эп).
В современном промышленном производстве, сельском хозяйстве, коммунальном секторе наибольшее применение имеет электрический привод, который потребляет более 60 % электроэнергии.
Электропривод позволяет с высоким КПД преобразовывать электрическую энергию в механическую в широком диапазоне мощностей и скоростей движения; обеспечивает простоту автоматизации технологических процессов; дает возможность находить многообразные конструктивные решения сочленения рабочего органа с рабочей машиной; способен работать в различных условиях, в том числе в агрессивной среде, при повышенной влажности, в широком температурном диапазоне, что характерно для сельского хозяйства.
Возможности электропривода постоянно расширяются за счет использования достижений силовой электроники и микропроцессорной техники.
Электроприводом (ЭП) называется электромеханическая система, состоящая из электродвигательного, преобразовательного, передаточного и управляющего устройств и предназначенная для приведения в движение рабочих органов машин и управления этим движением (по ГОСТ 16593-79).
Электроприводы подразделяются на групповые, индивидуальные и взаимосвязанные.
В групповом приводе один электродвигатель приводит в движение с помощью разветвленной передачи группу механизмов или рабочих органов одного механизма. Кинематическая схема такого привода громоздкая, а сам привод неэкономичен, поэтому находит ограниченное применение.
В индивидуальном приводе электродвигатель приводит в движение только один рабочий орган. Кинематическая схема механизма с таким приводом существенно упрощается, повышается экономичность и снижается металлоемкость механизма. Электродвигатель может встраиваться непосредственно в механизм.
Взаимосвязанный привод обеспечивает работу одного механизма с помощью нескольких электродвигателей.
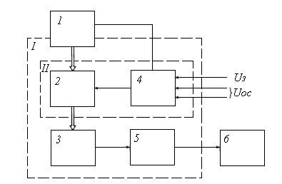
Структурная схема электропривода приведена на рис. 1.
Основной элемент электропривода — электродвигатель (ЭД), который преобразует электрическую энергию в механическую. Для получения электроэнергии требуемых параметров между двигателем и источником энергии включают силовой преобразователь.
Управление преобразователем осуществляется от блока управления, на вход которого поступают задающий сигнал Uз и сигналы Uос обратной связи (ОС), содержащие информацию о характере движения исполнительных органов, работе отдельных узлов, аварийных режимах. Преобразователь вместе с блоком управления образуют систему управления.
Жирными стрелками на рис. 1 показаны силовые каналы передачи электрической и механической энергии, а тонкими — каналы передачи сигналов управления.
Классификация эп.
Существует большое разнообразие эл. приводов. Их классификация обычно производится по виду движения и степени управляемости эл. привода, роду электрического и механического передаточных устройств, способу передачи механической энергии исполнительным органам и ряду других признаков.
По виду движения различаются электроприводы вращательного и поступательного однонаправленного и реверсивного движения, а также электроприводы возвратно-поступательного движения. Эти движения могут иметь как непрерывный, так и дискретный характер.
По принципам регулирования скорости и положения электропривод может быть:
нерегулируемый (исполнительный орган приводится в движение с одной постоянной скоростью);
регулируемый (путем воздействия на электропривод скорость движения исполнительного органа изменяется в соответствии с требованиями технологического процесса);
следящий (с помощью электропривода воспроизводится перемещение исполнительного органа в соответствии с произвольно изменяющимся задающим сигналом);
программно-управляемый (электропривод обеспечивает перемещение исполнительного органа в соответствии с заданной программой);
адаптивный (электропривод автоматически обеспечивает оптимальный режим движения исполнительного органа при изменении условий его работы);
позиционный (электропривод обеспечивает регулирование положения исполнительного органа рабочей машины).
По роду механического передаточного устройства различают редукторный электропривод, содержащий один из видов механического передаточного устройства, и безредукторный, в котором электродвигатель непосредственно соединен с исполнительным органом.
По роду электрического преобразовательного устройства различают:
вентильный электропривод, преобразовательным устройством которого является вентильный преобразователь энергии. Разновидностями вентильного электропривода являются ионный и полупроводниковый электроприводы. Полупроводниковый электропривод, в свою очередь, делится на тиристорный и транзисторный электроприводы, преобразовательным устройством в которых является соответственно тиристорный или транзисторный преобразователь электроэнергии;
система управляемый выпрямитель — двигатель (УВ — Д) — вентильный электропривод постоянного тока, преобазовательным устройством которого является регулируемый выпрямитель;
система преобразователь частоты — двигатель (ПЧ — Д) — вентильный электропривод переменного тока, преобразовательным устройством которого является регулируемой преобразователь частоты;
система генератор — двигатель (Г — Д) и магнитный усилитель — двигатель (МУ — Д) —регулируемый электропривод, преобразовательным устройством которого является соответственно электромашинный преобразовательный агрегат или магнитный усилитель.
По способу передачи механической энергии исполнительному органу электроприводы делятся на индивидуальный, взаимосвязанный и групповой.
Индивидуальный электропривод характеризуется тем, что каждый исполнительный орган рабочей машины приводится в движение своим отдельным двигателем.
Взаимосвязанный электропривод содержит два или несколько электрически или механически связанных между собой электроприводов. Частным случаем взаимосвязанного электропривода является многодвигательный электропривод, при котором несколько двигателей работают на общий вал, приводя в движение один исполнительный орган.
Групповой электропривод характеризуется тем, что от одного двигателя приводится в движение несколько исполнительных органов одной или нескольких рабочих машин.
