- •1. Беріліс механизмдерінің міндеттері және классификациясы (жіктелуі)
- •2. Берілістердің негізгі кинематикалық және энергетикалық сипаттамалары
- •1 Және 2 тісті доңғалақтар (кіру және шығу жұлдызшалары)
- •3. Тісті берілістер. Тісті берілістердің әрекет принципі және классификациясы (жіктелуі)
- •1 Шестерня; 2 доңғалақ; aw өс аралық арақашықтық;
- •3.2.2. Цилиндрлік тісті берілістердің геометриясы және кинематикасы
2- дәріс. Тақырыбы: Беріліс механизмдері. Тісті берілістер.
Қарастырылатын сұрақтар:
1. Беріліс механизмдерінің міндеттері және классификациясы (жіктелуі).
2. Берілістердің негізгі кинематикалық және энергетикалық сипаттамалары.
3. Тісті берілістердің әрекет принципі және классификациясы (жіктелуі)
4. Цилиндрлік тісті берілістердің геометриясы және кинематикасы.
1. Беріліс механизмдерінің міндеттері және классификациясы (жіктелуі)
Әртүрлі технологияға арналған машиналардың конструкцияларында қозғалтқыш пен машинаның жұмыс істеу органының қозғалыс (айналу) жылдамдықтарының елеулі айырмашылығынан тікелей қосылуының мүмкін еместігі беріліс механизмдерін қолдануға қажеттілік туғызады. Мысалы: жүккөтеруші және жүктасмалдаушы (тиеу-түсіру) машиналары – тағанды, көпірлі, жебелі крандарда, әр түрлі конвейерлерде, сонымен қатар автомобиль және тракторларда.
Қозғалтқыштан (электрлі, жылу және т.б.) машинаның немесе аспаптың атқарушы органына механикалық энергияны (қозғлысты) беру үшін әдетте беріліс механизмдерінен қолданылады. Оларды қозғалтқыштың шығу буынының жоғары қозғалыс жылдамдығын машинаның немесе аспаптың атқарушы органының төмен қозғалыс жылдамдығымен келістіруге, сонымен қатар қозғалтқыштың шығу буынының қозғалыс жылдамдығының тұрақтылығынан атқарушы органның қозғалыс жылдамдығын реттеу қажеттілігі себептен пайдаланылады.
Машинажасау саласында механикалық, электрлік, гидравликалық және пневматикалық берілістер қолданылады.
Беріліс механизмдерінің арасында, негізінен, механикалық берілістер кеңінен қолданыс тапты.
Механикалық берілістер мынадай белгілері бойынша жіктеледі:
– қозғалысты берудің физикалық шарттары бойынша – үйкелісті, фрикциондық (катокты, белдікті, арқанды (темірарқанды)); іліністі, бір буынның басқа буынмен ілінісуі (тісті, гиперболоидтық, шынжырлы);
– қозғалысты беру және түрлендіру принципі бойынша екі түрге бөлінеді: кинематикалық және толқынды (динамикалық);
– жетектеуші және жетектегі буындардың қосылу тәсілі бойынша: жетектеуші және жетектегі буындардың тікелей жанасу берілісі – фрикционды, тісті; жетектеуші және жетектегі буындарды қосатын иілмелі буындар арқылы беріліс – белдікті, арқанды, шынжырлы.
Мысалы, бұрыштық жылдамдықтарды кемітуге арналған және жабық корпустағы тісті доңғалақтар жүйесі (редуктор) болатын тісті берілістер, тағанды, көпірлі, және теміржолды және автомобильді жүрісті жебелі крандарда кеңінен қолданылады.
Әрбір беріліс механизмдерінде кіру және шығу негізгі екі буынға ажыратылады. Көп сатылы тісті берілістерде кіру және шығу буындарының арасында аралық буындар орналасқан.
2. Берілістердің негізгі кинематикалық және энергетикалық сипаттамалары
Бұрыштық жылдамдық ω, [ω] = [с-1].
ω
=
(1)
мұндағыn – біліктердің айналу жиілігі, (мин–1).
2. Сызықтық (шеңберлік) жылдамдық v, [v] = [м/с].
Кіру 1 және шығу 2 буындарының шеңберлік жылдамдықтары (м/с) (1-сурет)
(2)
мұндағы ω1, ω2 и d1, d2 кіру және шығу буындарының бұрыштық жылдамдықтары (рад./с) мен диаметрлері (м).
1-сурет. Айналу қозғалысын беретін тісті (а) және шынжырлы (б) берілістер:
1 Және 2 тісті доңғалақтар (кіру және шығу жұлдызшалары)
3. Қуат P. [P] = [Вт]. Кіру (жетектеуші) буындағы қуат P1 және шығу (жетектегі) буындағы қуат P2.
P
= Tω
=
(3)
мұндағы T – айналдырушы момент, [T] = [Н·м].
Егер қуат киловаттпен берілсе [P] = [кВт], онда
P
= Tω
=
(4)
4. Беріліс қатынасы i. Жетек деп машинаны немесе механизмді қозғалысқа келтіретін құрылғыны айтады. Жалпы түрде жетек өзіне қозғалтқыш пен беріліс механизмдерін қамтиды.
Кіру
және шығу буындардың арасында сырғанау
жоқ деп жорамал-данса, онда олардың
шеңберлік жылдамдықтары тең болуға
тиіс
,
ендеше
немесе
(5)
Беріліс қатынасыi деп энергия ағынының бағытында екі буынның бұрыштық жылдамдықтарының ω1 және ω2 қатынастарын айтады.
Бір сатылы беріліс үшін
.
(6)
Егер [i] > 1, n1>n2 болса, беріліс төмендетуші немесе редуктор. Егер [i] < 1, n1<n2 болса, беріліс жоғарылатушы немесе мультипликатор.
Айналу жылдамдығын (жиілігін) азайтуға (кемітуге) арналған корпуста орналасқан бір немесе бірнеше жұп тісті доңғалақтан тұратын тісті механизмдер редуктор деп аталады.
Айналу жылдамдығын (жиілігін) көбейтуге арналған корпуста орналасқан бір немесе бірнеше жұп тісті доңғалақтан тұратын тісті механизмдер мультипликатор деп аталады.
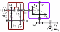
Көп сатылы тісті берілістерде (2-сурет) жалпы беріліс қатынасын мына формуламен анықтаймыз:
,
(7)
мұндағы k сырттай ілінісу саны; «оң» таңба іштей ілінісуге қатысты, ал «сол» таңба сырттай ілінісуге қатысты;in жеке беріліс қатынастары
,
,
,
...,
.
(8)
n тізбектеліп қосылған жұптардан тұратын кинематикалық тізбектің жалпы беріліс қатынасы осы жұптардың жеке беріліс қатынастырының көбейтіндісіне тең, яғни
i
=
.
(9)
Тәжірибеде беріліс қатынасын таңдау белгілі ұсынылған диапазоннан орташа мәндері бойынша оларды таңдап алуға әкеледі.
2-сурет. Көп сатылы тісті беріліс
Беріліс
қатынасының таңбасын есепке алмау үшін,
тісті және бұрамдық берілістердің
есептеулерінде беріліс
санынан
пайдаланылады.
Беріліс саны u (МЕСТ 16532-70) деп үлкен тісті доңғалақ тістер санының z2 кіші тісті доңғалақ тістер санына z1 қатынасын айтады
(u = z2 / z1). (10)
Беріліс саны қозғалыс қалай беріліп жатқанына емес, яғни z1-ден z2-ге немсес z2-ден z1-ге байланысты. Беріліс саны тек қана бір жұп тісті доңғалақтарға қатысты. Оны көп сатылы редукторлардың, шынжырлы, белдікті және басқа берілістер үшін беріліс қатынасын белгілеуге қолдануға болмайды, мұнда тек i белгісі, яғни беріліс қатынасы дұрыс болады. Бір сатыда беріліс санының мөлшері беріліс қатынасына тең u = |i|.
Стандардты номиналды беріліс саны u:
1-қатар 1,0; 1,25; 1,6; 2,0; 2,5; 3,15; 4,0; 6,3; 8,0;
2-қатар 1,12; 1,4; 1,8; 2,24; 2,8; 3,55; 4,5; 5,6; 7,1; 9,0; 11,2.
Мүмкіндік ауытқу 4 .
5. Пайдалы әсер коэффициенті η. Берілістің пайдалы әсер коэф-фициентін η шығу (жетектегі) буынының қуатының Р2 кіру (жетектеуші) буынның қуатына Р1 қатынасы ретінде анықтайды. Мысалы, бірсатылы жетек үшін
η
=
(11)
Түйіспе нүктелері мен тіректерде, сонымен қатар тіректердің деформациясынан, қызудан және т.с.с. пайда болатын шығындар салдарынан шығудағы қуат әрқашан кірудегіден кіші, яғни Р2<P1, сондықтанη< 1. Бұл энергияның сақталу және өзгеру заңдары талап еткендей.
Айналдырушы моментін берудегі пайда болатын шығын қуаты ΔP = P1 – P2 тең. Берілістегі шығындарды есептеу өте күрделі, бұл түйіспелік есепті, үйкеліс есебін, ыстықтықтың таралу есебін және т.с. шешумен байланысты. ПӘК анықтауды жеңілдету мақсатында оның орташа мәндерін пайдалануға болады.
Көпсатылы берілістердің (2-сурет) жалпы ПӘК-ін мына формула бойынша табамыз:
,
(12)
мұндағы η1 май ваннасындағы жабық цилиндрлі тісті беріліс ПӘК; η2 май ваннасындағы жабық конусты тісті беріліс ПӘК; η3 –ашық цилиндрлі тісті беріліс ПӘК; η4 – жұп домалау мойынтіректері ПӘК (0,99 0,995) және т.с.
Жалпы жағдайда n тізбекті сатылы болатын жетек үшін жалпы ПӘК тізбекті қатардың құрамды бөліктерінің жеке ПӘК-інің көбейтіндісіне тең, яғни
η
=
(13)
Берілістің негізгі сипаттамаларына: кіру мен шығу буындарындағы қуат; кіру мен шығу буындарының айналу жиілігі (n1 және n2, мин-1) немесе айналу жылдамдығы (ω1 жәнеω2, с-1) жүргіштігі жатады.
Берілістің өндірістік сипаттамаларына: пайдалы әсер коэффициенті; беріліс қатынасы жатады.
Айналдырушы моментті T, [H·м] қуат P, [Вт] және бұрыштық жыл-дамдық ω, [сек-1] арқылы келесі формуламен өрнектеуге болады:
(14)
немесе, егер қуат P, [кВт] берілсе
(15)
Кіру (жетектеуші) және шығу (жетектегі) буындарының айналдырушы моменттері арасындағы байланысты беріліс қатынасы және пайдалы әсер коэффициенті арқылы мына көріністе өрнектеуге болады
T2 = T1 · i · η. (16)
