Размещено на http://www.Allbest.Ru/
Задача 1
Вычертить «в рыбках» схему технической пассажирской станции поперечного типа. Перечислить устройства и служебно-технические здания этой станции; операции, выполняемые на ней.
Решение:
На пассажирских технических станциях осуществляют технический осмотр, очистку, обмывку, переформирование, ремонт и экипировку пассажирских составов. Для этих операций проектируется путевое развитие, вагономоечные машины, ремонтно-экипировоччное депо (РЭД), пункты технического обслуживания вагонов, конторы по обслуживанию пассажиров (КОП), устройства СЦБ, связи, энергоснабжения и др.
В зависимости от объема работы пассажирские технические станции разделяются на станции и технические парки. Станции бывают крупные, обрабатывающие в сутки более 15 составов и средние – от 8 до 15 составов. В технических парках обрабатывают до 6 – 8 составов в сутки.
Взаимное расположение отдельных устройств должно соответствовать поточности обработки вагонов с учетом беспрепятственной и одновременно выполняемой работы на них. Поэтому сортировочная работа, как это было принято, всегда, производится методом перестановки и толчков, а не через сортировочную горку, которая потребовала бы центрального расположения подгорочных парков. Свободный спуск вагонов в некоторых случаях, правда, не разрешается. Расположение отдельных устройств зависит далее от положения соединений и наличия площади. Устройства при этом в большей мере желательно располагать последовательно и, чтобы длина станции не была слишком большой, также в известной степени параллельно друг другу.
Технических станций, которые отвечали бы всем требованиям обработки и переформирования с наличием для этого всех специальных отдельных устройств, нет. Такие сооружения требуют больших затрат и поэтому могут рассматриваться как теоретические. Однако на основании такого «академического» решения лучше всего может быть изучена идеальная программа, которая устанавливает необходимость в следующих устройствах:
Путевое развитие станции состоит из путей приема (грубой очистки), наружной обмывки составов, ремонтно-экипировочных, отстоя и отправления готовых составов, стоянки пригородных составов, а также вытяжных, ходовых путей, путей стоянки резервных и неисправных вагонов, выгрузочных у складов топлива, а также путей для стоянки почтовых, багажных вагонов и вагонов-ресторанов. На территории технической станции в ряде случаев размещается и локомотивное депо.
На путях парка приема осуществляют сдачу белья из вагонов, сухую уборку состава, уборку мусора и технический осмотр ходовых частей, ударно-тяговых приборов, автотормозного оборудования, электрооборудования и внутреннего оборудования, а также переформирование составов, на путях моечного цеха – наружную обмывку вагонов (прохождение состава через вагономоечную машину).
На путях РЭД осуществляют технический осмотр , ремонт ходовых частей, ударно-тяговых приборов, автотормозного оборудования, электрооборудования и внутреннего оборудования, холодильных установок, осмотр и зарядку аккумуляторных батарей, внутреннюю влажную уборку вагонов, снабжают состав водой и бельем.
В парке отправления осуществляют снабжение вагонов углем, приемку вагонов проводниками состава, начальником поезда и постоянно действующей комиссией.
Для
обмывки составов применяют стационарные
и передвижные вагономоечные машины.
Стационарные машины устанавливаются
на станциях, обслуживающих свыше 200
вагонов в сутки. Машины для обмывки
вагонов размещают на открятых площадках,
если температура наружного воздуха не
ниже - 15
, и в закрытых помещениях при температуре
ниже -15
.
Наибольшее распространение получили
стационарные машины 116 и 178 м. скорость
подачи на такие машины составляет
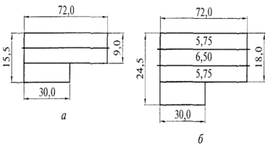
0,8…1,0 км/ч, время обмывки 30…35 мин. Размеры
цеха обмывки составов представлены на
рис. 1.
Рис. 1 - Схемы и размеры (в метрах) цеха обмывки пассажирских составов на один путь (а) и на два пути (б)
Основной принцип размещения вагономоечных машин – обеспечение поточности обработки составов. На многопарковых станциях моечные машины целесообразно располагать после парка приема.
Ремонтно-экипировочные устройства (РЭУ) подразделяют на крытые, сооружаемые на станциях в северных и центральных районах России, и открытые, размещаемые на южных дорогах европейской части страны, где экипировочные работы в течение всего года выполняются на открытом воздухе.
При открытых РЭУ предусматриваются соответствующие производственные здания. Ремонтно-экипировочное депо с крытыми стойлами состоит из стойловой части и производственных мастерских со служебно-бытовыми помещениями (рис. 2). При сооружении новых зданий РЭД в них, как правило, следует предусматривать кладовые, базы вагонов-ресторанов и помещения дезинфекции постельных принадлежностей и съемного оборудования.
Рис. 2 - Схема ремонтно-экипировочного депо (в метрах): 1 – стойловая часть; 2 – мастерские; 3 – цех отцепочного ремонта
Длина экипировочного депо определяется по числу вагонов в наиболее длинном экипируемом составе с добавлением 5 м с каждой стороны до торцевых стен депо и 10 м на растяжку состава для удобства проведения транспортных работ в средней части депо.
В пунктах формирования пассажирских поездов с числом приписных вагонов не менее 400 сооружают вагонное депо (ВРД) для планового и текущего ремонта не менее 1 500 пассажирских вагонов в год (рис. 3).
Рис. 3 - Схема вагонного депо для ремонта пассажирских вагонов (в метрах): I, III, IV – ремонтные отделения; II – сборочный цех; V – колесный парк
Пассажирские технические станции бывают однопарковые и многопарковые. При обработке 4 – 10 составов в сутки обычно проектируют однопарковые технические станции с общим приемоотправочным парком и размещаемым параллельно ему РЭД.
Рекомендуемые и вновь сооружаемые крупные пассажирские технические станции при наличии достаточной длины площадки проектируют многопарковыми по схеме с последовательным расположением РЭД по отношению к паркам приема и отправления (рис. 4).
Рис. 4 - Схема технической пассажирской станции поперечного типа
Рассмотрим работу технической пассажирской станции поперечного типа.
Составы с пассажирской станции по соединительному пути прибывают в парк приема 1, где подвергаются техническому, санитарному осмотру и при необходимости переформированию. Здесь выполняют очистку вагонов, затем производится наружная обмывка составов в вагономоечном цехе (стационарные вагономоечные машины) 4 и перестановка их в ремонтно-экипировочное депо (РЭД) 5 для ремонта ходовых частей, внутреннего оборудования и экипировки (снабжение вагонов водой, постельными принадлежностями, топливом, снабжения вагонов-ресторанов). После этого составы выставляют в парк отправления 2, где они ожидают подачи на перронные пути под посадку пассажиров.
